SLM110_120_TRM(Ver7.1_CS16.26).pdf - 第256页
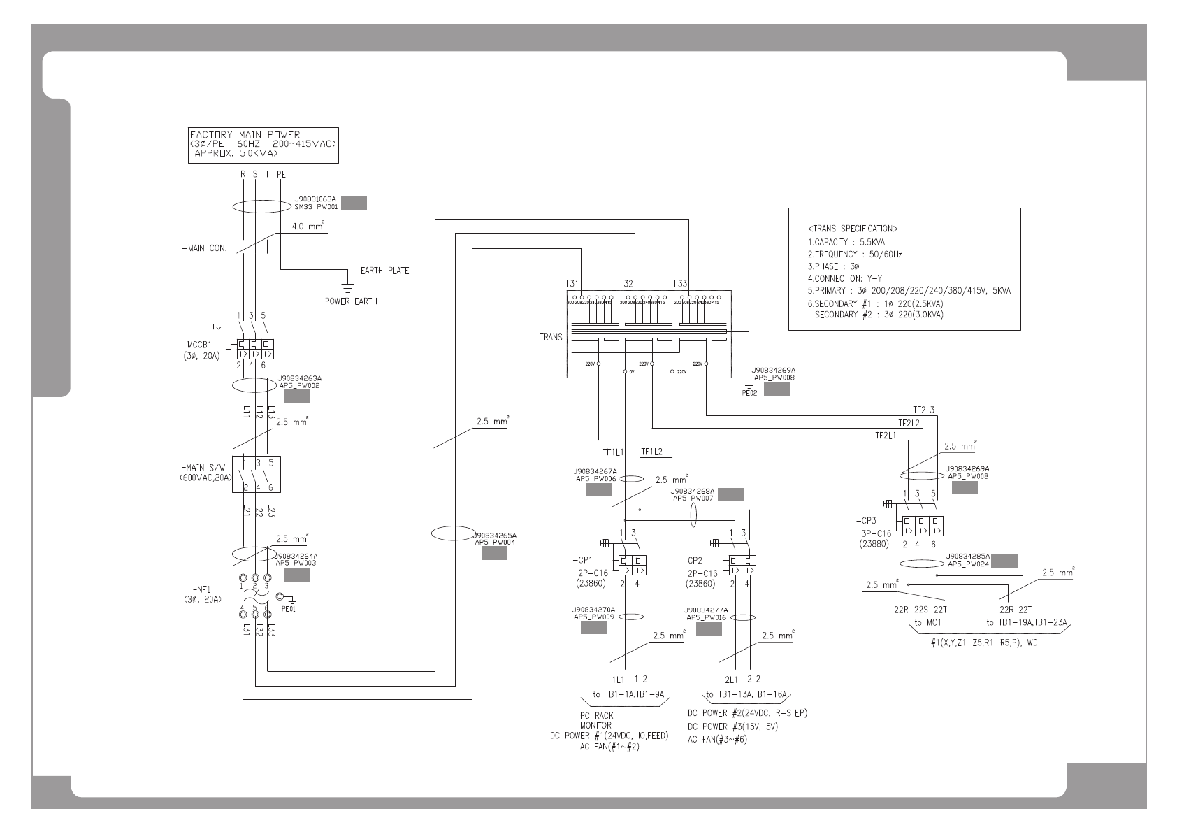
Page HANWHA TECHWIN 244 SLM120/110 Electric Circuit Diagram 110 (2/5) ^4` ^5` ^6` ^7` ^9` ^8` ^:` ^;` ^<` ^8` ^43`

Page
HANWHA TECHWIN
243
SLM120/110
Electric Circuit Diagram 110 (1/5)
NO. Lev. PART NO. PART NAME Q'TY Old No. Supply Supply LT Reference

Page
HANWHA TECHWIN
244
SLM120/110
Electric Circuit Diagram 110 (2/5)
^4`
^5`
^6`
^7`
^9`
^8`
^:`
^;`
^<`
^8`
^43`

Page
HANWHA TECHWIN
245
SLM120/110
Electric Circuit Diagram 110 (2/5)
NO. Lev. PART NO. PART NAME Q'TY Old No. Supply Supply LT Reference
1 J90831063A MAIN_POWER_CABLE_ASSY SM33-PW001 1
2 J90834263A MCCB_MAIN_SWITCH_CABLE_ASSY AP5_PW002 1
3 J90834264A MAIN_SWITCH_NF1_CABLE_ASSY AP5_PW003 1
4 J90834265A NOISE_FILTER_TB2_CABLE_ASSY AP5_PW004 1
5 J90834269A TRANS_CP3_CABLE_ASSY AP5_PW008 2
6 J90834267A TRANS_CP1_CABLE_ASSY AP5_PW006 1
7 J90834268A TRANS_CP2_CABLE_ASSY AP5_PW007 1
8 J90834270A CP1_TB1_CABLE_ASSY AP5_PW009 1
9 J90834277A CP2_TB1_CABLE_ASSY AP5_PW016 1
10 J90834285A CP3_TB1_MC1_CABLE_ASSY AP5_PW024 1