00195375-05_SM_D1_D1i_D2_D2i_DE - 第182页
Servicearbeiten BE-Wechseltisch 4.6.2 Was vor Beginn der Servicearbeiten zu tun ist ... 182 Serviceanleitung SIPLACE D1/D1i/D2/D2i 4.6.2 4 . 6 . 2 W a s v o r B e g in n d e r S e r v ic e a r b e it e n z u t u n is t .…

Servicearbeiten
4.6.1 Sicherheitshinweise BE-Wechseltisch
Serviceanleitung SIPLACE D1/D1i/D2/D2i 181
4.6
4.6 BE-Wechseltisch
BE-Wechseltisch
4.6.1
4.6.1 Sicherheitshinweise
Sicherheitshinweise
GEFAHR
Betriebsanleitung beachten
Übergeordnet gelten die Kapitel „Betriebssicherheit“ und „BE-Wechseltische“ in der Betriebs-
anleitung und das Kapitel „Betriebssicherheit“ in dieser Serviceanleitung.
Diese SIPLACE Automaten werden mit 120V / 208V +/- 5% (US-Version) bzw. 3 x 230V/400V
+/- 5%, 50/60 Hz Netzspannung versorgt.
Teile der Anlage führen daher gefährliche Spannungen! Diese Spannung liegt im
Maschinenständer-Innenraum an bestimmten Baugruppen auch bei ausgeschaltetem Haupt-
schalter an!
Unsachgemäßer Umgang mit dem Automaten oder die Berührung spannungsführender Teile
des Automaten kann zu Tod oder schwerer Körperverletzung sowie zu erheblichem Sachscha-
den führen.
► Beachten Sie jederzeit die geltenden Unfallverhütungs- und DIN-Vorschriften und die spe-
ziellen Sicherheitsvorschriften Ihres Landes. Bei allen Arbeiten im Maschinenständer-In-
nenraum ist DIN EN 60204 einzuhalten.
► Die Anpassung / Umstellung der Spannung darf nur durch den SIPLACE-Servicetechniker,
anhand der SIPLACE-internen Nachrüstanleitung, durchgeführt werden.
GEFAHR
Seitliche Kräfte, Anschluss
Am Bauelemente-Wechseltisch besteht Quetsch- bzw. Schergefahr (siehe "4.6.1 Sicherheits-
hinweise" [ ➙ 181]).
Auf den ausgebauten Bauelemente-Wechseltisch darf keine größere seitliche Kraft einwirken
(Gefahr des Kippens), deshalb:
- Lehnen Sie sich nicht dagegen und stützen Sie keine Gegenstände daran ab.
- Stellen Sie den BE-Wechseltisch auf eine waagrechte Fläche ab und sichern Sie ihn gegen
selbständiges Wegrollen.
Keinesfalls darf der herausgefahrene BE-Wechseltisch am Maschinenständer elektrisch am
Maschinenständer angeschlossen werden (= nicht bestimmungsgemäßer Gebrauch = GE-
FAHR!).
Bei aus der Maschine herausgefahrenem BE-Wechseltisch ist u. a. das Schneidgerät
zugänglich:
Am beweglichen und feststehenden Messer des Schneidgerätes besteht erhöhte Verletzungs-
gefahr, auch bei ausgeschaltetem Automaten!
Fassen Sie niemals von unten in das Schneidgerät oder von oben in den Leergurtleitkanal,
auch nicht zur Fehlerbehebung (z. B. bei verklemmtem Gurt) im Zusammenhang mit dem Aus-
bau des BE-Wechseltisches.
Quetsch- bzw. Schergefahr besteht ausserdem in folgenden Fällen:
► Bei unsachgemäßer Höheneinstellung / Anpassung an SMEMA-Höhe (Einstellung nur
durch SIPLACE-Servicetechniker -> siehe SIPLACE-interne Nachrüstanleitung),
► Bei Um- oder Herunterfallen eines Zuführmoduls,
GEFAHR
BESTÜCKKOPF-CRASH
Bei allen SIPLACE-Maschinen muss das Y- Portal vor dem Tischwechsel explizit aus dem BE-
Wechseltischbereich verschoben werden.
Erst danach darf der Druckluft-Schalter für das Anheben des Tisches betätigt werden. Ande-
renfalls kann ein Bestückkopf-Crash erfolgen!

Servicearbeiten
BE-Wechseltisch 4.6.2 Was vor Beginn der Servicearbeiten zu tun ist ...
182 Serviceanleitung SIPLACE D1/D1i/D2/D2i
4.6.2
4.6.2 Was vor Beginn der Servicearbeiten zu tun ist ...
Was vor Beginn der Servicearbeiten zu tun ist ...
► Fahren Sie den BE-Wechseltisch aus der Maschine heraus. (Siehe Betriebsanleitung.)
► Für den Austausch des Balgzylinders:
Entnehmen Sie die Zuführmodule vom BE-Tisch und stellen Sie diese auf eine saubere Unterlage
ab. Die Gurtrollen können in diesem Fall im Container verbleiben.
► Für den Austausch der Lenk- und Bockrollen:
Arbeitsschritte, wie oben bei Austausch des Balgzylinders.
Nehmen Sie zusätzlich alle Gurtrollen aus dem Container und legen Sie diese geordnet ab.
► Für den Austausch des Kabels BE-Tisch oder der Kommunikationseinheit:
Die Zuführmodule müssen nicht abgebaut werden.
4.6.2.1
4.6.2.1 Werkzeuge und Hilfsmittel
Werkzeuge und Hilfsmittel
▪ Innensechskant-Schraubendrehersatz
▪ Seitenschneider (für Kabelbinder)
▪ Externe Stromversorgung Wechseltisch
▪ Verlängerungskabel Wechseltisch
4.6.3
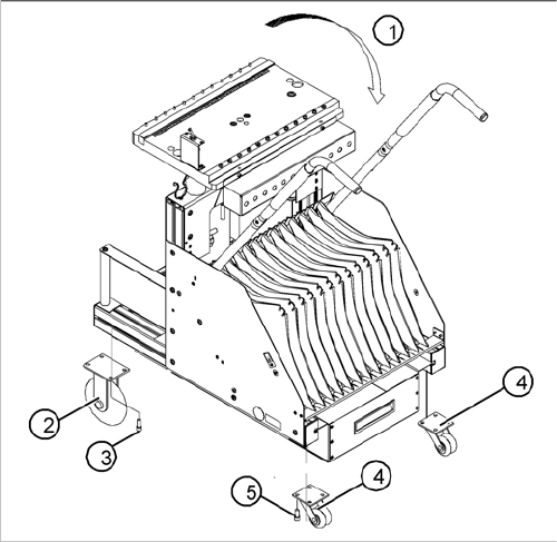
4.6.3 Bockrollen und / oder Lenkrollen ersetzen
Bockrollen und / oder Lenkrollen ersetzen
Teile
▪ 2x Bockrolle [03044881-xx]
▪ 2x Doppel-Lenkrolle [03050704-xx]
Aus-/Einbau
Der BE-Wechseltisch ist ausgebaut und vorbereitet, wie im "4.6.2 Was vor Beginn der Servicearbeiten
zu tun ist ..." [ ➙ 182] beschrieben.
► Rüsten Sie den BE-Tisch gegebenenfalls ab und entfernen Sie auch die Trennbleche im Gurtcon-
tainer.
► Nehmen Sie eine 2. kräftige Person zu Hilfe und legen Sie den BE-Wechseltisch auf der
Seitenfläche ab (1).
► Lösen Sie die Befestigung der auszutauschenden Bockrolle und / oder Lenkrolle (Innensechskant-
Schraubendreher Gr. 6).
► Setzen Sie die neuen Lenkrollen und / oder die Bockrollen ein und befestigen Sie diese wieder mit
den je 4 Innensechskantschrauben.
► Stellen Sie mit Hilfe einer 2. kräftigen Person den BE-Wechseltisch wieder auf.
Sichern Sie den BE-Wechseltisch gegen Wegrollen.
► Wenn Sie keine weiteren Teile ersetzen müssen, führen Sie die entsprechenden „Abschließenden
Arbeiten“ durch (siehe "4.6.6 Abschließende Arbeiten" [ ➙ 185]).
VORSICHT
Unsachgemäße Handhabung
Am Bauelemente-Wechseltisch besteht durch unsachgemäße Handhabung beim Absenken
und Anheben des Griffes Gefahr leichter Körperverletzung durch Quetschen bzw. Scheren am
Griff:
► Fassen Sie deshalb den Handgriff nur beidhändig.
WARNUNG
2 Personen
Für den Ausbau der Bock-/Lenkrolle muss der BE-Wechseltisch auf die Seite gelegt werden.
Hierfür werden 2 Personen benötigt, da der BE-Wechseltisch sehr schwer ist.

Servicearbeiten
4.6.3 Bockrollen und / oder Lenkrollen ersetzen BE-Wechseltisch
Serviceanleitung SIPLACE D1/D1i/D2/D2i 183
Sehen Sie dazu auch...
4.6.1 Sicherheitshinweise [ ➙ 181]
3.8.1 Teileübersicht [ ➙ 43]
Bockrollen und Lenkrollen ersetzen (am Beispiel der D4)
Legende
1. BE-Tisch vor Demontage der Rollen auf die
Seitenfläche legen (2. Person erforderlich!)
2. Bockrolle (2 Stück)
3. 8 Innensechskantschrauben M8 x 16
4. Doppel-Lenkrolle (2 Stück)
5. 8 Innensechskantschrauben M8 x 16