00195375-05_SM_D1_D1i_D2_D2i_DE - 第66页
Servicearbeiten Portale 4.2.3 Umlenkeinheit tauschen [03038315-xx] 66 Serviceanleitung SIPLACE D1/D1i/D2/D2i Umlenkeinheit ausbauen Umlenkeinheit tausche n (am Beispiel D4 ) ► Schalten Sie den Automaten aus u nd sichern …

Servicearbeiten
4.2.3 Umlenkeinheit tauschen [03038315-xx] Portale
Serviceanleitung SIPLACE D1/D1i/D2/D2i 65
Einstellarbeiten
4.2.3
4.2.3 Umlenkeinheit tauschen [03038315-xx]
Umlenkeinheit tauschen [03038315-xx]
Teile, Hilfsmittel und Werkzeug
▪ Sechskantstiftschlüssel, Satz DIN 911
▪ Riemenspannungsmessgerät TSM [00326015-xx]
▪ Bedienungsanleitung "Riemenspannungen messen"
▪ Umlenkeinheit X SIPLACE S/F D [03038315-xx]
Spannschlüssel tauschen (am Beispiel D4)
► Schieben Sie die Kopfhalterung in Richtung X-Motor
bis zum Anschlag an die Elastomerfeder.
► Stellen Sie die Riemenspannkraft mit der Innen-
sechskantschraube auf 44 Hz +/- 1 Hz ein.
VORSICHT!
Überdehnen Sie beim Spannen den Zahnriemen nicht.
► Sichern Sie die Innensechskantschraube (3) mit der
Kontermutter (11).

Servicearbeiten
Portale 4.2.3 Umlenkeinheit tauschen [03038315-xx]
66 Serviceanleitung SIPLACE D1/D1i/D2/D2i
Umlenkeinheit ausbauen
Umlenkeinheit tauschen (am Beispiel D4)
► Schalten Sie den Automaten aus und sichern Sie ihn gegen Wiedereinschalten, wie dies im Ab-
schnitt beschrieben ist.
► Zum Entspannen des Zahnriemens (9) gehen Sie wie folgt vor:
⇨ lösen Sie die Kontermutter (11) und
⇨ drehen Sie die Innensechskantschraube (1) gegen den Uhrzeigersinn.
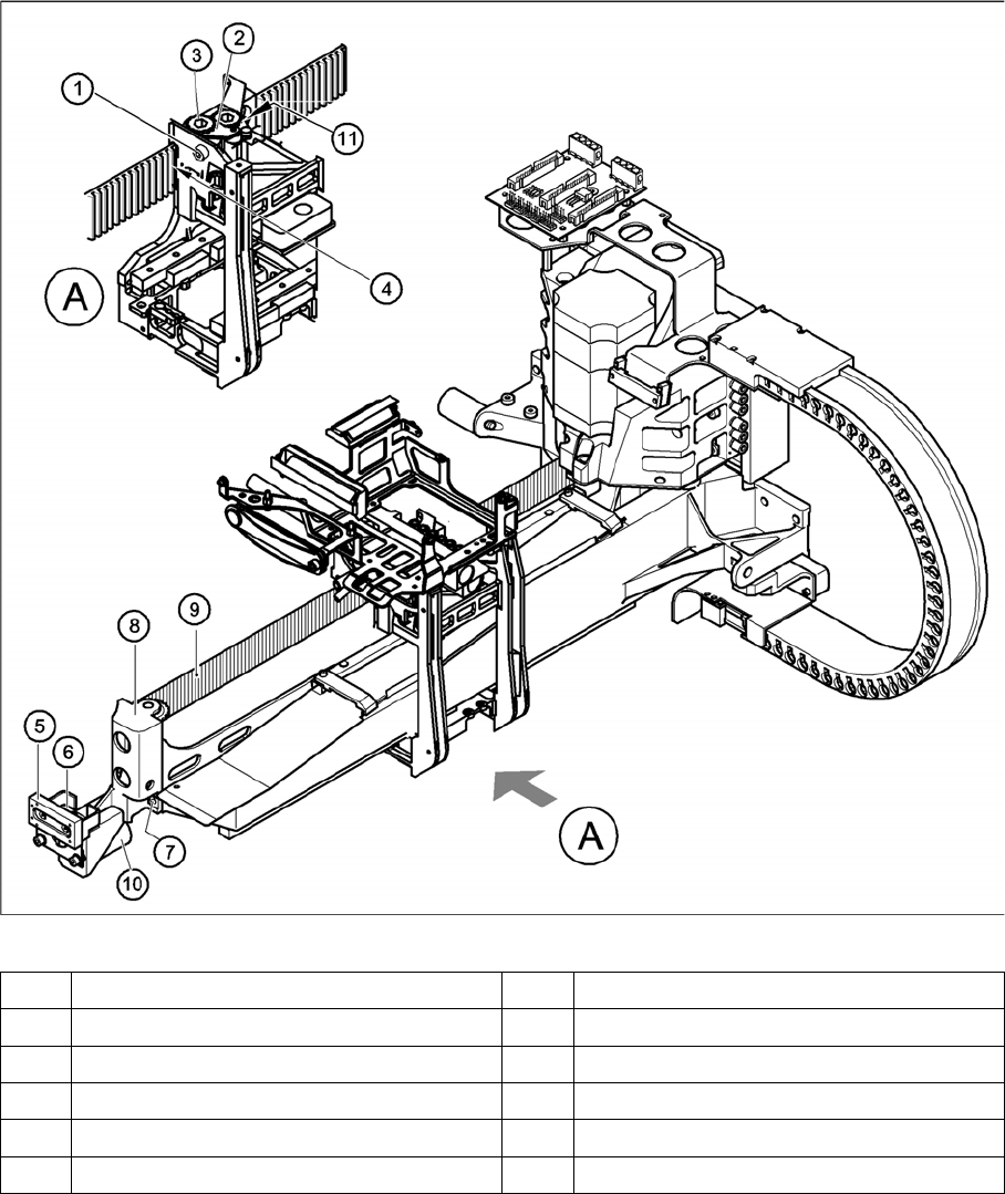
► Entfernen Sie die Innensechskantschraube M4 x 35 (1).
► Ziehen Sie den Spannschlüssel (2) von der Synchronscheibe (3) ab.
► Ziehen Sie den Zahnriemen (9) aus der Öffnung des Spannschlosses (4).
► Fädeln Sie den Zahnriemen aus der Umlenkeinheit (8) aus.
► Lösen Sie beide Innensechskantschrauben M3 x 8 (6) und entfernen Sie den "Y-Reibklotz außen"
(5).
1 Innensechskantschraube, M4 x 35 7 Innensechskantschraube M6 x 10, 2 Stück
2 Spannschlüssel 8 Umlenkeinheit - X
3 Synchronscheibe, lang 9 Zahnriemen - Synchroflex
4 Öffnung am Spannschloss für Zahnriemen 10 Elastomerfeder 25 x 10,5 x 50
5 Y-Bremse, außen 11 Kontermutter
6 Innensechskantschraube M3 x 8, 2 Stück

Servicearbeiten
4.2.3 Umlenkeinheit tauschen [03038315-xx] Portale
Serviceanleitung SIPLACE D1/D1i/D2/D2i 67
► Lösen Sie beide Innensechskantschrauben M6 x 10 (7) und entfernen Sie die Umlenkeinheit ’X’ (8).
► Demontieren Sie die Elastomerfeder (10) von der Umlenkeinheit.
Umlenkeinheit ’X’ einbauen
Umlenkeinheit tauschen (am Beispiel D4)
► Montieren Sie die Elastomerfeder (10) an die neue
Umlenkeinheit (8).
► Befestigen Sie die Umlenkeinheit (8) mit beiden In-
nensechskantschrauben M6 x 10 (7) am Portal.
► Richten Sie den "Y-Reibklotz außen" (5) parallel zur
Bremsfläche aus und befestigen Sie sie mit den bei-
den Innensechskantschrauben M3 x 8 an der Um-
lenkeinheit (8).
► Legen Sie den Zahnriemen (9) um die Synchron-
scheibe der Umlenkeinheit (8).
Zahnriemen an Spannschloss montieren
Legende
1. Kopfhalterung
2. Spannschloss für Zahnriemen
3. Einfädelöffnung für Zahnriemen
4. Synchronscheibe, lang
5. Spannschlüssel
6. Abstandsbolzen mit M4-Gewindebohrung
7. Innensechskantschraube M4 x 35 zum Spannen des
Zahnriemens
8. Kontermutter
► Führen Sie den Zahnriemen in die Öffnung (3) des
Spannschlosses (2) soweit ein, dass der Zahnriemen
etwa 270° um die "Synchronscheibe lang" (4) geführt
ist.
► Setzen Sie den Spannschlüssel (5) auf die Synchron-
scheibe (4) auf.
► Drehen Sie mit einem Sechskantstiftschlüssel der
Größe 8 die Synchronscheibe (4) im Uhrzeigersinn.
► Drehen Sie die Innensechskantschraube (7) in die
Gewindebohrung des Abstandbolzens (6) ein und
spannen Sie den X-Zahnriemen vor.