RH下部机械图.pdf - 第6页
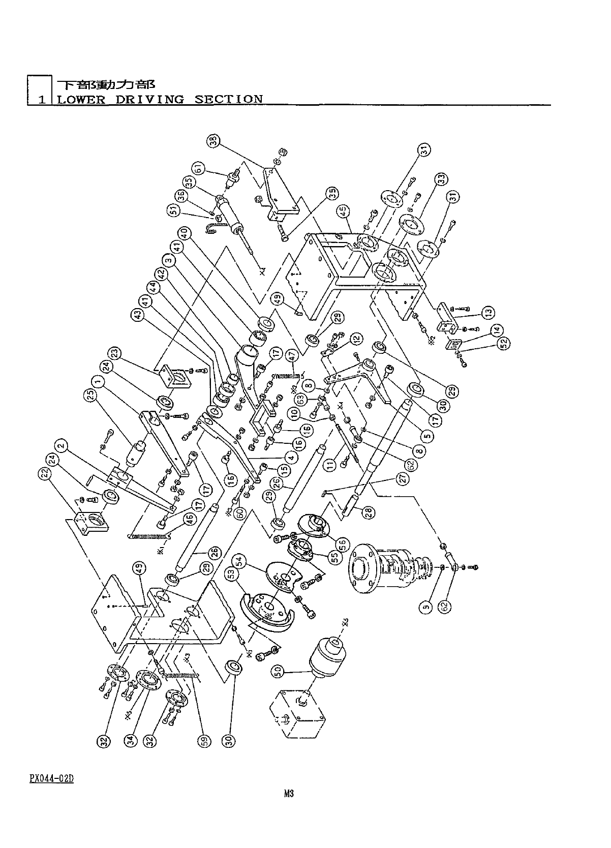
下部動力部 1 LOWER DRIVING SECTION 部 個数 備 考 名 品 番 品 No . Q ^ TY PART NAME REMARKS REF PART No . No . 押工 1 Jyf RETAINER RING X 0 Q 5 - 065 40 二 - 卜 、 NEEDLE BEARING 2 XLJNA 4905 KU 41 117 - COLLAR X 005 - 067 42 W + SPACER X 0…

下部動力部
1
LOWER
DRIVING
SKCTION
EX
044
-
02
D

下部動力部
1
LOWER
DRIVING
SECTION
部
個数
備
考
名
品
番
品
No
.
Q
^
TY
PART
NAME
REMARKS
REF
PART
No
.
No
.
押工
1
Jyf
RETAINER
RING
X
0
Q
5
-
065
40
二
-
卜
、
NEEDLE
BEARING
2
XLJNA
4905
KU
41
117
-
COLLAR
X
005
-
067
42
W
+
SPACER
X
0
Q
5
-
068
43
hi
-
COLLAR
XQ
05
-
076
44
軸受
7
卜
A
BEARING
FRAME
X
005
-
069
45
SPRING
(
A
)
3
MJLLM
X
005
-
070
46
引張
Al
⑻
SPRING
(
B
)
XQQ
5
-
Q
71
-
1
47
48
PIN
2
<
t
)
8
m
6
X
25
L
XPJ
8
M
625
49
hf
MI
COUPLING
X
005
-
124
50
Hi
LEAD
SWITCH
CS
-
23
tX
0
Q
0
-
0
Q
6
N
312
CS
23
51
WASHER
MlzOMzl
52
7
m
上下力
A
ANVIL
UP
/
DOffN
CAM
X
005
-
321
53
fiV
±
T
U
GUIDE
PIN
UP
/
DOffN
CAM
8201
,
8203
,
8204
,
8205
X
0
Q
5
-
322
54
tUV
h
'
y
±
T
U
GUIDE
PIN
UP
/
DOffW
CAM
8201
a
8203
B
,
8204
B
,
8205
B
X
020
-
507
54
力
y
卜
iMJA
C
»
T
CLINCH
CAM
X
005
-
323
55
7
nl
»
施回力人
ANVIL
ROTATION
CAM
X
005
-
324
56
57
58
引張八
1
SPRING
59
XQ
44
-
044
六角穴付
m
SCREff
M
6
X
50
L
X
044
-
045
60
Vy
PIN
X
0
Q
5
-
424
61
n
^
K
ivy
ROD
END
N
533
PHS
8
2
PHS
8
62
u
*
/
V
xyK
ROD
END
PHS
8
L
63
N
533
PHS
8
L
PXQ
44
-
Q
2
D
M
4

yyyr
瓜上部
2
UPPER
ANVIL
26
27
a
a
,
r
J
,
47
25
,
38
,
48
.
24
.
36
,
25
.
.
37
,
46
J
PXQ
44
-
Q
3
G
M
5