PTS-TULT-02 - 第25页
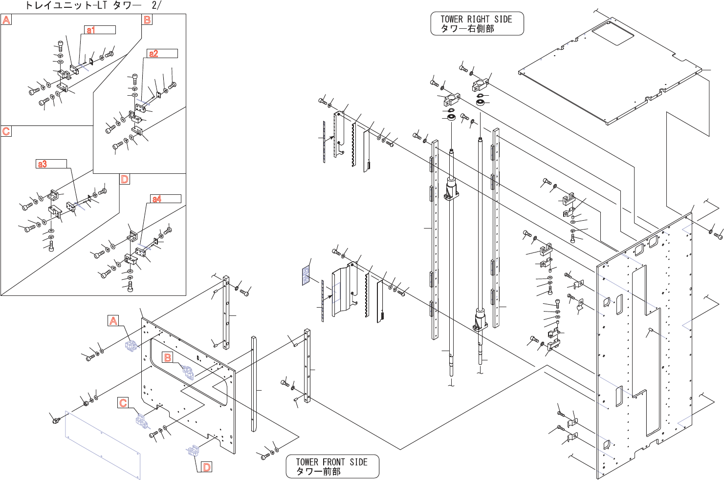
TRAY UNIT-LT TOW ER 2/ トレ イユニ ット- LT タワー 2/ AA86Y38 No. Drg.No. & Cod e No. QT Y Description Ra ting Re marks 番号 図番 & コード番号 個数 品名 規格 備考 1 PM09R D4 1 PL ATE, UPPER プレー ト 上 2 PM0L9 G5 1 PL ATE, SIDE プレー ト サ イド 3 H…

A
C
D
A
C
D
B
B
Ref.3/
a1
Ref.3/
a2
Ref.3/
a3
Ref.3/
a4
1
2
3
4
5
6
6
6
7
7
7
7
6
14
14
14
15
15
15
10
11
16
16
16
17
18
19
18
19
20
21
22
23
24.1
25
26
27
28
29
30
31
32
34
34
35
35
37
37
37
37
38
39
40
41
55
56
57
58
59
59
59
63
65
66
67
70
70
71
71
72
73
74
72
73
74
73
74
76
76
76
76
77
77
77
77
78
78
78
78
79
79
79
79
65
66
67
72
72
73
74
65
66
67
65
66
67
63
64
64
60
61
62
60
61
62
60
61
62
60
61
62
59
36
36
23
21
22
20
17
13
13
13
9
9
10
10
11
11
12
12
12
9
36.1
36.2
36.3
36.1
36.2
36.3
23.1
23.1
81
42
23.2
23.2
24
25
26
27
28
29
30
31
33
TRAY UNIT-LT TOWER 2/
AA86Y38
24
PTS-TULT-02
卜
二
、
y
卜一
LT
夕
9
—
2
/
TOWER
RIGHT
SIDE
、
夕
9
一右側部
o
—
—
o
y
卜
A
o
TOWER
FRONT
SIDE
t
夕
7
_

TRAY UNIT-LT TOWER 2/
トレイユニット-LT タワー 2/
AA86Y38
No.
Drg.No. & Code No.
QTY
Description
Rating
Remarks
番号
図番
&
コード番号
個数
品名
規格
備考
1
PM09RD4
1
PLATE, UPPER
プレート 上
2
PM0L9G5
1
PLATE, SIDE
プレート サイド
3
H5427C
5
BOLT, HEX SOCKET
ボルト 六角穴
M05X015(3
カ
シロ
)
4
W1100A
5
WASHER, CONICAL
ワッシャ 皿
5M/M JIS B1251 2
シュ
2L(
ステンレス
)
5
H62973
12
PIN, PARALLEL
ピン 平行
φ03X08 B
種
(h8)
ステンレス
6
H1137T
4
BAND, TIE
バンド 結束
NK-3N
7
K5172L
4
SCREW, C/R TRUSS
小ネジ 十穴トラス
M04X006(3
カ
シロ
)
9
PM03DR0
3
BKT, STOPPER
BKT ストツパ
10
H5426K
6
BOLT, HEX SOCKET
ボルト 六角穴
M04X008(3
カ
シロ
)
11
W1011A
6
WASHER, CONICAL
ワッシャ 皿
M-4-L
12
PG03662
3
STOPPER
ストッパ
13
S3060F
6
SPACER
スペーサ
CF-304ZE
14
H54253
6
BOLT, HEX SOCKET
ボルト 六角穴
M03X010(3
カ
シロ
)
15
W1106C
6
WASHER, LOCK
ワッシャ スプリング
3M/M(3
カ
シロ
)
16
W1108B
6
WASHER, FLAT
ワッシャ 平
3M/MX0.5X7(3
カシロ
)
17
XG01251
2
GUIDE, RAIL
ガイド レール
18
H54252
48
BOLT, HEX SOCKET
ボルト 六角穴
M03X008(3
カ
シロ
)
19
W1010A
48
WASHER, CONICAL
ワッシャ 皿
M-3-L
20
PM07RE0
2
BKT
BKT
21
H54269
4
BOLT, HEX SOCKET
ボルト 六角穴
M05X010(3
カシロ
)
22
W1012A
4
WASHER, CONICAL
ワッシャ 皿
M-5-L
23
XB03198
2
BALL SCREW
ボールネジ
23.1
H4130E
2
BEARING
ベアリング
608ZZMC3E
23.2
S1029A
2
CIR-CLIP
サークリップ
STW 8
24
2MDLTC054000
1
BKT
BKT
24.1
2MDLTC054100
1
BKT
BKT
25
H54251
4
BOLT, HEX SOCKET
ボルト 六角穴
M03X006(3
カ
シロ
)
26
W1106C
4
WASHER, LOCK
ワッシャ スプリング
3M/M(3
カ
シロ
)
27
PS02751
2
SHEET
シート
Consumable Parts
28
XK05140
2
BOARD, PRINTED CIRCUIT
基板 プリント
29
K51756
4
SCREW, C/R PAN
小ネジ 十穴鍋
M02.5X005(
ステンレス
)
30
W1020H
4
WASHER, LOCK
ワッシャ スプリング
2.5M/M
31
W11081
4
WASHER, FLAT
ワッシャ 平
2.5M/MX0.5X5(3
カクロ
)
32
PZ32481
1
SEAL
シール
33
PZ32461
1
SEAL
シール
34
PM03DT3
2
BLOCK, LOCATING
ブロツク イチギメ
35
H5427B
8
BOLT, HEX SOCKET
ボルト 六角穴
M05X012(3
カシロ
)
36
W1012A
8
WASHER, CONICAL
ワッシャ 皿
M-5-L
36.1
H5427D
6
BOLT, HEX SOCKET
ボルト 六角穴
M05X016(3
カ
シロ
)
36.2
W1106E
6
WASHER, LOCK
ワッシャ スプリング
5M/M(3
カ
シロ
)
36.3
W1108C
6
WASHER, FLAT
ワッシャ 平
5M/MX1.0X10(3
カシロ
)
37
H2094H
4
PIN, PARALLEL
ピン 平行
φ05X12 B
種
(h8)
38
PM072F6
1
PLATE
プレート
39
PM0CHZ0
1
GUIDE
ガイド
40
H5426N
2
BOLT, HEX SOCKET
ボルト 六角穴
M04X015(3
カ
シロ
)
41
W1106D
2
WASHER, LOCK
ワッシャ スプリング
4M/M(3
カ
シロ
)
42
W1108S
2
WASHER, FLAT
ワッシャ 平
4M/MX0.8X9(1W-4)(3
カシロ
)
55
W1043A
6
WASHER, FLAT
ワッシャ 平
4W- 4
56
W1022A
6
WASHER, LOCK
ワッシャ スプリング
4M/M
57
S32439
6
SPACER
スペーサ
BSU-406
58
K5198C
6
SCREW, WASHER ASS'Y
小ネジ 座金組込み
M04X006
ナベセムス
P4(3
カシロ
)
25
PTS-TULT-02

TRAY UNIT-LT TOWER 2/
トレイユニット-LT タワー 2/
AA86Y38
No.
Drg.No. & Code No.
QTY
Description
Rating
Remarks
番号
図番
&
コード番号
個数
品名
規格
備考
59
PM071Y1
4
BKT
BKT
60
H54254
8
BOLT, HEX SOCKET
ボルト 六角穴
M03X012(3
カ
シロ
)
61
W1106C
8
WASHER, LOCK
ワッシャ スプリング
3M/M(3
カ
シロ
)
62
W1108D
8
WASHER, FLAT
ワッシャ 平
4W-3(3
カ
シロ
)
63
PM071L3
2
BKT
BKT
64
PM071R3
2
BKT
BKT
65
H67808
8
BOLT, HEX SOCKET
ボルト 六角穴
M03X016(3
カ
シロ
)
66
W1106C
8
WASHER, LOCK
ワッシャ スプリング
3M/M(3
カ
シロ
)
67
W1108D
8
WASHER, FLAT
ワッシャ 平
4W-3(3
カ
シロ
)
70
PM0EBD1
2
BKT, SENSOR
BKT センサ
71
PM0EBE1
2
BKT, SENSOR
BKT センサ
72
H54253
8
BOLT, HEX SOCKET
ボルト 六角穴
M03X010(3
カ
シロ
)
73
W1106C
8
WASHER, LOCK
ワッシャ スプリング
3M/M(3
カ
シロ
)
74
W1108D
8
WASHER, FLAT
ワッシャ 平
4W-3(3
カ
シロ
)
76
H2041A
4
PIN, SPRING
ピン スプリング
φ2X 8
77
PB97350
4
PLATE, RETAINING
プレート 押え
78
K5258E
4
SCREW, HEX SOCKET BUTTON
小ネジ 六角穴ボタン
M03X006(3
カ
シロ
)
79
W1106C
4
WASHER, LOCK
ワッシャ スプリング
3M/M(3
カ
シロ
)
81
2MDLTE010000
1
NAMEPLATE
銘板
26
PTS-TULT-02