PTS-TULT-02 - 第32页
A B B B B B B B A A Z C D E Z C D E 1 2 3 4 20 21 21 23 27 28 29 29 29 30 30 30 31 31 32 32 32 33 33 33 34 34 34 35 36 37 38 38 106 107 108 1 13 1 14 41 42 43 104 45 46 48 48 48 49 50 49 49 50 50 48 49 50 51 52 53 54 56 …

TRAY UNIT-LT TOWER 3/
トレイユニット-LT タワー 3/
AA86Y38
No.
Drg.No. & Code No.
QTY
Description
Rating
Remarks
番号
図番
&
コード番号
個数
品名
規格
備考
108
H5427E
16
BOLT, HEX SOCKET
ボルト 六角穴
M05X018(3
カ
シロ
)
109
W1106E
16
WASHER, LOCK
ワッシャ スプリング
5M/M(3
カ
シロ
)
110
W1108C
6
WASHER, FLAT
ワッシャ 平
5M/MX1.0X10(3
カシロ
)
111
W1108E
10
WASHER, FLAT
ワッシャ 平
4W-5(3
カ
シロ
)
113
2MDLTC000703
1
PLATE
プレート
114
PM04NX1
2
PLATE, SENSOR
プレート センサ
115
PB040M2
2
BKT, SENSOR
BKT センサ
116
H54255
4
BOLT, HEX SOCKET
ボルト 六角穴
M03X015(3
カ
シロ
)
117
W1106C
4
WASHER, LOCK
ワッシャ スプリング
3M/M(3
カ
シロ
)
118
H54253
4
BOLT, HEX SOCKET
ボルト 六角穴
M03X010(3
カ
シロ
)
119
W1106C
4
WASHER, LOCK
ワッシャ スプリング
3M/M(3
カ
シロ
)
119.1
W1108D
4
WASHER, FLAT
ワッシャ 平
4W-3(3
カ
シロ
)
120
PM02YZ2
1
BKT
BKT
120.1
PM02ZA2
1
BKT
BKT
120.2
PM08ZA2
1
BKT
BKT
120.3
PM08ZB2
1
BKT
BKT
121
H54253
8
BOLT, HEX SOCKET
ボルト 六角穴
M03X010(3
カ
シロ
)
122
W1106C
8
WASHER, LOCK
ワッシャ スプリング
3M/M(3
カ
シロ
)
123
W1108D
8
WASHER, FLAT
ワッシャ 平
4W-3(3
カ
シロ
)
124
PM044H3
4
BKT, SENSOR
BKT センサ
125
H54254
8
BOLT, HEX SOCKET
ボルト 六角穴
M03X012(3
カ
シロ
)
126
W1106C
8
WASHER, LOCK
ワッシャ スプリング
3M/M(3
カ
シロ
)
127
W1108D
8
WASHER, FLAT
ワッシャ 平
4W-3(3
カ
シロ
)
128
S40525
4
SENSOR, FIBER
センサ ファイバ
FU-18M
129
A10398
4
AMPLIFIER, SENSOR
アンプ センサ
FS-V34P
130
PB86011
4
PLATE, RETAINING
プレート 押え
131
K5258E
8
SCREW, HEX SOCKET BUTTON
小ネジ 六角穴ボタン
M03X006(3
カ
シロ
)
132
W1106C
8
WASHER, LOCK
ワッシャ スプリング
3M/M(3
カ
シロ
)
135
2MDLTC030300
4
CYLINDER
シリンダ
136
H54254
8
BOLT, HEX SOCKET
ボルト 六角穴
M03X012(3
カ
シロ
)
137
W1010A
8
WASHER, CONICAL
ワッシャ 皿
M-3-L
139
A4090A
8
ELBOW, UNIVERSAL
エルボ ユニバーサル
M-5UL
140
Y60181
8
UNION, ELBOW
ユニオン エルボ
KQ2L04-M5A
146
EEBR1791
1
SEAL
シール
147
K53228
4
CONTROLLER, SPEED
コントローラ スピード
SCL2-04-H44-F
150
PB07XH0
1
BKT, WIRING
BKT 配線
ID OPTION
151
K5357L
3
SCREW, HEX SOCKET COUNTERSUNK
小ネジ 六角穴皿
M03X006(3
カ
シロ
)
ID OPTION
152
PB07XK1
1
BKT, WIRING
BKT 配線
ID OPTION
153
K5357L
3
SCREW, HEX SOCKET COUNTERSUNK
小ネジ 六角穴皿
M03X006(3
カ
シロ
)
ID OPTION
154
PM0GDS0
2
BKT, SENSOR
BKT センサ
ID OPTION
155
H5426K
4
BOLT, HEX SOCKET
ボルト 六角穴
M04X008(3
カ
シロ
)
ID OPTION
156
W1011A
4
WASHER, CONICAL
ワッシャ 皿
M-4-L
ID OPTION
157
R2005W
1
READER, ID
リーダ ID
HRWAFE-CP0803F
ID OPTION
158
K5175S
12
SCREW, C/R PAN
小ネジ 十穴鍋
M02X005(
ステンレス
)
ID OPTION
159
W1106B
12
WASHER, LOCK
ワッシャ スプリング
2M/M(3
カ
シロ
)
ID OPTION
160
W1108A
12
WASHER, FLAT
ワッシャ 平
2M/MX0.3X4.3(3
カシロ
)
ID OPTION
31
PTS-TULT-02

A
B
B
B
B
B
B
B
A
A
Z
C
D
E
Z
C
D
E
1
2
3
4
20
21
21
23
27
28
29
29
29
30
30
30
31
31
32
32
32
33
33
33
34
34
34
35
36
37
38
38
106
107
108
113
114
41
42
43
104
45
46
48
48
48
49
50
49
49
50
50
48
49
50
51
52
53
54
56
57
59
60
62
63
64
65
66
67
68
69
70
62
63
64
65
66
67
68
109
110
69
71
73
76
73
74
77
112
78
79
80
81
82
83
84
85
86
87
84.1
79
79
79
78
44
114
37
35
31
28
28
27
27
24
25
24
25
23
20
106
107
108
5
6
98
91
91
96
96
89
88
93
93
95
95
94
94
89
88
97
97
99
91
96
96
89
88
93
93
95
95
94
94
88
97
97
100
91
96
97
97
96
96
96
93
93
95
95
94
94
89
88
89
88
89
96
96
97
97
96
96
97
97
91
91
8
9
10
12
11
8
9
10
12
11
8
9
10
12
11
13
14
26
26
26.1
26.1
26.2
26.2
72
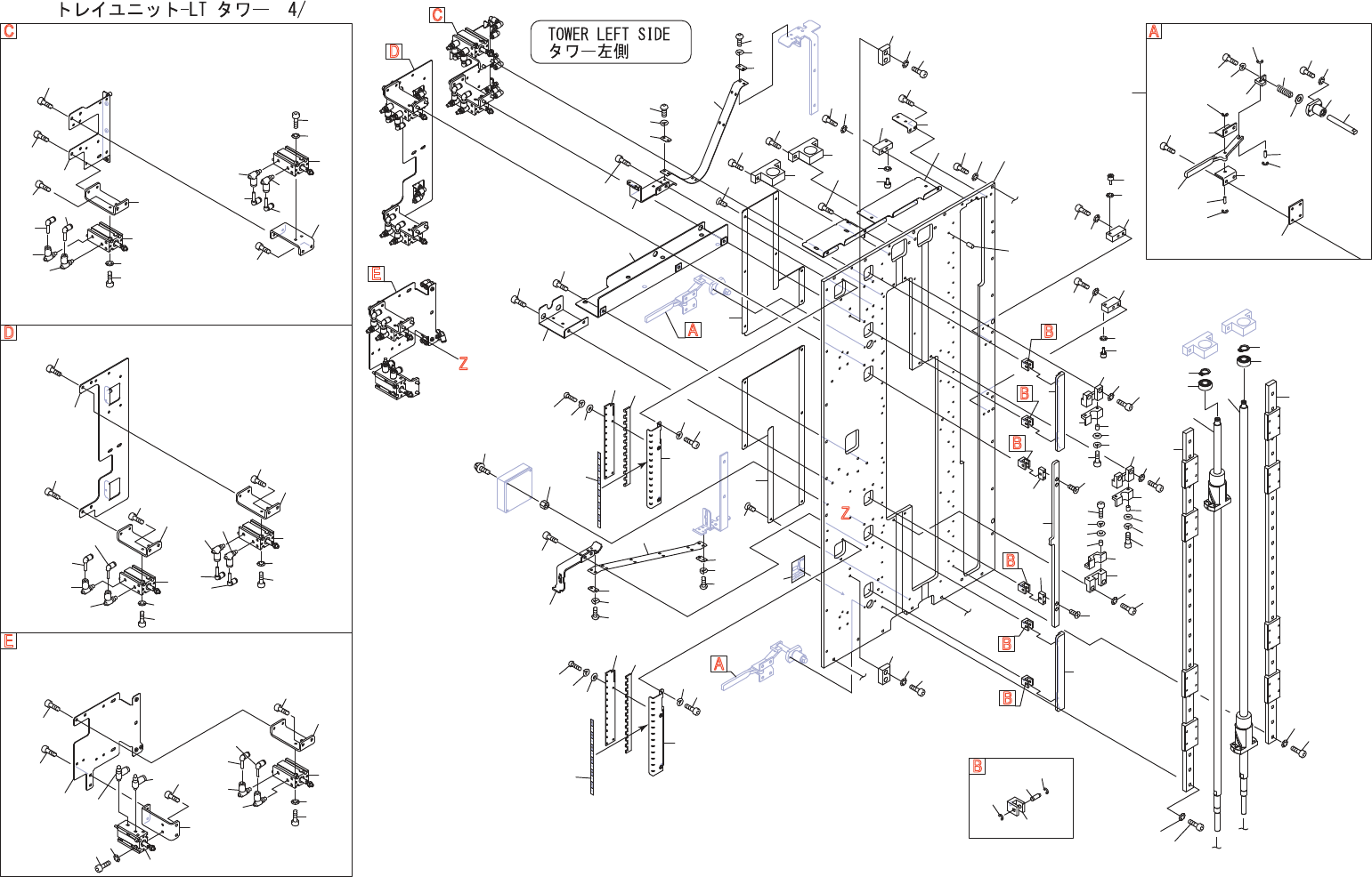
TRAY UNIT-LT TOWER 4/
AA86Y38
32
PTS-TULT-02
卜
□
■
二卜一
LT
夕夕一
4
/
\
C
3
>
—
*
P
•
\
r
■
fi
•
、
—
®
>
―
<
s
>
-
々

TRAY UNIT-LT TOWER 4/
トレイユニット-LT タワー 4/
AA86Y38
No.
Drg.No. & Code No.
QTY
Description
Rating
Remarks
番号
図番
&
コード番号
個数
品名
規格
備考
1
2MDLTC036902
1
PLATE, SIDE
プレート サイド
2
H5427C
5
BOLT, HEX SOCKET
ボルト 六角穴
M05X015(3
カ
シロ
)
3
W1100A
5
WASHER, CONICAL
ワッシャ 皿
5M/M JIS B1251 2
シュ
2L(
ステンレス
)
4
H62973
12
PIN, PARALLEL
ピン 平行
φ03X08 B
種
(h8)
ステンレス
5
PB01EY1
1
DUCT, WIRING
ダクト 配線
6
H5426K
2
BOLT, HEX SOCKET
ボルト 六角穴
M04X008(3
カ
シロ
)
8
2MDLTC036800
3
BLOCK, STOPPER
ブロック ストッパ
9
H5426N
6
BOLT, HEX SOCKET
ボルト 六角穴
M04X015(3
カ
シロ
)
10
W1011A
6
WASHER, CONICAL
ワッシャ 皿
M-4-L
11
H63842
3
BOLT, STOPPER
ボルト ストッパ
UNAH4-10
12
W1011A
3
WASHER, CONICAL
ワッシャ 皿
M-4-L
13
2MDLTC037600
1
DUCT, WIRING
ダクト 配線
14
H5426H
3
BOLT, HEX SOCKET
ボルト 六角穴
M04X006(3
カ
シロ
)
20
PM03BR2
2
BKT
BKT
21
H54269
4
BOLT, HEX SOCKET
ボルト 六角穴
M05X010(3
カシロ
)
23
XG01251
2
GUIDE, RAIL
ガイド レール
24
H54252
48
BOLT, HEX SOCKET
ボルト 六角穴
M03X008(3
カ
シロ
)
25
W1010A
48
WASHER, CONICAL
ワッシャ 皿
M-3-L
26
2MDLTC030402
2
BALL SCREW
ボールネジ
26.1
H4130E
2
BEARING
ベアリング
608ZZMC3E
26.2
S1029A
2
CIR-CLIP
サークリップ
STW 8
27
PM03DR0
3
BKT, STOPPER
BKT ストツパ
28
H5426K
6
BOLT, HEX SOCKET
ボルト 六角穴
M04X008(3
カ
シロ
)
29
W1011A
6
WASHER, CONICAL
ワッシャ 皿
M-4-L
30
PG03662
3
STOPPER
ストッパ
31
S3060F
6
SPACER
スペーサ
CF-304ZE
32
H54253
6
BOLT, HEX SOCKET
ボルト 六角穴
M03X010(3
カ
シロ
)
33
W1106C
6
WASHER, LOCK
ワッシャ スプリング
3M/M(3
カ
シロ
)
34
W1108B
6
WASHER, FLAT
ワッシャ 平
3M/MX0.5X7(3
カシロ
)
35
PM0KCB1
2
HOOK
フック
36
PB09WY0
1
PLATE
プレート
37
PM03CD1
2
BLOCK
ブロック
38
K5357X
4
SCREW, HEX SOCKET COUNTERSUNK
小ネジ 六角穴皿
M03X008(3
カ
シロ
)
41
PB89123
1
COVER, PROTECTIVE
カバー 保護
42
K5357L
7
SCREW, HEX SOCKET COUNTERSUNK
小ネジ 六角穴皿
M03X006(3
カ
シロ
)
43
PB89131
1
COVER, PROTECTIVE
カバー 保護
44
K5357L
6
SCREW, HEX SOCKET COUNTERSUNK
小ネジ 六角穴皿
M03X006(3
カ
シロ
)
45
2MDLTC023600
1
BKT, WIRING
BKT 配線
46
H5426K
2
BOLT, HEX SOCKET
ボルト 六角穴
M04X008(3
カ
シロ
)
48
PB89142
4
PLATE, RETAINING
プレート 押え
49
K5258D
8
SCREW, HEX SOCKET BUTTON
小ネジ 六角穴ボタン
M03X005(3
カ
シロ
)
50
W1106C
8
WASHER, LOCK
ワッシャ スプリング
3M/M(3
カ
シロ
)
51
PJ16543
1
PLATE, SUPPORT
プレート 支え
52
PJ16550
1
PLATE, SUPPORT
プレート 支え
53
2MDLTC023700
1
BKT, WIRING
BKT 配線
54
H5426K
2
BOLT, HEX SOCKET
ボルト 六角穴
M04X008(3
カ
シロ
)
56
PB88993
1
DUCT, WIRING
ダクト 配線
57
H5426L
3
BOLT, HEX SOCKET
ボルト 六角穴
M04X010(3
カ
シロ
)
59
PB03BF0
1
DUCT, WIRING
ダクト 配線
60
H5426K
2
BOLT, HEX SOCKET
ボルト 六角穴
M04X008(3
カ
シロ
)
62
2MDLTC054000
2
BKT
BKT
33
PTS-TULT-02