PTS-TULT-02 - 第70页
T Ref.2/2 110 43 42 43 42 16 15 111 44 27 107 42 43 42 43 43 43 109 27 44 106 108 37 37 38 13 6 20 20 20 149 104 105 103 150 112 112 35 35 35 35 113 36 35 119 28 114 151 28 28 30 30 28 35 117 116 115 152 118 16 15 16 126…

TRAY PALLET
トレイパレット
2ADLTC002306
No.
Drg.No. & Code No.
QTY
Description
Rating
Remarks
番号
図番
&
コード番号
個数
品名
規格
備考
1
AA59L23
1
PALLET
パレツト
2
XP01773
1
PALLET
パレツト
3
PX08281
1
NAMEPLATE
銘板
SET
4
PZ08622
2
SHEET
シート
Consumable Parts
5
PJ20742
1
RAIL
レール
6
PB023R1
1
BKT
BKT
7
PJ20732
1
RAIL
レール
8
PB023S1
1
BKT
BKT
9
PM0B5G0
12
BOLT
ボルト
10
W1106C
12
WASHER, LOCK
ワッシャ スプリング
3M/M(3
カ
シロ
)
11
N1079W
12
NUT, HEX
ナット 六角
M03 3
シュ
(3
カ
シロ
)
12
PM03LB5
1
V BLOCK, V
ヤゲン V
13
K5173Z
2
SCREW, C/R PAN
小ネジ 十穴鍋
M02X007 0
バン
1
シュ
(
ステンレス
)
14
W1106B
2
WASHER, LOCK
ワッシャ スプリング
2M/M(3
カ
シロ
)
15
N1074A
2
NUT, HEX
ナット 六角
M02(
ステンレス
)
18
PB03AR2
1
BKT, LOCATING
BKT 位置決め
19
K5169M
8
SCREW, C/R COUNTERSUNK
小ネジ 十穴皿
M02X005(
ステンレス
)
20
2MDLTC037901
2
V BLOCK, V
ヤゲン V
21
K51757
4
SCREW, C/R PAN
小ネジ 十穴鍋
M02.5X006(
ステンレス
)
22
W1106A
4
WASHER, LOCK
ワッシャ スプリング
2.5M/M(3
カ
シロ
)
24
PB01RS1
1
BKT
BKT
25
K5169T
6
SCREW, C/R COUNTERSUNK
小ネジ 十穴皿
M02X006(
ステンレス
)
26
PM0BYT2
1
KNOB
ツマミ
27
H54251
1
BOLT, HEX SOCKET
ボルト 六角穴
M03X006(3
カ
シロ
)
28
W1106C
1
WASHER, LOCK
ワッシャ スプリング
3M/M(3
カ
シロ
)
29
PX08720
1
SEAL, BAR CODE
シール バーコード
SET, unit serial number
31
2MDLTC051700
2
GUIDE, SIDE
ガイド サイド
32
ABHTA2082
6
GUIDE, SIDE
ガイド サイド
41
2MDLTC052500
1
BKT, SENSOR
BKT センサ
ID OPTION
42
T64739
1
TAG, RFID
タグ RFID
ST-5.5X5.5BPET-NN
ID OPTION
43
K5169N
2
SCREW, C/R COUNTERSUNK
小ネジ 十穴皿
M02X008(
ステンレス
)
ID OPTION
69
PTS-TULT-02

T
Ref.2/2
110
4342
4342
16
15
111
44
27
107
42 43
42 43
43
43
109
27
44
106
108
3737
38 13 6
20
20
20
149
104
105
103
150
112112
35
35
35
35
113
36
35
119
28
114
151
2828
30
30
28 35
117
116
115
152
118
16
15
16
126
27
127
42 43
42 43
16
123
124
27
4342
4342
27
154
130
35
35
613
128 129
37
120
121
38
37
155
35
122
131
132
44
36
35 28
28
35
133
134
28
2835
125
28
44
2830
28 28
135 136
28 30
137
16
1515
1616
28
16
138
153
27
5
2QDLTC000519
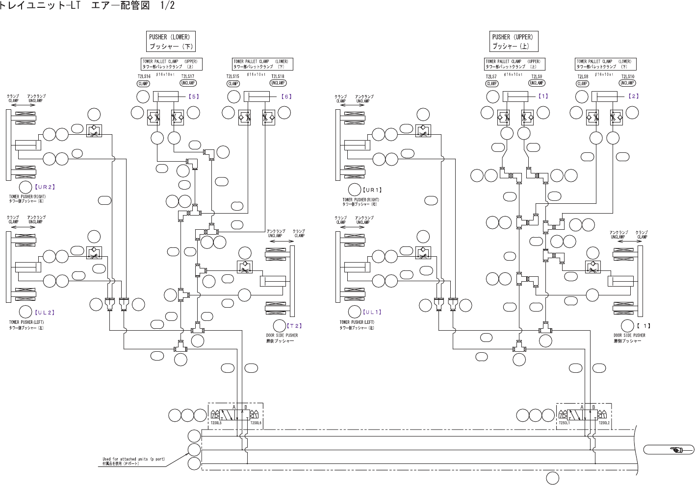
TRAY UNIT-LT PNEUMATIC CIRCUIT DIAGRAM 1/2
70
PTS-TULT-02
卜
□
■
二
、
:
/
卜
_
LT
工
7
—
配管図
1
/
2
PUSHER
(
LOWER
)
犮
。
v
*
V
_
(
下
)
PUSHER
(
UPPER
)
夕
、
:
(
上
)
TOWER
PALLET
CLAMP
(
UPPER
)
夕
7
—
部八卜夕
7
>
夕
(
上
)
TOWER
PALLET
CLAMP
(
LOWER
)
夕
7
—
部
/
<
1
/
卜夕
7
:
/
^
(
下
)
TOWER
PALLET
CLAMP
(
UPPER
)
夕
7
—
部卜々
7
>
夕
(
上
)
TOWER
PALLET
CLAMP
(
LOWER
)
夕一部八
I
/
,
卜々
7
>
戈
(
下
)
|
(
16
x
10
st
办
16
x
1
Os
t
#
16
x
10
st
诊
16
x
10
st
T
2
LS
16
(
CEAHP
)
T
2
LS
17
(
UNCLAMP
)
T
2
LS
15
(
CLAMP
)
T
2
LS
18
(
UNCLAMP
)
T
2
LS
7
T
2
LS
9
T
2
LS
8
T
2
LS
10
(
UNCLAMP
)
(
UNCLAMP
)
(
CLAMP
)
(
CLAMP
)
OB
o
[
◦
扫
【
2
】
■
【
5
】
【
6
】
7
^
5
:
CLAMP
UNCLAMF
◦
囲 园
◦
po
o o
oo
o
o
o
OO
o
OO
O
o
o
o
[
UR
2
]
TOWER
PUSHER
(
RIGHT
)
夕
7
-
肪
tt
)
[
UR
1
]
O
o
o
o
TOWER
PUSHER
(
RIGHT
)
(
6
)
O
ml
7
'
^
T
.
CLAMP
UNCLAMF
CO
OD
o
7
、
Jml
UNCLAMP
CLAMP
o o
UNCLAMP
CLAMP
◦
ICO
oo
o
o
◦
o
o
OO
m
◦
CO
◦
◦
OO
of
^
o
I
o
o
>
O
◦
o
o
o
◦
O O
[
UL
1
]
[
UL
2
]
o
o
◦
o
o
TOWER
PUSHER
(
LEFT
)
(
S
)
TOWER
PUSHER
(
LEFT
)
夕
9
一側
»
-
(
左
)
AQ
DAO
[
T
2
]
【
1
】
>
o
DOOR
SIDE
PUSHER
屝 側
:
_
DOOR
SIDE
PUSHER
扉 側
v
々 一
◦
o
O O
o
o
o
o
COOl
^
SI
l
T
2
S
0
L
5
OOOl
^
xi
i
T
2
S
0
L
1
B
~
|
AA
^
ES
B
I
~
l
£
V
\
i
Tpn
|
T
2
S
0
L
2
T
2
S
0
L
6
Used
for
attached
units
(
p
port
)
付属品左使用
(
P
求一卜
)
o

Ref.1/2
T2SOL7
35
28
30 30
141 142
28 28
16
16
15
15
1616
2828
28
35
145
156
144
2828
143
38
139 140
102
26
1
613
1
38
11
8
11
12
25
147
148
99
10
31
24
146
101
2QDLTC000519
TRAY UNIT-LT PNEUMATIC CIRCUIT DIAGRAM 2/2
71
PTS-TULT-02
卜
□
■
二
、
:
/
卜
_
LT
工
7
—
配管図
2
/
2
PUSHER
(
MIDDLE
)
(
中
)
SUPPLY
CLAW
OPEN
/
CLOSE
供給部爪開閉
SUPPLY
CLAW
OPEN
/
CLOSE
供給部爪開閉
^
16
x
10
st
(
^
16
x
10
st
T
2
LS
11
(
CLAMP
)
T
2
LS
14
(
UNCLAMP
)
T
2
LS
13
(
UNCLAMP
)
T
2
LS
12
(
CLAMP
)
OB
回
◦
◦
曰
【
3
】
【
4
】
o
o
0
o o
o
o
OO
^
OO
o o
OO
OO
SHUTTLE
CHUCK
卜儿于亇
‘
y
夕
n
PALLET
CHUCK
卜于中
‘
;
/
夕
八
77
>
于竹夕
(
CY
I
BT
*
于
V
'
:
/
夕
(
CYL
開
^
20
x
15
◦
o
T
2
LS
2
[
©
~
©
f
T
2
LS
3
O O
o
o
(
UNCLAMP
)
A A
(
Cuip
)
CCOfcsi
-
H
OP
iio
辟
i
T
2
S
0
L
4
j
◦
o
j
T
2
S
0
L
3
■
nrn
>
o
K
>
◦
■
d
>
o
◦
O
|
A
于
yy
夕
|
| |
TRAY
UNIT
SIDE
卜 二
7
卜 側
ooA
B
MACHINE
SIDE
装置側
(
UNCLAMP
)
f
7
~
d
\
\
I
<
GZH
~
o
o