YG88R_KHV_j - 第10页
Confidential & P roprietary P A G E DIGITAL MALT I CAM ERA 1 AS SY DIGITAL MALT I CAME RA 2 AS SY CN33 CN45 I/O CONV EYOR BOARD LED DRIV ER PO WER See Page 5 LDC2 UP PER/L OWER I/O CON VEYOR BOAR D See Pag e 4 DIGITA…

Confidential & Proprietary
PAGE
CN18
CN19
CN17
CN20
CN14
CN15
CN13
CN16
CN10
CN11
CN9
CN12
CN6
CN7
MO9
ENC9
MO8
ENC8
MO7
ENC7
MO6
ENC6
MO5
ENC5
MO4
ENC4
MO3
ENC3
CN5MO2
CN8ECN2
MO1 CN2
ENC1 CN3
CN1
CN4
MO0
ENC0
SRV SC2
SRV SC1 CN21
CN22
CN22
CN21
M15
M14
M13
M12
M11
M10
M9
M8
M7
Z1-AXIS 60W
Z2-AXIS 60W
Z3-AXIS 60W
R1-AXIS 60W
R2-AXIS 60W
R3-AXIS 60W
N1-AXIS 30W
N2-AXIS 30W
N3-AXIS 30W
Z1P
Z1M
Z2P
Z2M
Z3P
Z3M
R1P
R1M
R2P
R2M
R3P
R3M
N1P
N1M
N2P
N2M
N3P
N3M
□35 MAX 1000rpm
□35 MAX 1000rpm
□42 MAX 1000rpm
□42 MAX 2000rpm
□42 MAX 2000rpm
□42 MAX 2800rpm
□42 MAX 2800rpm
□42 MAX 2000rpm
□42 MAX 2800rpm
SERVO BOARD ASSY P022
CN23 PWR/IO
ON
OFF
1 2 43
CN14 PWR/SRV
I/O HEAD BOARD ASSY P21
CUnet/EMG CN5
N08C10
Y1-AXIS OT
SQ5
SQ1
N08C00
Y1-AXIS ORG
CN42
Y1OT
CN28
Y1ORG
HEAD EMG
H+24V
HEAD PWR
X-FRAMEX-FRAME
LEFT RIGHT
I/O AI/O ACN5
SRV SC1
SRV SC2
SRV SC1
SRV SC2
Y1OT
Y1ORG
H+48V
I/O CONVEYOR BOARD
See Page 2
CONTROL BOX
SRVA
CN22
See Page 3
I/O CONVEYOR BOARD
I/O A
CONTROL BOX
See Page 2
CONTACTOR
KM14
I/O CONVEYOR BOARD
See Page 5
CN50
FLEXIBLE
DUCT X
FLEXIBLE
DUCT Y
J0101
J0162
J0190
J0123 J0122 J0121
J0105
J0186
J0188
J0044
J0090J0089
J0055
J0042
J0043
J0104
+24E CN6
CN8DI3_2
DI3_1 CN7
CN7 FAN5
CN2
CN1
ORG
OT
OT
ORG
SIDE VIEW EL11
SIDE VIEW
LIGHT
SV LIGHTCN3
SIDE VIEW(OPTION)
J0305
CN4LIGHT CN4 J0301
SQ302
XOT X1-AXISN00181
OT
SQ301
XORG
X1-AXISN00180
ORG
EL1
FIDUCIAL
LIGHT
LIGHT
VAC
CN11
DI2 CN12
DI0,1 CN10
CN10
DO0,1,3
CN9
CN19
CN18
CN19
CN18
AD in 2
AD in 1
EV2
EV1
CN17
CN16
CN16
ETR1
ETR1
CALIBRATION UNIT(OPTION)
24V/48V
CN15
CN15
YV373
YV372
YV371
YV363
YV362
YV361
YV343
YV342
YV341
YV303
YV302
YV301
HEAD3
FNC LOCK
HEAD2
FNC LOCK
HEAD1
FNC LOCK
HEAD3
AIR DAMPER
HEAD2
AIR DAMPER
HEAD1
AIR DAMPER
AIR DAMPER SENSOR
AIR DAMPER SENSOR
AIR DAMPER SENSOR
FNC LOCK SENSOR
FNC LOCK SENSOR
FNC LOCK SENSOR
HEAD3
HEAD2
HEAD1
VACUUM
VACUUM
VACUUM
T00035
T00034
T00033
T00032
T00016
T00015
T00014
T00005
T00004
T00003
T00002
T00001
T00000
SH BLOW
PIN3
PIN2
PIN1
BLOW
SHAFT
YV381
AC3
AC2
AC1
BLOW3
BLOW2
BLOW1
VAC3
VAC2
VAC1
BLOW
BLOW
BLOW
HEAD1
HEAD2
HEAD3
HEAD3
HEAD2
AC3
AC2
AC1
HEAD3
HEAD2
PIN3
PIN2
PIN1
HEAD1HEAD1
VAC3
VAC2
VAC1
VACUUM SENSOR
VACUUM SENSOR
HEAD1
VACUUM SENSOR
YV391
YV392
YV393
DAMPER PRESSURE
HEAD1
DAMPER PRESSURE
HEAD2
DAMPER PRESSURE
HEAD3
D.PRE1
D.PRE2
D.PRE3
T00006
T00007
T00010
CALIBRATION UNIT(OPTION)
P041
P042
P043
P044
P045
P046
P047
P048
P049
N3-AXIS
N2-AXIS
ORG
ORG
ORG
N3ORG
N2ORG
N00207
N00206
N1-AXISN1ORGN00205
ORG
R3-AXISR3ORGN00204
ORG
R2-AXISR2ORGN00203
ORG
R1-AXISR1ORGN00202
J0306
J0303
CN11
CN9
CN3
See Page 26
See Page 4,5
KGS-M4570-1XX
KGS-M5840-0XX
DIP SW(S1)
HEAD2
HEAD3
SQ302
SQ303
SQ304
SQ305
SQ306
SQ307
V0
6
I/O HEAD
YG88R

Confidential & Proprietary
PAGE
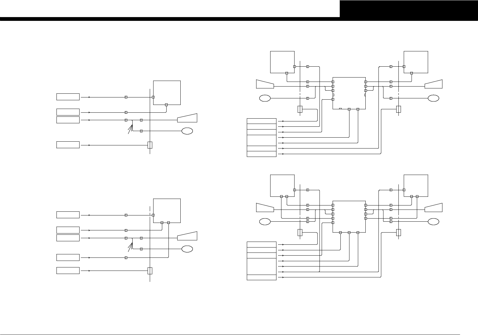
DIGITAL MALTI CAMERA 1 ASSY DIGITAL MALTI CAMERA 2 ASSY
CN33
CN45
I/O CONVEYOR BOARD
LED DRIVER POWER
See Page 5
LDC2 UPPER/LOWER
I/O CONVEYOR BOARD
See Page 4
DIGITAL MALTI CAMERA 2
D-CAM2
CONTROL BOX
See Page 2
CN33
L.CTL1
CONTROL BOX
LIGHT CONTROL
See Page 2
CN45
I/O CONVEYOR BOARD
LED DRIVER POWER
See Page 5
LDC1 UPPER/LOWER
I/O CONVEYOR BOARD
See Page 4
DIGITAL MALTI CAMERA 1
D-CAM1
CONTROL BOX
See Page 2
L.CTL1 CN7
CN1CN1
CN6
SQ703
SQ704
SQ701
SQ702
CN7
L.CTL1
CN1
CN6L.CTL1
24VIN
ON
RS485OUTRS485IN
KV1 LED_DRIVER BOARD ASSY
1 2 31 2 3
24VIN
ON
RS485OUTRS485IN
KV1 LED_DRIVER BOARD ASSY
DIGITAL MULTI CAMERA 2
D-CAM2D-CAM1
DIGITAL MULTI CAMERA 1
N08C71
LDC1 LOWER
N08C70
LDC1 UPPER LDC2 UPPER
LDC2 LOWER
N08C72
N08C73
L+24VL+24V
J0506
J0049
J0192
J0503
J0507
J0508
J0509
J0518
J0510
J0049
J0192
J0504
J0511
J0512
J0513
CAPTURE1 D_CAM1 LIGHT
CAPTURE1 D_CAM1 LIGHT
CAPTURE1 D_CAM2 LIGHT
CAPTURE1 D_CAM2 LIGHT
UPEND
LOWEND
UPEND
LOWEND
KV1-M6474-0XX P081 KV1-M6474-0XX P082
OPTION
CN6
CN1CN1
1 2 3
24VIN
ON
RS485OUTRS485IN
KV1 LED_DRIVER BOARD ASSY
CN7J522
See Page 2
CONTROL BOX
See Page 5
LED DRIVER POWER
I/O CONVEYOR BOARD CN45
L+24V
J49
J524
D-CAM4
DIGITAL SINGLE CAMERA ASSY
DIGITAL MALTI CAMERA 4
D-CAM4
DIGITAL SINGLE CAMERA
P84
J518
L.CTL1L.CTL1
See Page 2
CONTROL BOX
See Page 5
LED DRIVER POWER
I/O CONVEYOR BOARD CN45
DIGITAL MALTI CAMERA 3
D-CAM3
D-CAM3
3D CO-PLANARITY CAMERA
3D CO-PLANARITY CHECKER
CN7CN6
L.CTL1
CN1CN1
L+24V
1 2 3
24VIN
ON
RS485OUTRS485IN
KV1 LED_DRIVER BOARD ASSY
J0517J0515
J0516J0049
J0505
KV1-M6474-0XX P083
J523
J521
V0
7
CAMERA UNIT SEL.
YG88R

Confidential & Proprietary
PAGE
NOTE1:The Harness is attachment for System board.
FRONT & REAR LCD TOUCH PANEL (OPTION)
REAR SIDE FRONT SIDE
FRONT & REAR LCD NON TOUCH PANEL(OPTION)
VGA
AC100V IN
See Page 2
See Page 3
See Page 2
See Page 2
See Page 2
FRONT OPERATION SWITCHES
FRONT LCD TOUCH PANEL(OPTION)
NOTE1
See Page 3
See Page 2
See Page 2
FRONT OPERATION SWITCHES
QF22,XT21(AC100V)
NOTE1
FRONT LCD NON TOUCH PANEL(STANDARD)
LCD2
DC12V IN
SERIAL VGA VGA
LCD1
DC12V IN
SERIAL
LCD1
LCD1
DC12V IN
SERIALVGA
VGA
AC100V IN
LCD1
FRONT SIDE
LCD2
REAR SIDE
LCD1
VGA
AC100V IN
MOUSE
A13
MOUSE
A13
KEYBOARD
A11
KEYBOARD
A11
MOUSE
A12
KEYBOARD
A10
A12
MOUSE
A10
KEYBOARD
MOUSE
A12
MOUSE
A12
KEYBOARD
A10
KEYBOARD
A10
See Page 26
J0024
J0236
J0245
J0181
J0234
J0236
J0245
J0240
J0181
J0182
J0231
J0222
J0232
J0233
J0234,J0235
J0181
J0237
J0239 J0238
J0240
J0239 J0238
J0182
J0025
J0222
J0232
J0233
J0024
J0181
FRONT OPERATION SWITCHESREAR OPERATION SWITCHES
REAR OPERATION SWITCHES FRONT OPERATION SWITCHES
CRT2
KB2
MS2
RS2
EX
RS PC CRT PC
CRT1
KB1
MS1
RS1
KB/MS PC
SWITCHER BOARD ASSY
P031
CRT2
KB2
MS2
RS2
EX
RS PC CRT PC
CRT1
KB1
MS1
RS1
KB/MS PC
SWITCHER BOARD ASSY
P031
J0250
J0254
J0252
J0254
J0256
J0237
J0251
J0255 J0236
J0250
J0254
J0255 J0254J0236
J0242J0257 J0256
J0252J0253
KGA-M4472-0XX
KGA-M4472-0XX
See Page 2
See Page 2
See Page 3
See Page 3
See Page 3
I/O CONVEYOR BOARD
CONTROL BOX
I/O CONVEYOR BOARD
I/O CONVEYOR BOARD
CONTROL BOX
CN8
CN10
VGA
MS/KEY
CN7
EXT.PWR
SERIAL1
See Page 3
See Page 3
QF22.XT21(AC100V)
QF22.XT21(AC100V)
See Page 3
I/O CONVEYOR BOARD
I/O CONVEYOR BOARD
I/O CONVEYOR BOARD
CN8
CN10
VGA
CN7
MS/KEY
See Page 2
CONTROL BOX
See Page 26
CONTROL BOX
CONTROL BOX
CONTROL BOX
CONTROL BOX
I/O CONVEYOR
CONTROL BOX
CONTROL BOX
I/O CONVEYOR
VGA
VGA
CN7
CN7
MS/KEY
MS/KEY
SERIAL1
EXT.PWR
See Page 26
V0
8
OPERATION PANEL SEL.
YG88R