YG88R_KHV_j - 第34页
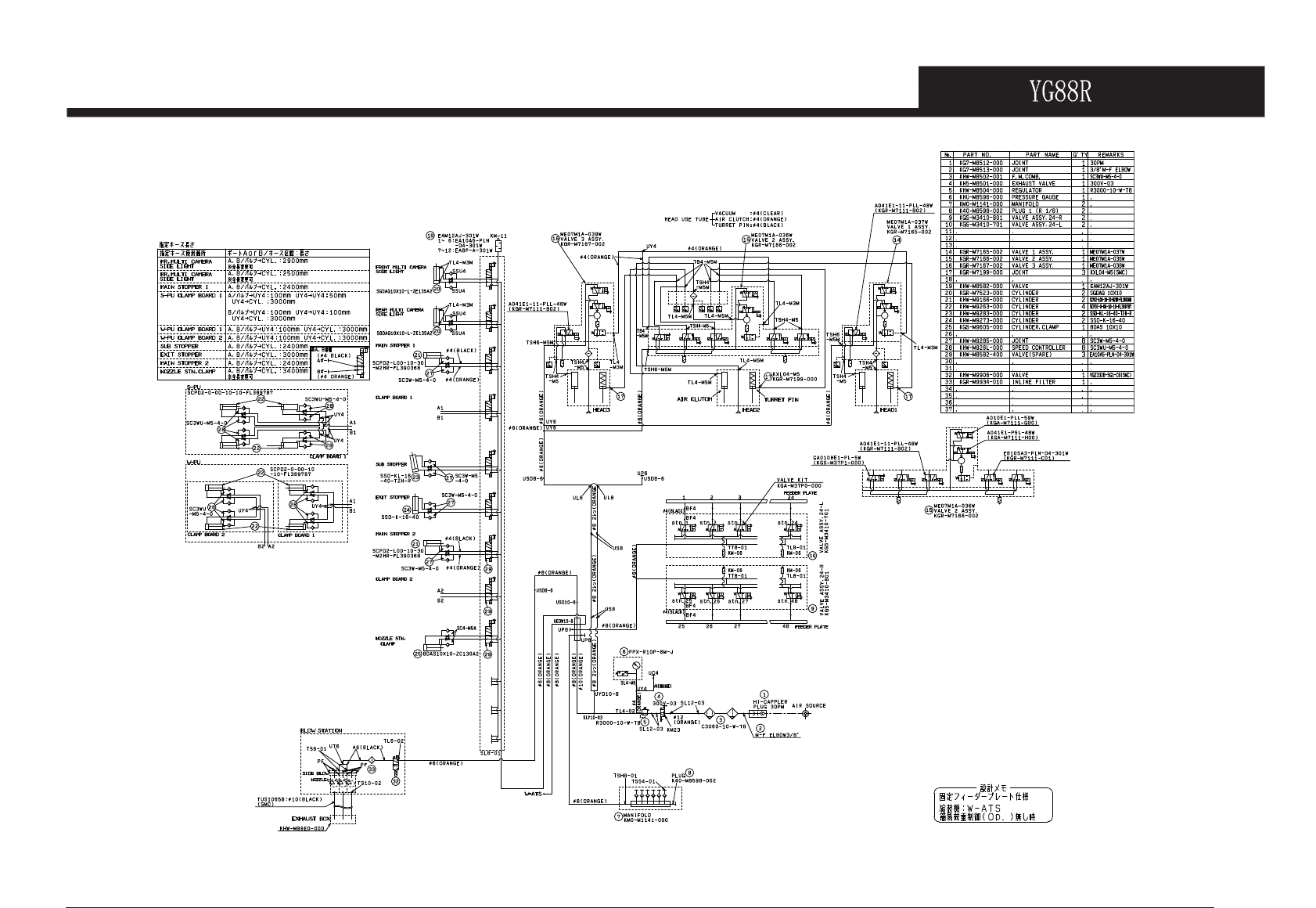
P AGE 31 Condential & Proprietary Air circuit H010864

PAGE
30
Condential & Proprietary
Air circuit
H010864

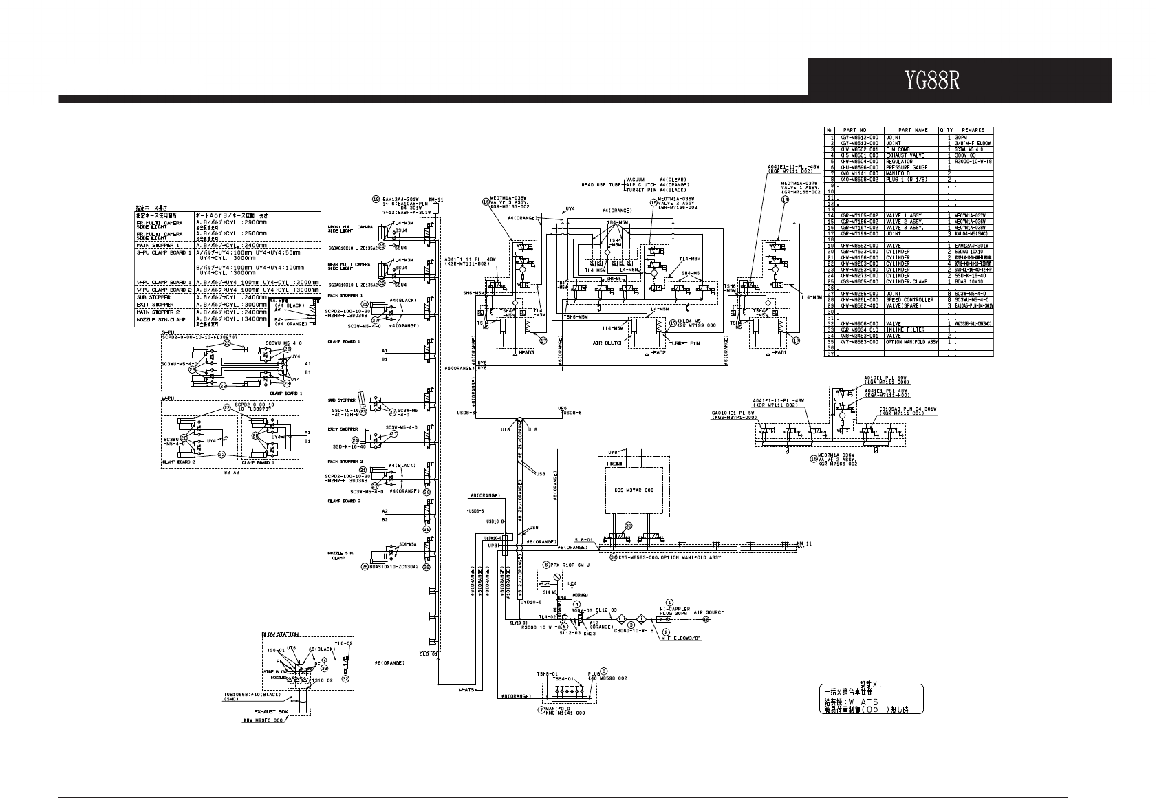
PAGE
31
Condential & Proprietary
Air circuit
H010864

PAGE
32
Condential & Proprietary
Air circuit
H010864
P AGE 31 Condential & Proprietary Air circuit H010864


