YG88R_KHV_j - 第35页
P AGE 32 Condential & Proprietary Air circuit H010864

PAGE
31
Condential & Proprietary
Air circuit
H010864

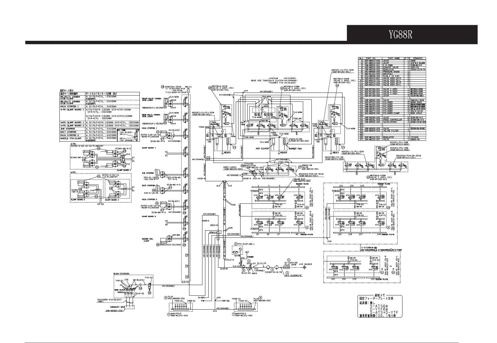
PAGE
32
Condential & Proprietary
Air circuit
H010864

PAGE
33
Condential & Proprietary
Air circuit
H010864
P AGE 32 Condential & Proprietary Air circuit H010864


