YG88R_KHV_j - 第38页
P AGE 35 Condential & Proprietary Air circuit H010864

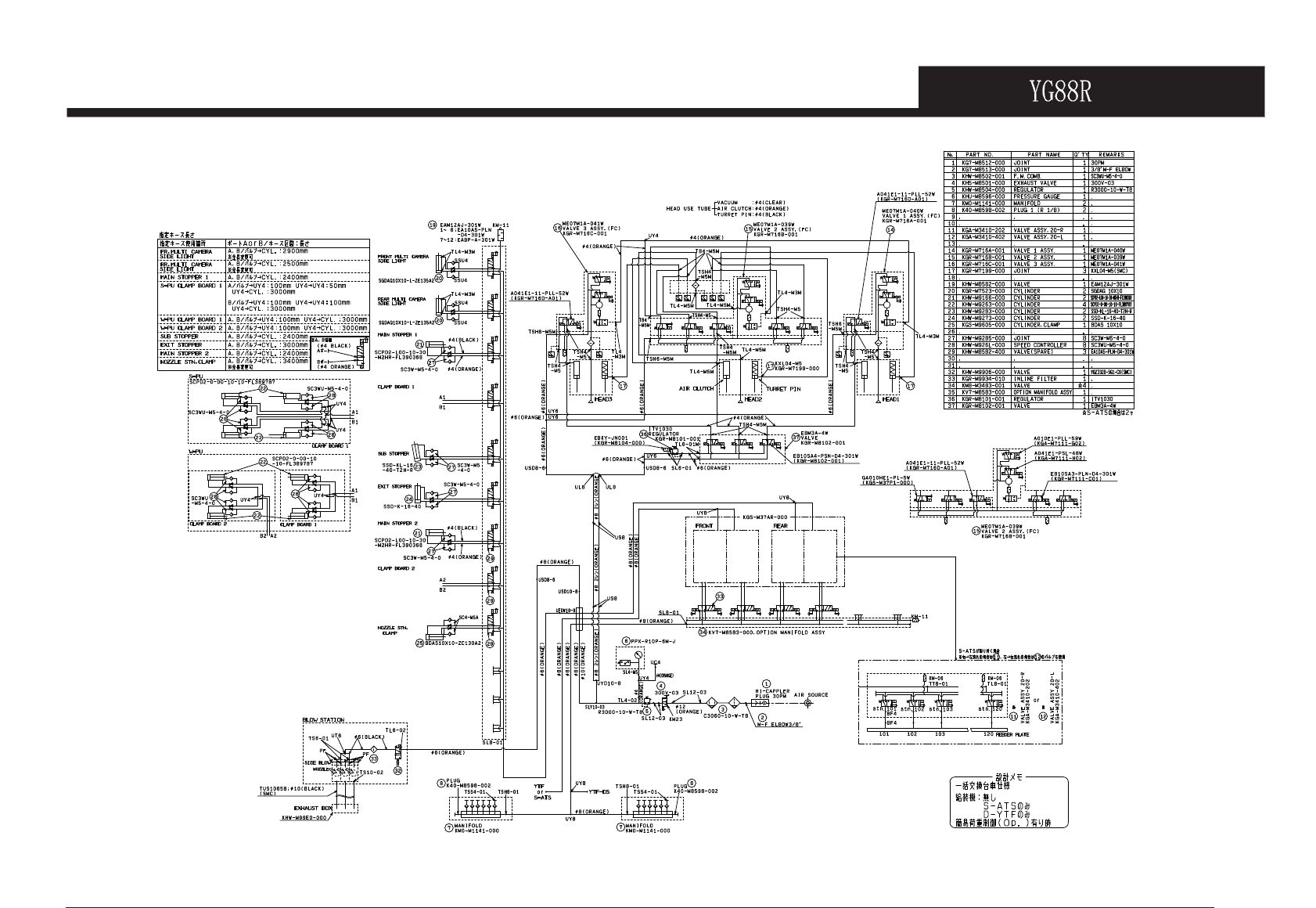
PAGE
34
Condential & Proprietary
Air circuit
H010864

PAGE
35
Condential & Proprietary
Air circuit
H010864

PAGE
36
Condential & Proprietary
Air circuit
H010864
P AGE 35 Condential & Proprietary Air circuit H010864


