YG88R_KHV_j - 第39页
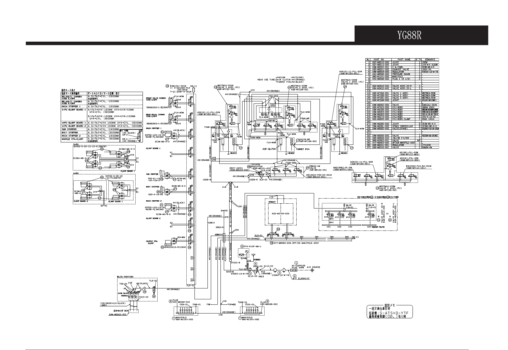
P AGE 36 Condential & Proprietary Air circuit H010864

PAGE
35
Condential & Proprietary
Air circuit
H010864

PAGE
36
Condential & Proprietary
Air circuit
H010864

PAGE
37
Condential & Proprietary
Air circuit
H010864
P AGE 36 Condential & Proprietary Air circuit H010864


