YG88R_KHV_j - 第6页
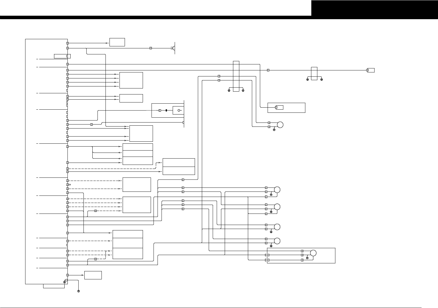
Confidential & P roprietary P A G E CN8 CN8 R.O.PA NEL SAFETY C IRCUI T FES20&24 FEEDER V ALVE FEEDER S TRUCT URE See Page 9 - 11 CN6 See Page 12-1 7 CN4 CN3 CN2 CN1 FEEDER5 CN5 CN6 DO14,15 CN7 F.O.PA NEL FEEDER4…

Confidential & Proprietary
PAGE
POWER CIRCUIT
AC100/220V
POWER CIRCUIT
UPS
DRIVER 3
MO5
MO6
MO3
MO4
DRIVER 2
MO2
MO1(X1,PU1,Y1,Y2)
DRIVER 1
(W1,LW1,PU2)
SERVO 1
SERVO 2
SERVO 3
BRAKE
PI5
PI6
PI4
PI3
BRAKE
+24V IN
+24V IN
+24V IN
CD-ROM
AC IN
PE
BRAKE
PI2(Y1,Y2,PU2)
PI1(X1,PU1,W1,LW1)
UPS
EXT.PWR
SERIAL2
SRVA
ACIN
INTERCONNECTION DIGRAM
MO3
MO4
INTERCONNECTION DIGRAM
MO5
PI3
PI4
SRV2 BRAKE
INTERCONNECTION DIGRAM
See Page 5
I/O CONVEYOR BOARD
CN46
+24V IN
+24V IN
+24V IN
INTERCONNECTION DIGRAM
SRV3 BRAKE
UPS
MO2
LW1M
MO1
PI2
LW1P
PI1
SRVA
SRV1 BRAKE
BUZZER
EXT.PWR
PI5
(DZ1,DY1,DS1,DX1)
(DS2,DX2,DY2,DZ2)
(AZ1,AH1)
(AH2,AZ2)
(DY1,DX1,DX2,DZ2)
(DZ1,DS1,DS2,DY2)
HA1
WIN BUZZER
W1 BK
W1P
W1M
PU1 BK
PU1P
PU1M
PU1-AXIS 200W
□54 MAX 1500rpm
□86 MAX 4500rpm
□86 MAX 4500rpm
□42 MAX 500rpm
Y2-AXIS 1KW
Y1-AXIS 1KW
W1-AXIS 100W
Y2P
PU1P
PU2P
W1P
X1P
Y2P
Y1P
Y2M
Y1M
PU2M
PU2 BK
X1M
X1P
See Page 26
See Page 26
I/O HEAD BOARD
See Page 6
See Page 18-20 or 22,23
(OPTION)
INTERFACE
CUnetB I/OB
GOOD,CUnetA I/OA
I/O B
I/O A
USB4
USB3
USB2
USB1
KEY/MS
LAN
SERIAL1
SYSTEM
VGA
See Page 8
KY/MS
VGA
SERIAL1
USB3
USB4
USB4
USB4
USB MEMORY
FDD E15 1.44MB
A14
FDD
FRONT PANEL
FDD(OPTION)
L.CTL1
D_CAM1
D_CAM2
D_CAM3
D_CAM4
VISION 1
A_CAM1
DCAM3
L.CTL1
DCAM2
DCAM1
V1ACAM1
CAMERA UNIT SEL.
See Page 7
A_CAM1
VISION 2
V2ACAM1
DUCT Y
FLEXIBLE
E.COM BOARD
(IT OPTION)
DUCT X
FLEXIBLE
A-CAM1
FIDUCIAL CAMERA
A CAM1
E.COM1
E.COM2
E.COM3
E.COM4
BARCODE READER
See Page 21
IT OPTION
SYM1
SYM2
dYTF(OPTION)
See dYTF
dYTF(OPTION)
See dYTF
J0751
J0028
J0234,J0235
J0551
J0501
J0506
J0503
J0504
J0505
J0502
J0127
J0143
J0112
J0110
J0111
J0240 or J0231
J0232 or J0236
J0245 or J0233
J0101
J0102
J0121
J0124
J0125
J0061
J0051
J0141
J0142
J0005
J0071
J0126
J0128
J0129
J0130
J0131
J0109
OPERATION PANEL SEL
CONTROL BOX ASSY A1
AIR REGULATOR PANEL
J0072
X1M
X1P
X-AXIS 750W
□86 MAX 4500rpm
SIDE VIEW CAMERA
A-CAM2
J0073
SIDE VIEW(OPTION)
CUnetC I/OC
SRV SC1,2
J0132
Y1P
PU2-AXIS 200W
□54 MAX 1500rpm
W-PU(OPTION)
PU2P
PU2M
PU2 BK
J0144
J0066
M01
M06
M04
M02
M03
M05
KGK-M4100-XXX
(SIDE VIEW OPTION)
J0892
J0893
COM2(OPTION)
See sATS
sATS(OPTION)
sATS(OPTION)
See sATS
I/OC CLI or I/OC INDI J0840 or J0906
CLi FEEDER or FEEDER INDICATOR
I/O HEAD BOARD
See Page 6
CN51
I/O A
E+24V
I/O B
I/O CONVEYOR BOARD
See Page 5
I/O CONVEYOR BOARD
See Page 3
CN16
GOOD
J693
(AZ,AH,-,-)
(-,-,-,-)
V0
2
CONTROL BOX
YG88R

Confidential & Proprietary
PAGE
CN8
CN8R.O.PANEL
SAFETY CIRCUIT
FES20&24
FEEDER VALVE
FEEDER STRUCTURE
See Page 9 - 11
CN6
See Page 12-17
CN4
CN3
CN2
CN1
FEEDER5 CN5
CN6DO14,15
CN7F.O.PANEL
FEEDER4
FEEDER3
FEEDER2
FEEDER1 CN1
CN4
CN3
CN2
CN5
CN7
CN9DO16
CN9
FES20&24
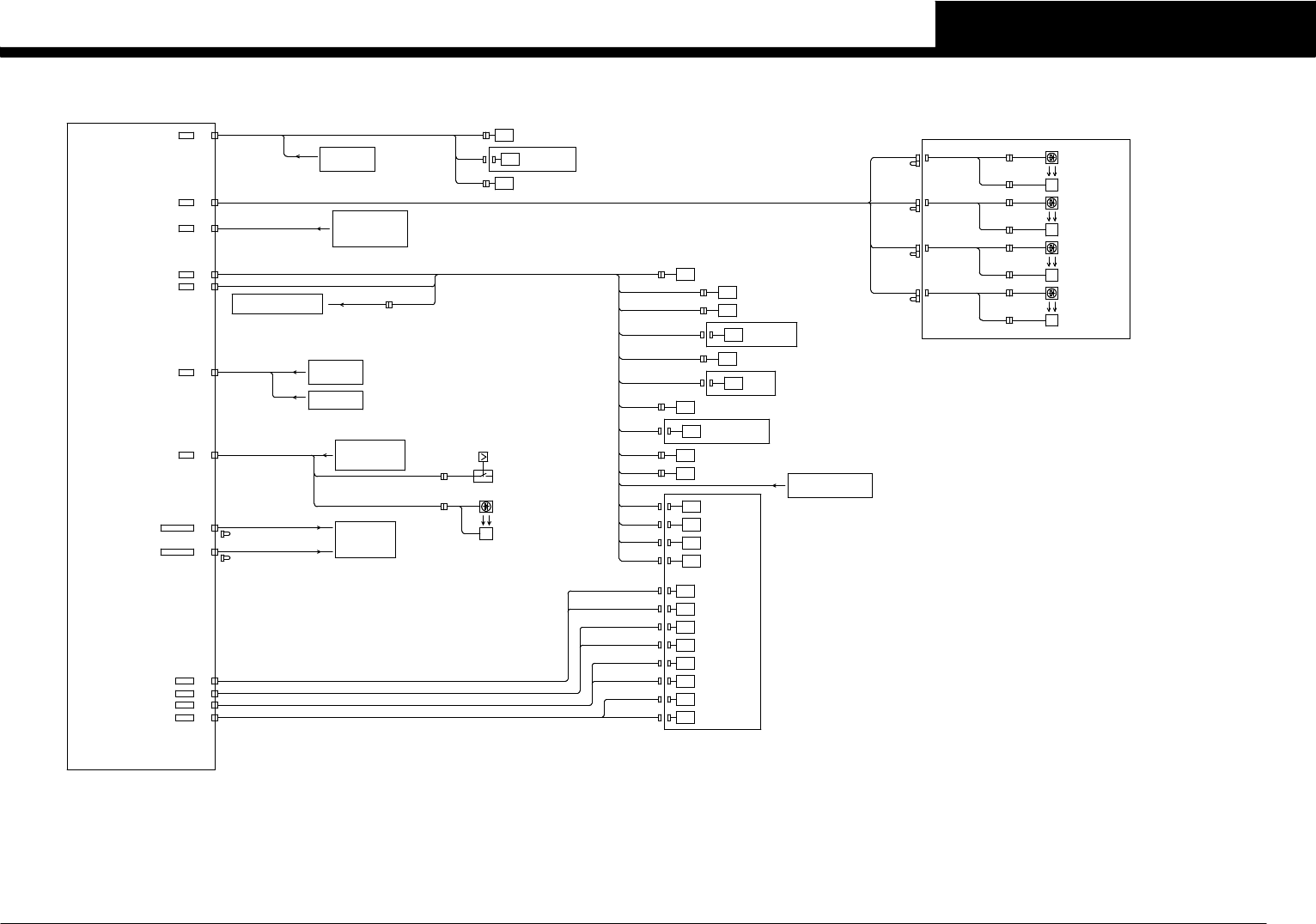
CLAMP SW LAMP
SAFETY CIRCUIT
See Page 12-17
HA21
HA22
FES BUZZER F
FES BUZZER R
NONSTOP FEEDER WARNING BUZZER(OPTION)
T08104
T08104
R.RESET(WHITE)
SB12
N08CA3/T080D6
R.READY(WHITE)
SB11
N08CA2/T080D5
SB10
N08CA1/T080D4
SB9
N08CA0/T080D3
R.START(GREEN)
SB8
N08C97/T080D2
R.ACTIVE(WHITE)
SB7
N08C96/T080D1
R.STOP(RED)
R.ERROR CLEAR(YELLOW)
R.STOP
R.START
R.ACTIVE
R.ERR.CLR
R.READY
R.RESET
REAR OPERATION PANEL(OPTION)
FRONT OPERATION PANEL
F.RESET(WHITE)
SB6
N08C95/T080D0
F.READY(WHITE)
SB5
N08C94/T080C7
SB4
N08C93/T080C6
F.ERROR CLEAR(YELLOW)
SB3
N08C92/T080C5
F.STOP(RED)
F.START(GREEN)
SB2
N08C91/T080C4
F.ACTIVE(WHITE)
SB1
N08C90/T080C3
F.ACTIVE
F.START
F.STOP
F.ERR.CLR
F.READY
F.RESET
J0701
J0702
J0703
J0704
J0705
J0767
J0181
J0182
J0226
J0213
J0214
J0215
J0216
J0217
J0218
J0207
J0208
J0209
J0210
J0211
J0212
J0723
J0724
CN12
CN12DO24
CN10
CN10STOPPER
CN11DO23
DO29 CN14
CN13DO25
CN18C/V MOTOR2
CN19AMF
CN19
AMF1
AMF2
CN20DC24V IN
CN20
CN22COM2
CN22
CN21BRAKE
INTERCONNECTION DIAGRAM
CN23
CN24C/V MOTOR4
CN23C/V MOTOR3
dYTF
See dYTF
CN25SIG.TOWER
CN25
IO/FPGA CN27
DO28 CN26
BUZZER
RUN(GREEN)
HL11
T080A1
T080A0
T080A2
T080A6
HL11
ALARM(RED)
ERROR(YELLOW)
T08185
T08184
T08183
T08182
T08181
T08180
MAIN ST1
MAIN ST2
CLAMP 1
CLAMP 2
SUB ST
EXIT ST
T08187
T080B4
ANC UP
T080B5
ANC OPEN
UP
NOZZLE STATION(OPTION)
T080D7
SIDE BLOW
OPERATION PANEL SEL.
ACTIVE CHANGE
See Page 8
TUNING CONVEYOR SENSOR
J0191
J0222
J0225
J0046
J0162
J0221
CN14
INTERCONNECTION DIAGRAM
See dYTF
dYTF STATION VAC/BLOW
T08107
T08106
HL13
HL12
A tbl NOZZLE STATION
A tbl NOZZLE STATION
BLOW STN
MAIN STOPPER UP
STAGE-1
MAIN STOPPER UP
STAGE-2
STAGE-1
STAGE-2
PCB CLAMP
PCB CLAMP
STOPPER UP
STOPPER UP
PUSH IN
J0871 IONIZER(OPTION)
See Page 24
I/O CONVEYOR BOARD ASSY
BUZZER
BUZZER
EX
See Page 4
COUNT RESET
BA OUT/UR OUT
BUSY IN/LR IN
NEXT INTERFACE
BUSY OUT/LR OUT
BA IN/UR IN
PREVIOUS INTERFACE
NEXT B
NEXT A
PREV B
PREV A
CN15GATE
CN15
J0198
J0199
J0223
J0224
INTERFACE PANEL
J0185
INTERFACE PANEL
P025
T080B6
T080B7
LDC1 UP
LDC2 UP
CAPTURE1 D_CAM1
LIGHT UP
CAPTURE1 D_CAM2
LIGHT UP
SIDE BLOW
CONVEYOR MOTOR
ERROR LAMP(OPTION)
KGT-M4580-0XX
FIX24 & FES20 & FES24
GS21
POWER CIRCUIT
See Page 26
See Page 6
I/O HEAD BOARD
CN5
YV001
YV002
YV003
YV004
YV005
YV006
YV021
YV022
YV031
YV032
YV082
F1 SW DO
F2 SW DO
R1 SW DO
R2 SW DO
F BUZZER
R BUZZER
WAIT POS,MNT POS1&2,WORK OUT1&2
OPEN
SUB
EXIT
REAR LEFT
FRONT CENTER
REAR CENTER
FRONT LEFT
REAR RIGHT USB
FRONT CENTER
REAR CENTER
J0084J0082 J0083
J0087 J0088 J0098 J0096
COVER EARTH
FRONT RIGHT
J0086
J0099
I/O B
CN16COM1
I/O B
CN16
GOOD
J0103
J0101
CN17C/V MOTOR1
CN17
CN2 CN3
CONVEYOR MOTOR 1 30W
M17
CV1
CV1 CN3CV1 CN2
CN1
DCN1
J0062 J0064
J0081
□60 MAX 300rpm
P011
KM10A
POWER CIRCUIT
See Page 26
CONVEYOR
J0047
I/O B
I/O A
I/O B
J0102
See Page 2
CONTROL BOX
INTERFACE BOARD
CALIBRATION BOARD
See page 5
INTERCONNECTION DIAGRAM
TF I/O BOARD
See dYTF,sATS
J0886
CONVEYOR DRIVER 1
HL12
HL13
FRONT
REAR
ERROR LAMP(YELLOW)
ERROR LAMP(YELLOW)
HL12
HL13
ON
OFF
DIP SW(S2)
3
ON
OFF
1 2
DIP SW(S1)
4 5 6
V0
3
I/O CONVEYOR -1-
YG88R

Confidential & Proprietary
PAGE
CN28
CN28DI0
PU1ORG
N08C02
PU2ORG
W1ORG
N08C04
N08C03
See Page 6
I/O HEAD
CN29
CN29DI2
CN30DI3
CN30
SAFETY CIRCUIT
FES20 & FES24
CART DETECT DI(NONSTOP)
See Page 12 - 14
N08C20
N08C21
N08C24
N08C25
F1 FLOAT
F2 FLOAT
R1 FLOAT
R2 FLOAT
FLOAT F+24V
FLOAT
FLOAT F+24V
FLOAT
FLOAT F+24V
FLOAT
FLOAT F+24V
FLOAT
FEEDER FLOAT SENSOR(OPTION)
CN32
CN31
CN32DI6
CN31DI5
CAMRA UNIT SEL.
LDC UPPER/LOWER
See Page 7
TUNING
P
SP11
SENSOR
AIR PRESSURE
BLOW ST./NZL DET.
See Page 9-11
DUMP STATION
FEEDER STRUCTURE
See Page 12 - 17
SAFETY CIRCUIT
CLAMP SW DI
FES20 & FES24
N08C50
ENT
N08C51/T08186(TUNING)
N08C52/T08186(TUNING)
N08C53/T08186(TUNING)
N08C54/T08186(TUNING)
WORK OUT2
N08C55/T08186(TUNING)
MAIN ST1
N08C56
N08C63
ANC CLOSE
N08C62
ANC OPEN
N08C65
N08C64
ANC LOWER
ANC UPPER
UPPER
LOWER
MAIN ST2
N08C57
N08C61
EXIT
N08C60
SUB ST
EXIT
DIAGRAM
CN37
CN38
CN39
CN40
DI17 CN40
DI16 CN39
CN38DI13
CN37DI12
N08CC4-N08CC7
NOZZLE2
N08CC0-N08CC3
NOZZLE1
N08CD4-N08CD7
N08CD0-N08CD3
NOZZLE4
NOZZLE3
NOZZLE6
NOZZLE5
N08D04-N08D07
N08D00-N08D03
N08D14-N08D17
N08D10-N08D13
NOZZLE8
NOZZLE7
5-8
1-4
NOZZLE
NOZZLE
13-16
9-12
NOZZLE
NOZZLE
21-24
17-20
NOZZLE
NOZZLE
29-32
25-28
NOZZLE
NOZZLE
NOZZLE STATION(OPTION)
J0186
J0189
J0786
J0191
J0222
J0194
J0195
J0196
J0197
J0200
J0201
J0202
J0203
PU-AXIS 1 ORIGIN
PU-AXIS 2 ORIGIN
W1-AXIS ORIGIN
W-PU(OPTION)
ENTRANCE
STAGE-1 PCB
STAGE-2 PCB
CONVEYOR
W-PU(OPTION)
STAGE-2 MAIN STOPPER
HIGH END
W-PU(OPTION)
HIGH END
NOZZLE STATION1
NOZZLE STATION1
NOZZLE STATION1
NOZZLE STATION1
CN33
CN33DI7
CN34
CN34DI8
CN36R.NONSTOP
CN35F.NONSTOP
CN36
CN35
J0192
J0193
J0771
J0772
J0798
J0799
BLOW STN
SENSOR
N08C87
N08C84
AIR PRESS
I/O CONVEYOR BOARD ASSY
DS1,2 LOWER
P025
FAN MOTOR
See Page 5
SQ002
SQ003
SQ004
SQ051A
SQ051B
SQ052A
SQ052B
SQ053A
SQ053B
SQ054A
SQ054B
SQ031
SQ032
SQ033
SQ034
SQ035
SQ036
SQ037
SQ038
SQ039
SQ040
SQ061
SQ062
SQ063
SQ064
SQ071
SQ072
SQ073
SQ074
SQ075
SQ076
SQ077
SQ078
SQ083A
SQ083B
I/O CONVEYOR BOARD
See Page 3
CN12
KGT-M4580-0XX
FIX24 & FES20 & FES24
dYTF STATION LOWER SENSOR
See dYTF INTERCONNECTION
W-PU(OPTION)
WAITING
POSITION
MOUNT POSITION
MOUNT POSITION
WORK OUT1
WORK OUT1
WORK OUT2
SUB STOPPER
CONVEYOR
OPEN
CLOSE
FEEDER FLOAT
FEEDER FLOAT
FEEDER FLOAT
FEEDER FLOAT
WAIT POS.
MNT POS.1
MNT POS.2
Y1ORG
F1
F2
R1
R2
STAGE-1 MAIN STOPPER
HIGH END
V0
4
I/O CONVEYOR -2-
YG88R