YG88R_KHV_j - 第8页
Confidential & P roprietary P A G E EMG CN4 1 CN41 CN42 CN42 YOT CN43 CN43 L AREA CAMERA U NIT S EL. See Page 7 LED DRIV ER PO WER DC24VE CN45 CN45 DC24EA CN44 DC24VD DC24VN CN46 CN47 CN46 DC24VH CN49 CN49 CN52 CONTA…

Confidential & Proprietary
PAGE
CN28
CN28DI0
PU1ORG
N08C02
PU2ORG
W1ORG
N08C04
N08C03
See Page 6
I/O HEAD
CN29
CN29DI2
CN30DI3
CN30
SAFETY CIRCUIT
FES20 & FES24
CART DETECT DI(NONSTOP)
See Page 12 - 14
N08C20
N08C21
N08C24
N08C25
F1 FLOAT
F2 FLOAT
R1 FLOAT
R2 FLOAT
FLOAT F+24V
FLOAT
FLOAT F+24V
FLOAT
FLOAT F+24V
FLOAT
FLOAT F+24V
FLOAT
FEEDER FLOAT SENSOR(OPTION)
CN32
CN31
CN32DI6
CN31DI5
CAMRA UNIT SEL.
LDC UPPER/LOWER
See Page 7
TUNING
P
SP11
SENSOR
AIR PRESSURE
BLOW ST./NZL DET.
See Page 9-11
DUMP STATION
FEEDER STRUCTURE
See Page 12 - 17
SAFETY CIRCUIT
CLAMP SW DI
FES20 & FES24
N08C50
ENT
N08C51/T08186(TUNING)
N08C52/T08186(TUNING)
N08C53/T08186(TUNING)
N08C54/T08186(TUNING)
WORK OUT2
N08C55/T08186(TUNING)
MAIN ST1
N08C56
N08C63
ANC CLOSE
N08C62
ANC OPEN
N08C65
N08C64
ANC LOWER
ANC UPPER
UPPER
LOWER
MAIN ST2
N08C57
N08C61
EXIT
N08C60
SUB ST
EXIT
DIAGRAM
CN37
CN38
CN39
CN40
DI17 CN40
DI16 CN39
CN38DI13
CN37DI12
N08CC4-N08CC7
NOZZLE2
N08CC0-N08CC3
NOZZLE1
N08CD4-N08CD7
N08CD0-N08CD3
NOZZLE4
NOZZLE3
NOZZLE6
NOZZLE5
N08D04-N08D07
N08D00-N08D03
N08D14-N08D17
N08D10-N08D13
NOZZLE8
NOZZLE7
5-8
1-4
NOZZLE
NOZZLE
13-16
9-12
NOZZLE
NOZZLE
21-24
17-20
NOZZLE
NOZZLE
29-32
25-28
NOZZLE
NOZZLE
NOZZLE STATION(OPTION)
J0186
J0189
J0786
J0191
J0222
J0194
J0195
J0196
J0197
J0200
J0201
J0202
J0203
PU-AXIS 1 ORIGIN
PU-AXIS 2 ORIGIN
W1-AXIS ORIGIN
W-PU(OPTION)
ENTRANCE
STAGE-1 PCB
STAGE-2 PCB
CONVEYOR
W-PU(OPTION)
STAGE-2 MAIN STOPPER
HIGH END
W-PU(OPTION)
HIGH END
NOZZLE STATION1
NOZZLE STATION1
NOZZLE STATION1
NOZZLE STATION1
CN33
CN33DI7
CN34
CN34DI8
CN36R.NONSTOP
CN35F.NONSTOP
CN36
CN35
J0192
J0193
J0771
J0772
J0798
J0799
BLOW STN
SENSOR
N08C87
N08C84
AIR PRESS
I/O CONVEYOR BOARD ASSY
DS1,2 LOWER
P025
FAN MOTOR
See Page 5
SQ002
SQ003
SQ004
SQ051A
SQ051B
SQ052A
SQ052B
SQ053A
SQ053B
SQ054A
SQ054B
SQ031
SQ032
SQ033
SQ034
SQ035
SQ036
SQ037
SQ038
SQ039
SQ040
SQ061
SQ062
SQ063
SQ064
SQ071
SQ072
SQ073
SQ074
SQ075
SQ076
SQ077
SQ078
SQ083A
SQ083B
I/O CONVEYOR BOARD
See Page 3
CN12
KGT-M4580-0XX
FIX24 & FES20 & FES24
dYTF STATION LOWER SENSOR
See dYTF INTERCONNECTION
W-PU(OPTION)
WAITING
POSITION
MOUNT POSITION
MOUNT POSITION
WORK OUT1
WORK OUT1
WORK OUT2
SUB STOPPER
CONVEYOR
OPEN
CLOSE
FEEDER FLOAT
FEEDER FLOAT
FEEDER FLOAT
FEEDER FLOAT
WAIT POS.
MNT POS.1
MNT POS.2
Y1ORG
F1
F2
R1
R2
STAGE-1 MAIN STOPPER
HIGH END
V0
4
I/O CONVEYOR -2-
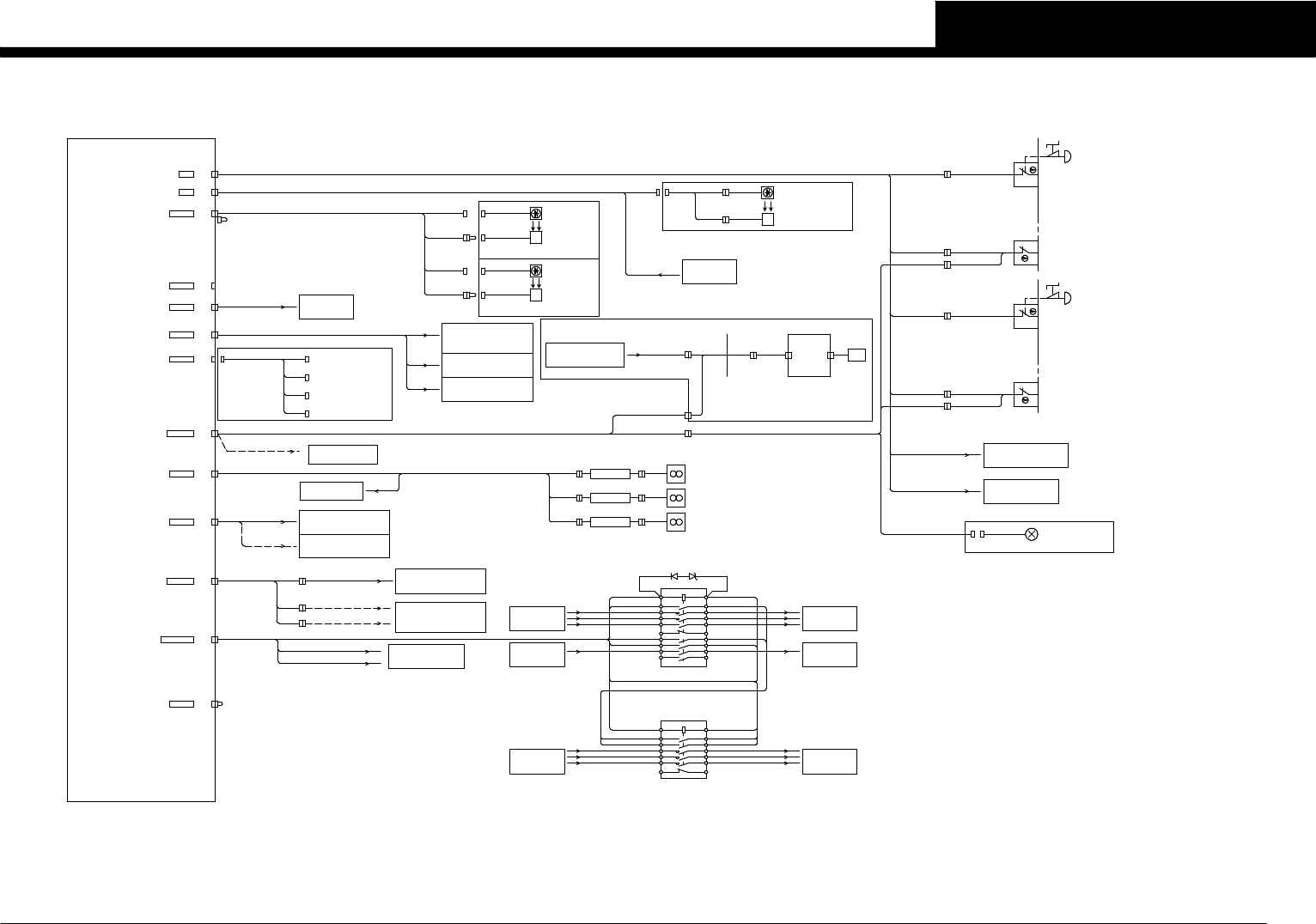
YG88R

Confidential & Proprietary
PAGE
EMG CN41
CN41
CN42
CN42YOT
CN43
CN43
L AREA
CAMERA UNIT SEL.
See Page 7
LED DRIVER POWER
DC24VE CN45
CN45
DC24EA CN44
DC24VD
DC24VN
CN46
CN47
CN46
DC24VH CN49
CN49
CN52
CONTACTOR CN52
POWER CIRCUIT
GS21
A1
13
+48V
+48VA
+48VB
331133 EMG20A
1063 +24V
11A1 EMG21
C/V MOTOR DRIVER
POWER CIRCUIT
A2
14
+48VA
+48VB
+48VC
34 1134 EMG21
1064 +24E
1114 SRV ON
1/L1
3/L2
5/L3
2/T1
4/T2
6/T3
73 74
83 84
63 64
KM10/KM10A
See Page 26See Page 26
R AREA CN53
KM11/KM11A
NF11
POWER CIRCUIT
W52
V52
U52
1013 +24V
10A1 EMG21
S10
CONTROL BOX
POWER CIRCUIT
W54
V54
U54
13 14
A1 A2
1/L1
3/L2
5/L3
2/T1
4/T2
6/T3
See Page 26See Page 26
1053 EMG20 1054 EMG20A53 54
21 22
41 42
SERVO HEAD +48V
POWER CIRCUIT
See Page 26
GS31
POWER CIRCUIT
See Page 26
CONV+24ECONV+24V
J0163
J0188
J0161
J0049
J0051
J0164
J0170
10A2 0V24
1014 +24B
1113 +24B
11A2 0V24
CN48
DC24VLM CN48
J0883 J0884
J0872
IONIZER ASSY(OPTION)
See Page 24
DOOR SEFE 1
DOOR SEFE 2
STICK FEEDER POWER
STICK FEEDER POWER
STICK FEEDER POWER
STICK FEEDER POWER
+24V
+24V
+24V
+24V
CN47 J0885
STACK STICK FEEDER(OPTION)
REAR AREA SENSOR(OPTION)
FRONT AREA SENSOR(OPTION)
SQ112A
SQ112B N08C15
R A+24V
R AREA
SQ111A
SQ111B N08C14
F A+24V
F AREA
REAR AREA
FRONT AREA
PP SENS1
I/O CONVEYOR BOARD ASSY
N08C16
+24V
PUSH UP PIN SENSOR
J0205
PUSH UP PIN SENSOR(OPTION)
PP SEN1
P025
J0165
SQ080A
SQ080B
See Page 6
I/O HEADY1OT
FAN3
FAN1
FAN2
PNP CHAHGER
PNP CHAHGER
PNP CHAHGER
U01
U02
U03
FAN
FAN
FAN
INDICATOR BOARD POWER
I/O HEAD
I/O HEAD POWER
See Page 6
See Page 22,23
DC24VB CN50
CN50 J0042
J0905
FEEDER INDICATOR(OPTION)
I/O CONV.BOARD CN33
See Page 4
J0192
CN51DC24VCN
E+24V
CN51
I/O+24V
I/O+24V
J0041
INTERCONNECTION DIAGRAM
TF I/O BOARD POWER
See Page 2
CONTROL BOX
INTERFACE BOARD
I/O A
J0101
FAN3
FAN2
FAN1
KGT-M4580-0XX
INTERCONNECTION DIAGRAM
SIDE COVER
SIDE COVER
TRANS ROOM
dYTF,sATS EMG
See dYTF,sATS
See dYTF,sATS
CN16
I/O B
I/O CONVEYOR BOARD
See Page 3
C+24V
I/O
CALIB+24V
CALIB
SQ801
LOADCELL
ASSY
AIR REGULATOR PANEL
CALIBRATION
BOARD ASSY
CN1 CN2
P110
KGK-M4528-0xx
CN1
FES BOARD POWER
FES20&24 SAFETY CIRCUIT
+24V IN
See Page 2
SERVO BREAKE +24V
CONTROL BOX
INTERCONNECTION DIAGRAM
See Page 12-17
AZBK+24V
sATS
See sATS
FRONT SIDE
REAR SIDE
F LAMP
R LAMP
COVER
LAMP
COVER
LAMP
EMG
EMG
R COVER
R EMG
F COVER
F EMG
COVER SWITCH
COVER SWITCH
REAR EMG SW
SB32
FRONT EMG SW
SB31
REAR
FRONT
SQ102
SQ101
J0166
J0168
J0167
J0169
INTERCONNECTION DIAGRAM
FES BOARD EMG
FES20 & 24 SAFETY CIRCUIT
See Page 12-17
FES CN8
TF EMG1,2
See dYTF,sATS
dYTF,sATS EMG
EL21
Maintenance Fluorescent Light(OPTION)
LAMP
CALIBRATION UNIT(OPTION)
J0886
J0887 J0888
Y10T
V0
5
I/O CONVEYOR -3-
YG88R

Confidential & Proprietary
PAGE
CN18
CN19
CN17
CN20
CN14
CN15
CN13
CN16
CN10
CN11
CN9
CN12
CN6
CN7
MO9
ENC9
MO8
ENC8
MO7
ENC7
MO6
ENC6
MO5
ENC5
MO4
ENC4
MO3
ENC3
CN5MO2
CN8ECN2
MO1 CN2
ENC1 CN3
CN1
CN4
MO0
ENC0
SRV SC2
SRV SC1 CN21
CN22
CN22
CN21
M15
M14
M13
M12
M11
M10
M9
M8
M7
Z1-AXIS 60W
Z2-AXIS 60W
Z3-AXIS 60W
R1-AXIS 60W
R2-AXIS 60W
R3-AXIS 60W
N1-AXIS 30W
N2-AXIS 30W
N3-AXIS 30W
Z1P
Z1M
Z2P
Z2M
Z3P
Z3M
R1P
R1M
R2P
R2M
R3P
R3M
N1P
N1M
N2P
N2M
N3P
N3M
□35 MAX 1000rpm
□35 MAX 1000rpm
□42 MAX 1000rpm
□42 MAX 2000rpm
□42 MAX 2000rpm
□42 MAX 2800rpm
□42 MAX 2800rpm
□42 MAX 2000rpm
□42 MAX 2800rpm
SERVO BOARD ASSY P022
CN23 PWR/IO
ON
OFF
1 2 43
CN14 PWR/SRV
I/O HEAD BOARD ASSY P21
CUnet/EMG CN5
N08C10
Y1-AXIS OT
SQ5
SQ1
N08C00
Y1-AXIS ORG
CN42
Y1OT
CN28
Y1ORG
HEAD EMG
H+24V
HEAD PWR
X-FRAMEX-FRAME
LEFT RIGHT
I/O AI/O ACN5
SRV SC1
SRV SC2
SRV SC1
SRV SC2
Y1OT
Y1ORG
H+48V
I/O CONVEYOR BOARD
See Page 2
CONTROL BOX
SRVA
CN22
See Page 3
I/O CONVEYOR BOARD
I/O A
CONTROL BOX
See Page 2
CONTACTOR
KM14
I/O CONVEYOR BOARD
See Page 5
CN50
FLEXIBLE
DUCT X
FLEXIBLE
DUCT Y
J0101
J0162
J0190
J0123 J0122 J0121
J0105
J0186
J0188
J0044
J0090J0089
J0055
J0042
J0043
J0104
+24E CN6
CN8DI3_2
DI3_1 CN7
CN7 FAN5
CN2
CN1
ORG
OT
OT
ORG
SIDE VIEW EL11
SIDE VIEW
LIGHT
SV LIGHTCN3
SIDE VIEW(OPTION)
J0305
CN4LIGHT CN4 J0301
SQ302
XOT X1-AXISN00181
OT
SQ301
XORG
X1-AXISN00180
ORG
EL1
FIDUCIAL
LIGHT
LIGHT
VAC
CN11
DI2 CN12
DI0,1 CN10
CN10
DO0,1,3
CN9
CN19
CN18
CN19
CN18
AD in 2
AD in 1
EV2
EV1
CN17
CN16
CN16
ETR1
ETR1
CALIBRATION UNIT(OPTION)
24V/48V
CN15
CN15
YV373
YV372
YV371
YV363
YV362
YV361
YV343
YV342
YV341
YV303
YV302
YV301
HEAD3
FNC LOCK
HEAD2
FNC LOCK
HEAD1
FNC LOCK
HEAD3
AIR DAMPER
HEAD2
AIR DAMPER
HEAD1
AIR DAMPER
AIR DAMPER SENSOR
AIR DAMPER SENSOR
AIR DAMPER SENSOR
FNC LOCK SENSOR
FNC LOCK SENSOR
FNC LOCK SENSOR
HEAD3
HEAD2
HEAD1
VACUUM
VACUUM
VACUUM
T00035
T00034
T00033
T00032
T00016
T00015
T00014
T00005
T00004
T00003
T00002
T00001
T00000
SH BLOW
PIN3
PIN2
PIN1
BLOW
SHAFT
YV381
AC3
AC2
AC1
BLOW3
BLOW2
BLOW1
VAC3
VAC2
VAC1
BLOW
BLOW
BLOW
HEAD1
HEAD2
HEAD3
HEAD3
HEAD2
AC3
AC2
AC1
HEAD3
HEAD2
PIN3
PIN2
PIN1
HEAD1HEAD1
VAC3
VAC2
VAC1
VACUUM SENSOR
VACUUM SENSOR
HEAD1
VACUUM SENSOR
YV391
YV392
YV393
DAMPER PRESSURE
HEAD1
DAMPER PRESSURE
HEAD2
DAMPER PRESSURE
HEAD3
D.PRE1
D.PRE2
D.PRE3
T00006
T00007
T00010
CALIBRATION UNIT(OPTION)
P041
P042
P043
P044
P045
P046
P047
P048
P049
N3-AXIS
N2-AXIS
ORG
ORG
ORG
N3ORG
N2ORG
N00207
N00206
N1-AXISN1ORGN00205
ORG
R3-AXISR3ORGN00204
ORG
R2-AXISR2ORGN00203
ORG
R1-AXISR1ORGN00202
J0306
J0303
CN11
CN9
CN3
See Page 26
See Page 4,5
KGS-M4570-1XX
KGS-M5840-0XX
DIP SW(S1)
HEAD2
HEAD3
SQ302
SQ303
SQ304
SQ305
SQ306
SQ307
V0
6
I/O HEAD
YG88R