KJW_FT_M-PL - 第17页
No. Part No. Part Name Q'ty Remarks KJK-M1 17A-01 FRONT LEVER ASSY 1 KJK-M1 131-00 CLAMP LEVER ASSY 1 1 CLAMP LEVER 1 2 GUIDE PIN 1 3 CLANK ARM 1 4 ARM 1 5 CLAMP PIN 1 6 KJK-M1 13M-00 AXIS PIN 1 7 KJK-M1 13L-00 CLAM…

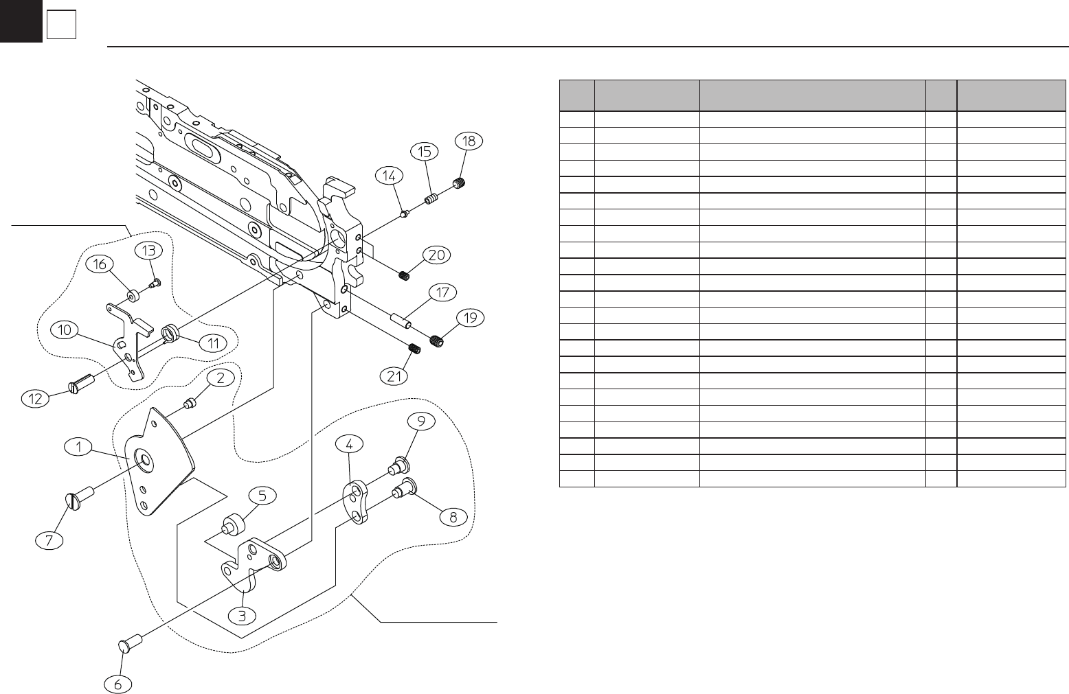
No. Part No. Part Name Q'ty Remarks
KJW-M1140-00
TAPE GUIDE ASSY
1
KJK-M1170-00
REAR LEVER ASSY
1
KJK-M114A-01
HAND LEVER ASSY
1
1
TAPE GUIDE PLATE
1
2 KJW-M114N-00
GUIDE AXIS
1
3 KJW-M114P-00
COLLER
1
4 KJK-M114R-00
WASHER
1
5
TAPE GUIDE PIN
1
6
LEVER
1
7
COIL SPRING
1
8
KJK-M1173-00 GUIDE PIN
1
9
KJK-M116K-00 LEVER AXIS
1
10
MAIN LEVER
1
11
ROLLER AXIS
1
12
ROLLER
1
13
ARM AXIS PIN
1
14
AXIA PIN
1
15
KJK-M114D-00 SUB ARM
1
16
K87-M111C-00 PLANE WASHER
2
17
KJK-M1181-01 CONNECTOR 1
18
KJK-M1184-00 CONNECT PIN
1
19
KJK-M1183-00 CYL HOLDER
1
20
KJK-M1146-00 ADJUST PLATE 1
21
KJK-M1185-01 MULTI CYLINDER 1
22
KJK-M111L-00 STRAIGHT CONNECTOR 2
23
KJK-M11B1-00 AIR HOSE (65mm)
1
24 K87-M111P-00
SCREW, FLAT HEAD + 1
25 K87-M11BF-00
SCREW, FLAT HEAD + 2
26 K87-M11BC-00
SCREW, FLAT HEAD + 1
27 KJK-M11BA-00
SCREW, CAP BOLT HEAD 2
28 K87-M11D7-00
CIRCLIP E 1
29 KJK-M11BB-00
CIRCLIP E 1
30 K87-M1547-00
SCREW, TRUSS HEAD +
2
31 LG4-M3AD3-00
SPRING LOOK WASHER
2
KJW-M1140-00
KJK-M1170-00
KJK-M114A-01
KJW-0911
3
2
TAPE GUIDE & AIR CYLINDER Assy 82-B
FT/FS2/FSI-82(A type)8mm-2P

No. Part No. Part Name Q'ty Remarks
KJK-M117A-01
FRONT LEVER ASSY
1
KJK-M1131-00
CLAMP LEVER ASSY
1
1
CLAMP LEVER
1
2
GUIDE PIN
1
3
CLANK ARM
1
4
ARM
1
5
CLAMP PIN
1
6
KJK-M113M-00 AXIS PIN
1
7
KJK-M113L-00 CLAMP LEVER AXIS
1
8 HINGE PIN 1
1
9
HINGE PIN 2
1
10
LEVER
1
11
COIL SPRING
1
12
KJK-M117D-00 GUIDE AXIS
1
13
GUIDE AXIS
1
14 KJK-M117J-00
STOPPER PIN
1
15
KJK-M117K-01 SPRING
1
16
BEARING
1
17
K87-M113H-00 PUSH PIN
1
18
K87-M111Y-00 SCREW, SET 1
19
K87-M111V-00 SCREW, SET
1
20
K87-M111X-00 SCREW, SET
2
21
K87-M111R-00 SCREW, SET 1
KJK-M117A-01
KJK-M1131-00
KJW-0911
3
3
TOGGLE CLAMP & T/G FRONT LEVER Assy 82-B
FT/FS2/FSI-84,82(A type)8mm

No. Part No. Part Name Q'ty Remarks
KJK-M1150-01
HANDLE LEVER ASSY
1
KJK-M116S-01
ROLLER ARM ASSY
1
1
B-CAP
2
2
KJK-M114L-01 COVER
1
3
LEVER
1
4
GUIDE PIN
1
5 LEVER
1
6
GUIDE PIN
1
7
KJW-M115L-00
HOLD ARM
1
8
KJK-M115M-00 HOLD ARM AXIS
1
9
KJK-M1155-00 ROLLER
1 *Attention
10
KJK-M1156-00 LEVER SPACER
1 *Attention
11
KJK-M1165-00 ROLLER AXIS
1 *Attention
12
KJK-M116U-00 ROLLER
2
13
ROLLER ARM
1
14 KJK-M116W-00
LEVER SPACER
1 *Attention
15
ROLLER AXIS
1
16 KJW-M1163-00
ROLLER AXIS
1 *Attention
17
KJK-M1164-00 WASHER
2
18 KJK-M119K-00 SPRING
1
19 KJK-M119W-00
WASHER
1
*Attention
20
STRAIGHT PIN 1
21
LG4-M1AD1-00 CIRCULAR RIVET
1
*Attention
22
KJK-M11BF-00 SCREW, THIN HEAD
4
23 K87-M11BF-000
SCREW, FLAT HEAD +
2
Continued from
Page 3-1
KJK-M1150-01
KJK-M116S-01
KJW-0911
3
4
HOLD ARM & ROLLER,COVER Assy 82-B
FT/FS2/FSI-82(A type)8mm-2P
*Attention: This parts need press t and training.
*Attention:
圧入部品のため修理依頼を推奨します。