KJW_FT_M-PL - 第34页
No. Part No. Part Name Q'ty Remarks KJW -M1240-00 T APE GUIDE ASSY 1 KJK-M1270-00 REAR LEVER ASSY 1 KJK-M124A-01 HAND LEVER ASSY 1 1 T APE GUIDE PLA TE 1 2 KJW -M114N-00 GUIDE AXIS 1 3 KJW -M114P-00 COLLER 1 4 KJK-M…

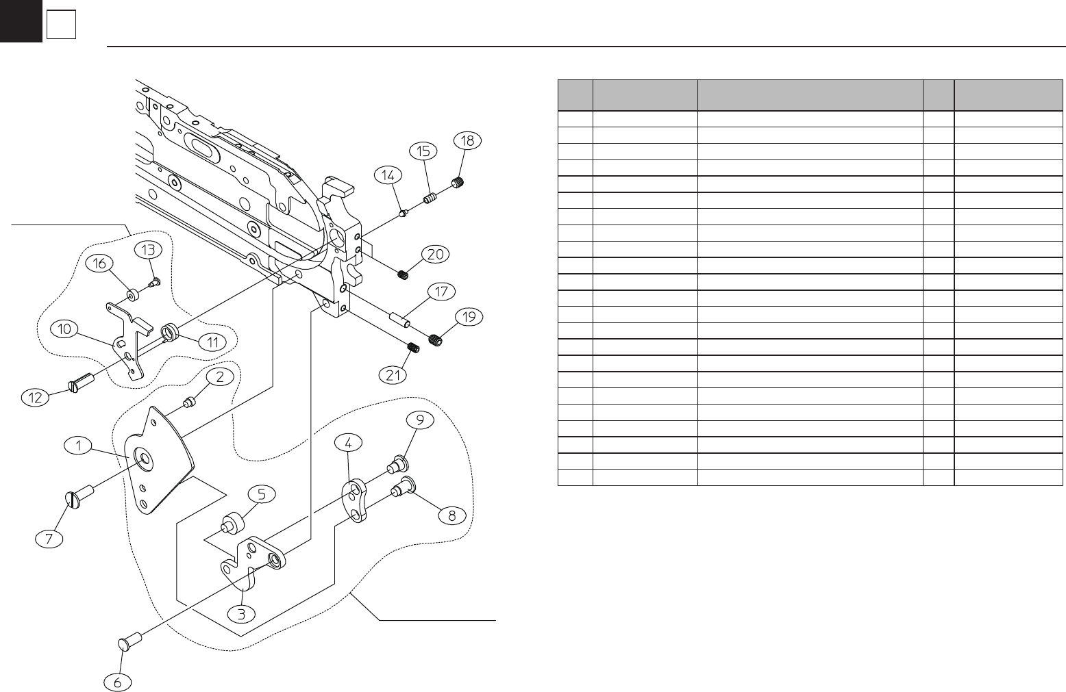
No. Part No. Part Name Q'ty Remarks
KJW-M1110-01 BODY ASSY 1
KJW-M122A-00 RACKING LEVER ASSY 1
KJK-M1220-00 SPROCKET ASSY 1
1 BODY 1
2 KJK-M1112-01 KNOCK PIN (FRONT) 1
3 KW1-M1113-000
KNOCK PIN (REAR)
1 *Attention
4 METAL 1
5 RIVET 3
6 SPROCKET 1
7 RATCHET 1
8 RACKING LEVER 1
9 KJK-M121E-00 SPRING 1
10 RACKING POLE 1
11 POLE AXIS 1
12 MAIN ARM 1
13 MAIN ARM AXIS 1
14 KJW-M112P-00 RATCHET AXIS 1
15 KJK-M112D-00 COIL SPRING 1
16 SPRING HOOK PIN 2
17 KJK-M111H-00 BACK STOPPER 1
18 KJK-M111A-00 SPRING 1
19 KJK-M111B-00 BACK STOPPER AXIS 1
20 KJK-M111F-00 STOPPER PIN 1
21 KJK-M114V-00 GUIDE PLATE 1 1
22 K87-M111G-00 PUSH PIN 2
23 K87-M111T-00 SCREW, SET 1
24 K87-M111X-00 SCREW, SET 2
25 K87-M111R-00 SCREW, SET 5
26 K87-M11BB-00 SCREW, FLAT HEAD + 1
27 LG4-M1AD1-000
CIRCULAR RIVET 2 *Attention
28 STRAIGHT PIN 1
29 DU BUSH 1
30 SERIAL NO. STICKER 1
31 KW1-M11AA-00 ROHS STICKER 1
KJW-M122A-00
KJW-M1110-01
KJK-M1220-00
Continued on
Page 6-4,6-5
KJW-0911
6
1
BODY & RACHET Unit 84-C
FT-84(C type)8mm
*Attention: This parts need press t and training.
*Attention:
圧入部品のため修理依頼を推奨します。

No. Part No. Part Name Q'ty Remarks
KJW-M1240-00
TAPE GUIDE ASSY
1
KJK-M1270-00
REAR LEVER ASSY
1
KJK-M124A-01
HAND LEVER ASSY
1
1
TAPE GUIDE PLATE
1
2 KJW-M114N-00
GUIDE AXIS
1
3 KJW-M114P-00
COLLER
1
4 KJK-M114R-00
WASHER
1
5
TAPE GUIDE PIN
1
6
LEVER
1
7
COIL SPRING
1
8
KJK-M1173-000 GUIDE PIN
1
9
KJK-M116K-000 LEVER AXIS
1
10
MAIN LEVER
1
11
ROLLER AXIS
1
12
ROLLER
1
13
ARM AXIS PIN
1
14
AXIA PIN
1
15
KJK-M124D-00 SUB ARM
1
16
K87-M111C-00 PLANE WASHER
2
17
KJK-M1181-01 CONNECTOR 1
18
KJK-M1184-00 CONNECT PIN
1
19
KJK-M1283-00 CYL HOLDER
1
20 KJK-M1285-01 MULTI CYLINDER 1
21
KJK-M111L-00 STRAIGHT CONNECTOR 2
22
KJK-M11B1-00 AIR HOSE (65mm)
1
23 K87-M111P-00
SCREW, FLAT HEAD +
1
24 K87-M11BF-00
SCREW, FLAT HEAD +
2
25 K87-M11BC-00
SCREW, FLAT HEAD + 1
26 KJK-M11BA-00
SCREW, CAP BOLT HEAD 2
27 K87-M11D7-00
CIRCLIP E 1
28 KJK-M11BB-00
CIRCLIP E 1
KJK-M1270-00
KJW-M1240-00
KJK-M124A-01
KJW-0911
6
2
TAPE GUIDE & AIR CYLINDER Assy 84-C
FT/FS2/FSI-84(A type)8mm-4P

No. Part No. Part Name Q'ty Remarks
KJK-M117A-01
FRONT LEVER ASSY
1
KJK-M1131-00
CLAMP LEVER ASSY
1
1
CLAMP LEVER
1
2
GUIDE PIN
1
3
CLANK ARM
1
4
ARM
1
5
CLAMP PIN
1
6
KJK-M113M-00 AXIS PIN
1
7
KJK-M113L-00 CLAMP LEVER AXIS
1
8 HINGE PIN 1
1
9
HINGE PIN 2
1
10
LEVER
1
11
COIL SPRING
1
12
KJK-M117D-00 GUIDE AXIS
1
13
GUIDE AXIS
1
14 KJK-M117J-00
STOPPER PIN
1
15
KJK-M117K-01 SPRING
1
16
BEARING
1
17
K87-M113H-00 PUSH PIN
1
18
K87-M111Y-00 SCREW, SET 1
19
K87-M111V-00 SCREW, SET
1
20
K87-M111X-00 SCREW, SET
2
21
K87-M111R-00 SCREW, SET 1
KJK-M117A-01
KJK-M1131-00
KJW-0911
6
3
TOGGLE CLAMP & T/G FRONT LEVER Assy 84-C
FT/FS2/FSI-84,82(A type)8mm