QEJM8A-E-MPA-25 - 第123页
Ref No. Remarks R 1 Q't y 6-H 基 板 コンベアL Board Conveyor L イラスト No. Part No. 品 名 品番 数量 R 2 パーツリスト Kit No . キット品 番 Kit Name キット名称 KXFX036LA00 Part N ame 備 考 セクションNo. PARTS LIST Section No. R 3 BLOCK 8 1 KXFB02QEA00 BLO…

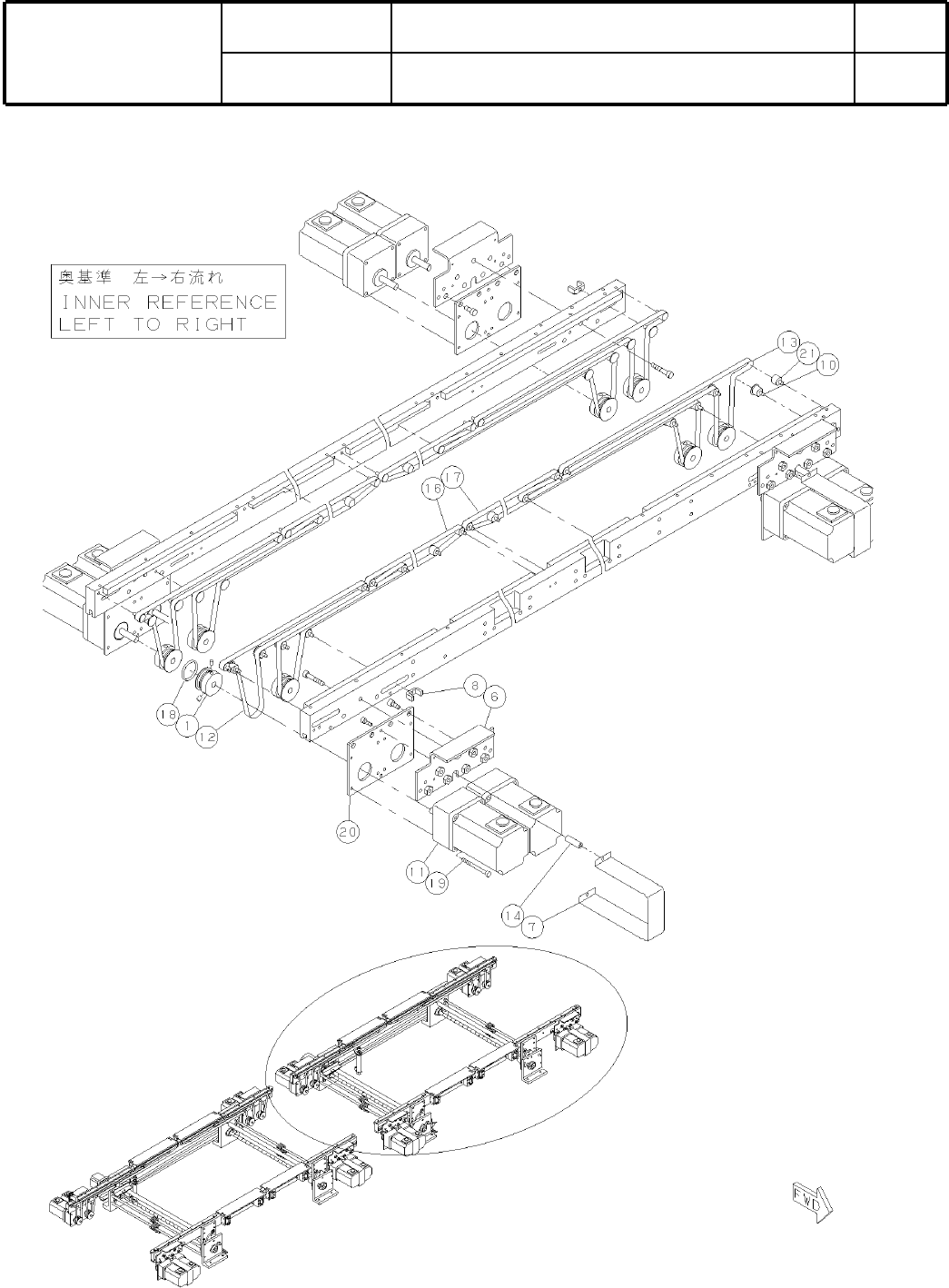
6-H
基
板
コンベアL
Board Conveyor L
パーツレイアウト
Kit No.
キット品
番
Kit Name
キット名称
KXFX036LA00
セクションNo.
PARTS LAYOUT
Section No.
M99

Ref
No.
Remarks
R
1
Q't
y
6-H
基
板
コンベアL
Board Conveyor L
イラスト
No.
Part No.
品 名品番 数量
R
2
パーツリスト
Kit No.
キット品
番
Kit Name
キット名称
KXFX036LA00
Part Name
備 考
セクションNo.
PARTS LIST
Section No.
R
3
BLOCK
8
1 KXFB02QEA00
BLOCK
8
2 KXFB02QFA00
CLAMPER
2
3 N210063864AA
GUIDE
2
4 N210063865AA
CLAMPER
2
5 N210063866AA
BRACKET
2
6 N210032462AA
JOINT
8
7 KXF02SSAA00 M-3ALU-4
AIR-CYLINDER
8
8 KXF0DLFAA00 MXPJ6-5-X23
SENSOR
1
9 KXF0DKVAA00 EX-13EA(DA 0DKVA)
JOINT
16
10 KXF02STAA00 M-3AU-4
JOINT
8
11 KXF09VMAA00 M-3UT
BOLT
16
12 KXF0ATMAA00 CBS4-8
SPACER
4
13 N510019915AA CB-406E
BOLT
8
14 N510026171AA SEH0410
M100

6-I
基
板
コンベアL
Board Conveyor L
パーツレイアウト
Kit No.
キット品
番
Kit Name
キット名称
KXFX036LA00
セクションNo.
PARTS LAYOUT
Section No.
M101