CM402-M Parts list-mechanical20150105 - 第15页
Kit Name Rank Q'ty 番号 Pa rt N o . キット名 品番 数量 ランク 頁 Pa ge No. 2 CM40 2-M:高速モジュラーマ ウンタ CM 4 02-M :Modular High speed Pla cement Machine キットリスト Model No. 製品品番 Model Name 製品名称 KXF-4Y3C KIT LIST 2 5 KXFX0469A00 Board Hol…

2
CM402-M:高速モジュラーマウンタ
CM402-M:Modular High speed Placement Machine
キットレイアウト
Model No.
製品品番
Model Name
製品名称
KXF-4Y3C
KIT LAYOUT
U3
( K4Y3CM-07-2 )

Kit Name
RankQ'ty
番号
Part No.
キット名
品番
数量 ランク
頁
PageNo.
2
CM402-M:高速モジュラーマウンタ
CM402-M:Modular High speed Placement Machine
キットリスト
Model No.
製品品番
Model Name
製品名称
KXF-4Y3C
KIT LIST
2
5
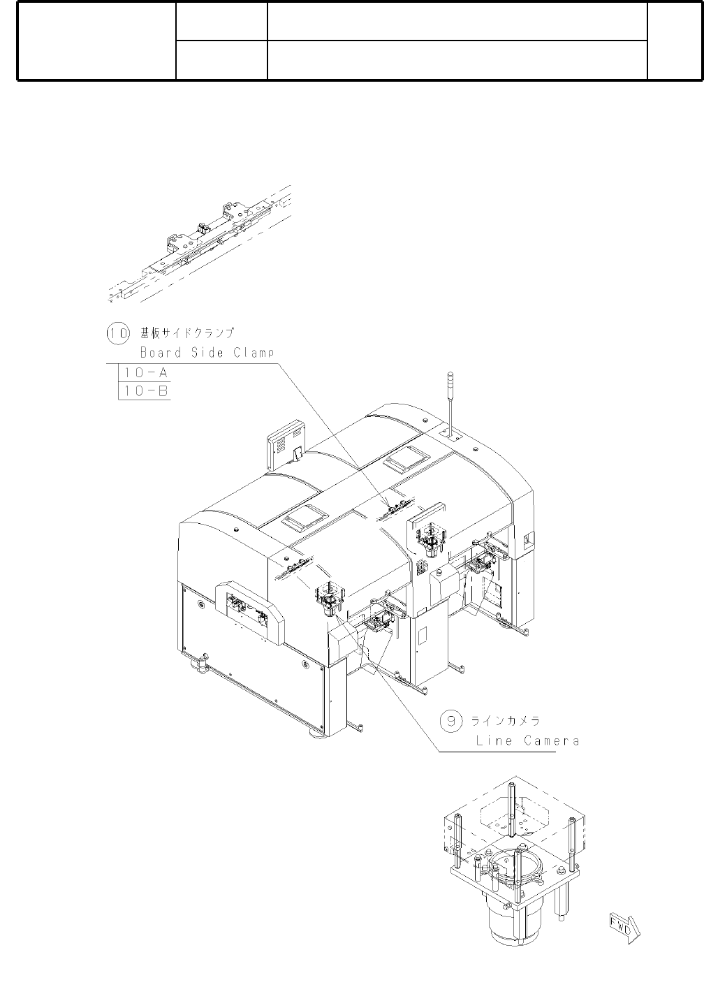
KXFX0469A00 Board Holder
基板ホルダ
M35
1
6
KXFX046AA00 Board Conveyor L
基板コンベアL
M39
1
7
KXFX046BA00 Board Conveyor R
基板コンベアR
M51
1
8
KXFX04JWA00 Conveyor Width Adjustment Section
コンベア幅寄せ部
M63
U4

3
CM402-M:高速モジュラーマウンタ
CM402-M:Modular High speed Placement Machine
キットレイアウト
Model No.
製品品番
Model Name
製品名称
KXF-4Y3C
KIT LAYOUT
U5
( K4Y3CM-07-3 )