CM402-M Parts list-mechanical20150105 - 第69页
Ref No. Remark s R 1 Q'ty 6-F 基 板 コンベアL Board Conveyor L イラスト No. Part No. 品 名 品番 数量 R 2 パーツリスト Kit N o . キット品 番 Kit Name キット名称 KXFX046AA00 Part Nam e 備 考 セクションNo. PARTS LIST Section No. R 3 NUT 1 1 N210020696AA STO…

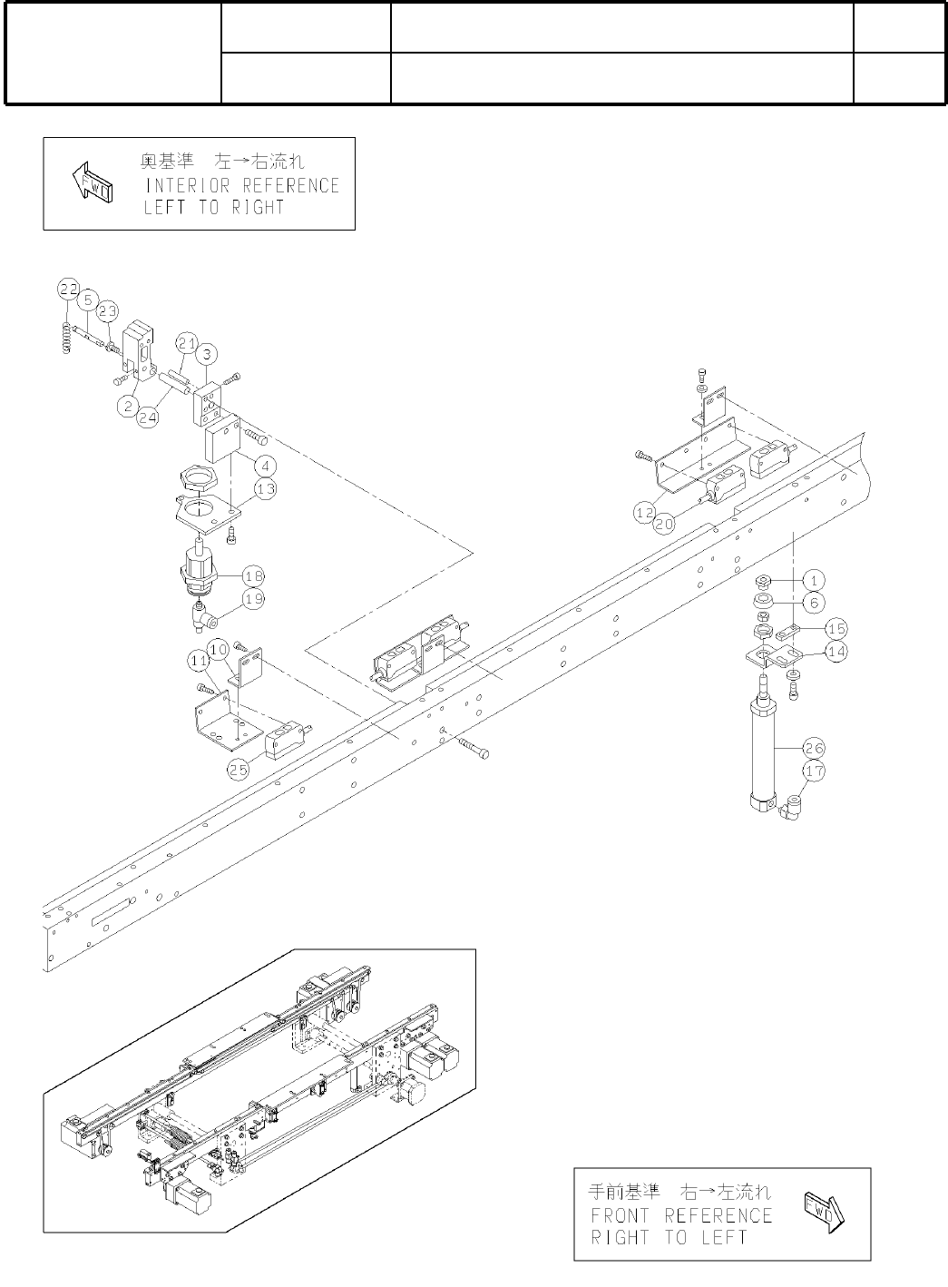
6-F
基
板
コンベアL
Board Conveyor L
パーツレイアウト
Ki
t
N
o
.
キット
品番
Kit Name
キット名称
KXFX046AA00
セクションNo.
PARTS LAYOUT
Section No.
--
M49
( KKXFX046AA00-24-6 )

Ref
No.
Remarks
R
1
Q'ty
6-F
基
板
コンベアL
Board Conveyor L
イラスト
No.
Part No.
品 名品番 数量
R
2
パーツリスト
Kit N
o
.
キット品
番
Kit Name
キット名称
KXFX046AA00
Part Name
備 考
セクションNo.
PARTS LIST
Section No.
R
3
NUT
1
1 N210020696AA
STOPPER
1
2 KXFB02N4A02
PLATE
1
3 KXFB0A3YB00
PLATE
1
4 N210022999AB
D-PIN
1
5 KXFB02NAA00
STOPPER
1
6 N210020697AA
BRACKET
3
10 N210038987AA
BRACKET
1
11 KXFB0A4EA00
BRACKET
2
12 KXFB0A4FA00
BRACKET
1
13 KXFB0A4GB00
BRACKET
1
14 KXFB02KWB00
NUT-PLATE
1
15 KXFB01JGA00
JOINT
1
17 KXF02BTAA00 KQL04-M5
CYLINDER
1
18 KXF0DZBAA00 CJPB15-DCG8017G-15(DDA)
SPEED-CONTROLLER
1
19 KXF00YSAA00 AS1211F-M5-04
SENSOR
4
20 KXF0DSTAA00 E3S-LS3N(DA 0DSTA)
PIN
1
21 KXF02Y8AA00 MS4-20
SPRING
1
22 KXF0CWKAA00 HP063-027-0.6
BOLT
1
23 KXF0ASEAA00 CBSS4-6
PIN
1
24 KXF0303AA00 MSTH6-30
SENSOR
1
25 KXF0DXDQA00 E3S-LS3N(DA KXF0DXDQA00)
CYLINDER
1
26 KXF0DWWEA00 CJ2B16-35S
M50
--
( KKXFX046AA00-24-6 )

7-A
基
板
コンベアR
Board Conveyor R
パーツレイアウト
Ki
t
N
o
.
キット
品番
Kit Name
キット名称
KXFX046BA00
セクションNo.
PARTS LAYOUT
Section No.
--
M51
( KKXFX046BA00-23-1 )