RX-6_RX-6B_RX-6R-Rev08PDFA - 第138页
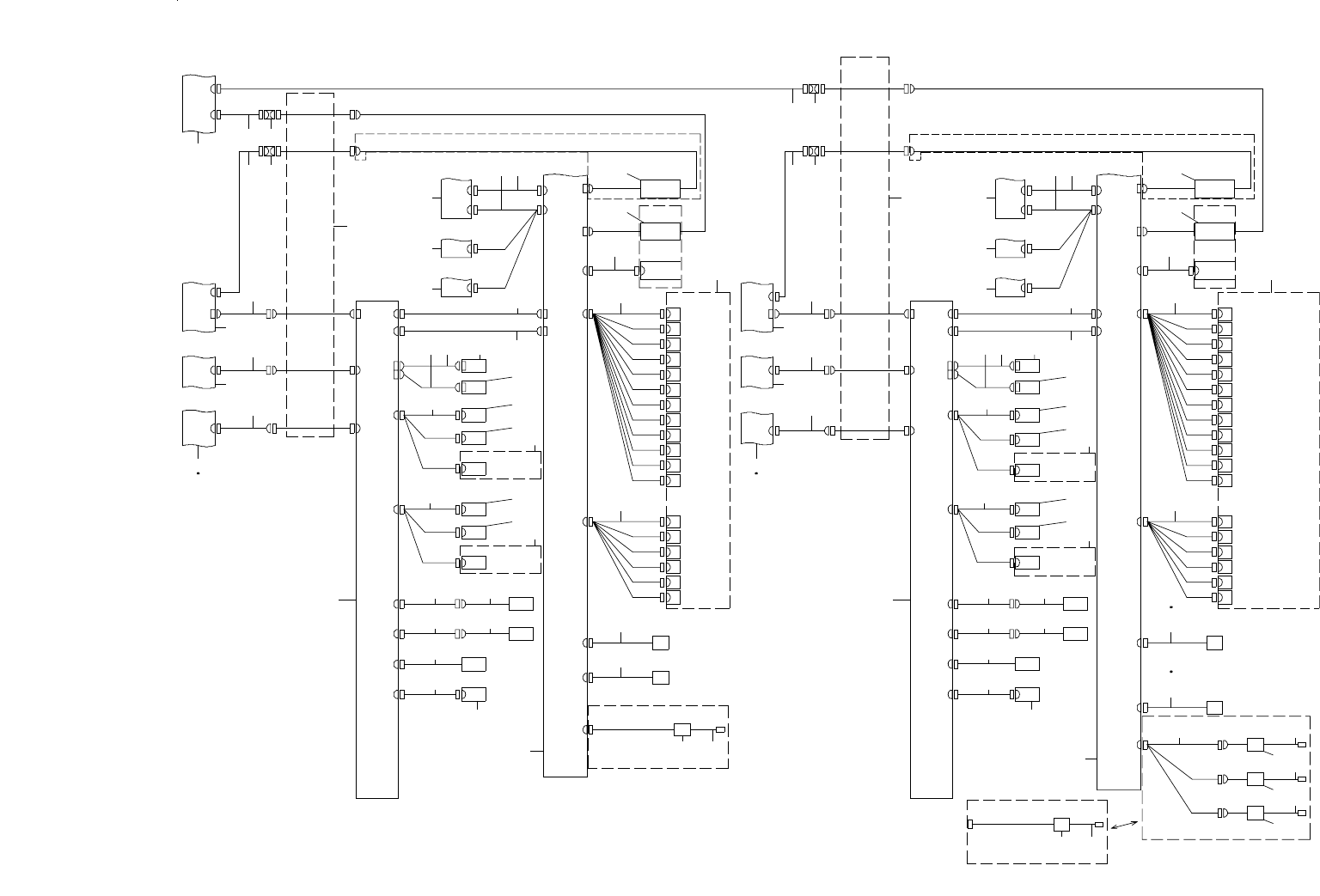
- 13 3 - 67. SYSTEM DIAGRAM(HEAD IF BLOCK) SYST EM DIA GRAM(H EAD IF BLOCK ) V A CUUM U NIT VA C U UM UNIT FIBE R FIBE R FIBE R Z2 SENSOR Z3 SENSOR Z4 SENSOR Z5 SENSOR Z6 SENSOR Z1 SENSO R Z2 SENSOR Z3 SENSOR Z4 SENSOR Z…

- 132 -
NOTE( 注記 ) #01....FOR EN EN 用
#02....FOR 6 NOZZLE HEAD, 6ノズルヘッド,
FOR 6 NOZZLE HEAD(6R) 6ノズルヘッド(6 R)用
#03....FOR 3 NOZZLE HEAD 3ノズルヘッド用
#04....UNTIL M/C REV.C マシン REV.C まで
#05....AFTER M/C REV.D マシン REV.D 以降
#06....FOR 6 NOZZLE HEAD 6ノズルヘッド用
#07....FOR 6 NOZZLE HEAD(6R) 6ノズルヘッド(6 R)用
REF.NO NOTE PART NO D E S C R I P T I O N
品 名
Qty
1
#01
401-29304 100VN FG WIRE ASM(EN)
100 VN FG ワイヤー組(EN)
1
2 401-29262 AC INPUT SURGE PROTECTOR ASM
AC 入力サージプロテクタ組
1
3 401-29301 BREAKER-NF WIRE ASM
BREAKER − NF ワイヤー組
1
4
#04
HN-0035900-00 NOISE FILTER
ノイズフィルタ
1
5
#05
HN-0040100-00 NOISE FILTER
ノイズフィルタ
1
6 HA-0065500-00 SWITCH
スイッチ
1
7 401-28954 NF-FG WIRE ASM
NF − FG ワイヤー組
1
8
#04
401-29303 SW-TF/MTS WIRE ASM
SW − TF / MTS ワイヤー組
1
9
#05
401-58154 SW-TF/MTS WIRE ASM2
SW − TF / MTS 束線組2
1
10 401-28955 TF-FG WIRE ASM
TF − FG ワイヤー組
1
11
#04
401-28956 TF200-EU BTM WIRE ASM
TF 200− EU BTM ワイヤー組
1
12
#05
401-58140 TF200-EU BTM WIRE ASM2
TF 200− EU BTM 束線組2
1
13 401-28958 TF100-EU BTM WIRE ASM
TF 100− EU BTM ワイヤー組
1
14 401-27536 PSU_UNIT_A(ST)
PSU _ユニット_ A(ST)
1
15
#01
401-27558 PSU_UNIT_A(EN)
PSU _ユニット_ A(EN)
1
16 401-28960 EU TOP-TB1/2 WIRE ASM
EU TOP − TB 1/2 ワイヤー組
1
17 401-28961 EU TOP-TB3 WIRE ASM
EU TOP − TB 3 ワイヤー組
1
18 401-29245 VACUUM PUMP RELAY WIRE ASM
真空ポンプ中継ワイヤー組
1
19 401-28959 TF100-EU TOP WIRE ASM
TF 100− EU トップワイヤー組
1
20 401-27537 PSU_UNIT_B(ST)
PSU _ユニット_ B(ST)
1
21
#01
401-27563 PSU_UNIT_B(EN)
PSU _ユニット_ B(EN)
1
22 401-28964 EU TOP-ATX RELAY WIRE ASM
EU TOP − ATX 中継ケーブル組
1
23 401-29244 VACUUM PUMP ASM
真空ポンプ組
1
24 401-28965 ATX RELAY-ATX CABLE ASM
ATX リレー− ATX ケーブル組
1
25
#04
400-48007 BATTERY UNIT
バッテリユニット
1
26
#05
EZ-1756647-11 BATTERY PACK (BS06A-H24/2.5L)
バッテリーパック(BS 06 Aー H 24/2.5 L)
1
27 401-28967 ATX-SW CABLE ASM
ATX − SW ケーブル組
1
28
#04
401-28966 ATX-CPCI WIRE ASM
ATX − CPCI ワイヤー組
1
29
#05
401-72724 ATX-CPCI WIRE ASM3
ATX − CPCI ワイヤー組3
1
30 401-29648 POSITION BOARD
ポジションボード
1
31 401-29627 OPTICAL FIBER CABLE 1M
光ファイバケーブル1 M
1
32 401-29652 X AXIS DRIVER
X 軸ドライバ
1
33 401-28968 TB1-FX AMP WIRE ASM
TB 1− FX アンプワイヤー組
1
34
#01
401-29307 TB1-FX AMP WIRE ASM(EN)
TB 1− FX アンプワイヤー組(EN)
1
35 401-28974 FX AMP-FG WIRE ASM
FX アンプ− FG ワイヤー組
1
36 401-29334 FX AMP-XY BEAR ENC CABLE ASM
FX アンプ− XY ベア ENC ケーブル組
1
37 401-29313 FX AMP-Y BEAR PWR CABLE ASM
FX アンプ− Y ベアパワーケーブル組2
1
38 401-33055 XY BEAR CABLES ASM1
XY ベアケーブル S 組1
1
39 401-29148 X-MOTOR ENC CABLE ASM
X −モータ ENC ケーブル組
1
40 400-44546 X MTR PWR CABLE
X MTR パワーケーブル
1
41 401-29630 XY LINEAR SCALE HEAD
XY リニアスケールヘッド
1
42 401-29653 X AXIS MOTOR
X 軸モータ
1
43 401-28969 TB1-FYL AMP WIRE ASM
TB 1− FYL アンプワイヤー組
1
44
#01
401-29308 TB1-FYL AMP WIRE ASM(EN)
TB 1− FYL アンプワイヤー組(EN)
1
45 401-28975 FYL AMP-FG WIRE ASM
FYL アンプ− FG ワイヤー組
1
46 401-29654 Y AXIS DRIVER
Y 軸ドライバ
1
47 401-29627 OPTICAL FIBER CABLE 1M
光ファイバケーブル1 M
1
48 401-33057 Y BEAR CABLES ASM
Y ベアケーブル S 組
1
49 401-29264 FYL AMP-Y BEAR ENC CABLE ASM
FYL アンプ− Y ベア ENC ケーブル組
1
50 401-29314 FYL AMP-Y BEAR PWR CABLE ASM
FYL アンプ− Y ベアパワーケーブル組
1
51 401-29124 Y LINEAR MTR WIRE ASM
Y リニア MTR ワイヤー組
1
52 401-28970 TB1-FYR AMP WIRE ASM
TB 1− FYR アンプワイヤー組
1
53
#01
401-29309 TB1-FYR AMP WIRE ASM(EN)
TB 1− FYR アンプワイヤー組(EN)
1
54 401-28976 FYR AMP-FG WIRE ASM
FYR アンプ− FG ワイヤー組
1
55 401-29265 FYR AMP-Y BEAR ENC CABLE ASM
FYR アンプ− Y ベア ENC ケーブル組
1
56 401-29628 OPTICAL FIBER CABLE 0.15M
光ファイバケーブル0.15 M
1
57 401-29316 FYR AMP-Y BEAR PWR CABLE ASM
FYR アンプ− Y ベアパワーケーブル組
1
58 401-29635 OPTICAL FIBER 1.7M
光ファイバケーブル1.7 M
1
59 HK-0852900-20 CONNECTOR
コネクタ
1
60 401-33055 XY BEAR CABLES ASM1
XY ベアケーブル S 組1
1
61 401-29315 Y BEAR-YR MTR G CABLE ASM
Y ベア− YR MTR G ケーブル組
1
62 401-29316 FYR AMP-Y BEAR PWR CABLE ASM
FYR アンプ− Y ベアパワーケーブル組
1
63 401-28874 HEAD RELAY PCB ASM
ヘッドリレー基板組
1
64 401-29650 4AXIS INTEGRAL TYPE T AXIS DRIVER
4軸一体 T 軸ドライバ
1
65 401-33051 HDR-ZA AMP PWR CABLE ASM
HDR − ZA アンプパワーケーブル組
1
66 401-33052 HDR-ZB AMP PWR CABLE ASM
HDR − ZB アンプパワーケーブル組
1
67 401-33053 HDR-ZC AMP PWR CABLE ASM
HDR − ZC アンプパワーケーブル組
1
68 401-28971 TB2-RX AMP WIRE ASM
TB 2− RX アンプワイヤー組
1
69
#01
401-29310 TB2-RX AMP WIRE ASM(EN)
TB 2− RX アンプワイヤー組(EN)
1
70 401-28977 RX AMP-FG WIRE ASM
RX アンプ− FG ワイヤー組
1
71 401-29335 RX AMP-XY BEAR ENC CABLE ASM
RX アンプ− XY ベア ENC ケーブル組
1
72 401-29317 RX AMP-Y BEAR PWR CABLE ASM
RX アンプ− Y ベアパワーケーブル組
1
73 401-28972 TB2-RYL AMP WIRE ASM
TB 2− RYL アンプワイヤー組
1
74
#01
401-29311 TB2-RYL AMP WIRE ASM(EN)
TB 2− RYL アンプワイヤー組(EN)
1
75 401-28978 RYL AMP-FG WIRE ASM
RYL アンプ− FG ワイヤー組
1
76
#01
401-29312 TB2-RYR AMP WIRE ASM(EN)
TB 2− RYR アンプワイヤー組(EN)
1
77 401-29267 RYL AMP-Y BEAR ENC CABLE ASM
RYL アンプ− Y ベア ENC ケーブル組
1
78 401-29318 RYL AMP-Y BEAR PWR CABLE ASM
RYL アンプ− Y ベアパワーケーブル組
1
79 401-28973 TB2-RYR AMP WIRE ASM
TB 2− RYR アンプワイヤー組
1
80 401-28985 TB3-RYR AMP WIRE ASM
TB 3− RYR アンプワイヤー組
1
81 401-29268 RYR AMP-Y BEAR ENC CABLE ASM
RYR アンプ− Y ベア ENC ケーブル組
1
82 401-29319 RYR AMP-Y BEAR PWR CABLE ASM
RYR アンプ− Y ベアパワーケーブル組
1
83 401-29629 OPTICAL FIBER CABLE 3.8M
光ファイバケーブル3.8 M
1
84 401-28980 TB3-FX AMP WIRE ASM
TB 3− FX アンプワイヤー組
1
85 401-28981 TB3-FYL AMP WIRE ASM
TB 3− FYL アンプワイヤー組
1
86 401-28982 TB3-FYR AMP WIRE ASM
TB 3− FYR アンプワイヤー組
1
87 401-28983 TB3-RX AMP WIRE ASM
TB 3− RX アンプワイヤー組
1
88 401-28984 TB3-RYL AMP WIRE ASM
TB 3− RYL アンプワイヤー組
1
89 401-28979 RYR AMP-FG WIRE ASM
RYR アンプ− FG ワイヤー組
1
90 401-29336 MTS I/F BR CABLE ASM
MTS I / F BR ケーブル組
1
91 401-29338 RC UNIT WIRE ASM
RC ユニットワイヤー組
1
92 401-29670 REGENERATIVE CAPACITOR UNIT
回生コンデンサユニット
1
93 401-28988 Y BEAR-YR SCALE CABLE ASM
Y ベア− YR SCALE ケーブル組
1
94 401-33058 EU TOP-F XY BEAR AMP PWR CABLE ASM
EU TOP − FXY ベアケーブル組
1
95 401-33059 EU TOP-R XY BEAR AMP PWR CABLE ASM
EU TOP − RXY ベアケーブル組
1
96 401-33060 XY BEAR AMP PWR-FG WIRE ASM
XY ベア− FG ワイヤー組
1
97 401-33142 T AXIS MOTOR BP
T 軸モータ BP
1
98 401-33141 Z AXIS MOTOR
Z 軸モータ
1
99
#02
401-33142 T AXIS MOTOR BP
T 軸モータ BP
1
100
#03
401-33143 T AXIS MOTOR AK
T 軸モータ AK
1
101
#02
401-33141 Z AXIS MOTOR
Z 軸モータ
1
102 401-29302 NF-SW WIRE ASM
NF − SW ワイヤー組
1
103
#04
401-29669 TRANSFORMER(MULTIPLE INPUT)
トランス(マルチインプット)
1
104
#05
401-58135 TRANSFORMER(MULTIPLE INPUT)
トランス(マルチインプット)
1
105 401-28957 TF34-EU BTM WIRE ASM
TF 34− EU BTM ワイヤー組
1
106
#04
400-48006 ATX PSU
ATX 電源
1
107
#05
EZ-1468979-11 POWER (ENSP-300P-S20-11S)
電源(ENSP −300P−S20−11 S)
1
108
#04
401-29625 CPCI BACK BOARD 6SLOT
CPCI バックボード6スロット
1
109
#05
401-72512 CPCI BACK BOARD 6SLOT
CPCI バックボード6スロット
1
110
#06
401-33142 T AXIS MOTOR BP
T 軸モータ BP
1
111
#07
401-33143 T AXIS MOTOR AK
T 軸モータ AK
1

- 133 -
67.SYSTEM DIAGRAM(HEAD IF BLOCK)
SYSTEM DIAGRAM(HEAD IF BLOCK)
VACUUM
UNIT
VACUUM UNIT
FIBER
FIBER
FIBER
Z2 SENSOR
Z3 SENSOR
Z4 SENSOR
Z5 SENSOR
Z6 SENSOR
Z1 SENSO R
Z2 SENSOR
Z3 SENSOR
Z4 SENSOR
Z5 SENSOR
Z6 SENSOR
Z1 SENS OR
Z6V
Z5V
Z4V
Z3V
Z2V
Z1V
Z6B
Z5B
Z4B
Z3B
Z1B
Z2B
Z6V
Z5V
Z4V
Z3V
Z2V
Z1V
Z6B
Z5B
Z4B
Z3B
Z1B
Z2B
LNC-3
OPTION (SOL DER R EC)
OPTION (SO LDER REC)
OCC R
OCC L
OCC R
OCC L
3-1B
2-1B
2-3B
1-2D
3-1C
2-1B
2-3B
1-3D
3-1A
2-1B
2-3B
1-3D
5-1A
1-3D
1-4D1- 4B
1-5C
1-5C
1-4C
1-5A
1-5A
1-4A
3nozzles
OPTION (SOLD ER RE C)
OPTION (SOLD ER RE C)
CN0632
OCC-O2
OCC-A2
OCC-C2
OCC-O1
OCC-A1
OCC-C1
CN0632
OCC-O2
OCC-A2
OCC-C2
OCC-O1
OCC-A1
OCC-C1
CN0611B
CN11B
CN0611B
CN11B
CN0306
CN0406
EPV
LNC
EPV-1
LNC-1
CN0411
CN0310
CN0061
CN0614
CN0601
CN0610
XY BEAR
CABLES
ASM2(R)
LAN4
CN0004
ELECTRIC AL UN IT
<TOP UNI T>
CN4
CN6
IO CONTR OL PCB
CN0704
CN4
ILLUMINATION
UNIT
POWER
ETHERENC
ETHER
ZTA CN5
ZTB CN5
ZTC CN5
ZTA CN6
CN0717
CN0701
CN0713
CN0703
CN13
CN3
CN0615
CN0603
CN6
T3 ORIGIN
SENSOR
CN0741
T2 ORIGIN
SENSOR
CN0740
T1 ORIGIN
SENSOR
CN0739CN0707
CN7
NOZZLE
UP
SENSOR
CN0709
NOZZLE
UP
SENSOR
CN9
CN0708
CN15
Z6 VACUUM SENSOR(6nozzle)
UNUSED(3nozzle)
Z5 VACUUM S ENSOR(6nozzles)
Z3 VACUUM S ENSOR(3nozzles)
Z4 VACUUM S ENSOR(6nozzles)
UNUSED(3noz zles)
Z3 VACUUM S ENSOR(6nozzles)
Z2 VACUUM S ENSOR(3nozzles)
Z2 VACUUM S ENSOR(6nozzles)
UNUSED(3noz zles)
CN0715
Z1 VACUUM S ENSOR(6nozzles)
Z1 VACUUM S ENSOR(3nozzles)
CN8
Z6 VACUUM S .V.(6nozzles)
UNUSED(3noz zles)
Z5 VACUUM S.V.(6nozzles)
Z3 VACUUM S.V.(3nozzles)
Z4 VACUUM
S.V.(6nozzl es)
UNUSED(3noz zles)
Z3 VACUUM S.V.(6nozzles)
Z2 VACUUM S.V.(3nozzles)
Z2 VACUUM S .V.(6nozzles)
UNUSED(3noz zles)
Z1 VACUUM S.V.(6nozzles)
Z1 VACUUM S.V.(3nozzles)
Z6 BLOW S.V .(6nozzles)
UNUSED(3noz zles)
Z5 BLOW S.V.(6noz zle s)
Z3 BLOW S.V.(3noz zle s)
Z4 BLOW S.V .(6nozzles)
UNUSED(3noz zles)
Z3 BLOW S.V.(6noz zle s)
Z2 BLOW S.V.(3noz zle s)
Z2 BLOW .V. (6nozzles)
UNUSED(3noz zles)
CN0710
Z1 BLOW S.V.(6noz zle s)
Z1 BLOW SV(3nozzl es)
CN1
CN0606
CN0607
THERMAL
SENSOR
PCB (R)
NZL UP S.V.
HMS(RR)
CN 06 3 1CN0609
HMS(RL)
CN0630CN0608
CN0613
OCC O
PCB(RR)
OCC A
PCB(RR)
OCC C
PCB(RR)
CN0612
OCC O
PCB(RL)
OCC A
PCB(RL)
OCC(RL)
OCC(RR)
OCC C
PCB(RL)
CN0611A
CN6
CN7
CN9
CN8
CN4
LNC120(R)
CN5
ZTC SERVO
DRIVER(R)
CN5
ZTB SERVO
DRIVER(R)
CN6
CN2
(DOWN)
IP-X11 PCB
CN3
CN5
CN13
CN12
CN10
CN11A
CN10
CN14
CN5
CN17
HEAD RELAY
PCB(R)
HEAD MA IN
PCB(R)
CN1
ENC
CN5
EPV120(R)
ZTA SERVO
DRIVER(R)
CN0302
CN0405
EPV
LNC
EPV-1
LNC-1
CN0410
CN0309
CN0060
CN0614
CN0601
CN0610
XY BEAR
CABLES
ASM2(F)
LAN3
CPU BOARD
CN0005
ELECTRIC A L U NI T
<TOP UNI T >
CN5
CN2
IO CONTROL PCB
CN0704
CN4
ILLUMINATION
UNIT
POWER
ETHERENC
ETHER
ZTA CN5
ZTB CN5
ZTC CN5
ZTA CN6
CN0717
CN0701
CN0713
CN0703
CN13
CN3
CN0615
CN0603
CN6
NOZZLE UP
SENSOR
CN0709
NOZZLE UP
SENSOR
CN9
CN0708
CN15
Z6 VACUUM
SENSOR
Z5 VACUUM
SENSOR
Z4 VACUUM
SENSOR
Z3 VACUUM
SENSOR
Z2 VACUUM
SENSOR
CN0715
Z1 VACUUM
SENSOR
CN8
Z6 VACUUM S.V.
Z5 VACUUM S.V.
Z4 VACUUM S.V.
Z3 VACUUM S.V.
Z2 VACUUM S.V.
Z1 VACUUM S.V .
Z6 BLOW S.V.
Z5 BLOW S.V.
Z4 BLOW S.V.
Z3 BLOW S.V.
Z2 BLOW S.V.
CN0710
Z1 B LOW S.V.
CN1
CN0606
CN0607
THERMAL
SENSOR
PCB (F)
NZL UP S.V.
HMS(FR)
CN0631CN 0609
HMS(FL)
CN0630CN0608
CN0613
OCC O
PCB(FR)
OCC A
PCB(FR)
OCC C
PCB(FR)
CN0612
OCC O
PCB(FL)
OCC A
PCB(FL)
OCC(FL)
OCC(FR)
OCC C
PCB(FL)
CN0611A
CN6
CN7
CN9
CN8
CN4
LNC120(F)
CN5
ZTC SERVO
DRIVER(F)
CN5
ZTB SERVO
DRIVER(F)
CN5
CN2
(UP)
IP-X11 PCB
CN3
CN5
CN13
CN12
CN10
CN11A
CN10
CN14
CN5
CN17
HEAD RELAY
PCB(F)
HEAD MAI N
PCB(F)
CN1
ENC
CN5
EPV120(F)
ZTA SERVO
DRIV ER(F)
1
3
2
2
3
4
56
7 8
9 10 11
12
13 13 13
15
14
20
21
22
23
25
24
24 26 27
28
39
26 27
28
32
30 31
32
33 34
35
383736
19
17 18
16
2
3
2
3
4
42
5
43
6
44
7 8
12
15
14
13 1313
20
21
23
22
24
24 26 27
28
25
26 27
28
32 32
30 31 33 34
35
29
50
16
17
18
19
36
50
37
40 41 45 46
47
49
48 48 48
49 49
29
LNC-3
EPV120 OPTION (F)
FIBER
6nozzles_6R
T3 ORIGIN SENSOR
CN0707
CN7
EPV120 OPTION (R)
51
52
52
51
CN070 7
T3 ORIGIN SENSOR
6nozzles_6R
FIBER

- 134 -
NOTE( 注記 ) #01....FOR EN EN 用
#02....FOR 6 NOZZLE HEAD 6ノズルヘッド用
#03....FOR 3 NOZZLE HEAD 3ノズルヘッド用
#04....FOR 6 NOZZLE HEAD(6R) 6ノズルヘッド(6 R)用
REF.NO NOTE PART NO D E S C R I P T I O N
品 名
Qty
1 401-23242 CPU BOARD
CPU ボード
1
2 HW-0018100-8A SHIELDED CABLE
シールドケーブル
1
3 HK-0849200-80 CONNECTOR
コネクタ
1
4 401-29131 XY BEAR CABLES ASM2
XY ベアケーブル S 組2
1
5 401-33294 IP-X11 SET GEN ASM
IP − X 11汎用機セット組図
1
6 401-28871 IO CONTROL PCB ASM
IO コントロール基板組
1
7 401-27537 PSU_UNIT_B(ST)
PSU _ユニット_ B(ST)
1
8
#01
401-27563 PSU_UNIT_B(EN)
PSU _ユニット_ B(EN)
1
9 401-29099 IPX-F XY BEAR CAMERA CABLE ASM
IPX − F XY ベアカメラケーブル組
1
10 401-29325 IO-F XY BEAR SERIAL CABLE ASM
IO − F XY ベアシリアルケーブル組
1
11 401-29101 EU TOP-F XY BEAR HDM PWR CABLE ASM
EU トップ− F XY ベア HDM パワーケーブル組
1
12 401-28873 HEAD MAIN PCB ASM
ヘッドメイン基板組
1
13 401-29650 4AXIS INTEGRAL TYPE T AXIS DRIVER
4軸一体 T 軸ドライバ
1
14 401-33023 TAMP-HDR ENC CABLE ASM
TAMP − HDR エンコーダケーブル組
1
15 401-33063 TAMP-HDR SERIAL CABLE ASM
TAMP − HDR シリアルケーブル組
1
16 401-28874 HEAD RELAY PCB ASM
ヘッドリレー基板組
1
17 401-29657 EPV120
EPV 120
1
18 401-29658 LNC120
LNC 120
1
19 401-28996 HR-LNC LED WIRE ASM
HR − LNC LED ケーブル組
1
20 401-29104 HDM-HDR SERIAL CABLE ASM
HDM − HDR シリアルケーブル組
1
21 401-29105 HDM-HDR PWR CABLE ASM
HDM − HDR パワーケーブル組
1
22 401-29102 HDM-OCC L CABLE ASM
HDM − OCC L ケーブル組
1
23 401-29103 HDM-OCC R CABLE ASM
HDM − OCC R ケーブル組
1
24 401-29639 OCC
OCC
1
25 401-29273 HDM-OCC LIGHT L CABLE ASM
HDM − OCC ライト L ケーブル組
1
26 401-28879 OCC C PCB ASM
OCC C 基板組
1
27 401-28878 OCC A PCB ASM
OCC A 基板組
1
28 401-28880 OCC O PCB ASM
OCC O 基板組
1
29 401-29274 HDM-OCC LIGHT R CABLE ASM
HDM − OCC ライト R ケーブル組
1
30 401-29106 HDM-HMS L RELAY CABLE ASM
HDM − HMS L 中継ケーブル組
1
31 401-29107 HDM-HMS R RELAY CABLE ASM
HDM − HMS R 中継ケーブル組
1
32 401-29108 HMS CABLE ASM
HMS ケーブル組
1
33 401-29113 NZL-UP SV CABLE ASM
NZL − UP SV ケーブル組
1
34 401-29109 HDM-TMP SENSOR CABLE ASM
HDM − TMP センサケーブル組
1
35 401-28883 THERMAL SENSOR PCB ASM
サーマルセンサ基板組
1
36 401-33000 HDR-SV CABLE ASM
HDR − SV ケーブル組
1
37 401-33001 HDR-Z VAC SENSOR CABLE ASM
HDR − Z バキュームセンサケーブル組
1
38 401-33002 NZL UP SENSOR 6T L CABLE ASM
ノズルアップセンサ(6 TL)ケーブル組
1
39 401-33003 NZL UP SENSOR 6T R CABLE ASM
ノズルアップセンサ(6 TR)ケーブル組
1
40
#02
401-33002 NZL UP SENSOR 6T L CABLE ASM
ノズルアップセンサ(6 TL)ケーブル組
1
41
#03
401-33020 NZL UP SENSOR 3T L CABLE ASM
ノズルアップセンサ(3 TL)ケーブル組
1
42 401-29115 IPX-R XY BEAR CAMERA CABLE ASM
IPX − R XY ベアカメラケーブル組
1
43 401-29326 IO-R XY BEAR SERIAL CABLE ASM
IO − R XY ベアシリアルケーブル組
1
44 401-29117 EU TOP-R XY BEAR HDM PWR CABLE ASM
EU トップ− R XY ベア HDM パワーケーブル組
1
45
#02
401-33003 NZL UP SENSOR 6T R CABLE ASM
ノズルアップセンサ(6 TL)ケーブル組
1
46
#03
401-33021 NZL UP SENSOR 3T R CABLE ASM
ノズルアップセンサ(3 TR)ケーブル組
1
47
#03
401-33004 HDR-T ORG RELAY CABLE ASM
HDR − T 原点ケーブル組
1
48
#02
401-33005 T ORG SENSOR CABLE ASM
T 原点センサケーブル組
1
49
#03
HD-0028500-40 SENSOR
センサ
1
50 401-32730 VACUUM UNIT
バキュームユニット
1
51
#04
401-65940 T3 ORG SENSOR CABLE ASM
T 3原点センサケーブル組
1
52
#04
HD-0028500-40 SENSOR
センサ
1