OM-1351-003_w.pdf - 第74页
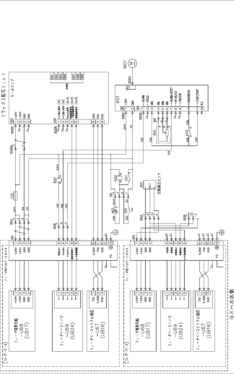
10-1 Tg1356-ID-SO 0609-003(M806WFX--0102) 10. 資料 10.1 電気回路図 フラックス塗布ユニット回路図 10. 資料

9-2
Tg1356-ID-SO
0609-003

10-1
Tg1356-ID-SO
0609-003(M806WFX--0102)
10. 資料
10.1 電気回路図
フラックス塗布ユニット回路図
10. 資料

10-2
Tg1356-ID-SO
0609-003
10.2 ドロワーコネクタ I/O チェック表
10.2 ドロワーコネクタ I/O チェック表
ドロワーコネクタ 1 (Low アドレス側 ) Table 11
ピン No. フラックス転写装置 参考 : テープフィーダ
信号名 内容
1 +24V DC24V 供給電源 ←
2 +24V DC24V 供給電源 ←
3 GND DC24V 供給電源の GND ←
4 GND DC24V 供給電源の GND ←
5 IN: 回転スタート / ストップ ON(L): 回転 OFF(H): 停止
(DC モータドライバと接続)
IN: レーン 1 送り指令
6 IN: アラームリセット ON(L): セット
(DC モータドライバと接続)
IN: レーン 2 送り指令
7 OUT:DC モータドライブア
ラーム
ON(L): 正常 OFF(H): 異常
(DC モータドライバと接続)
OUT: 送り準備完了
8 OUT: 通信準備完了 RS232C 通信可能 ←
9 OUT: 接続確認 :GND 折返し フィーダベーススロットへ
の接続確認
←
10 GND(RS232C) 信号 GND ←
11 TXD(RS232C) 送信ライン
←
12 RXD(RS232C) 受信ライン ←
13 NC 未使用 ←
14 FG(フレームグランド) 筐体接地 ←
ドロワーコネクタ 2 (High アドレス側 ) Table 12
ピン No. フラックス転写装置 参考 : テープフィーダ
信号名 内容
1 +24V DC24V 供給電源 ←
2 +24V DC24V 供給電源 ←
3 GND DC24V 供給電源の GND ←
4 GND DC24V 供給電源の GND ←
5 IN: 予備 予備 IN: レーン 1 送り指令
6 IN: 予備 予備 IN: レーン 2 送り指令
7 OUT: 回転検出 ON(L)/OFF(H) の Duty 比 1:1 OUT: 送り準備完了
8 OUT: 予備 予備 OUT: 通信準備完了
9 OUT: 接続確認 :GND 折返し フィーダベーススロットへ
の接続確認
←
10 GND(RS232C) 信号 GND ←
11 TXD(RS232C) 送信ライン
←
12 RXD(RS232C) 受信ライン ←
13 NC 未使用 ←
14 FG(フレームグランド) 筐体接地 ←