OM-1668-001w_FX-G200.pdf - 第70页
48 OM-1668 10.2 抽屉式连接器 I/O 检查表 抽屉式连接器 1(Low 地址侧 ) 销 No. 助焊剂涂敷单元 参考 : 带式送料器 信号名 内容 1 +24V DC24V供给电源 ← 2 +24V DC24V供给电源 ← 3 GND DC24V供给电源的 GND ← 4 GND DC24V供给电源的 GND ← 5 IN: 旋转开始 / 停止 ON(L): 旋转 OFF(H): 停止 ( 与 DC 马达驱动器连…

47
OM-1668
10. 资 料
1010-001A(M806WFX-2002)
10. 资 料
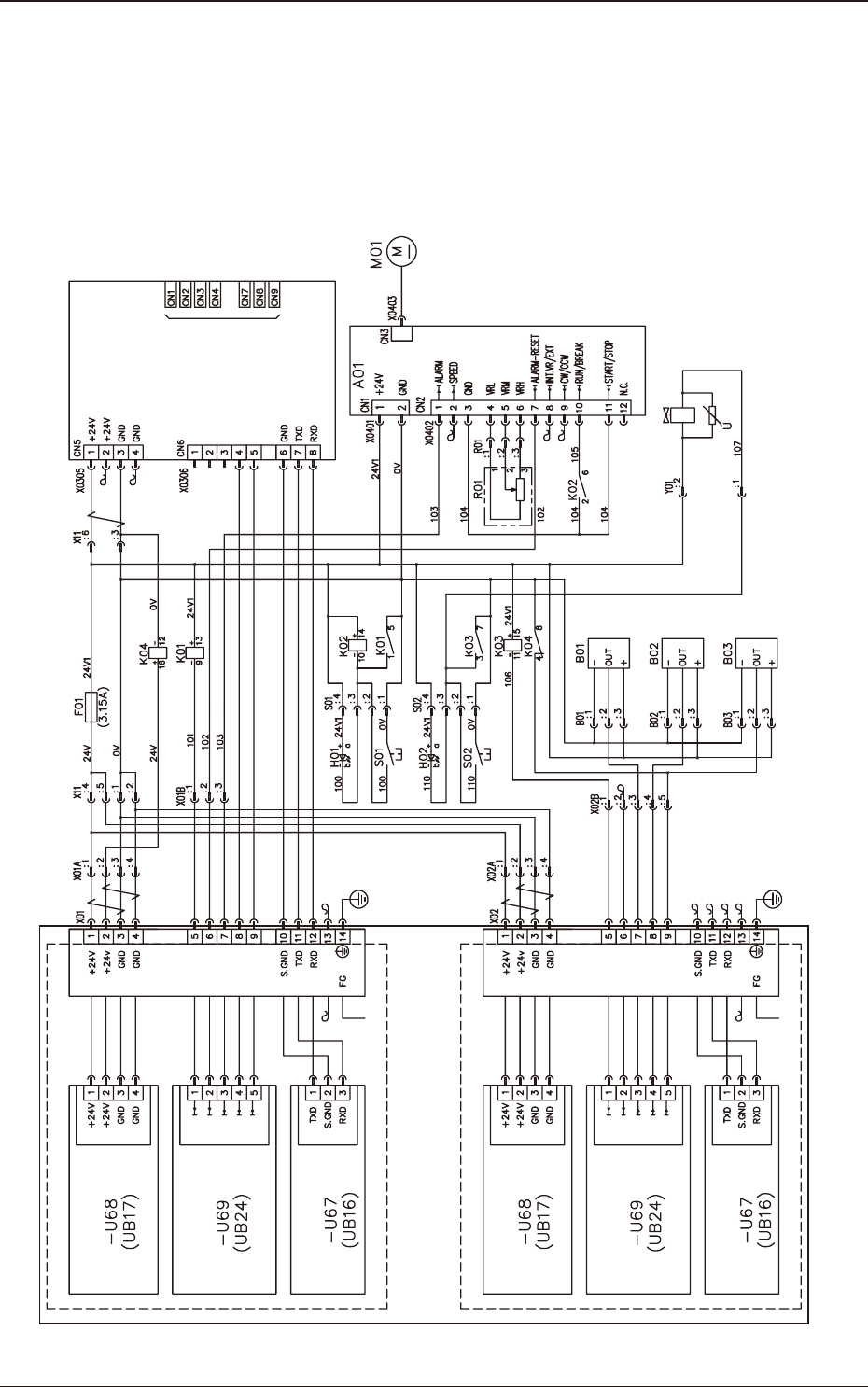
10.1 电路图
助焊剂涂敷单元电路图
Flux Dipping Unit
Servoamplifier
Connection Confirmation Signal [OUT]
Rotaitional Detection Senser
Remainder Detection Senser
Syringe Flux Valve
Not Used
Lane 1 Feed Command [IN]
Lane 2 Feed Command [IN]
Ready Signal [OUT]
Connected Check Signal
(For Communications Confirmation) [OUT]
Drawer Connector for Feeder
(Feeder Base)
Feeder Power
Distribution
Feeder Base I/O
Feeder Base Serial
Communications
Feeder Power
Distribution
Feeder Base I/O
Feeder Base Serial
Communications
(Feeder Base)
Drawer Connector for Feeder
Rotation Start
Alarm Reset
Driver Alarm
Communications
Ready
Feeder Connec-
tion Check
Supply Start
Not Used
Rotation Detection
Remainder Detection
Squeegee Set
Detection
SIGMA-G4/G5 Main Body Side
Squeegee Set Detection

48
OM-1668
10.2 抽屉式连接器 I/O 检查表
抽屉式连接器 1(Low 地址侧 )
销 No. 助焊剂涂敷单元 参考 : 带式送料器
信号名 内容
1 +24V DC24V供给电源 ←
2 +24V DC24V供给电源 ←
3 GND DC24V供给电源的 GND ←
4 GND DC24V供给电源的 GND ←
5 IN: 旋转开始 / 停止 ON(L): 旋转 OFF(H): 停止
( 与 DC 马达驱动器连接 )
IN: 通道 1 传送指令
6 IN: 警报重设 ON(L): 安装
( 与 DC 马达驱动器连接 )
IN: 通道 2 传送指令
7 OUT:DC 马达驱动警报 ON(L): 正常 OFF(H): 异常
( 与 DC 马达驱动器连接 )
OUT: 传送准备完了
8 OUT: 通讯准备完了 RS232C通信可能 ←
9 OUT: 连接确认 确认连接到送料器安装台槽 ←
10 GND(RS232C) 信号 GND ←
11 TXD(RS232C) 送信线 ←
12 RXD(RS232C) 受信线 ←
13 NC 未使用 ←
14 FG( 机架地面 ) 筐体接地 ←
T11
抽屉式连接器 2 (High 地址侧 )
销 No. 助焊剂涂敷单元 参考 : 带式送料器
信号名 内容
1 +24V DC24V供给电源 ←
2 +24V DC24V供给电源 ←
3 GND DC24V供给电源的 GND ←
4 GND DC24V供给电源的 GND ←
5 IN: 供给开始 / 停止 ON(L): 供给 /OFF(H): 停止 IN: 通道 1 传送指令
6 IN: 预备 预备 IN: 通道 2 传送指令
7 OUT: 旋转检出 ON(L)/OFF(H) 的功率比 1:1 OUT: 传送准备完了
8 OUT: 剩余量检出 ON(L)/OFF(H) 的功率比 1:1 OUT: 通讯准备完了
9 OUT: 刮板安装检出 ON(L)/OFF(H) 的功率比 1:1 ←
10 NC 未使用 ←
11 NC 未使用 ←
12 NC 未使用 ←
13 NC 未使用 ←
14 FG( 机架地面 ) 筐体接地 ←
T12
1010-001
10.2 抽屉式连接器 I/O 检查表

49
OM-1668
10.3 助焊剂形成膜厚度和刮板设定值的关系
形成膜厚度和刮板设定值的关系
0
50
100
150
200
250
300
350
02
5
0
08
011
041
1
7
0
002
032
2
6
0
092
023
3
5
0
083
014
4
4
0
074
005
刮板设定值(μm)
刮板设定值
刮板设定值
刮板设定值
刮板设定值
刮板设定值
刮板设定值
刮板设定值
膜厚度(μm)成形
平均值
单位:
µ
m
助焊剂
粘度(9~20Pa・s)
20 30 40 50 60 70 80 90
形成膜厚度
助焊剂
形成膜厚度
助焊剂
形成膜厚度
助焊剂
形成膜厚度
助焊剂
形成膜厚度
助焊剂
形成膜厚度
助焊剂
形成膜厚度
15~20 20~25 25~30 35~40 40~45 50~55 55~60 60~65
粘度(9~20Pa・s)
100 110 120 130 140 150 160 170
70~75 75~80 85~90 90~95 95~100 100~105 110~115 115~120
粘度(9~20Pa・s)
180 190 200 210 220 230 240 250
120~125 125~130 135~140 140~145 145~150 150~155 155~160 165~170
粘度(9~20Pa・s)
260 270 280 290 300 310 320 330
170~175 175~180 180~185 185~190 190~200 195~205 200~210 205~215
粘度(9~20Pa・s)
340 350 360 370 380 390 400 410
215~225 220~230 225~235 230~240 235~245 240~250 245~255 250~260
粘度(9~20Pa・s)
420 430 440 450 460 470 480 490
255~265 260~270 265~275 270~280 275~285 280~290 285~295 290~300
粘度(9~20Pa・s)
500
295~305
F42
1010-001
10.3 助焊剂形成膜厚度和刮板设定值的关系