00196044-05 - sg x und x4i fse_en - 第362页
Twin Head Settings Description of Boards on the Twin Head S tudent Guide (FSE) SI PL ACE X Series and X4I T win Head Edition 01/2009 EN 362 9.4 Settings 9.4.1 Description of Boards on the T win Head All described adjustm…

Twin Head
Preparations for Placement (Module 2 Component) Twin Head Pickup and Place Cycle
Student Guide (FSE) SIPLACE X Series and X4I
Edition 01/2009 EN Twin Head
361
9.3.7.1 Placing the Component (Module 2 Component)
The Z axis moves downwards in standard
mode (2 N contact force).
The Force increase up to the programmed
level after contact of the component on the
PCB.
With this Force signal the End signal is set.
The air blast control is activated too.
At air blast level for placement Z Axis move
upwards with Standard profile.
The next pickup sequence is prepared for
module 1.
* Troubleshooting: If the air blast pressure is not
reached during placement, a vacuum check will be
performed in the Z axis up position, to see whether
the component has been placed or not.

Twin Head
Settings Description of Boards on the Twin Head
Student Guide (FSE) SIPLACE X Series and X4I
Twin Head Edition 01/2009 EN
362
9.4 Settings
9.4.1 Description of Boards on the Twin Head
All described adjustments in this chapter are head specific and apply here to the Twin head.
9.4.1.1 Head Adapter for Twin Head
The head adapter board connects the head interface from the bottom side directly The main boards of
Twin head segment 1 and 2 are connected directly via 2 flat ribbon cables, each. This head adapter must
be changed for head modularity, if you use a C&P head.
9-10: Head adapter Twin head
Legend
1 Connector Z axis Twin head 1 4 Connector Z axis Twin head 2
2 Connector D axis, Twin segment 1 5 DIP Switch (without function)
3 Connector D axis, Twin segment 2 6 LED C167 = ON TQM Module on the head
interface C500 --> OK
PP1 Boot CAN processor, Twin segment 1 PP2 Boot CAN processor, Twin segment 2
PP1 Reset CAN processor, Twin segment 1 PP2 Reset CAN processor, Twin segment 2
NOTE:
The flat ribbon cable sets are different for Twin head segment 1and 2.

Twin Head
Description of Boards on the Twin Head Settings
Student Guide (FSE) SIPLACE X Series and X4I
Edition 01/2009 EN Twin Head
363
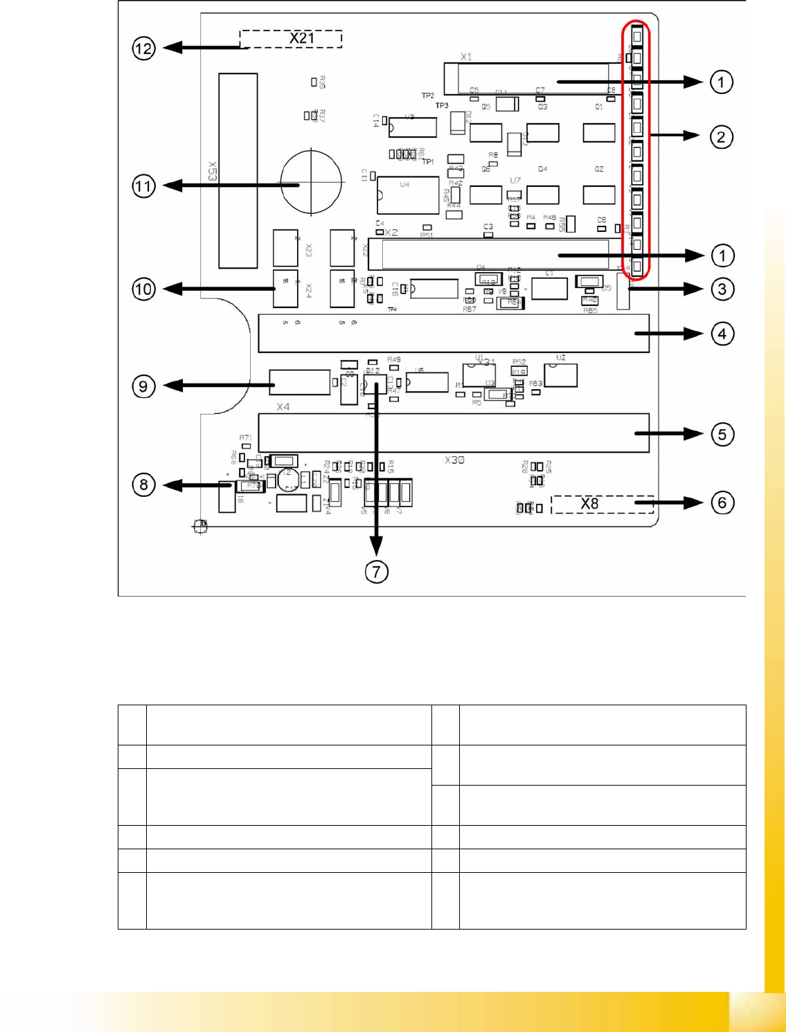
9.4.1.2 P&P Head Main Board
9-11: P&P head main board [00352833-xx]
Legend
The main board is mounted directly on the P&P head. This board is connected to the head adapter via
two flat ribbon cables.
1 2 connectors for the 16 bit CAN Bus processor (not
used for X/D1/D3)
7 EEPROM storage the head specific data ( Head
exchange, Reference run)
2 LEDs (see below) 8 Power supply 15 V for the Track signals D-Axis (at
the moment deactivated via the jumper X54)
3 X54 Jumper currently set to ON with the new force
measurement board set to OFF (see LED V2/
V_SP)
9 X4 Connector track signals Z axis
4 Connectors to the head adapter flat ribbon cable 10 Connector pneumatic valve (return unit)
5 Connectors to the head adapter flat ribbon cable 11 Hole for pneumatic pipe to the vacuum generator
6 X8: Flex-Cable (Signals: Track signals D-Axis,
Power supply Z Axis/D-Axis, Z Temperature and,
SPI Bus)
12 X21 connector for vacuum generator