00196044-05 - sg x und x4i fse_en - 第433页
Component Handling Empty tape duct Pneumatic Tape Cutter S tudent Guide (FSE) SIPL ACE X Series and X4I Edition 01/2009 EN Component Handling 433 10.3.3 Empty tape duct The empty ta pe duct receives emp ty tapes from the…

Component Handling
Pneumatic Tape Cutter Structure and Function of the Pneumatic Tape Cutter
Student Guide (FSE) SIPLACE X Series and X4I
Component Handling Edition 01/2009 EN
432
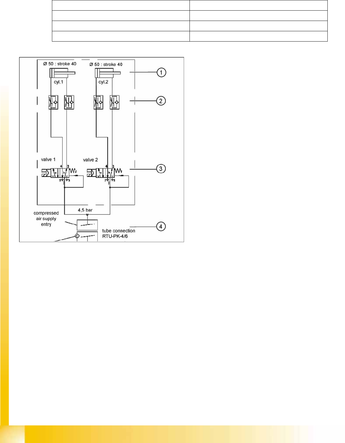
10.3.2.1 Technical Data
Compressed air supply 0.5 MPa = 5.0 bar
Compressed air consumption 135 l/min.
Cycle time 1.5 sec per cut
Supply voltages 5 VDC, 24 VDC
10-32: Pneumatic scheme Tape cutter
Legend
1. Drive cylinder for cutter blade movement
40 mm stroke
2. Adjustable throttle valve on the pneumatic
cylinder
3. 5/2 way magnetic valve
4. 4.5 bar compressed air supply via the SSK
safety relay
Cutter only active if protective covers are
closed

Component Handling
Empty tape duct Pneumatic Tape Cutter
Student Guide (FSE) SIPLACE X Series and X4I
Edition 01/2009 EN Component Handling
433
10.3.3 Empty tape duct
The empty tape duct receives empty tapes from the feeders at the inlet gap (1) and guides these from
the outlet gap (2) to the cutting position of the pneumatic cutter. This is where the tape is cut up and falls
down the waste tape chute, into the component trolley waste tape bin. For tapes with tape pockets
deeper than 17mm you have to remove the metal plate in the middle of the empty tape duct. This is fixed
with one screw on the left and one on the right side.
The empty tape duct is fixed to the pneumatic tape cutter with four screws.
10-33: Empty tape duct with component reject bin
Legend
1 Inlet slot for empty tape 4 Nozzle reject bin
2 Outlet slot for the empty tape above the
pneumatic tape cutter
5 Nozzle station
6 Nozzle changer take up holes
3 Partition plate for tapes < 17 mm (can be
removed for tapes > 15 mm)
7 Component reject bin

Component Handling
Pneumatic Tape Cutter Control Unit on Tape Cutter (CAN Node Module)
Student Guide (FSE) SIPLACE X Series and X4I
Component Handling Edition 01/2009 EN
434
10.3.3.1 Empty Tape Duct Assemblies
The empty tape duct acts as a base for further modules:
The removable component reject bin
Nozzle changer
Nozzle stripping unit with reject unit for C&P20A head.
10.3.4 Control Unit on Tape Cutter (CAN Node Module)
See also:
J
4.3.11 Tape Cutter and Nozzle Changer - Communication [
J
127]