SM482_TRM(Ver6.9_CS17.04) - 第119页
Page HANWHA TECHWIN 11 5 SM482(L)

Page
HANWHA TECHWIN
114
SM482(L)
Electric Control Part

Page
HANWHA TECHWIN
115
SM482(L)

Page
HANWHA TECHWIN
116
SM482(L)
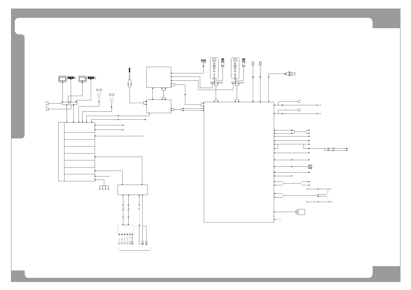
SM482(L) Harness Wiring Diagram(1/4)
3C
8C
1D
9D
TOWER LAMP
FLY CAM1~6
SM421_VIS011
G
LOCK
R
S
T
M
E
E
CHANGE
F/FEEDER
RESET
0N
STOP
START
READY
E
O
P
C
N
Y
RESET
F/FEEDER
CHANGE
STOP
START
READY
P
O
T
S
Y
N
C
E
E
E
M
R
G
<FRONT-OP> <REAR-OP>
LOCK
0N
INDUSTRIAL PC
COM1USBMON LAN1
PC-232
SBC
<FRONT>
<REAR>
PCIE ADAPTER #1
PCIE X1
AXIO B/D #1-CN1
MON분배기
SM411_KV003-1
SM471_KV003-3
USB HUB
SM471-PC005
SM471-PC006
SAMC-ME #1
PC RACK 12V
SM471_PC003
SM471_KV003-2
SAFETY CONTROL B/D
CN30
CN3
F-OP
CN31
CN3
R-OP
[SC]
CN34
T-BOX
SM48-CV034
FRONT
CN36
T-BOX
REAR
SM411-CV023-5
(SM33_CV023-5)
SM48_FD101-1
P1 P2
COM1
COM2
COM3
COM4
COM5
CN9
PWR
SM48_VIS012-1(SM482_VIS004 NONE_ME)
SM400 VISION IF B/D
CN1
FID.CAM
SM400 CAMERA IO B/D#1
[FID1]
SM41_VIS007
SM471_VIS010
#FL-4
#FL-7
FL-5.6
SM482_VIS009
IT MASTER
12V
SM471_VIS000
SM41_VIS005
SM41_VIS006
HEAD1
CN11
SM48_SC201
CN1
CN2
입력
입력
CN10
CN11
CN20
CN21
CN22
CN23
CN27
CN25
CN6
SCANNER
CN5
CONV I/F B/D
[CV]
CN33
CN26
SM48_CV132
[SUB]
CONV.SUB I/F B/D
CN32
CN27
CN28
SM33_CV003
CN6
CN1
CN18
CN3
SM421_CV113
CN17
CN2
START,FFD,RFD
CN7
SM48_PW120
PS#1
PS#2
CN4
CN2
SM421_OP103
START,STOP,RESET,FFD
CN5
SM421_OP104
START,STOP,RESET,FFD
CN2
SM33_OP005
SM33_OP005
CN7
CN13
SM48_CV004
CN8
SM48_CV026
M
1
2
OUT
AIR SENSOR
SM471_PW068
SM48_SC001
CN3
CN1
CN4
CN1
CN6
CN13
EM,READY,DOOR,FSO
[VIS]
CN24
RY11-14/13
111234 5
RY1-6
RY1-4
SM48-PW032
(+24V)
(+24V)
RY2-6
RY2-4
SM48-PW033
(+24V)
(+24V)
CN18
MC1
+A1
-21
-A2
-22
CN19
SM41_SC006
SM48_VIS002
SM48_CV026-1
J1R-3
J1R-4
SM411-CV023-4
(SM33_CV023-4)
SM471_OP001
SM471_OP001
SM471_PC003-1
SM48_PW120
T1L(3.4)
T1L(1.2)
SM471_PW067
PWR
PWR
CN35
SM48_SC201
J1R-2
SM48_CV035
SM48_SC002
SM41_IT003
SM48-SC105
SM48-SC105-1
SAFEGUARD OVERRIDE KEY
SM33_SC008
SM33_SC009
SM41_SC011
R DRIVER-PW
SM41_SC006
21/22
JUMPER
SM48_VM111 SM41_VM111-1
REAR PANEL LAN PORT
RFD-CN4
CV-CN4
SM48_CV101
SM48_PW044
FFD-CN4
SM48-FD101
AX-CN1
SM41_AX001
SM471_IT005
PWR
PS#2
SM471_IT004
CAN
CAN_CH1_L
CAN_CH2_R
CAN_CH3_L
CAN_CH4_R
6
COM6
2
FIX.CAM
BS1 DRV CN1
SM41_SC012
CN12
BS2 DRV CN1
COM5
COM6
TF1
TF2
SM421_OP104
CN14
SM421_VM101-2
CN15
AXIO#1-CN2
SM48_SC007
CN28
HD-PW-EXT
FL-#18
HEAD IF CN1
FL-#1
X_SEN.
FIX_ILL-CN1
SM48_SC008
CN29
J1R-1
SM482_AX006
R-SC-CN12/32
SM48_VM101
SM48_VM102
SC-CN15-EXT [R]
SC-CN14-EXT [R]
TF-CH1
TF-CH2
PMC1-EXT
PMC2-EXT
COM5
COM6
SM48_VM101
SM48_VM102
SM421_VM101-1
SM421_VM102-1
CN6CN8 CN10 CN7
SM471_VIS003-1
FFD-PW
Serial1
Serial2
<FRONT>
BARCODE READER
<REAR>
SM471_IT001
SM411_IT002
(COM3)
(COM4)
SM471_PW020
SM471_PW022
STEP/HEAD DRIVER FAN