SM482_TRM(Ver6.9_CS17.04) - 第173页
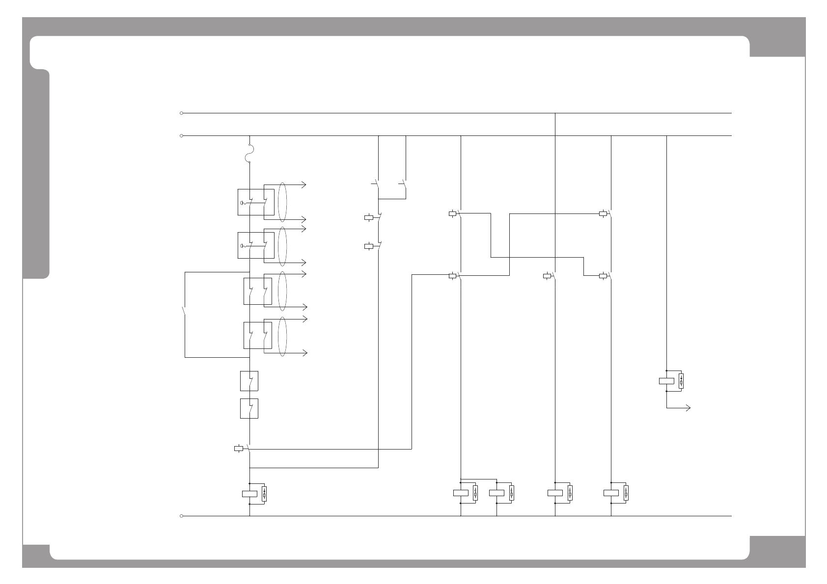
Page HANWHA TECHWIN 169 SM482(L) Power Block Diagram(2/8) 22 12 -EM S/W1 21 11 (CONV .CN17-3) EM1 -EM S/W2 22 12 21 11 EM2 (CONV .CN18-3) (FRONT) (REAR) 21 22 11 12 21 11 22 12 -DOOR S/W1 (FRONT) -DOOR S/W2 (REAR) DOOR1 …

Page
HANWHA TECHWIN
168
SM482(L)
Power Block Diagram(1/8)
Z2-AXIS
DRIVER
3~
M
22
12
21
11
22
12
21
11
VU
tr
WE
L3L1 L2
GRAPHIC SYMBOL
-EMS/W
-MC
-RY
COIL PART
SWITCHING PART
RELAY
SWITCHING PART
MAGNETIC CONTACT
MAGNET CONTACT
RELAY
COIL PART
SWITCH LAMP
3Ø MOTOR
-M
LED TYPE
SWITCH
DOOR INTERLOCK
SWITCH
-DS/W
-LAMP
-NF
ITEM
-MCCB
SYMBOL
-CP
-SC
S Y M B O L L I S T
GRAPHIC SYMBOL
NOISE FILTER
POWER CONSENT
CIRCUIT BREAKER
CIRCUIT PROTECTOR
EMERGENCY
COOLING FAN
SPARK KILLER (1PH)
-FAN
-SK
(USE FOR AC)
TERMINAL BLOCK
SPARK KILLER (3PH)
-ZM
-TB
GRAPHIC SYMBOL
DESCRIPTION
DESCRIPTION
SYMBOL
ITEM
DESCRIPTION
-FUSE
-SD
FUSE
SERVO DRIVER
CONTACT
(THERMAL)
FRAME EARTH
PE
(GENERAL)
CONTACT
(CIRCUIT BREAKER)
(CIRCUIT PROTECTOR)
CONTACT
SYMBOL
ITEM
DESCRIPTION GRAPHIC SYMBOL
SYMBOL
ITEM
312
456
(a)
(a)
(a)
(b)
(b)
(b)

Page
HANWHA TECHWIN
169
SM482(L)
Power Block Diagram(2/8)
22
12
-EM S/W1
21
11
(CONV.CN17-3)
EM1
-EM S/W2
22
12
21
11
EM2
(CONV.CN18-3)
(FRONT)
(REAR)
21
22
11
12
21
11
22
12
-DOOR S/W1
(FRONT)
-DOOR S/W2
(REAR)
DOOR1
(CONV.CN17-4)
DOOR2
24G
(CONV.CN17-5)
(CONV.CN18-4)
24G
(CONV.CN18-5)
24G
(CONV.CN17-6)
24G
(CONV.CN18-6)
READY OUT
REM1
FD1
RD1
TF3
K1
TF2
-EM SPARE1
-EM SPARE2
TF1
-SAFEGUARD
OVERRIDE KEY
K1
DIP SW-1
DIP SW-4
DIP SW-3
DIP SW-2
E E
24G
+24V
-FUSE1
-K1
-K1
-MC1
-MC2
-MC1
-READY S/W
-K1
-K3
(FRONT)
(REAR)
-MC2 -K2
-K1
-K3
-K3
(250V,0.5A)
11
7
K3
9
5
K2
12
8
MCEN1
10
6
MCA1
-K4
-K2
NO1A
9
5
NO1B
D24V(STEPPING & FEEDER POWER)
K1
MC2
MC1
CN19-1
CN19-2
CN18-2
CN18-1
CN3-3
CN3-4
CN4-3
CN4-4
13
14
5
9
-A2
+A1
-A2
+A1
13
14
13
14
13
14

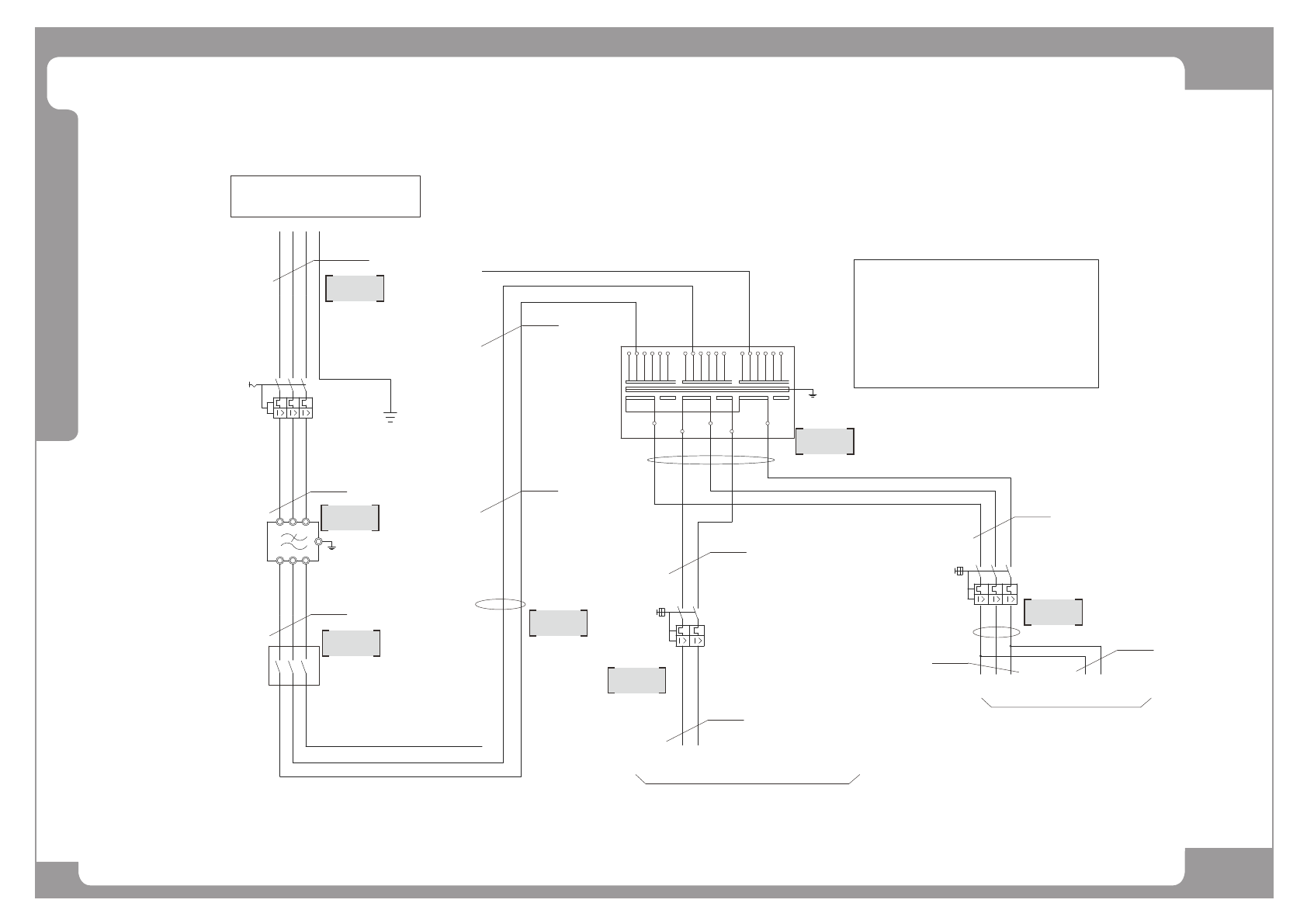
Page
HANWHA TECHWIN
170
SM482(L)
Power Block Diagram(3/8)
2
2
PE01
2
2
PE02
2
2
2
2
2
2
240
(SM33_PW005)
(SM411_PW004)
2.5 mm
2.5 mm
-MAIN S/W
(600VAC,20A)
L32
L33
L31
-NF1
(3Ø, 20A)
L22
L21
L23
2P-C16
-CP1
(SM411_PW003-2)
(SM33_PW001)
2.5 mm
FACTORY MAIN POWER
- 200/ 208/ 220/ 240/ 380/ 415VAC FLA13A
- 3Ø ~50/60Hz SCR 100KA(220VAC)
4.0 mm
-MCCB1
(3Ø, 20A)
L13
L12
L11
T
SR
-EARTH PLATE
FRAME GROUND
-TRANS
220V
208200 220
L31
PE
to TB1-1A,TB1-6A
1L1
1L2
22S
22R
(SM48_PW008)
22T
3P-C16
-CP2
TF2L1
TF2L2
TF2L3
220V 220V
0V 220V
200220415380 200 208 380240 415
L32
415208 220 380240
L33
2.5 mm
X,Y1,Y2,SW,WD AXIS(SERVO)
to MC1
6.SECONDARY #1 : 1Ø 220(1.5KVA)
SECONDARY #2 : 3Ø 220(2.0KVA)
2.FREQUENCY : 50/60Hz
1.CAPACITY : 3.5KVA
3.PHASE : 3Ø
4. CONNECTION: Y-Y
<TRANS SPECIFICATION>
5.PRIMARY : 3Ø 200/208/220/240/380/415V, 3.5KVA
(23860)
(23880)
to TB1-13A,TB1-15A
22R 22T
CONTROL RACK(PC+VME)
MONITOR1,2
2.5 mm
TF1L1
TF1L2
2.5 mm
(SM421_PW106)
2.5 mm
2.5 mm
2.5 mm
DC POWER #1,#2(24VDC)
AC FAN
(SM48_PW007)
246
135
1
456
23
2
1
264
135
4
3
24
13
6
5
1
2
3
4
5
6
7