SM482_TRM(Ver6.9_CS17.04) - 第27页
Page HANWHA TECHWIN 23 SM482(L) Feeder Base Ass’y - DC (3/4) NO. P ART NO. P ART NAME Q'TY Old No. Supply Supply L T Reference 1 J91741071A F EEDER_INPUT_EXT _BOARD VER 1.1 1 Ve r s i o n 1 . 1 2 AM03-000819 C ASSY …

Page
HANWHA TECHWIN
22
SM482(L)
Feeder Base Ass’y - DC (3/4)
3
4
CAN FEEDER EXTENSION B
OARD
CAN CONVEYO
R BOARD
5
6
2
1

Page
HANWHA TECHWIN
23
SM482(L)
Feeder Base Ass’y - DC (3/4)
NO. PART NO. PART NAME Q'TY Old No. Supply Supply LT Reference
1 J91741071A FEEDER_INPUT_EXT_BOARD VER 1.1 1 Version 1.1
2 AM03-000819C ASSY,BOARD-FEEDER IO BOARD ASSY 1 AM03-000819A / AM03-000819B Version 1.6
AM03-015857B ASSY,BOARD-FEEDER IO VER 2.0 1 AM03-015857A Version 2.0
3 FC09-000977A BRACKET-FRONT SENSOR BKT2;SPCC 1 J70540267B
4 FC09-000976A BRACKET-FRONT SENSOR BKT1;SPCC 1 J70540266B/ J70540266C
5 FC29-900144 DRAWER PULL [HD-108] 2
6 FC15-001297A COVER-COVER LFM DC SM481 1

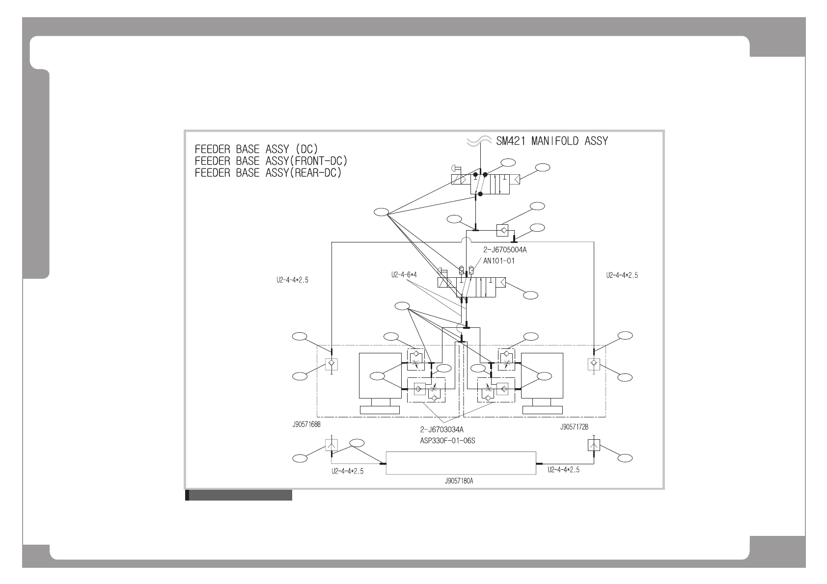
Page
HANWHA TECHWIN
24
SM482(L)
Feeder Base Ass’y - DC (4/4)
Reference to Air Ass'y
ڡۀۀڿۀۍٻڝڼێۀٻڃڟڞڄ
1
1
2
3
3
6
6
2
2
4
5 5
4
10
11
12
7
10
9
8
12