KE-2070-2080-2080R 操作手册2 Rev00.pdf - 第19页
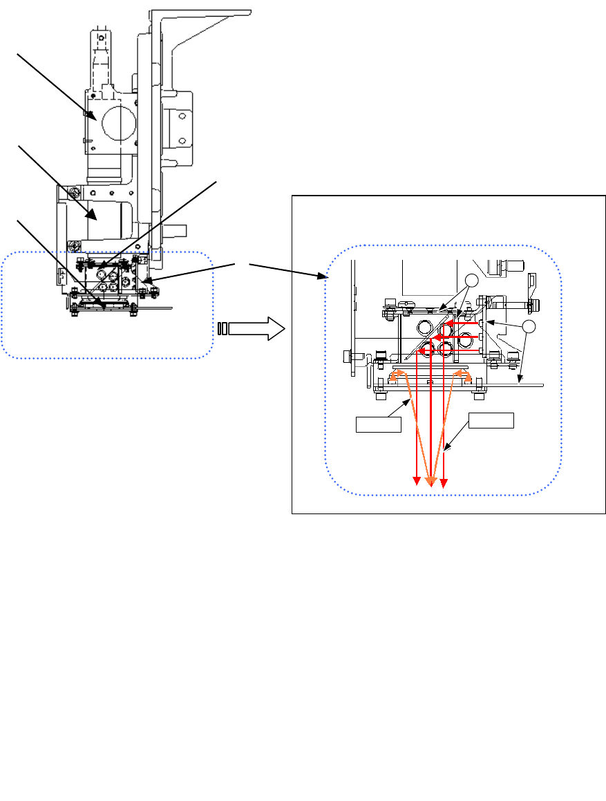
第 1 章 设备概要 Rev02 1-9 1-4-1-4 OCC的构成 摄像机检测出基板标记的位置,并自动进行校正。 标准配备有同轴反射照明与偏光滤镜。 图 1-6 OCC 单元的各部分名称 ② ① ④ ⑤ ① CCD 摄像机 ② OCC 镜头 ③ OCC 照明单元 ④ 偏光滤镜 ⑤ 照明 LED 基板 垂直照明 角度照明 4 5 ③

第 1 章 设备概要 Rev02
1-8
1-4-1-3 吸嘴
1) 吸嘴的形状
请按照贴装元件形状及尺寸,从No.500、501、502、503、504、505、506、507、508、
509中选择吸嘴。
表 1-1 吸嘴
No. 500 501 502 503 504 505 506 507 508 509
外
观
外
径
1.0x0.5mm 0.7x0.4mm φ0.7mm φ1.0mm φ1.5mm φ3.5mm φ5.0mm φ8.5mm φ9.5mm 0.4×0.2mm
内
径
2xφ0.4mm φ0.25mm φ0.4mm φ0.6mm φ1.0mm φ1.7mm φ3.2mm φ5.0mm φ8.0mm φ0.1mm
2) 吸嘴的选择方法
可通过“ATC吸嘴分配”自动识别吸嘴。手动输入要准确选择,防止吸取不良、贴片精度不
良。
主要用途元件的吸嘴序号见表1-2,为提高精确性,请根据贴片元件吸取面的最小尺寸选择
吸嘴编号。
表 1-2 吸嘴 No.和最小宽度对照表
吸嘴 No. 最小宽度 主要适用元件
500
501
502
503
504
505
506
507
508
509
0.45~1.45
~0.45
0.45~0.75
0.75~1.45
1.1~2.5
2.5~4
4~7
7~10
10~
0.2
1005,1608,SOT(模部 1.6×0.8),2012<注>
0603
1005
1608、SOT(模部 1.6×0.8),2012
SOT(模部 2.0×1.25)
2012、3216、SOT(模部 2.0×1.25)SOT23,
铝电解电容(小) 钽电容,微调电容
铝电解电容(中) SOP(窄幅),SOJ,连接器
铝电解电容(大) SOP(宽幅),TSOP,QFP,
PLCC, SOJ, 连接器
QFP,PLCC
0402 专用
注:因 2012R 的吸取面形状(厂商及阻抗值不同等),有时θ会有偏差。
需要进行 2012 元件的高密度贴片(邻接 0.3mm 以下)时,请使用 504 吸嘴。

第 1 章 设备概要 Rev02
1-9
1-4-1-4 OCC的构成
摄像机检测出基板标记的位置,并自动进行校正。
标准配备有同轴反射照明与偏光滤镜。
图 1-6 OCC 单元的各部分名称
②
①
④
⑤
① CCD 摄像机
② OCC 镜头
③ OCC 照明单元
④ 偏光滤镜
⑤ 照明 LED 基板
垂直照明
角度照明
4
5
③

第 1 章 设备概要 Rev02
1-10
1-4-1-5 VCS的构造
综合反射/透射照明、立体可动照明、同轴反射照明,进行元件识别及QFP,BGA,CSP,连接器
等的贴片。
图 1-7 VCS 单元各部分的名称
① LED基板(上层透射照明)
② LED基板(下层透射照明)
③ LED基板(侧面照明)
④ LED基板(同轴照明)
⑤ VCS摄像机(标准:54mm)
⑥ VCS高分辨率摄像机(选购件:27mm)
⑦ 汽缸(仅在选项时增加)
①
⑥
⑤
④
⑦
③
②