FX-3R-Rev05 - 第168页
- 16 1 - 81. SYSTEM DIAGRAM (OPERATION/CPU/MONITOR) SYST EM DIA GRAM(O PERATI ON / CPU / MONI TOR) XY - 7 C N 5 8-2A POWER UNIT(L ) C N030 10-1 A M O USE/KEY BOARD SELE CTOR EX 9-4 B P WRL030 O PEF13 CH G-E X O P EF21 OP…

- 160 -
NOTE( 注記 ) #01....TYPE XL XL 仕様
#02....FOR EN EN 用
#03....TYPE XL(EN) XL 仕様(EN)
REF.NO NOTE PART NO D E S C R I P T I O N
品 名
Qty
1 400-47559 BASE-CARRY PCB ASM
BASE−CARRY基板組
3
2 400-98950 POWER_SUPPLY_ASSY_R(ST)
電源供給組(右)ST
4
3
#02
400-93150 POWER SUPPLY ASSY R(EN)
電源供給組(右)EN
4
4 401-49647 ETHER-MAIN PCB ASM
イーサメイン基板組
1
5 400-47557 ETHER-SLAVE PCB ASM
ETHER−SLAVE基板組
1
6 400-98974 POWER_SUPPLY_ASSY_L(ST)
電源供給組(左)ST
2
7
#02
400-93149 POWER SUPPLY ASSY L(EN)
電源供給組(左)EN
2
8 HM-0013200-00 MOTOR DRIVER
モータドライバ
5
9 HX-0042000-00 5 PHASE STEP DRIVER
5相ステッピングモータドライバ
4
10
#02
HX-0068900-00 5 PHASE STEP DRIVER
5相ステッピングモータドライバ
4
11 400-47845 SMEMA IN CABLE ASM
スメマINケーブル組
1
12 400-47846 SMEMA OUT CABLE ASM
スメマOUTケーブル組
1
13 400-91463 ETHER CABLE MAIN-BC ASM
イーサケーブル MAIN−BASECARRY組
1
14 400-89924 BASE-CARRY PWR CABLE ASM
BASE−CARRY電源ケーブル組
1
15 400-89944 MT1-2 PULSE CABLE ASM
モータ1−2パルスケーブル組
1
16 400-47825 MT3-5 PULSE CABLE ASM
モータ3−5パルスケーブル組
1
17 400-47826 MT6-8 PULSE CABLE ASM
モータ6−8パルスケーブル組
1
18 400-47847 SV-L CABLE ASM
ソレノイドバルブLケーブル組
1
19 400-47848 SV-R CABLE ASM
ソレノイドバルブRケーブル組
1
20 400-89902 IN/OUT MOTOR PWR CABLE (L) ASM
IN/OUTモータ電源ケーブル(L)組
1
21 400-48074 CENTER MOTOR ASM
センタモータ組
4
22
#01
400-48075 JOINT MOTOR ASM
ジョイントモータ組
4
23 400-48075 JOINT MOTOR ASM
ジョイントモータ組
1
24 400-47807 IN-MOTOR CABLE ASM
INモータリレーケーブル組
1
25
#01
400-89913 IN-MOTOR CABLE ASM
INモータリレーケーブル組
1
26 400-89905 CENTER MOTOR PWR CABLE (L) ASM
CENTERモータ電源ケーブル(L)組
1
27 400-47805 CENT-MOTOR(L) CABLE ASM
CENTモータ(L)リレーケーブル組
1
28
#01
400-89911 CENT-MOTOR(L) CABLE ASM
CENTモータ(L)リレーケーブル組
1
29 400-89904 JOINT MOTOR PWR CABLE ASM
JOINTモータ電源ケーブル組
1
30 400-47808 JOINT-MOTOR CABLE ASM
JOINTモータリレーケーブル組
1
31
#01
400-89914 JOINT-MOTOR CABLE ASM
JOINTモータリレーケーブル組
1
32 400-89906 CENTER MOTOR PWR CABLE (R) ASM
CENTERモータ電源ケーブル(R)組
1
33 400-47806 CENT-MOTOR(R) CABLE ASM
CENTモータ(R)リレーケーブル組
1
34
#01
400-89912 CENT-MOTOR(R) CABLE ASM
CENTモータ(R)リレーケーブル組
1
35 400-89903 IN/OUT MOTOR PWR CABLE (R) ASM
IN/OUTモータ電源ケーブル(R)組
1
36 400-47809 OUT-MOTOR CABLE ASM
OUTモータリレーケーブル組
1
37
#01
400-89915 OUT-MOTOR CABLE ASM
OUTモータリレーケーブル組
1
38 400-47849 SV WIRE ASM
ソレノイドバルブワイヤー組
2
39
#02
400-48260 SV WIRE ASM(EN)
SVワイヤー組 (EN)
2
40 400-47843 AWC-L ENC CABLE ASM
AWC−Lエンコーダケーブル組
1
41
#01
400-89844 AWC-L ENC CABLE ASM XL
AWC−L エンコーダケーブル組 XL
1
42 400-47841 BU-L ENC CABLE ASM
BU−Lエンコーダケーブル組
1
43
#01
400-89920 BU-L ENC CABLE ASM
BU−Lエンコーダケーブル組
1
44 400-47904 SBL1 CABLE ASM
センサブロックL1束線組
1
45 400-89945 MT9-10 PULSE CABLE ASM
モータ9−10パルスケーブル組
1
46
#02
400-89950 MT9-10 PULSE CABLE ASM(EN)
モータ9−10パルスケーブル組(EN)
1
47 400-47902 SBL CABLE ASM
センサブロックL束線組
1
48
#01
400-89925 SBL CABLE ASM
センサブロックL束線組
1
49 400-48077 AWC MOTOR ASM
幅調モータ組
2
50 400-47833 AWC-L MOTOR CABLE ASM
幅調モータL中継ケーブル組
1
51
#02
400-47837 AWC-L MOTOR CABLE ASM(EN)
AWCモータL中継ケーブル組(EN)
1
52
#01
400-89842 AWC-L MOTOR CABLE ASM XL
AWC−L モータケーブル組 XL
1
53
#03
400-89953 AWC-L MOTOR CABLE ASM(EN) XL
AWCモータL中継ケーブル組(EN)XL
1
54 400-47831 BU-L MOTOR CABLE ASM
バックアップモータL中継ケーブル組
1
55
#02
400-47835 BU-L MOTOR CABLE ASM(EN)
BUモータL中継ケーブル組(EN)
1
56
#01
400-89916 BU-L MOTOR CABLE ASM
バックアップモータL中継ケーブル組
1
57
#03
400-89951 BU-L MOTOR CABLE ASM(EN)
BUモータL中継ケーブル組(EN)
1
58 E9432-729-0A0 BU MOTOR ASM.
BUモータ組
2
59 E9433-729-0A0 BU ENC ASM.
BU ENC組
2
60 400-47844 AWC-R ENC CABLE ASM
AWC−Rエンコーダケーブル組
1
61
#01
400-89845 AWC-R ENC CABLE ASM XL
AWC−R エンコーダケーブル組 XL
1
62 400-91848 MT11-12 PULSE CABLE ASM
モータ11−12パルスケーブル組
1
63
#02
400-93167 MT11-12 PULSE CABLE ASM(EN)
モータ11−12パルスケーブル組(EN)
1
64 400-47842 BU-R ENC CABLE ASM
BU−Rエンコーダケーブル組
1
65
#01
400-89921 BU-R ENC CABLE ASM
BU−Rエンコーダケーブル組
1
66 400-47834 AWC-R MOTOR CABLE ASM
幅調モータR中継ケーブル組
1
67
#02
400-47838 AWC-R MOTOR CABLE ASM(EN)
AWCモータR中継ケーブル組(EN)
1
68
#01
400-89843 AWC-R MOTOR CABLE ASM XL
AWC−R モータケーブル組 XL
1
69
#03
400-89954 AWC-R MOTOR CABLE ASM(EN) XL
AWCモータR中継ケーブル組(EN)XL
1
70 400-47832 BU-R MOTOR CABLE ASM
バックアップモータR中継ケーブル組
1
71
#02
400-47836 BU-R MOTOR CABLE ASM(EN)
BUモータR中継ケーブル組(EN)
1
72
#01
400-89917 BU-R MOTOR CABLE ASM
バックアップモータR中継ケーブル組
1
73
#03
400-89952 BU-R MOTOR CABLE ASM(EN)
BUモータR中継ケーブル組(EN)
1
74 400-47910 IN SENS CABLE ASM
インセンサ束線組
1
75 400-89929 BU PIN-L SENSOR CABLE ASM XL
BU PIN−Lセンサ投光束線組 XL
1
76 400-47912 WAIT-L SENSOR CABLE ASM
WAIT−Lセンサ束線組
1
77 400-47913 STOP-L SENSOR CABLE ASM
STOP−Lセンサ束線組
1
78 400-47914 COUT-L SENSOR CABLE ASM
COUT−Lセンサ束線組
1
79 400-02208 IN_SENSOR_ASM
インセンサ組
1
80
#01
L829E-121-0A0 SUPPORT PIN EMITTER SENSOR ASM
サポートピン投光センサ組
2
81 402-19320 WAIT-L SENSOR ASM
WAIT−Lセンサ組
1
82
#01
401-87863 WAIT-L SENSOR ASM
WAIT−Lセンサ組
1
83 402-19322 STOP-L SENSOR ASM
STOP−Lセンサ組
1
84
#01
401-87865 STOP-L SENSOR ASM
STOP−Lセンサ組
1
85 402-19321 COUT-L SENSOR ASM
COUT−Lセンサ組
1
86
#01
401-87864 COUT-L SENSOR ASM
COUT−Lセンサ組
1
87 400-47906 SBL2 RELAY CABLE ASM
センサブロックL2中継束線組
1
88 400-47908 SBL2 CABLE ASM
センサブロックL2束線組
1
89 400-47915 BU ORG-L SENSOR CABLE ASM
BU ORG−Lセンサ束線組
1
90 400-47916 BU LK-L SENSOR CABLE ASM
BU LK−Lセンサ束線組
1
91 400-47917 TPN-L SENSOR CABLE ASM
TPIN−Lセンサ束線組
1
92 400-47918 AWC-L SENSOR CABLE ASM
AWC ORG−Lセンサ束線組
1
93 400-02124 BU ORG SENSOR ASM
バックアップテーブル原点センサ組
2
94
#02
400-02241 BU LOCK SENSOR ASM
BUロックセンサ組
2
95 400-02122 T.PIN SENSOR ASM
ティーピンセンサ組
2
96 400-02120 AWC ORG SENSOR ASM
自動幅調原点センサ組
2
97 400-47905 SBR1 CABLE ASM
センサブロックR1束線組
1
98 400-47903 SBR CABLE ASM
センサブロックR束線組
1
99
#01
400-89926 SBR CABLE ASM
センサブロックR束線組
1
100 400-47920 OUT SENSOR CABLE ASM
OUTセンサ束線組
1
101 400-89931 BU PIN-R SENSOR CABLE ASM XL
BU PIN−Rセンサ投光束線組 XL
1
102 400-47922 WAIT-R SENSOR CABLE ASM
WAIT−Rセンサ束線組
1
103 400-47923 STOP-R SENSOR CABLE ASM
STOP−Rセンサ束線組
1
104 400-47924 COUT-R SENSOR CABLE ASM
COUT−Rセンサ束線組
1
105 400-47909 SBR2 CABLE ASM
センサブロックR2束線組
1
106 400-47925 BU ORG-R SENSOR CABLE ASM
BU ORG−Rセンサ束線組
1
107 400-47926 BU LK-R SENSOR CABLE ASM
BU LK−Rセンサ束線組
1
108 400-47927 TPN-R SENSOR CABLE ASM
TPIN−Rセンサ束線組
1
109 400-47928 AWC-R SENSOR CABLE ASM
AWC ORG−Rセンサ束線組
1
110 400-02210 OUT SENSOR ASM
アウトセンサ組
1
111 402-19323 WAIT-R SENSOR ASM
WAIT−Rセンサ組
1
112
#01
401-87866 WAIT-R SENSOR ASM
WAIT−Rセンサ組
1
113 402-19325 STOP-R SENSOR ASM
STOP−Rセンサ組
1
114
#01
401-87868 STOP-R SENSOR ASM
STOP−Rセンサ組
1
115 402-19324 COUT-R SENSOR ASM
COUT−Rセンサ組
1
116
#01
401-87867 COUT-R SENSOR ASM
COUT−Rセンサ組
1
117 400-47907 SBR2 RELAY CABLE ASM
センサブロックR2中継束線組
1

- 161 -
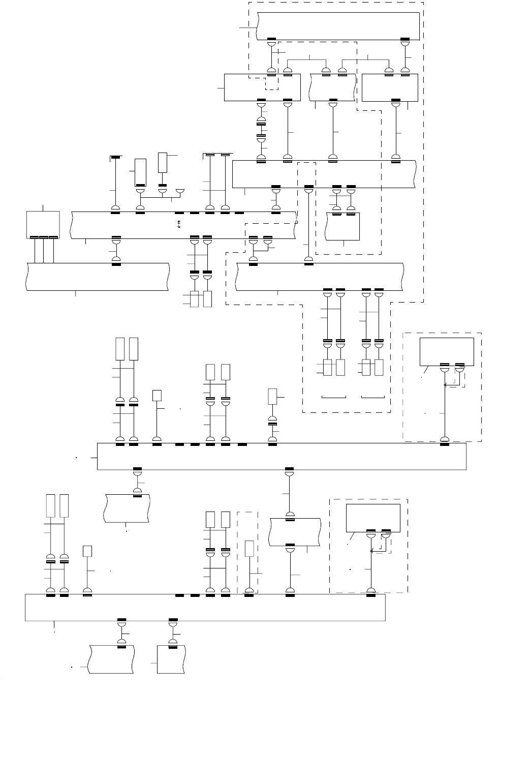
81.SYSTEM DIAGRAM (OPERATION/CPU/MONITOR)
SYSTEM DIAGRAM(OPERATION / CPU / MONITOR)
XY-7
CN5
8-2A
POWER UNIT(L)
CN030
10-1A
MOUSE/KEYBOARD
SELECTOR
EX
9-4B
PWRL030
OPEF13
CHG-E X
OPEF21
OPERATION
PCB(F)
CN13
CN21
CN7
CN2
CN12
OPEF-7
OPEF-12
OPEF-2
CN22
CN19
CN8
CN1
CN15
OP CN8
OP CN1
CN718
OPEF-14
CN14
CN24
HOD OPTION
(EN ONLY)
CN8
HOD BOX
XY-7
3-4D
XY-RELAY PCB
CN7
CN9
10-2C
XY-9
KEY CHANGE SW
(EN ONLY)
COVER OPEN SW_RF
COVER OPEN SW_LF
CN7R
OP
OP
CN7L
8-2C
POWER UNIT(R)
CN030
10-3A
PWRR030
OPER13
EMG SW_FR
MNLT_RF
MNLT_LF
MINIPATLITE
MINIPATLITE
OPERATION
PCB(R)
CN7
CN2
CN13
CN12
CN22
CN19
CN8
CN1
OPER-7
OPER-2
OPER-12
OP CN8
OP CN1
OPER10
CN801
CN801
OPER-14
CN14
CN10
SIGNAL TOWER
OP
OP
CN7L
CN7R
EMG SW_RR
COVER OPEN SW_LR
COVER OPEN SW_R R
MNLT_RR
MNLT_LR
MINIPATLITE
MINIPATLITE
CN15
CN24
HOD OPTION
(EN ONL Y )
CN8
HOD BOX
REAR
FRONT
KEY BOARD
MOUS E
KEY BOARD
MOUS E
CV-MS R
CV-KB R
CV-MS F
CV-KB F
REAR MONITOR OPTION
MS R
KB R
MS F
KB F
MS2
KB2
MS1
KB1
9-5B
RS PC
SELECTOR
MOUSE/KEYBOARD
KB/MS PC
9-1B
MOUSE
KEY BOARD
CV-MS F
CV-KB F
MS F
KB F
9-5C
COM
ATX POWER
5-2B
BUTTERY UNIT
CN55
CN123
CN125
1-4C
CPU BOARD
LAN
CN13
COM1
CN1
HDD I/F
IDE
LPT
USB1
USB2
FDD
MS1
KB1
DVI1
12-4 A
MOUSE
KB
EXT 1
RS-PC
7-3B
IP-X5
PCB
NTSC 1
NTSC2
12-3C
CN6
(LCD B)
CN1
(NTSC2)
CN2
(NTSC1)
INPS
INPS
CN8
(CONSOLE SW)
SUPER
IMPOSE
BOARD
CN8
(CONSOLE SW)
CN5
(LCD A)
CN3
(HOST)
EXT 1
RS-PC
USB2
USB1
COVER
CPU
COM2
(RS1)
F
LCD
RS232C
FRONT MONITOR
RS232C
VIDEO
DC12V
RS232C
ATX-5
9-4B
ATX POWER
CN 10
CN8
12-5 C
REAR MONITOR
DC12V
RS232C
VIDEO
R LCD RS232C RS2
R-LCD
F-LCD
ATX-10
F-LCD
F LCD RS232C
RS1
9-4C
RS1
MOUSE/KEYBOARD
SELECTOR
RS2
HARD
DISK
ACCE SS
LAMP
SSD
HDD-CP
HDD LAM P
HDD LAMP
HDD
HLC
COVER
1 2
3
18
19
4
5
20
21
22
22
23
24
6
7
25
11
12
27
26
28
28
29
31
8
9
10
32
33
32
33
9
10
46
47
50
51
48
49
48
49
39
38
26
27
28
28
34
35
22
22
36
37
48
49
13
14
40
15
46
47
3
52
60
60
61
54
53
45
45
44
41
42
43
16
54
55
56
57
58
59
17
13
17
65
62
63 64
3
30

- 162 -
NOTE( 注記 ) #01....TYPE XL XL 仕様
#02....FOR EN EN 用
REF.NO NOTE PART NO D E S C R I P T I O N
品 名
Qty
1 400-98974 POWER_SUPPLY_ASSY_L(ST)
電源供給組(左)ST
1
2
#02
400-93149 POWER SUPPLY ASSY L(EN)
電源供給組(左)EN
1
3 400-03281 MOUSE/KEYBOARD SELECTOR
マウス/キーボード切換器
3
4 400-47520 OPERATION PCB FRONT ASM
オペレーション基板前面組
1
5
#02
400-47543 OPERATION PCB FRONT ASM (EN)
オペレーション基板前面組(EN)
1
6 400-93148 POWER_SUPPLY_ASSY
電源供給組
1
7
#02
400-93150 POWER SUPPLY ASSY R(EN)
電源供給組(右)EN
1
8 401-19361 XY-RELAY PCB ASM
XY − RELAY 基板組
1
9 400-48060 HOD ASM
HOD 組
2
10
#02
400-48061 HOD ASM(EN)
HOD 組(EN)
2
11 400-47542 OPERATION PCB REAR ASM
オペレーション基板背面組
1
12
#02
400-47544 OPERATION PCB REAR ASM (EN)
オペレーション基板背面組(EN)
1
13 400-48006 ATX PSU
ATX 電源
2
14 400-48007 BATTERY UNIT
バッテリユニット
1
15 401-07372 CPU BOARD
CPU ボード
1
16 400-48082 SUPER INPAUSE BOARD
スーパーインポーズボード
1
17 400-48083 15INCH LCD MODULE
15インチ LCD モジュール
2
18 400-89883 OPERATION PWR CABLE (F) ASM XL
オペレーション電源ケーブル組(F)XL
1
19 400-47823 CONSOLE SELECT CABLE ASM
コンソール切換ケーブル組
1
20 400-47839 MINIPAT RLY CABLE (FL) ASM
ミニパトリレーケーブル(FL)組
1
21 400-47840 MINIPAT RLY CABLE (FR) ASM
ミニパトリレーケーブル(FR)組
1
22 400-48055 MINI PATLITE ASM
ミニパトライト組
4
23 400-92833 EMG SW(F) ASM
非常停止スイッチ(F)組
1
24
#01
400-92905 EM SW F CABLE ASM(EN)
EM SW F ケーブル組(EN)
1
25 400-89884 OPERATION PWR CABLE (R) ASM XL
オペレーション電源ケーブル組(R) XL
1
26 400-48246 COVER OPEN SW L RELAY CABLE ASM
カバーオープン SW L 中継ケーブル組
2
27 400-48247 COVER OPEN SW R RELAY CABLE ASM
カバーオープン SW R 中継ケーブル組
2
28 400-02254 COVER OPEN SW CABLE ASM
カバーオープン SW ケーブル組
4
29 400-02251 OPERATION ON SW CABLE ASM
オペレーションオン SW ケーブル組
1
30 400-89885 OPERATION RLY CABLE (F) ASM XL
オペレーションリレーケーブル組(F)XL
1
31 400-89886 OPERATION RLY CABLE (R) ASM XL
オペレーションリレーケーブル組(R)XL
1
32 400-79872 HOD CABLE ASM
HOD 束線組
2
33
#02
400-79873 HOD CABLE1 ASM
HOD 束線組_1(EN)
2
34 400-47861 MINIPAT RLY CABLE (RL) ASM
ミニパトリレーケーブル(RL)組
1
35 400-47862 MINIPAT RLY CABLE (RR) ASM
ミニパトリレーケーブル(RR)組
1
36 400-92860 EMG SW(R) ASM
非常停止スイッチ(R)組
1
37
#01
400-89956 EM SW R CABLE ASM(EN) XL
EM SW R ケーブル組(EN)XL
1
38 400-48045 SIGNAL TOWER LIGHT ASM
シグナルタワーライト組
1
39 400-47855 BU DRV FG CABLE (L) ASM
BU ドライバ FG ケーブル(L)組
1
40 400-48030 UPS 232C CABLE ASM
UPS 通信ケーブル組
1
41 401-19514 HLC LAN CABLE ASM
HLC LAN ケーブル組
1
42 401-09193 ENVIRONMENT SYSTEM 132 ASM
環境ディスク組132(システム&データ)
1
43 400-98974 POWER_SUPPLY_ASSY_L(ST)
電源供給組(左)ST
1
44 400-47492 HDD I/F CABLE ASM
HDD インターフェイスケーブル組
1
45 400-44522 USB RELAY CABLE
USB 延長ケーブル
2
46 400-47494 F-KEYBOARD CABLE ASM
F キーボードケーブル組
2
47 400-47493 F-MOUSE CABLE ASM
F マウスケーブル組
2
48 400-03284 KEY BOARD
キーボード
3
49 400-44521 PS/2 OPTICAL MOUSE
PS /2接続オプティカルマウス
3
50 400-89899 R-KEY BOARD CABLE ASM XL
R −キーボードケーブル組 XL
1
51 400-89898 R-MOUSE CABLE ASM XL
R −マウスケーブル組 XL
1
52 400-03282 MOUSE/KEYBOARD SELECTOR CABLE ASM
マウス/キーボード切換器ケーブル組
1
53 400-48031 PANEL LINK CABLE 1M
パネルリンクケーブル 1 M
1
54 400-02264 OP-232C CABLE ASM
オプション232 C ケーブル組
2
55 400-98948 MONITOR 232C RLY CABLE ASM
モニタ通信中継ケーブル組
1
56 400-27815 F-232C CABLE ASM
F −232 C ケーブル組
1
57 400-03312 PANEL LINK CABLE
パネルリンクケーブル
1
58 400-47852 INPAUSE BOARD PWR CABLE ASM
インポーズ基板電源ケーブル組
1
59 400-48081 PANEL LINK CABLE 5.0M
パネルリンクケーブル 5.0 M
1
60 400-48042 VIDEO CABLE
ビデオケーブル
2
61 400-47528 IP-X5 PCB ASM
IP − X 5基板 組図
1
62 400-27815 F-232C CABLE ASM
F −232 C ケーブル組
1
63 400-89887 F LCD POWER CABLE ASM XL
フロント LCD 電源ケーブル組 XL
1
64 400-89888 R LCD POWER CABLE ASM XL
リア LCD 電源ケーブル組 XL
1
65 400-89889 OP-232C CABLE (R) ASM XL
232 C ケーブル(R)組 XL
1