XP-142E-04JE PART LIST - 第66页
56

55

56

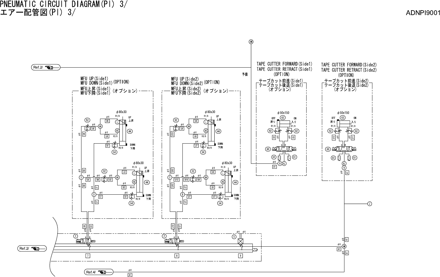
PNEUMATIC CIRCUIT DIAGRAM(PI)
エアー配管図(PI) ADNPI9001
番号 図番 & コード番号 個数 品名 規格 材質 備考
No. Drg.No. & Code No. QTY Description Rating Materials Remarks
1 H1331A - VALVE バルブ VQ1101-5 DC24V OT
2 H1332A - VALVE バルブ VQ1201-5 DC24V OT
4 H13331 - VALVE バルブ VQ1401-5 OT
5 H3051E -
COVER, BLIND
蓋 盲
VVQ1000-10A-1 OT
6 DNPI1010 - VALVE UNIT バルブ ユニット OT
10 K1086T -
COUPLER
カプラ 30PM OT
11 H1059T -
VALVE, BALL
バルブ ボール RP-LL-3/8 ロックハンドルツキ OT
12 H3033G - FILTER REGULATOR フィルタレギュレータ C4000-UN-00014 OT
13 S5023H - SOCKET ソケット 30SH OT
15 K2027R -
KEY
キー C1000-50 OT
16 H1046A -
VALVE, STOP
バルブ ストップ A3/8X100 OT
20 H1063G -
VALVE, MECHANICAL
バルブ メカニカル VM121-01-01 OT
21 H1050K - VALVE, CHECK バルブ チェック C250-01-32W OT
22 H10513 - VALVE, CHECK バルブ チェック AKH06A-01S-X221 OT
23 H10518 - VALVE, CHECK バルブ チェック AKH06-00 OT
24 H1009H - GENERATOR, VACUUM 発生器 真空 VP-05HS OT
25 A4001B - EJECTOR エジェクタ VDBL10R6-08SA-D-1.0 OT
26 H1031D - VALVE, PRESSURE REDUCING
バルブ 減圧
IR1000-01BG-R OT
28 S1053B - SILENCER サイレンサ KM-J6 OT
29 H1039A -
VALVE, THROTTLING
バルブ 絞り
JNC4-M5 OT
34 H1037T - VALVE, MANUAL バルブ 手動 HV8-8-2 OT
40 DEQC0760 - CYLINDER, AIR シリンダ エアー CXSL10-R7789-2 OT
41 S2125T -
CYLINDER, AIR
シリンダ エアー CQ2D32-40DCM ナットツキ OT
42 S2126L -
CYLINDER, AIR
シリンダ エアー CXSM10-K6869-35 OT
44 S20978 - CYLINDER, AIR CYLINDER, AIR シリンダ エアーシリンダ エアー CDLQB50-30D-B-F9NL OT
50 K5337G -
CONTROLLER, SPEED
コントローラ スピード AS1201F-M5-04 OT
51 K53474 - CONTROLLER, SPEED
コントローラ スピード
AS2311F-01-06S(シロ) OT
52 K5340Y -
CONTROLLER, SPEED
コントローラ スピード AS2001F-06 OT
54 K53495 -
CONTROLLER, SPEED
コントローラ スピード AS3201F-03-06S OT
60 H13384 - VALVE, SOL バルブ SOL SX5320-5MZ-C6-F2-X21 OT
61 S1056E - SILENCER サイレンサ AN103-R1 OT
62 K5342D - CONTROLLER, SPEED コントローラ スピード AS2201F-01-06S OT
63 S21975 - CYLINDER, AIR シリンダ エアー FCD-KL-50-150-MOV3-D-N-FL324177 OT
101 DBPP0113 - PLATE プレート OT
102 . - CYLINDER, RESET シリンダ リセット °25X6 OT
103 H5447W - PUMP, VACUUM ポンプ バキューム KHA750A-305-G1 OT
104 DEAJ1011 - BKT BKT OT
105 DNPH1153 - BKT, PIPE BKT パイプ AL
57