P-0183-001 - 第171页
MODEL TCM-X300S 0306-001 Key No. P AR T No. P AR T NAME Q’ ty REMARKS NOTE 169 KB-3 20 1 630 092 5531 BASE 1 814KB-010-201 20 2 630 1 18 3800 GU IDE ,L IN EA R 1 814KB-010-202 20 3 630 092 6637 P L A T E 1 814KB-010-203 …

MODEL TCM-X300S
0306-001
168
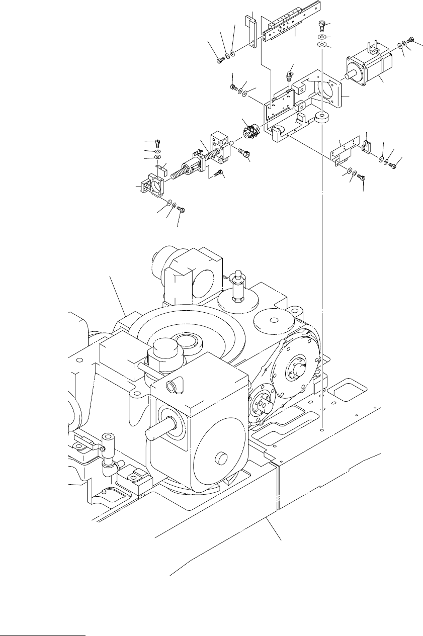
ࡋ࠶࠼㚟േ࡙࠾࠶࠻ HEAD DRIVING UNIT
Fig. KB-3 ⵝ⌕ਅᱜㇱ Placement Leveller Adjuster
205
208
203
209
210
204
206
202
245
201
221
235
242
215
217
231
224
241
240
238
237
236
239
222
223
211
212
213
214
See Fig.B-1
Key No.1
See Fig.L-1
Key No.12
220
233
234
232
216
219
218
225

MODEL TCM-X300S
0306-001
Key No. PART No. PART NAME Q’ty REMARKS
NOTE
169
KB-3
201 630 092 5531 BASE 1 814KB-010-201
202 630 118 3800 GUIDE,LINEAR 1 814KB-010-202
203 630 092 6637 PLATE 1 814KB-010-203
204 630 001 0244 WASHER 2 814KB-010-204
205 411 141 3100 WASHER SPR 8 2 814KB-010-205
206 630 000 8036 BOLT,HEX-SCT 2 814KB-010-206
208 411 141 4008 WASHER V 4X9X0.8 2 814KB-010-208
209 411 141 2905 WASHER SPR 4 2 814KB-010-209
210 630 000 7657 BOLT,HEX-SCT 2 814KB-010-210
211 630 086 4021 MOTOR,AC-SERVO 1 MSVM10(MZ),SGMAH-02AAA21
814KB-010-211
212 411 141 4107 WASHER V 5X10X1 4 814KB-010-212
213 411 141 6705 WASHER SPR 5 4 814KB-010-213
214 630 000 7763 BOLT,HEX-SCT 4 814KB-010-214
215 630 086 4045 COUPLING(TR330438-0) 1 814KB-010-215
216 630 116 4137 BRACKET 1 814KB-010-216
217 630 120 0934 BALL SCREW 1 814KB-010-217
218 411 141 4008 WASHER V 4X9X0.8 4 814KB-010-218
219 411 141 2905 WASHER SPR 4 4 814KB-010-219
220 630 000 7619 BOLT,HEX-SCT 4 814KB-010-220
221 411 141 3902 WASHER V 3X7X0.5 8 814KB-010-221
222 411 141 2806 WASHER SPR 3 8 814KB-010-222
223 630 000 7510 BOLT,HEX-SCT 8 814KB-010-223
224 630 000 7657 BOLT,HEX-SCT 4 814KB-010-224
225 630 000 8050 BOLT,HEX-SCT 2 814KB-010-225
231 630 093 1013 PLATE 1 814KB-010-231
232 411 141 3902 WASHER V 3X7X0.5 2 814KB-010-232
233 411 141 2806 WASHER SPR 3 2 814KB-010-233
234 630 000 7503 BOLT,HEX-SCT 2 814KB-010-234
235 630 093 9415 BRACKET 1 814KB-010-235
236 411 141 4008 WASHER V 4X9X0.8 2 814KB-010-236
237 411 141 2905 WASHER SPR 4 2 814KB-010-237
238 630 000 7626 BOLT,HEX-SCT 2 814KB-010-238
239 630 093 3079 SENSOR,PHOTO 3 BPH12,BPH13,BPH14,PM-F44
814KB-010-239
240 411 119 1909 WASHER V 3X7X0.5 6 814KB-010-240
241 411 086 4408 WASHER SPR 3 6 814KB-010-241
242 411 041 8908 SCR PAN 3X6 6 814KB-010-242
245 630 003 4271 GREASE NIPPLE 2 814KB-010-245

MODEL TCM-X300S
0306-001
170
ࡋ࠶࠼㚟േ࡙࠾࠶࠻ HEAD DRIVING UNIT
Fig. KB-4 ๆ⌕ਅᱜㇱ Pick-up Leveller Adjuster
302
303
308
305
306
307
322
345
311
321
320
326
325
324
333
334
317
332
316
331
323
309
310
See Fig.B-1
Key No.1
See Fig.L-1
Key No.12
347
339
338
337
336
335
342
341
340
314
313
312
315
301