FeederPartList201705.pdf - 第149页

Ref No. Remark s R 1 Q'ty 1-A T/F;88 mm;継目検出;深さ21mm;タイプA Tape Feeder; 88 mm; depth 21mm; Splice sens; T ype A イラスト No. Part No. 品 名 品番 数量 R 2 パーツリスト Kit N o . キット 品 番 Kit Name キット名称 KXFW 1L10A00 Part Nam e 備 考 セクション…

100%1 / 170
1-A
T/F;88mm;継目検出;深さ21mm;タイプA
Tape Feeder; 88 mm; depth 21mm; Splice sens; Type A
パーツレイアウト
Kit No.
キット品
Kit Name
キット名称
KXFW1L10A00
セクションNo.
PARTS LAYOUT
Section No.
--
M1
( KKXFW1L10A00-39-1 )
Ref
No.
Remarks
R
1
Q'ty
1-A
T/F;88mm;継目検出;深さ21mm;タイプA
Tape Feeder; 88 mm; depth 21mm; Splice sens; Type A
イラスト
No.
Part No.
品  名品番 数量
R
2
パーツリスト
Kit N
o
.
キット
Kit Name
キット名称
KXFW1L10A00
Part Name
備   考
セクションNo.
PARTS LIST
Section No.
R
3
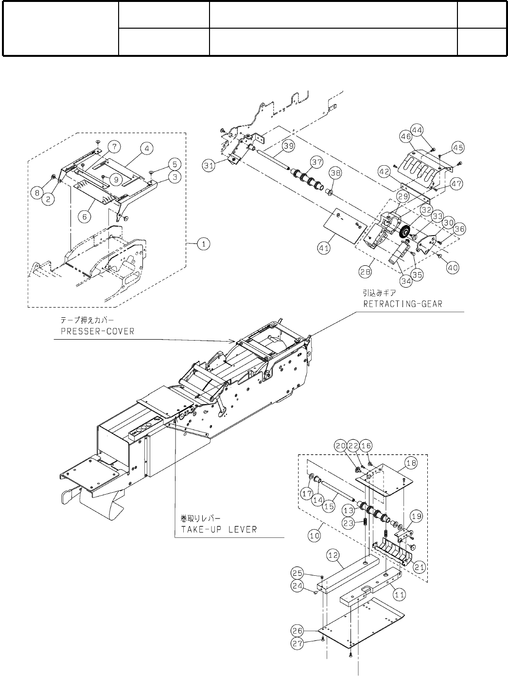
PRESSER-COVER
1
1 N610002651AD
COVER
1
2 MTPB008933AA
COVER
1
3 N210005321AB
GUIDE
1
4 N210005323AC
PIN
2
5 KXFA1PQ5B00
GUIDE
1
6 N210005324AB
GUIDE
1
7 N210005325AB
PIN
2
8 N210001880AA
SCREW
2
9 KXF0DYAJA00 S020659-200(Delivery drawing available)
RETRACTING-LEVER
1
10 N610002653AB
PLATE
1
11 N610002654AA
PLATE
1
12 N610002655AA
GEAR
1
13 N210151828AA
BUSH
2
14 KXF0CWGAA00 80F-0610
PIN
1
15 N210005306AA
PIN
1
16 KXFA1KAAA00
WASHER
2
17 N210005307AA
LEVER
1
18 N210005329AA
LEVER
1
19 KXFA1NSAA00
PIN
2
20 KXFA1KRAA00
COMB
1
21 N210154558AC
SCREW
6
22 XSN25+6VW
Cross recessed Pan head machine screw M2.5X6-A2-70
SPRING
2
23 N210114131AA
MAGNET
1
24 KXF0DYAZA00 NEO33
SCREW
1
25 XXE25C3FP
Hexagon socket set screw Flat point M2.5X3-45H SCHP
GUIDE
1
26 N210005343AA
SCREW
6
27 XSS25+6VW
Cross recessed Countersunk head machine screw M2.5X6-A2-70
RETRACTING-GEAR
1
28 N610066541AD
HOUSING
1
29 N610002658AC
BRACKET R
1
30 N610002659AB
BRACKET L
1
31 N610002660AB
GEAR
1
32 N210050452AA
PIN
1
33 KXFA1L0AA00
RETRACTING-MOTOR
1
34 N510046420AA LA14G-371VJ
BOLT
2
35 N510017337AA
Hexagon socket head cap screw M3X6-10.9 A2J (Trivalent)
SCREW
3
36 XSS3+8VW
Cross recessed Countersunk head machine screw M3X8-A2-70
GEAR
1
37 N210151828AA
BUSH
2
38 KXF0CWGAA00 80F-0610
PIN
1
39 N210005314AA
PIN
2
40 KXFA1KAAA00
GUIDE
1
41 N210005341AB
PLATE
1
42 N210005334AB
BOLT
4
44 N510017337AA
Hexagon socket head cap screw M3X6-10.9 A2J (Trivalent)
SCREW
4
45 XSS25+6VW
Cross recessed Countersunk head machine screw M2.5X6-A2-70
COMB
1
46 N210154559AB
SCREW
4
47 XSN25+6VW
Cross recessed Pan head machine screw M2.5X6-A2-70
M2
--
( KKXFW1L10A00-39-1 )
1-B
T/F;88mm;継目検出;深さ21mm;タイプA
Tape Feeder; 88 mm; depth 21mm; Splice sens; Type A
パーツレイアウト
Kit No.
キット品
Kit Name
キット名称
KXFW1L10A00
セクションNo.
PARTS LAYOUT
Section No.
--
M3
( KKXFW1L10A00-39-2 )