FeederPartList201705.pdf - 第106页
2-B T/F ; 72mm ;タ イプA Tape Fe eder; 72 mm; Ty pe A パーツレイアウト Kit No. キット品 番 Kit N am e キット名称 KXF W 1KSFA00 セクションN o. PARTS LAYOUT Section No. - - M7 ( KKXFW1KSFA00-55-2 )

Ref
No.
Remarks
R
1
Q'ty
2-A
T/F
;
72mm
;タ
イプA
Tape Feeder; 72 mm; Type A
イラスト
No.
Part No.
品 名品番 数量
R
2
パーツリスト
Kit N
o
.
キット品
番
Kit Name
キット名称
KXFW1KSFA00
Part Name
備 考
セクションNo.
PARTS LIST
Section No.
R
3
PRESSER-COVER
1
1 N610090961AB
TENSIONER
1
2 N610025481AB
PIN
1
3 KXFA1M9AA00
COVER
1
4 N210123201AA
MAGNET
1
5 KXF0DYAZA00 NEO33
SCREW
1
6 XXE25C3FP
Hexagon socket set screw Flat point M2.5X3-45H SCHP
COVER
1
7 N210020703AB
COVER
1
8 MTPB008933AA
GUIDE
1
9 N210006458AB
PIN
2
10 KXFA1PQ5B00
PRESSER-PLATE
1
11 N610072587AB
GUIDE
1
12 MTPB008949AA
SCREW
2
13 KXF0DYAJA00 S020659-2001(DDA)
PIN
2
14 KXFA1LHAA00
SPRING
3
15 N210114131AA
SCREW
6
16 XSN25+6VW
Cross recessed Pan head machine screw M2.5X6-A2-70
BUSH
2
17 KXF0CWGAA00 80F-0610
PIN
1
18 KXFA1KAAA00
PIN
2
19 KXFA1KRAA00
PIN
1
20 KXFA1M8AA00
GEAR
1
21 N210154560AA
COMB
1
22 N210154556AB
LEVER
1
23 N210029790AA
PIN
1
24 KXFA1MAAA00
PIN
1
25 KXFA1M6AA00
LEVER
1
26 N210038151AA
ROLLER
2
27 KXFA1M5AA00
PIN
2
28 KXFA1KAAA00
SPRING
1
29 KXF0DK6AA00 (DA 0DK6A)
LEVER
1
30 KXFA1PAAA00
LEVER
1
31 KXFA1NSAA00
PIN
1
32 N210044529AA
M6
--
( KKXFW1KSFA00-55-1 )

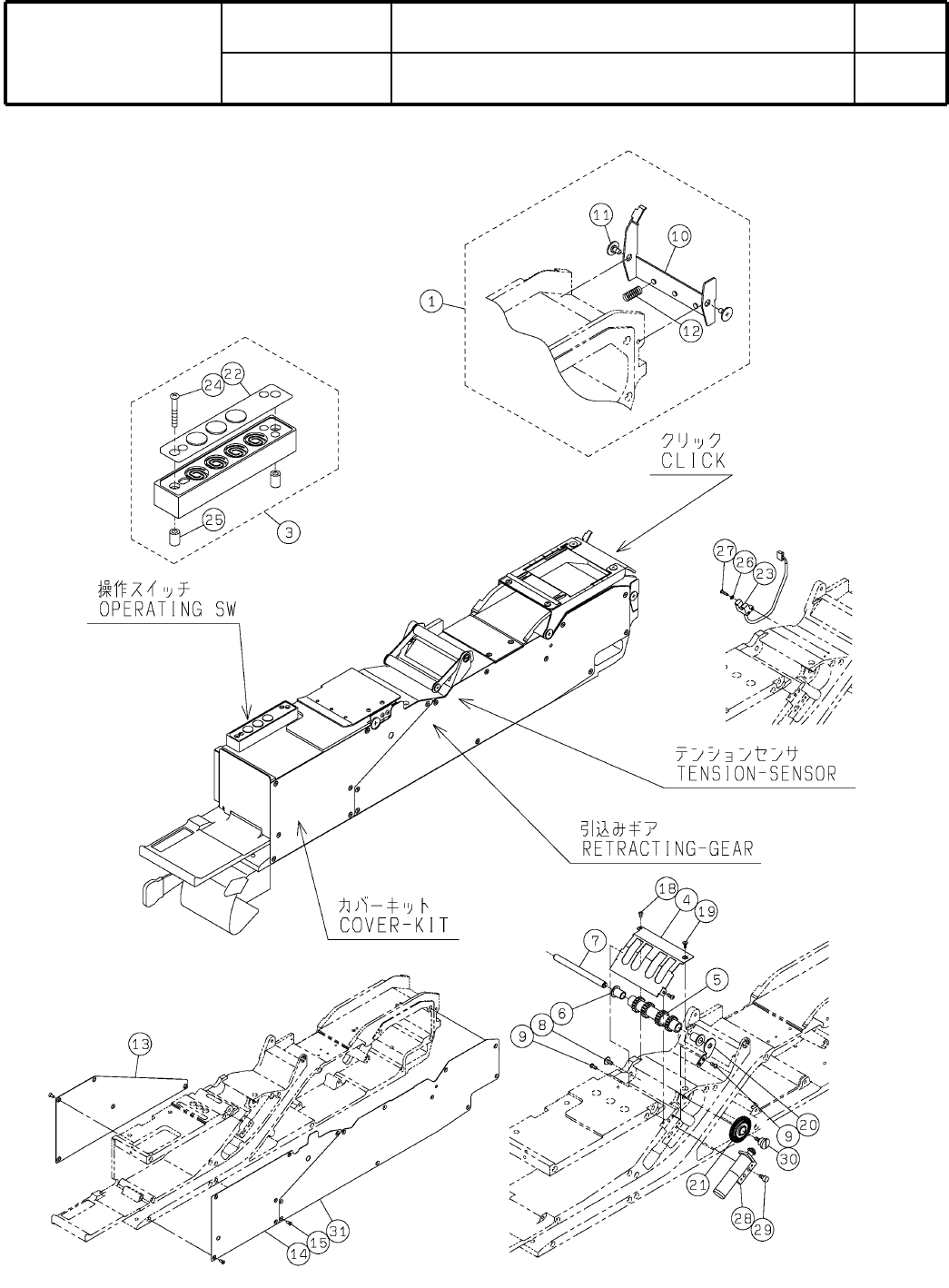
2-B
T/F
;
72mm
;タ
イプA
Tape Feeder; 72 mm; Type A
パーツレイアウト
Kit No.
キット品
番
Kit Name
キット名称
KXFW1KSFA00
セクションNo.
PARTS LAYOUT
Section No.
--
M7
( KKXFW1KSFA00-55-2 )

Ref
No.
Remarks
R
1
Q'ty
2-B
T/F
;
72mm
;タ
イプA
Tape Feeder; 72 mm; Type A
イラスト
No.
Part No.
品 名品番 数量
R
2
パーツリスト
Kit N
o
.
キット品
番
Kit Name
キット名称
KXFW1KSFA00
Part Name
備 考
セクションNo.
PARTS LIST
Section No.
R
3
CLICK
1
1KXFW1KWNA00
OPERATING-SW
1
3 N610033141AA
COMB
1
4 N210164561AB
GEAR
1
5 N210154560AA
BUSH
2
6 KXF0CWGAA00 80F-0610
PIN
1
7 KXFA1M8AA00
PIN
1
8 KXFA1KAAA00
SCREW
5
9 XSN25+6VW
Cross recessed Pan head machine screw M2.5X6-A2-70
CLICK
1
10 MTPB008889AA
PIN
2
11 KXFA1LHAA00
SPRING
1
12 KXF0DRSAA00 (DA 0DRSA)
COVER
1
13 KXFA1N6BA00
COVER
1
14 KXFA1N8BA01
SCREW
22
15 XSS25+6VW
Cross recessed Countersunk head machine screw M2.5X6-A2-70
SCREW
1
18 XSN25+4VW
Cross recessed Pan head machine screw M2.5X4-A2-70
SCREW
1
19 XSS25+6VW
Cross recessed Countersunk head machine screw M2.5X6-A2-70
BRACKET
1
20 KXFA1NTAA00
GEAR
1
21 N210050452AA
SEAL
1
22 KXF0DWTLA00 (DA KXF0DWTLA00)
SENSOR
1
23 N510037013AA PM-F24-M3
SCREW
2
24 N510018959AA
Cross recessed Pan head machine screw M2.5X18-4.8 A2J (Trivalent)
SPACER
2
25 KXF08WXAA00 C-2607
WASHER
1
26 N510018477AA
Small round-plain washer 2 10H A2J (Trivalent)
SCREW
1
27 N510002401AA SUS M2x8+TB2430
RETRACTING-MOTOR
1
28 N510046420AA LA14G-371VJ
BOLT
2
29 N510017337AA
Hexagon socket head cap screw M3X6-10.9 A2J (Trivalent)
PIN
1
30 KXFA1L0AA00
COVER
1
31 KXFA1PR1A00
M8
--
( KKXFW1KSFA00-55-2 )