FeederPartList201705.pdf - 第143页
Ref No. Remark s R 1 Q'ty 2-B T/F ; 72mm ;深さ 21m m ;タ イプA Tape Feeder; 72 mm; depth 21mm; T ype A イラスト No. Part No. 品 名 品番 数量 R 2 パーツリスト Kit N o . キット 品 番 Kit Name キット名称 KXFW 1L0UA00 Part Nam e 備 考 セクションN o. PARTS L…

2-B
T/F
;
72mm
;深さ
21mm
;タ
イプA
Tape Feeder; 72 mm; depth 21mm; Type A
パーツレイアウト
Kit No.
キット品
番
Kit Name
キット名称
KXFW1L0UA00
セクションNo.
PARTS LAYOUT
Section No.
--
M7
( KKXFW1L0UA00-44-2 )

Ref
No.
Remarks
R
1
Q'ty
2-B
T/F
;
72mm
;深さ
21mm
;タ
イプA
Tape Feeder; 72 mm; depth 21mm; Type A
イラスト
No.
Part No.
品 名品番 数量
R
2
パーツリスト
Kit N
o
.
キット品
番
Kit Name
キット名称
KXFW1L0UA00
Part Name
備 考
セクションNo.
PARTS LIST
Section No.
R
3
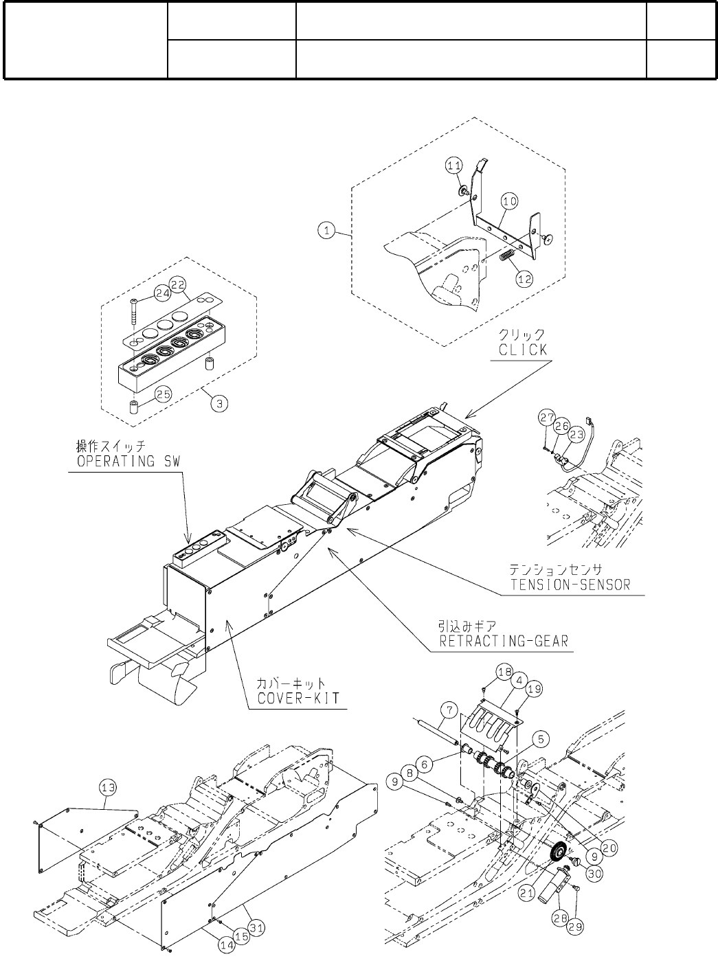
CLICK
1
1 N610001299AA
OPERATING-SW
1
3 N610033141AA
COMB
1
4 N210164561AB
GEAR
1
5 N210154560AA
BUSH
2
6 KXF0CWGAA00 80F-0610
PIN
1
7 KXFA1M8AA00
PIN
1
8 KXFA1KAAA00
SCREW
5
9 XSN25+6VW
Cross recessed Pan head machine screw M2.5X6-A2-70
CLICK
1
10 N210001896AB
PIN
2
11 N210001880AA
SPRING
1
12 KXF0DYJQA00 5544
COVER
1
13 KXFA1N6BA00
COVER
1
14 N210001885AA
SCREW
22
15 XSS25+6VW
Cross recessed Countersunk head machine screw M2.5X6-A2-70
SCREW
1
18 XSN25+4VW
Cross recessed Pan head machine screw M2.5X4-A2-70
SCREW
1
19 XSS25+6VW
Cross recessed Countersunk head machine screw M2.5X6-A2-70
BRACKET
1
20 KXFA1NTAA00
GEAR
1
21 N210050452AA
SEAL
1
22 KXF0DWTLA00 (DA KXF0DWTLA00)
SENSOR
1
23 N510037013AA PM-F24-M3
SCREW
2
24 N510018959AA
Cross recessed Pan head machine screw M2.5X18-4.8 A2J (Trivalent)
SPACER
2
25 KXF08WXAA00 C-2607
WASHER
1
26 N510018477AA
Small round-plain washer 2 10H A2J (Trivalent)
SCREW
1
27 N510002401AA SUS M2x8+TB2430
RETRACTING-MOTOR
1
28 N510046420AA LA14G-371VJ
BOLT
2
29 N510017337AA
Hexagon socket head cap screw M3X6-10.9 A2J (Trivalent)
PIN
1
30 KXFA1L0AA00
COVER
1
31 N210001884AA
M8
--
( KKXFW1L0UA00-44-2 )