FeederPartList201705.pdf - 第155页
Kit Name Rank Q'ty 番号 Pa rt N o . キット名 品番 数量 ランク 頁 Page No. 1 インテリジェントテープ フィーダ Intellige nt T ape Feeder キットリスト Model No. 製品品番 Model Name 製品名称 KXF -INTF KIT LIST 1 1 KXFW 1L11A00 Tape Feeder; 104 mm ; depth 21mm; Sp…

1
インテリジェントテープフィーダ
Intelligent Tape Feeder
キットレイアウト
Model No.
製品品番
Model Name
製品名称
KXF-INTF
KIT LAYOUT
--
U1
( KINTFM-02-10 )

Kit Name
RankQ'ty
番号
Part No.
キット名
品番 数量 ランク
頁
PageNo.
1
インテリジェントテープフィーダ
Intelligent Tape Feeder
キットリスト
Model No.
製品品番
Model Name
製品名称
KXF-INTF
KIT LIST
1
1
KXFW1L11A00
Tape Feeder; 104 mm; depth 21mm; Splice sens;
Type A
T/F;104mm;継目検出;深さ21mm;タイプA
M1
U2
--
( KINTFM-02-10 )

1-A
T/F;104mm;継目検出;深さ21mm;タイプA
Tape Feeder; 104 mm; depth 21mm; Splice sens; Type A
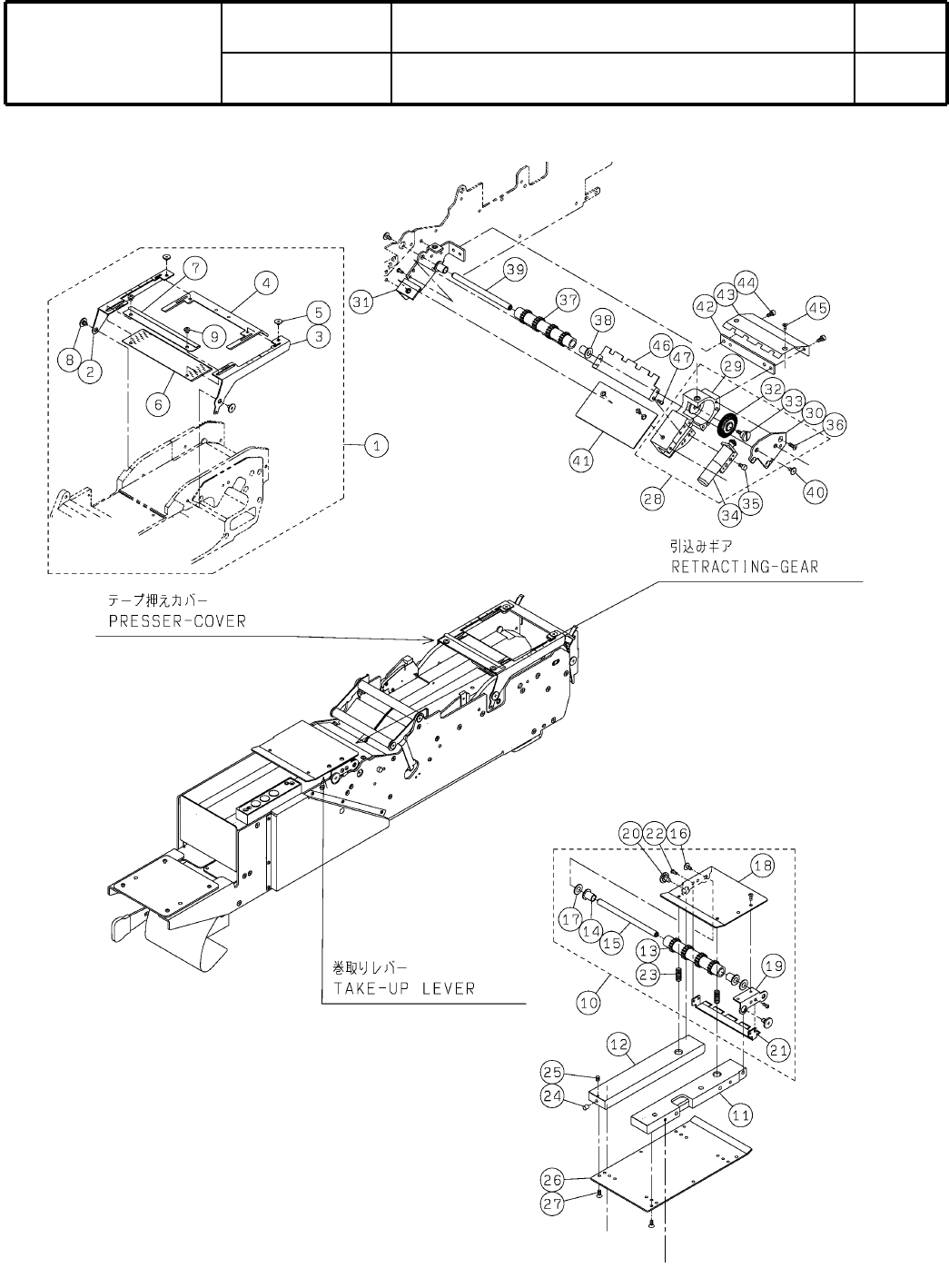
パーツレイアウト
Kit No.
キット品
番
Kit Name
キット名称
KXFW1L11A00
セクションNo.
PARTS LAYOUT
Section No.
--
M1
( KKXFW1L11A00-38-1 )