FeederPartList201705.pdf - 第23页
Ref No. Remark s R 1 Q'ty 2-C T/F ; 8mm ダ ブル ;タ イプA Tape Feeder; 8 mm Double; Ty pe A イラスト No. Part No. 品 名 品番 数量 R 2 パーツリスト Kit N o . キット 品 番 Kit Name キット名称 KXFW 1KSBA00 Part Nam e 備 考 セクションN o. PARTS LIST Section …

2-C
T/F
;
8mm
ダ
ブル
;タ
イプA
Tape Feeder; 8 mm Double; Type A
パーツレイアウト
Kit No.
キット品
番
Kit Name
キット名称
KXFW1KSBA00
セクションNo.
PARTS LAYOUT
Section No.
--
M11
( KKXFW1KSBA00-60-3 )

Ref
No.
Remarks
R
1
Q'ty
2-C
T/F
;
8mm
ダ
ブル
;タ
イプA
Tape Feeder; 8 mm Double; Type A
イラスト
No.
Part No.
品 名品番 数量
R
2
パーツリスト
Kit N
o
.
キット品
番
Kit Name
キット名称
KXFW1KSBA00
Part Name
備 考
セクションNo.
PARTS LIST
Section No.
R
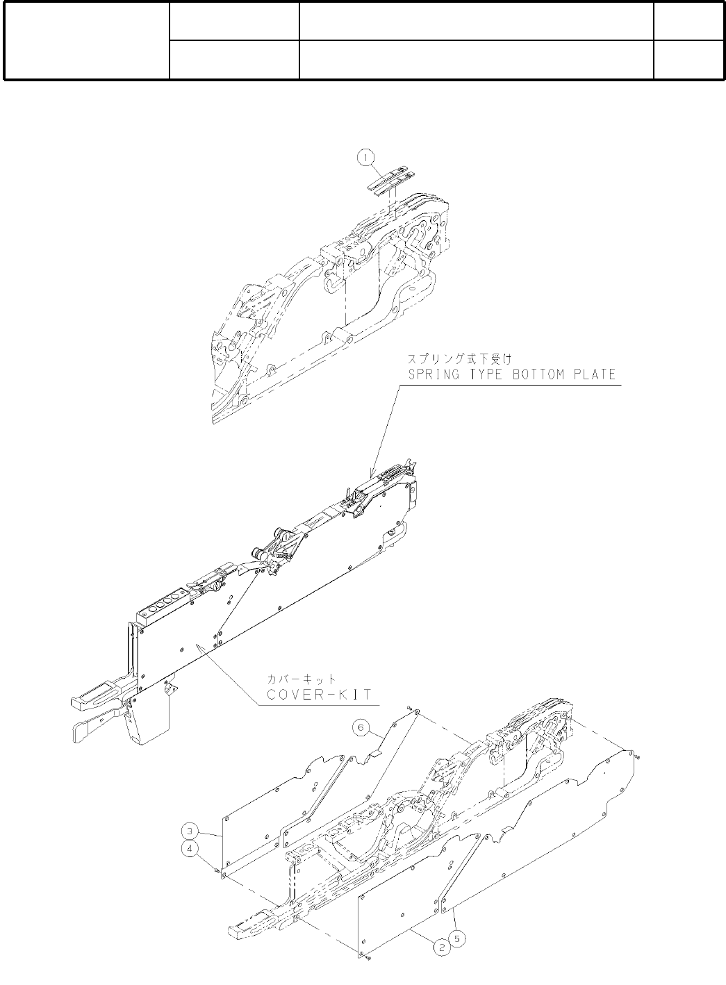
3
Spring type bottom plate
2
1 N610014970AE
COVER
1
2 KXFA1MPBA01
COVER
1
3 N210109641AA
SCREW
38
4 XSS25+6VW
Cross recessed Countersunk head machine screw M2.5X6-A2-70
COVER
1
5 KXFA1PQ9A00
COVER
1
6 KXFA1PR0A00
M12
--
( KKXFW1KSBA00-60-3 )

3-A
T/F;8mmシングル;スプライシング検出;タイプA
Tape Feeder; 8 mm single; Splice sensing; Type A
パーツレイアウト
Kit No.
キット品
番
Kit Name
キット名称
N610003476AA
セクションNo.
PARTS LAYOUT
Section No.
--
M13
( KN610003476AA-44-1 )