00191912-01 - 第115页
Betriebsanleitung SIPLACE 80S-20/F4 3 Einführung und Grundbegriffe Softwareversion SR.406.xx Ausgabe 02/2000 DE 3.1 Anzeige- und Bedienelemente am Automaten 113 3.1.1.1 Allgemeines Jede St atio n ist mit eine m S tations…

3 Einführung und Grundbegriffe Betriebsanleitung SIPLACE 80S-20/F4
3.1 Anzeige- und Bedienelemente am Automaten Softwareversion SR.406.xx Ausgabe 02/2000 DE
112
3.1 Anzeige- und Bedienelemente am Automaten
3.1.1 Übersicht
3
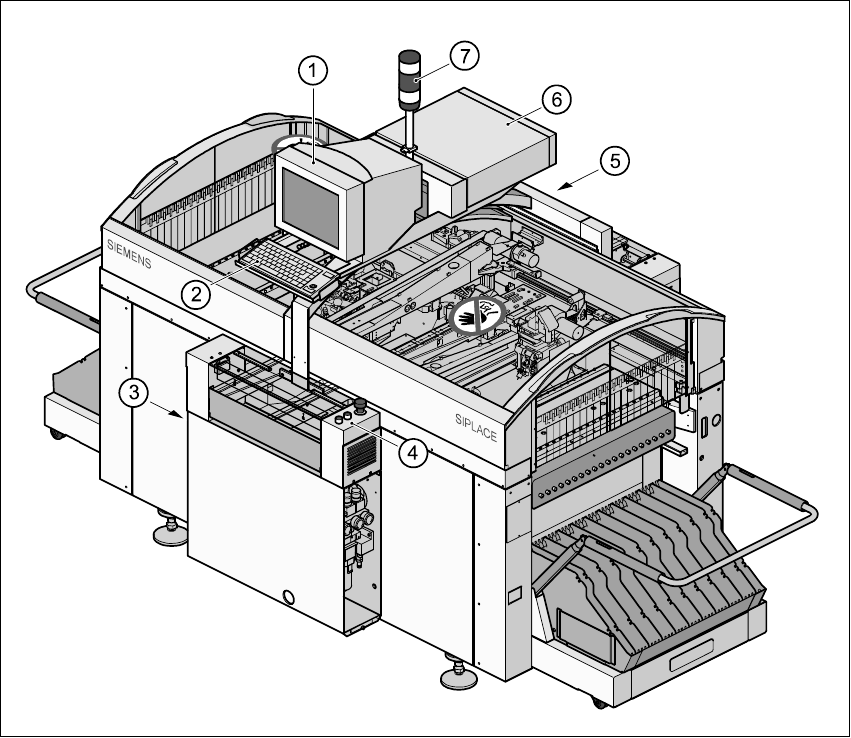
Abb. 3.1 - 1 Übersichtsbild
Legende zu Abb. 3.1 - 1
(1) Monitor
(2) Tastatur
(3) Hauptschalter
(4) Bedienfeld, Frontseite
(5) Bedienfeld, Rückseite
(6) Rechner
(7) Hauptstöranzeige

Betriebsanleitung SIPLACE 80S-20/F4 3 Einführung und Grundbegriffe
Softwareversion SR.406.xx Ausgabe 02/2000 DE 3.1 Anzeige- und Bedienelemente am Automaten
113
3.1.1.1 Allgemeines
Jede Station ist mit einem Stationsrechner ausgestattet. Der Stationsrechner, der Bildschirm und
die Tastatur befinden sich auf einer schwenkbaren Konsole über dem Automaten. 3
Die Bedienfelder sind an der Ein- und Ausgabeseite des Automaten angeordnet mit Start- und
Stopptaster, NOT-HALT-Pilzdrucktaster, Schlüsselschalter und Bauelementezähler. 3
HINWEIS
Die Bedienung der Oberfläche für die SR-Software kann entweder über die Tastatur und den
Trackball oder den Touch-Screen erfolgen (siehe Abschnitt 3.2.1). 3
Die Lage der Schalter und Tasten (Haupt-, Schlüsselschalter, Start-, Halt-, NOT-HALT-Tasten
usw.) wird in Abb. 3.1 - 2 gezeigt. Die Funktionen sind in Kap. 2 beschrieben.
3
WARNUNG
Die Maschinenständertüren dürfen nur von entsprechend qualifiziertem Personal geöffnet wer-
den, da bestimmte Komponenten des Automaten unter gefährlichen Spannungen stehen.
Die geltenden Unfallverhütungs- und DIN-Vorschriften müssen dabei strikt beachtet werden. Bei
Nichtbeachtung können Tod, schwere Körperverletzung oder erheblicher Sachschaden die Folge
sein. 3
3

3 Einführung und Grundbegriffe Betriebsanleitung SIPLACE 80S-20/F4
3.1 Anzeige- und Bedienelemente am Automaten Softwareversion SR.406.xx Ausgabe 02/2000 DE
114
3.1.2 Schalter und Tasten am Automaten
In der nachfolgenden Abbildung ist die Lage der Schalter und Tasten am Automaten dargestellt.3
3
Abb. 3.1 - 2 Lage der Schalter und Tasten am Automaten
WARNUNG
Der Schlüsselschalter darf nur von entsprechend qualifiziertem Personal zu Service- oder In-
standhaltungsarbeiten betätigt werden. Um vor unbefugtem Zugriff zu schützen, ist der Schlüssel
in allen anderen Fällen abzuziehen, da sonst schwerwiegende Verletzungen des Personals oder
Beschädigungen des Automaten die Folge sein könnten. 3
(1) Schlüsselschalter (2) Bauelementezähler
(3) Start- und Stopptaster (4) NOT-HALT-Pilzdrucktaster
(5) Haubenschalter links (6) Hauptschalter
(7) Haubenschalter, Abdeckung Eingabeband (8) Haubenschalter rechts
(9) Haubenschalter, Abdeckung Ausgabeband (10) Transportrichtung
1
2
3
4
5
6
7
10
4
3
8
9