DEUKYX-193-5100_G5S2_VOL5 - 第147页
DEUKYX 4-21 193-5100 2.6 EINSCHAL T -Schaltkreis 2.6 EINSCHAL T -Schaltkreis 5 4 6 5 4 3 16 13 POWER ON(Front) S101F K2B K1A K43 K2A K2B 12 1 K1A 8 1 K2A (1Sec) 24 22 21 1 2 3 24A0 POWER ON(Rear) S101B + - + - 24A2 3 4 K…

DEUKYX
4-20193-5100
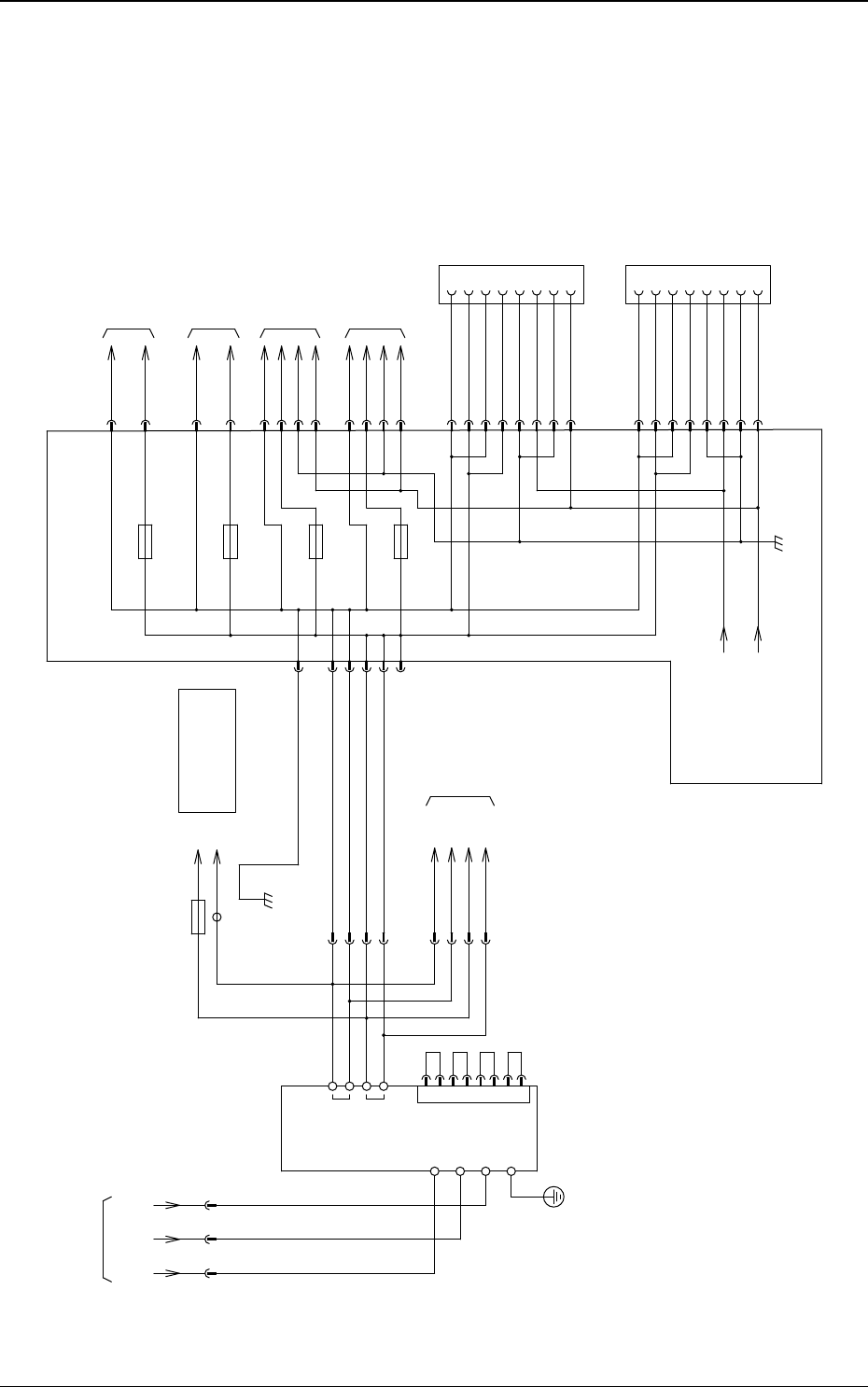
2.5 DC-48V (48D) Schaltkreis
2.5 DC-48V (48D) Schaltkreis
1
2
3
4
7
8
+V
+S
-V
-S
PV
REF
CN1
9
10
CNT
TOG
G2
L140
[B-/01/7E]
L240
L340
from K10
[C-/03/1A]
to A31B-CNP1
[C-/04/1A]
to A31F-CNP1
U27
XG0
:B1 :B2 :B3
XG2
X2712:1
X2712:2
X2713:1
X2713:2
:A1
:A2
:B1
:B2
:A5
:B5
:A4
:B4
:A2
:B2
:A1
:B1
XCV-L
Left Conveyor Unit
DC Power Supply Connector
XCV-R
Right Conveyor Unit
DC Power Supply Connector
24A6
24A3
[B-/02/6D]
[R-/02/6B]
48D
[R-/03/7A]
to U95-CN1
10
48D
10
XG2
:A2
:A1
:B1
:B2
:A5
:B5
:A4
:B4
:A2
:B2
:A1
:B1
[DC/01/1A]
to A63B-CN1,11
[DC/02/1A]
to A63F-CN1,11
F13
6.3A
F14
6.3A
F15
6.3A
F16
6.3A
10
10
48D
48D
10
X2716
:4
:8
:3
:7
:2
:6
:1
:5
X2717
:4
:8
:3
:7
:2
:6
:1
:5
:B2
:B1
:A1
:A2
:A3
:B3
10
Swiching Power
Supply
L2
L3
FG
+(48V)
-(GND)
L1
X2718
:1
:2
:3
:4
X2719
:1
:2
:3
:4
Output voltage
50.0±0.20V
10
48D
F32B 5A
to A32B-CNP1
MULTI-FUNC. HEAD
KYX-000-CC-004

DEUKYX
4-21193-5100
2.6 EINSCHALT-Schaltkreis
2.6 EINSCHALT-Schaltkreis
5 4
6 5 4 3
16 13
POWER ON(Front)
S101F
K2B
K1A
K43
K2A
K2B
12 1
K1A
8 1
K2A
(1Sec)
24
22
21
1
2
3
24A0
POWER
ON(Rear)
S101B
+ -
+ -
24A2
3 4
K31
5
2
X153
[B-/06/5B]
to X30D1-B
[B-/05/5B]
445
X27153
U27
1
[D-/02/2D]
500
XOPNL-F
:8
XOPNL-F
:9
XOPNL-F
:10
X102704
:2
X202704
:3
X2704
:11
X2704
:12
X2704
:13
X2705
:11
X2705
:13
XOPNL-B
:9
XOPNL-B
:10
XOPNL-B
:8
X2705
:12
X2704
:14
X2705
:14
[D-/03/7E]
From XOPNL-F
From XOPNL-B
10
10
[D-/03/7E]
10 9
8
[B-/07/5B]
to X30D1-F
X202704
:1
from CN150:10
from K3:44
X1027153
:1
:2
X2027153
:1
:2
3
4
KYX-000-CC-005

DEUKYX
4-22193-5100
2.7 Sicherheitsrelais-Schaltkreis
2.7 Sicherheitsrelais-Schaltkreis
K1 K2
K4K3
b
a
b
a
Control
CircuitTimer
OFF Delay
K4
K3
K2
K1
54
44
34
24
14
A
B
T22
T21
PET11
T12
T31
T32
13
23
33
43
53
A2A1
U
62
61
T32
Y1
A1
T33
T31
T22
T12
T42
T41
S14
S24
D1
D2
D3
D4
A2X1X2
S44
S54
L1
U
Emergency Stop Switch
(Front)
X2709
:5
:6
:7
:8
X2704
:9
:8
:10
:7
X:S151F
:3
:2
:4
:1
:5
X2705
:9
:8
:10
:7
X:S151B
:3
:2
:4
:1
:5
21 22
6 8
6 9
21 22 22 21
K10
S105F
S105B
Emergency Stop Switch
(Rear)
K2B
K22
Emergency Stop Switch
(Front)
S105F
K33A K33B
S131
S131
S132
S132
31 32
11 12
31 32
11 12
K31
K33A
K33B
11 12
11 12
22 21
1 12
A1 A2
A1 A2
K10
A1 A2
K3 K4
24A2
24A2
W
BK
BR
BL
Y
S151B
W
BK
BR
BL
Y
S151F
Feeder cover
Detection(Front)
XY Beam Main Power On
XY Beam Main Power On
[D-/02/1F]
to U27-CN9:9
[D-/02/1C]
to U27-CN150:10
U27 U27
U27
U27
U27 U27
[B-/04/5E]
24A2
24A2
331
10
420
24A2
405B
405A
401
24A2
336
441
445
334
500
408
412
10
416415
429
430
446
D2
D3
D4
D1
440
443
420A
414
S105B
Emergency Stop Switch
(Rear)
22 21
X202704
:9
:8
:10
:7
10
[D-/02/1C]
from U27-CN150:9
Safety Relay Safety Relay
:11
:12
:14
:8
:7
:4
:3
:1
X27150
X27150
X27150
X27150
X27150
X27150
:2
X2704
:1
X2704
:2
X2705
:1
X2705
:2
:1
X202704
X202704
:2
X2723
:1
X2723
:3
X2705
:4
X2705
:3
X2704
:4
X2704
:3
X202704
:4
X202704
:6
X27150
:5
X27150
:13
:15
:16
X27150
:5
X2731
:1
:2
X20520
:1
X2709
:11
:10
X2732:6
X2732:2 X2709:3
X2709:4
X2731:6
X2731:2 X2732:1
X2732:5
X10520:3
X10520:6
X10520:2
X10520:5
X10520:1
X10520:4
Safety Switch (Rear) Safety Switch (Front)
JP
3 4
to U27-CN1153:2,4
(OUT)
(IN)
(24V)
(0V)
0.5sec
K1
K2
Feeder cover
Detection(Rear)
KYX-000-CC-006