N7202A029B - 第107页
Ref No. Remarks R 1 Q'ty 14-H 基板位置決めリフト:SPG PCB POSITIONING LIFT:SPG イラスト No. Part No. 品 名 品 番 数量 R 2 パーツリスト Kit No. キット品番 Kit Name キット名称 N610140071AA Part Nam e 備 考 セク ショ ンNo . PARTS LIST Section No. R 3 BOSS 1 1 N…

14-H
基板位置決めリフト:SPG
PCB POSITIONING LIFT:SPG
パーツレイアウト
Kit No.
キット品番
Kit Name
キット名称
N610140071AA
セクションNo.
PARTS LAYOUT
Section No.
--
S77
( KN610140071AA-07-8 )

Ref
No.
Remarks R
1
Q'ty
14-H
基板位置決めリフト:SPG
PCB POSITIONING LIFT:SPG
イラスト
No.
Part No.
品 名品 番 数量
R
2
パーツリスト
Kit No.
キット品番
Kit Name
キット名称
N610140071AA
Part Name
備 考
セクションNo.
PARTS LIST
Section No.
R
3
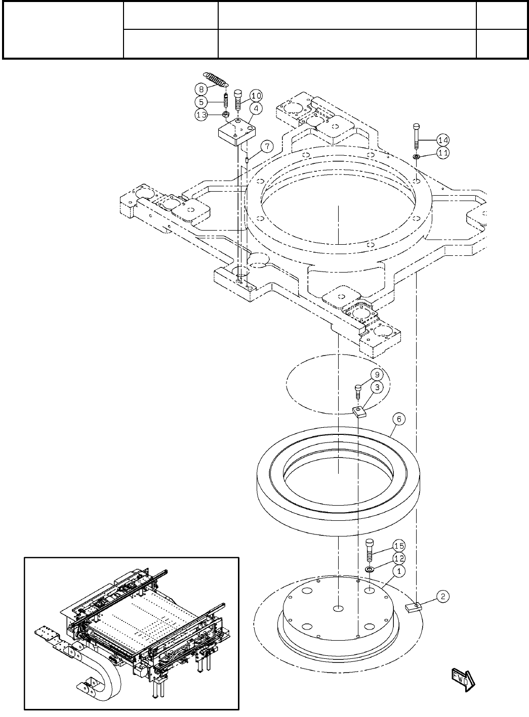
BOSS
1
1 N210172322AA
PLATE
8
2 KXFB00D4A00
PLATE
8
3 KXFB00D1A00
BLOCK
1
4 N210172323AB
POST
1
5 N210162589AA
BEARING
1
6 N510065981AA RE20035UUCC0S(42906089N000)
PIN
2
7 N986MMS410 MMS4-10
SPRING
1
8 N510066089AA
A
DE807
BOLT
8
9 N510017435AA
Hexagon socket head cap screw M6X20-10.9 A2J (Trivalent)
BOLT
2
10 N510017475AA
Hexagon socket head cap screw M8X30-10.9 A2J (Trivalent)
WASHER
8
11 N510018481AA
Small round-plain washer 6 10H A2J (Trivalent)
WASHER
4
12 N510018482AA
Small round-plain washer 8 10H A2J (Trivalent)
NUT
1
13 N510017867AA
Hexagon nut Type-1 Best class M6-6H-4T A2J (Trivalent)
BOLT
8
14 N510017444AA
Hexagon socket head cap screw M6X45-10.9 A2J (Trivalent)
BOLT
4
15 N510017476AA
Hexagon socket head cap screw M8X35-10.9 A2J (Trivalent)
S78
--
( KN610140071AA-07-8 )

14-I
基板位置決めリフト:SPG
PCB POSITIONING LIFT:SPG
パーツレイアウト
Kit No.
キット品番
Kit Name
キット名称
N610140071AA
セクションNo.
PARTS LAYOUT
Section No.
--
S79
( KN610140071AA-07-9 )