N7202A029B - 第117页
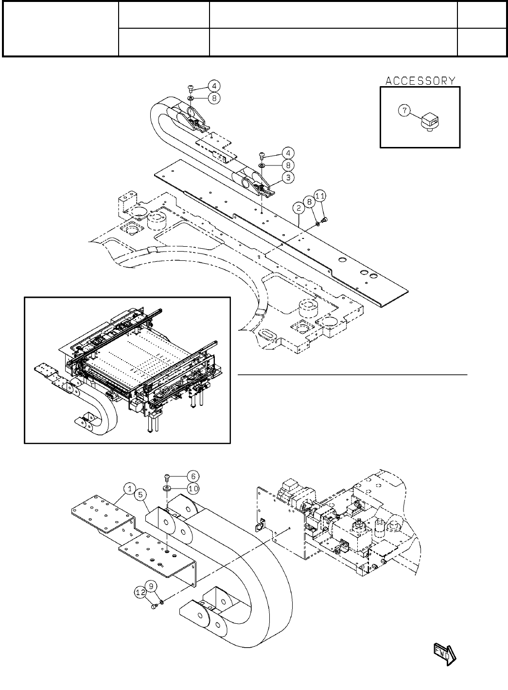
Ref No. Remarks R 1 Q'ty 14-M 基板位置決めリフト:SPG PCB POSITIONING LIFT:SPG イラスト No. Part No. 品 名 品 番 数量 R 2 パーツリスト Kit No. キット品番 Kit Name キット名称 N610140071AA Part Nam e 備 考 セク ショ ンNo . PARTS LIST Section No. R 3 BRACKET 1 …

14-M
基板位置決めリフト:SPG
PCB POSITIONING LIFT:SPG
パーツレイアウト
Kit No.
キット品番
Kit Name
キット名称
N610140071AA
セクションNo.
PARTS LAYOUT
Section No.
--
S87
( KN610140071AA-07-13 )

Ref
No.
Remarks R
1
Q'ty
14-M
基板位置決めリフト:SPG
PCB POSITIONING LIFT:SPG
イラスト
No.
Part No.
品 名品 番 数量
R
2
パーツリスト
Kit No.
キット品番
Kit Name
キット名称
N610140071AA
Part Name
備 考
セクションNo.
PARTS LIST
Section No.
R
3
BRACKET
1
1 N610147567AC
BRACKET
1
2 N210172331AD
CABLE-VEYOR
1
3 N510064522AA KP32 W25 R38 416L(13LINK).3
BOLT
4
4 N510017536AA
SSS 003 Hexagon socket button head screw M4X8-10.9 A2J (Trivalent)
CABLE-VEYOR
1
5 N510066946AA CDP055 W65 R100 605L.CR3
BOLT
8
6 N510017555AA
SSS 003 Hexagon socket button head screw M6X12-10.9 A2J (Trivalent)
CABLE-SUPPORT
12
7 N510048517AA FT4
WASHER
7
8 N510018497AA
Round finish plain washer 4 10H A2J (Trivalent)
WASHER
4
9 N510018499AA
Round finish plain washer 5 10H A2J (Trivalent)
WASHER
8
10 N510020101AA Thick washer M6
BOLT
3
11 N510017381AA
Hexagon socket head cap screw M4X8-10.9 A2J (Trivalent)
BOLT
4
12 N510017386AA
Hexagon socket head cap screw M5X10-10.9 A2J (Trivalent)
S88
--
( KN610140071AA-07-13 )

15
銘板・警告ラベル(基板位置決めリフト):SPG
Label(PCB Positioning Lift):SPG
パーツレイアウト
Kit No.
キット品番
Kit Name
キット名称
N610140072AA
セクションNo.
PARTS LAYOUT
Section No.
--
S89
( KN610140072AA-02 )