N7202A029B - 第288页
20-A はんだ自動供給:SPG Solder Auto Dispensing:SPG パーツレイアウト Kit No. キット 品番 Kit Name キット名称 N610140151AA セクションNo. PARTS LAYOUT Section No. - - O49 ( KN610140151AA-03-1 )

Ref
No.
Remarks R
1
Q'ty
19
ADDA基板対応:SPG
ADDA Board :SPG
イラスト
No.
Part No.
品 名品 番 数量
R
2
パーツリスト
Kit No.
キット品番
Kit Name
キット名称
N610143904AA
Part Name
備 考
セクションNo.
PARTS LIST
Section No.
R
3
PCB
1
1 N610079678AA
S
PNF0A7-AA
O48
--
( KN610143904AA-01 )

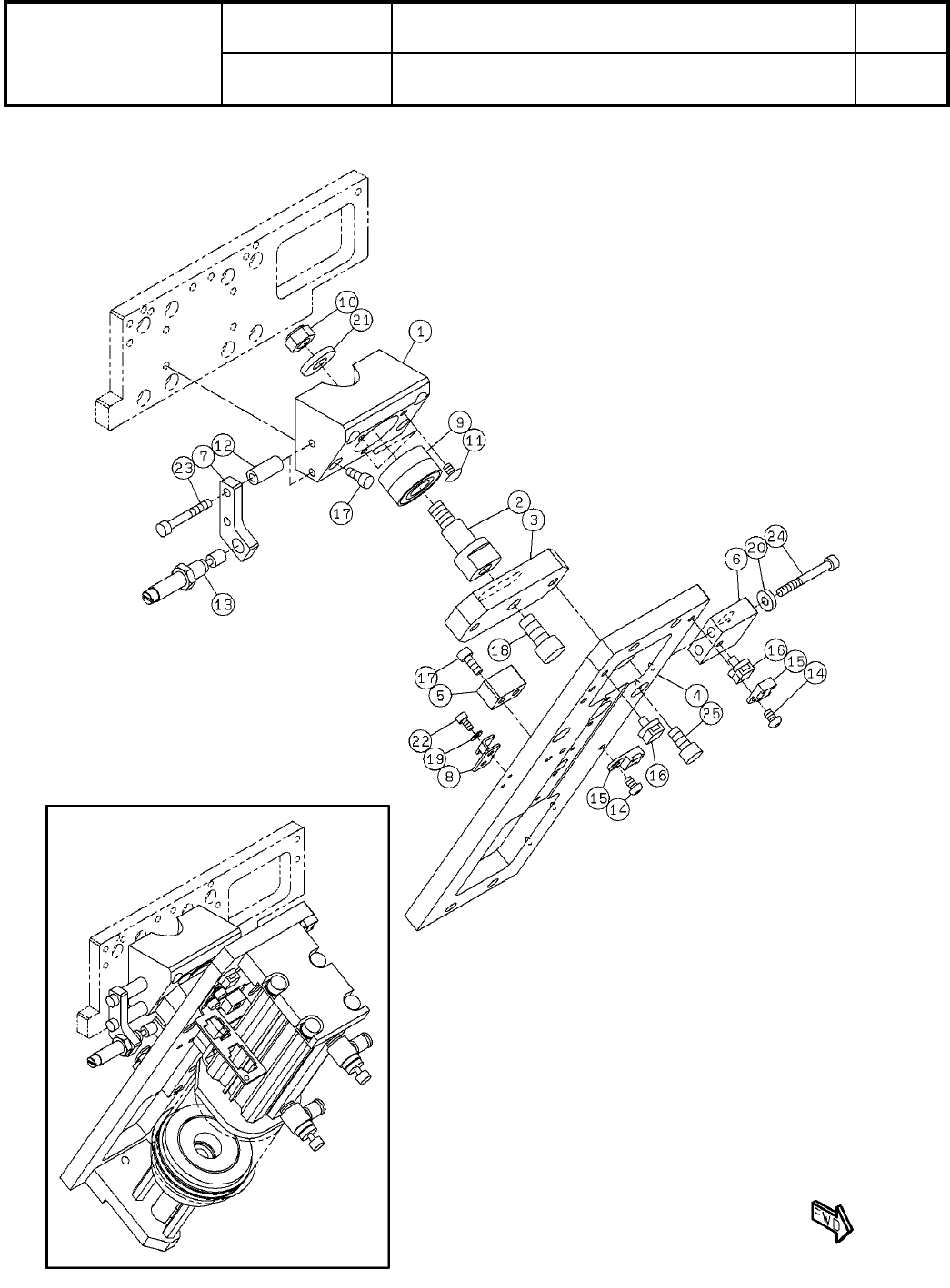
20-A
はんだ自動供給:SPG
Solder Auto Dispensing:SPG
パーツレイアウト
Kit No.
キット品番
Kit Name
キット名称
N610140151AA
セクションNo.
PARTS LAYOUT
Section No.
--
O49
( KN610140151AA-03-1 )

Ref
No.
Remarks R
1
Q'ty
20-A
はんだ自動供給:SPG
Solder Auto Dispensing:SPG
イラスト
No.
Part No.
品 名品 番 数量
R
2
パーツリスト
Kit No.
キット品番
Kit Name
キット名称
N610140151AA
Part Name
備 考
セクションNo.
PARTS LIST
Section No.
R
3
BLOCK
1
1 N210175551AA
SHAFT
1
2 N210175552AA
PLATE
1
3 N210175553AA
PLATE
1
4 N210175554AB
STOPPER
1
5 N210175559AA
BLOCK
1
6 N210175560AA
PLATE
1
7 N210175561AA
DOG
1
8 N210175563AA
BEARING
1
9 N510019334AA 7001ATYNDBMP5
NUT
1
10 N510004712AA U-nut M8 SUS301 Type-1 SUS304 Substrate
SCREW
3
11 N510018279AA
Cross recessed Truss head machine screw M4X6-4.8 A2J (Trivalent)
SPACER
2
12 N510017106AA CF-418E
SHOCK-ABSORBER
1
13 KXF08Z5AA00 RBC0805
BOLT
2
14 N510017534AA
SSS 003 Hexagon socket button head screw M4X6-10.9 A2J (Trivalent)
CABLE-SUPPORT
2
15 N348TA1S8 TA1S8
CABLE-SUPPORT
2
16 N510048517AA FT4
BOLT
6
17 N510017344AA
Hexagon socket head cap screw M4X10-10.9 A2J (Trivalent)
BOLT
1
18 N510017470AA
Hexagon socket head cap screw M8X16-10.9 A2J (Trivalent)
WASHER
2
19 N510018494AA
Round finish plain washer 3 10H A2J (Trivalent)
WASHER
2
20 N510020099AA Thick washer M4
WASHER
1
21 N510020102AA Thick washer M8
BOLT
2
22 N510017337AA
Hexagon socket head cap screw M3X6-10.9 A2J (Trivalent)
BOLT
2
23 N510017361AA
Hexagon socket head cap screw M4X30-10.9 A2J (Trivalent)
BOLT
2
24 N510017364AA
Hexagon socket head cap screw M4X35-10.9 A2J (Trivalent)
BOLT
2
25 N510017428AA
Hexagon socket head cap screw M6X12-10.9 A2J (Trivalent)
O50
--
( KN610140151AA-03-1 )