2RGZBB007113 - 第130页
NAME TYPE 接続図 NFVc T I T L E ベース リモートI/O接続 DRAWING No. 4 7 FUJI SECRET 2R GZ BA0 00 10 5 ベース制御盤 B A S E C O N T R O L B O X ベース制御I/F 基板1 ベースリモ ートI/O基板1(メイン) B A S E C O N T R O L I / F P C B 1 B A S E R E M O T E I/ O P …

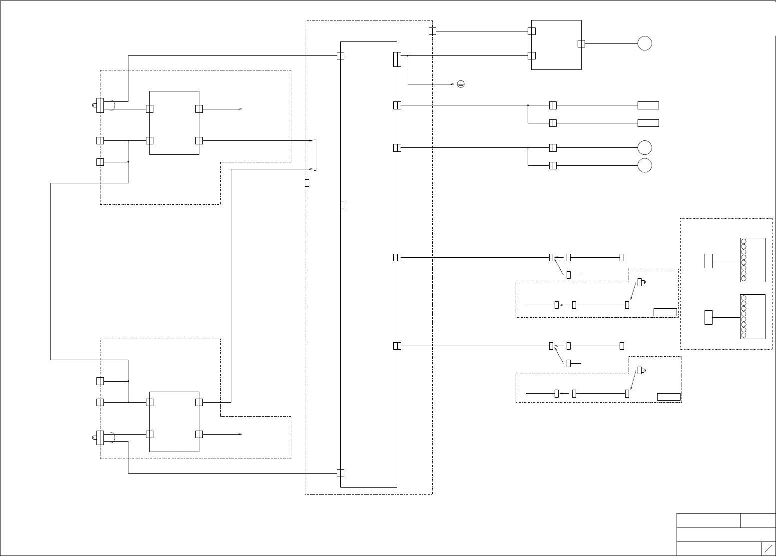
NAME TYPE
接続図
NFVc
TITLE
制御盤・基板搬送I/F接続
DRAWING No.
3
7
FUJI SECRET
2RGZBA000105
ADDRESS
7
ADDRESS
7
ADDRESS
2
ベース制御盤
BASE CONTROL BOX
BCBCN18
CN6
CN5
2EGZBA0012**
2EGZBA0053**
ベース制御I/F基板1
BASE CONTROL I/F PCB 1
パーツ真空ポンプ制御BKT
PARTS VACCUM PUMP CONTROL BKT
MS1CN1
MS1CN3
MS1CN2
2EGZBA0013**
M1M1
パーツ真空ポンプ
PARTS VACCUM PUMP
2AGTBB0010**
2EGZBA0019**
エアー圧力正常
M1PS1
AIR CHECK
パーツバキューム圧力正常
M1PS2
PARTS VACUUM OK
M1PS1
M1PS2
2RGTBB0029**
2RGTBB0030**
M1FAN1
2EGZBA0054** 2AGZBB0021**
冷却ファン(ベース背面1)
CN12
M1
FAN1
M1FAN2
2AGZBB0022**
冷却ファン(ベース背面2)
M1
FAN2
CN27A
2EGZBA0021**
CN3
CN27A
CN28A
RH5733*
CN8
CN-2
SMF
前工程基板搬送I/F基板
PREVIOUS PANEL
TRANSFER PCB
2EGZBA0016**
CN-5
SMF
CN-1
SMF
CN-3
SMF
レーン1
LANE1
レーン2
LANE2
2EGTBB0080**
or
周辺装置
CN-M1
LANE1-F
LANE2-F
BCBCN7
CNB
CN28A CN28A
2EGZBA0022**
CN4
RH5734*
CN27A
後工程基板搬送I/F基板
NEXT PANEL
TRANSFER PCB
CN-M2
CN-1
SMR
2EGTBB0080**
CN-2
SMR
or
周辺装置
レーン1
CN-5
SMR
CN-3
SMR
LANE1
LANE1-R
レーン2
LANE2
LANE2-R
2EGZBA0017**
CN9
2EGZBA0060**
2MⅢc ベース
2MⅢc BASE UNIT
(2EGZBA0038**)
(2EGZBA0049**)
側面カバーOPTION
11
M191
12
M191A
21
M192
22
M192A
RH5733*
ベースより
CN27B
31
+24VM1
32
X018
E1
Y000A
E2
GM
11
M191A
12
M191B
21
M192A
22
M192B
RH5734*
ベースより
CN28B
31
+24VM1
32
X019
E1
Y001A
E2
GM
盤内配線
モジュール1
接続コネクタCN2へ
モジュール2
接続コネクタCN2へ
前工程基板搬送I/F基板 BKT
PREVIOUS PANEL TRANSFER PCB BKT
2EGZBA0050**
後工程基板搬送I/F基板BKT
NEXT PANEL TRANSFER PCB BKT
2EGZBA0051**
CN27B
CN28B
RH5735*
RH5736*
COOLING FAN (REAR1)
COOLING FAN (REAR2)
側面カバー左
SIDE COVER(L)
側面カバー右
SIDE COVER(R)
SIDE COVER OPTION
FROM BASE UNIT
FROM BASE UNIT
側面カバー左
側面カバー右
(4M流用)
(4M流用)
FG
アースBKTへ
(4M流用)
(4M流用)
(4Mc流用)
(4Mc流用)
サイドカバー(フラットタイプ)
+安全SW背面仕様
2EGZBB0132**
CN28B
側面カバー右
RH3517*
OPTION
窓付きサイドカバー(装置右側)+安全SW背面タイプ
CN28A
2EGLBA0013**
CN28A
2EGZBB0155**
連結コネクタ
(2EGTBA0081**)
(後工程のCN27A)
サイドカバー(フラットタイプ)
+安全SW背面仕様
2EGZBB0132**
側面カバー左
RH3516*
OPTION
窓付きサイドカバー(装置左側)+安全SW背面仕様
CN27A CN27A
2EGTBB0169** 2EGLBA0012**
(前工程のCN28A)
連結コネクタ
(2EGTBA0082**)
CN27B

NAME TYPE
接続図
NFVc
TITLE
ベース リモートI/O接続
DRAWING No.
4
7
FUJI SECRET
2RGZBA000105
ベース制御盤
BASE CONTROL BOX
ベース制御I/F基板1
ベースリモートI/O基板1(メイン)
BASE CONTROL I/F PCB 1
BASE REMOTE I/O PCB 1(MAIN)
2EGZBA0024**
BCBCN5 CN2-1
CN2-2 CN1-2
ベースリモートI/O基板1(中継)
BASE REMOTE I/O PCB 1(ADAPTER)
CN3 CNA
2EGZBA0055**
CN17 CN5
2EGZBA0057**
CN7
モジュール1着座確認
M1LS14
MODULE 1 DOCKING CHECK
モジュール2着座確認
M1LS24
MODULE 2 DOCKING CHECK
2EGZBA0026**
タイムカウンタ
CN15
TM1
TIME COUNTER
M1LS17
2RGTBB0148**
残テープBOX1有りセンサ
M1LS17
TAPE BOX 1 CHECK
2MⅢc ベース
2MⅢc BASE UNIT
1 RX000
2 RY002
3 RY00A
4 RX008
5 RX007
6
7 RX003
8 RX00B
M1LS18
M1LS28
M1LS18
2EGZBA0044**
M1LS28
2EGZBA0045**
CNBR1
2RGZBA0026**
モジュール1引込み確認安全SW
MODULE 1 PULL FORWARD CHECK SAFETY SWITCH
モジュール2引込み確認安全SW
MODULE 2 PULL FORWARD CHECK SAFETY SWITCH
(4M流用)

NAME TYPE
接続図
NFVc
TITLE
ベース リモートI/O1接続
DRAWING No.
5
7
FUJI SECRET
2RGZBA000105
ベースリモートI/O基板1(中継)
BASE REMOTE I/O PCB 1(ADAPTER)
+24VM
RY000
GM
RY001
GM
RY002
GM
RY003
GM
1
2
3
4
5
6
7
8
9
10
+24VM
RX001
+24VM
RX002
GM
1
2
3
4
5
6
+24VM
RY008
GM
RY009
GM
RY00A
GM
RY00B
GM
1
2
3
4
5
6
7
8
9
10
+24VM
RX009
+24VM
RX00A
GM
1
2
3
4
5
6
+24VM
RX005
+24VM
RX00D
1
2
3
4
5
+24VM
RX004
+24VM
RX00C
1
2
3
4
5
ベースリモートI/O基板1(中継)
BASE REMOTE I/O PCB 1(ADAPTER)
INPUT
モジュール1クランプ
M1SOL1E
モジュール1アンクランプ
M1SOL2E
モジュール1フロント・リア クランプ
M1SOL17E
モジュール1フロント・リア アンクランプ
M1SOL18E
CN1
CN2
CN3
CN4
CN6
CN7
2EGZBA0027**
モジュール1アンクランプ確認
M1LS12
モジュール1クランプ位置確認
M1LS13
モジュール2クランプ
M1SOL3E
モジュール2アンクランプ
M1SOL4E
2EGZBA0028**
モジュール2フロント・リア クランプ
M1SOL27E
モジュール2フロント・リア アンクランプ
M1SOL28E
モジュール2アンクランプ確認
M1LS22
モジュール2クランプ位置確認
M1LS23
モジュール1リア アンクランプ(左)
M1LS15A
モジュール1リア アンクランプ(右)
M1LS15B
2EGZBA0056**
モジュール2リア アンクランプ(左)
M1LS25A
モジュール2リア アンクランプ(右)
M1LS25B
モジュール1フロント アンクランプ(左)
M1LS14A
モジュール1フロント アンクランプ(右)
M1LS14B
2EGZBA0030**
モジュール2フロント アンクランプ(左)
M1LS24A
モジュール2フロント アンクランプ(右)
M1LS24B
2RGZBA0017**
F-M12
2RGZBA0012**
2MⅢc ベース
2MⅢc BASE UNIT
1 +24VM
2 RX006
3 GM
CN-X
b-3
(RX006)
4
1 +24VM
2 RX00E
CN-X
d-3
(RX00E)
3 GM
4
1 +24VM
2 RX00F
CN-X
d-4
(RX00F)
3 GM
4
1 +24VM
2 +24VM
CN-X
e-4
(予備)
3 GM
4 GM
OUTPUT
1 +24VM
2 RY004
CN-Y
b-1
(RY004)
3 GM
4 GM
1 +24VM
2 RY005
CN-Y
b-2
(RY005)
3 GM
4 GM
1 +24VM
2 RY006
CN-Y
b-3
(RY006)
3 GM
4 GM
1 +24VM
2 RY007
CN-Y
b-4
(RY007)
3 GM
4 GM
OUTPUT
1 +24VM
2 RY00C+
CN-Y
d-1
(RY00C)
3 RY00C-
4 GM
1 +24VM
2 RY00D+
CN-Y
d-2
(RY00D)
3 RY00D-
4 GM
1 +24VM
2 RY00E+
CN-Y
d-3
(RY00E)
3 RY00E-
4 GM
1 +24VM
2 RY00F+
CN-Y
d-4
(RY00F)
3 RY00F-
4 GM
2RGZBA0029**
2RGZBA0030**
R-M1
R-M2
CNR1
CNR2
2RGZBA0023**
MODULE 1 CLAMP
MODULE 1 UNCLAMP
MODULE 1 FRONT,REAR CLAMP
MODULE 1 FRONT,REAR UNCLAMP
MODULE 1 UNCLAMP CHECK
MODULE 1 CLAMP POSTION CHECK
MODULE 2 CLAMP
MODULE 2 UNCLAMP
MODULE 2 FRONT,REAR CLAMP
MODULE 2 FRONT,REAR UNCLAMP
MODULE 2 UNCLAMP CHECK
MODULE 2 CLAMP POSTION CHECK
MODULE 1 REAR UNCLAMP(L)
MODULE 1 REAR UNCLAMP(R)
MODULE 2 REAR UNCLAMP(L)
MODULE 2 REAR UNCLAMP(R)
MODULE 1 FRONT UNCLAMP(L)
MODULE 1 FRONT UNCLAMP(R)
MODULE 2 FRONT UNCLAMP(L)
MODULE 2 FRONT UNCLAMP(R)
2EGZBA0059**
2EGZBA0058** 2RGZBA0024**
2RGZBA0025**