2RGZBB007113 - 第144页
NAME TYPE 接続図 NFVc T I T L E リモートI/O接続 DRAWING No. 3 1 0 SECRET 2R GZ BC 000 11 1 モジュールリモ ートIO基板(中継) モジュールリモート IO基板(中継) M O D U L E R E MO T E I O P C B ( A D A P T E R ) M O D U L E R E M O T E I O P C B ( A D A P T E R…

NAME TYPE
接続図
NFVc
TITLE
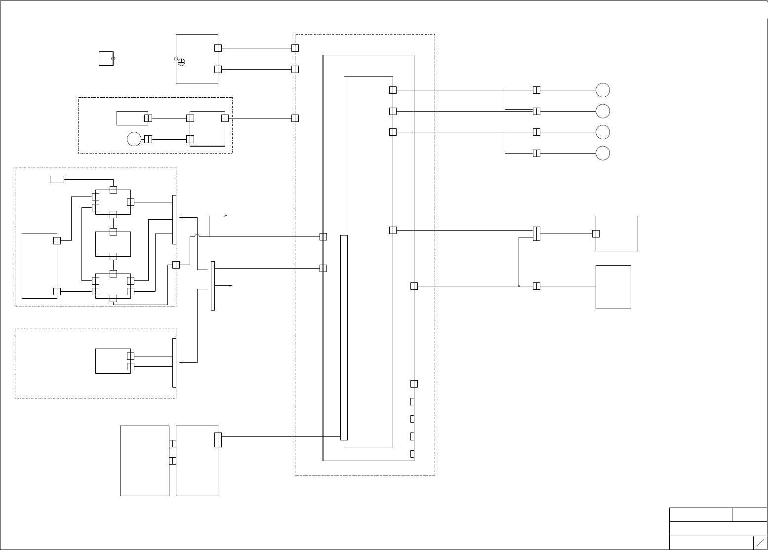
モジュール制御盤接続
DRAWING No.
2
10
SECRET
2RGZBC000111
モジュール制御盤
MODULE CONTROL BOX
モジュール制御I/F基板
MODULE CONTROL I/F PCB
コネクタ基板
CONNECTOR PCB
CONNECT
CN5
サーボBOX
SERVO BOX
Y軸モータ固定子
Y AXIS MOTOR STATOR
2EGZBC0009**
MCBCN16
2EGZBC0010**
MCBCN17
J1
(CONTROL)
2EGZBC0041**
2EGZBC0011**
MCBCN15
J2
(POWER)
CN3
M2FAN1
2AGZBC0018**
冷却ファン(下部1)(左)
M2
FAN1
COOLING FAN (UNDER 1)(L)
EXCN-3
2EGZSA0014**
EXCN-1
2EGZSA0015**
11・・+24VM4A
12・・E9
32・・X003
31・・K3108
21・・M226
22・・M225
E1・・Y004A
E2・・GA
フロント安全扉ロック
FRONT SAFETY DOOR LOCK
操作パネル
OPERATION PANEL
DC-I/O
(POWER&EMG)
モジュールCPU-BOX
MODULE CPU-BOX
AC/DC電源
POWER SUPPLY
CN1
CONNECT
CN10
M2FAN4
冷却ファン(上部1)(左)
CONNECT
CN9
M2
FAN4
COOLING FAN (UPPER 1)(L)
M2FAN5
2AGZBC0020**
冷却ファン(上部2)(右)
M2
FAN5
COOLING FAN (UPPER 2)(R)
CN19
CN20
CN21
CN22
CN16
CN201
CN202
BACKPLANE
バックプレーン
BACKPLANE
2EGTBC0144**
FAN
CPUBOX 冷却ファン
CPUBOX COOLING FAN
2EGTBC0145**
2EGZBC0051**
2EGZBC0036**
2EGZBC0056**
CONNECT
CN7
M3Ⅲc モジュール
M3Ⅲc MODULE UNIT
LED
CN5
CN3
PARTS LIGHT
CN1
光源昇圧電源基板
FH1611***
CN2
CN4
CN1
CN10
光源落射LEDドライブ基板
FH1612***
CN2
CN4
CN1 CN2
CN9
CN5 CN3
PARTS LIGHT
パーツカメラ光源基板
PARTS CAMERA LIGHT PCB
2EGTGA0012**
I/O
PWR
M2FAN2
2AGZBC0019**
冷却ファン(下部2)(右)
M2
FAN2
COOLING FAN (UNDER 2)(R)
2EGTGA0041**
2EGTGA0038**
2EGTGA0033**
2EGTGA0016**
CONNECT
CN11
リモートIO基板(中継)
TO REMOTE IO PCB
(ADAPTER)
リモートIO基板(メイン)
TO REMOTE IO PCB(MAIN)
CN4
(POWER)
CN24 CN5
CN25 CN6
パーツカメラ光源ユニット(標準(P04CL))
PARTS CAMERA LIGHT UNIT(STANDARD(P04CL))
2EGTGA0056**
光源側射LEDドライブ基板
FH1938*F
2EGTGA0054**
光源制御基板
FH1937*F
2EGTGA0055**
パーツカメラ光源ユニット(ワイド(P05CL),サイドライト,25M(MP03CL,MP05CL))
PARTS CAMERA LIGHT UNIT (WIDE(P05CL),SIDELIGHT,25M(MP03CL,MP05CL))
CN7
2EGTGA0048**
LIGHT IO
ADDRESS
8
モジュール制御I/F基板
MODULE CONTROL I/F PCB
CN21
2EGTGA0049**
CN13
PARTS LIGHT
2EGTBC0293**
CN11
画像処理基板
VISION PCB
ADDRESS
9
TRIG OUT
2AGZBC0021**

NAME TYPE
接続図
NFVc
TITLE
リモートI/O接続
DRAWING No.
3
10
SECRET
2RGZBC000111
モジュールリモートIO基板(中継) モジュールリモートIO基板(中継)
MODULE REMOTE IO PCB(ADAPTER) MODULE REMOTE IO PCB(ADAPTER)
1 +24VAR
2 GA
3 RX000
4 RX001
5 RX002
CN3
6 RX003
7 RX004
8 RX005
9 +24VAR
10
11 RY000
12 GB
13 RY001
14 GB
15 RY002
16 GB
17 RY003
18 GB
19 RY004
20
21 RY005
22 GB
23
24
RX006
GB
2EGZBC0014**
パーツバキューム圧確認
M2PS2
2RGZBC0028**
エアー圧力確認
M2PS1
1 +24VAR
2 RX007
3 GA
4 RY006
5 GB
CN7
6 RY007
7 GB
JOF PS
2RGZCE0003**(ダブル)
ハイブリッドキャリブ吸着確認
JOF PS
2EGZBC0049**
ハイブリッドキャリブ吸着バキュームON
JOF SOL1
ハイブリッドキャリブ吸着バキュームOFF
JOF SOL2
JOF SOL
2RGZCB0008**(ダブル)
+24VA1
X00D
CN-PLT
2AGZPA0001**
フィーダパレット密着確認(右)
31LS1
フィーダパレット密着確認(左)
31LS2
フィーダパレット確認
31LS3
フィーダパレットクランプ確認
31LS6
フィーダパレットアンクランプ確認
31LS7
フィーダパレットクランプ
31SOL1
フィーダパレットアンクランプ
31SOL2
パレット台ファン
M2
FAN3
1 +24VAR
2 RX018
3 GA
4 +24VAR
5 RX019
6 GA
7 +24VAR
8 RX01A
9 GA
10 +24VAR
11 RX01B
12 +24VAR
CN5
13 RX01C
14 RY018
15 GB
16 RY019
17 GB
18 FAN3AL
19 +24VB1
20 GB
2EGZBC0048**
1 +24VAR
2 RX010
3 GA
CN2
4 +24VAR
5 RX011
6 GA
1 +24VAR
2 RX008
(OPTION)レーン1基板バキューム圧確認
3 GA
4 +24VAR
(OPTION)レーン2基板バキューム圧確認
5 RX009
6 GA
7 RY008
(OPTION)レーン1側基板吸着バキュームON
8 GB
CN8
9 RY009
(OPTION)レーン1側基板吸着バキュームOFF
10 GB
11 RY00A
(OPTION)レーン2側基板吸着バキュームON
12 GB
13 RY00B
(OPTION)レーン2側基板吸着バキュームOFF
14 GB
1 +24VAR
2 RX00C
3 RX00D
4 RX00E
5 RX012
6 RX013
7 Y008B
8
9 FAN3AL
10 +24VB1
11 +24VB6B
12 +24VA1
CN1
13 X00D
14 RX016
15 RX017
16 RX01D
17 RX01E
18 RX01F
19 NC
20 NC
モジュール制御I/F基板
MODULE CONTROL I/F PCB
CN4
2EGZBC0013**
TAPE CUTTER
2EGZBC0015**
2RGTPK001**
残テープカッター動作端確認
31LS10
残テープカッター原位置確認
31LS11
残テープカッター動作指示
31SOL3
1 +24VAR
2 RX00A
3 GA
4 +24VA1C
5 RX00B
6 GA
7 Y008B
8 GB
CN4
1 +24VB3R
シグナルタワー
2 GB
SIGNAL TOWER
3 RY010
4 RY011
PL1 CN1
5 RY012
2EGZSA0016** 2EGZKA0002**
6 RY014+
CN6
PL1
7 RY014-
8 RY015+
9 RY015-
10 RY016+
11 RY016-
2EGZBC0018**
部品廃棄BOX着座確認
M2LS7
1 +24VAR
2 RX014
3 GA
CN9
ノズルチェンジャーユニット
ノズルチェンジャー上昇端1センサ
ノズルチェンジャー上昇端2センサ
NZCN1
ノズルチェンジャー下降端センサ
ノズルチェンジャーテーブルシャッター閉確認センサ
ノズルチェンジャーテーブルシャッター開確認センサ
ノズルチェンジャー接続確認
CN2
RH0302*
ノズルチェンジャー着座確認
25LS6
ノズルチェンジャー上昇1
3A 25SOL1
ノズルチェンジャー下降1
3B 25SOL2
ノズルチェンジャー上昇2
2A 25SOL3
ノズルチェンジャー下降2
2B 25SOL4
ノズルチェンジャーテーブルシャッター開
1A 25SOL5
ノズルチェンジャーテーブルシャッター閉
1B 25SOL6
+24VA1C
M3Ⅲc モジュール
M3Ⅲc MODULE UNIT
イオナイザー(カバーテープ)(NFVcのみ)
INZ TAPE
ADDRESS
4
2EGZPA0004**
PARTS VACUUM PRESSURE SENSOR
AIR PRESSURE SENSOR
2RGZCA0005**(シングル)
2RGZCA0006**(シングル)

NAME TYPE
接続図
NFVc
TITLE
リモートI/O接続
DRAWING No.
4
10
SECRET
2RGZBC000111
モジュールリモートIO基板(中継) モジュールリモートIO基板(中継)
MODULE REMOTE IO PCB(ADAPTER) MODULE REMOTE IO PCB(ADAPTER)
1 +24VAR
フィーダ誤挿入検知センサ(左)
32LS1
2 RX015A
2EGZBC0044**
3 GA
CN10
4 +24VAR
5 RX015B
フィーダ誤挿入検知センサ(右)
32LS2
6 GA
1 +24VAR
2 RX028
3 +24VAR
4 RX029
5 +24VAR
6 RX02A
7 +24VAR
8 RX02B
9
10
RY01A
11
GB
12
RY01B
CN11
GB
1 +24VAR
CN17
トヨタ自動車特殊対応
2 RX02F
1 +24VAR
2 GA
3 +24VAR
予備電源
CN18
4 GA
5 +24VAR
6 GA
1 +24VAR
2 RX030
3 GA
4 +24VAR
5 RX031
6 GA
7 +24VAR
8 RX032
9 GA
10 +24VAR
11 RX033
12 GA
CN22
13 +24VAR
14 RX034
15 GA
16 +24VAR
17 RX035
18 GA
19 +24VAR
20 RX036
21 GA
22 +24VAR
23 RX037
24 GA
1 +24VB3R
2 RY00C
3 GB
4 +24VB3R
5 RY00D
6 GB
7 +24VB3R
8 RY00E
9 GB
10 +24VB3R
11 RY00F
12 GB
CN23
13 +24VB3R
14 RY017+
15 RY017-
16 GB
17 +24VB3R
18 RY01F
19 GB
20
1 +24VAR
2 RX020
3 GA
4 +24VAR
5 RX021
6 GA
7 +24VAR
8 RX022
9 GA
10 +24VAR
11 RX023
12 GA
13 +24VAR
14 RX024
15 GA
16 +24VAR
17 RX025
CN20
18 GA
19 +24VAR
20 RX026
21 GA
22 +24VAR
23 RX027
24 GA
2EGZBC0050**
1 RY01C
RESERVE(集塵エアブローON)
DUSTSOLCN12
2 GB
イオナイザーON(カバーテープ)(NFVcのみ)
INZSOL
1 RY01E
2 GB
3
2EGZBC0048**
4
イオナイザー(カバーテープ)(NFVcのみ)
CN13
5
GB
6 RX02CA
RY01E
+24VB6B
1 +24VAR
CN19 2 RX00F
3 GA
予備入力
1
2 RY020
3 GB
4
5 RY021
6 GA
7
8 RY022
9 GA
10
11 RY023
12 GA
CN21
13
14 RY024
15 GA
16
17 RY025
18 GA
19
20 RY026
21 GA
22
23 RY027
24 GA
+24VB3R
+24VB3R
+24VB3R
+24VB3R
+24VB3R
+24VB3R
+24VB3R
+24VB3R
RESERVE
RESERVE
I/O予備(入力)
I/O予備(出力)
RESERVE
RESERVE
32LS1
2AGZBC0010**
M3Ⅲc モジュール
M3Ⅲc MODULE UNIT
ADDRESS
3
32LS2
2AGZBC0011**
9P
イオナイザー付属品
1
CN15
2
RY01D
GB
2EGTYA0002**
M2SOL3
ブラッシングユニットON
(OPTION)
1 +24VB6B
2 GB
3 RY01C
4 RX02DA
CN14
5 +24VB6B
6 GB
7 RY01C
8 RX02EA
1 +24VB3R
CN16 2 RY013
3 GB
2EGTBE0221**
M2CR20
RELAY
2EGTBE0220**
電源スイッチ
POWER SW
SW1
IONIZER1
イオナイザー
IONIZER
8P
8P
9P
OPTION