2RGZBB007113 - 第175页
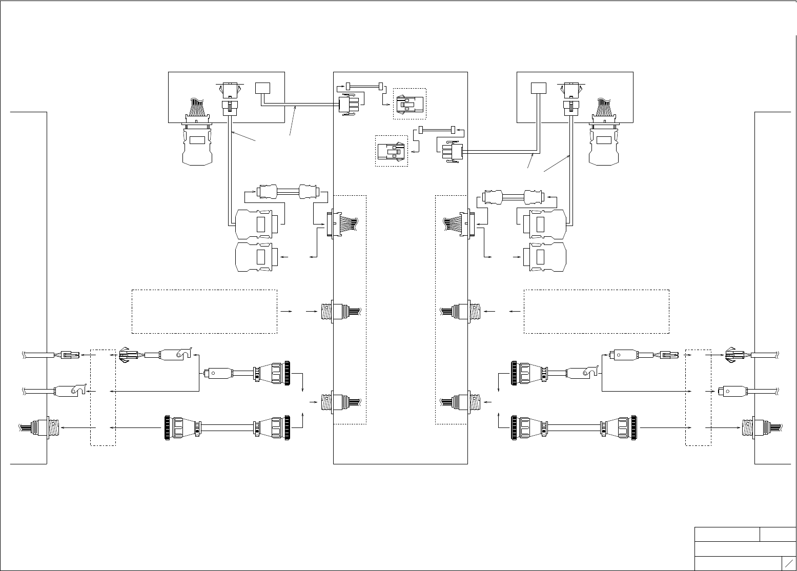
NAME TYPE 機械間I/F INTERFACE BETWEEN MACHINES NXTⅢc T I T L E NXTⅢcと周辺装置、既存機の接続 DRAWING No. 4 4 FUJI SECRET 2R GZ BB 009 10 0 C O N N E C T I O N OF NX T I I I c , P E RI P H E R A L E Q U I P ME N T , A N D T H E E X I S …

NAME TYPE
機械間I/F
INTERFACE BETWEEN MACHINES
NXTⅢc
TITLE
NXTⅢcと周辺装置、NXTⅢc(NXTⅡc)の接続
DRAWING No.
3
4
FUJI SECRET
2RGZBB009100
CN-M2
レーン2-R
LANE2-R
レーン1-R
LANE1-R
後工程側
(Next side)
2EGTBB0080**
RH0399*を取り外し
RH0406*を接続する
CN-M2CN-M2
RH0399*
CN-SUM
2EGTBB0080**を取り外し
RH0406*を接続する
RH0406*
CN-SUM
CN-SUM
RH2138*(1.5m)
RH2137*(3m)
RH2139*(5m)
RH2138*(1.5m)
RH2137*(3m)
RH2139*(5m)
周辺装置(シャトル・ダブルコンベアなど)
CN-SU
RH0398*
CP
2EGTBB0080**を取り外し
RH0398*を接続する
CN-M1 CN-M1
2EGTBB0080**
RH0397*
前工程側
(Previous side)
CN-M1
レーン2-F
LANE2-F
レーン1-F
LANE1-F
サーキットブレーカBKT1
CN6
サーキットブレーカBKT*
CN7 or CN5
CN-M2
レーン2-R
LANE2-R
レーン1-R
LANE1-R
後工程側
(Next side)
RH0397*
2EGTBB0080**
CN-M1CN-M2
CP
2EGTBB0080**を取り外し
RH0398*を接続する
周辺装置(シャトル・ダブルコンベアなど)
CN-SU
RH2138*(1.5m)
RH2137*(3m)
RH2139*(5m)
RH2138*(1.5m)
RH2137*(3m)
RH2139*(5m)
CN-SUM
CN-SUM
RH0399*
CN-SUM
2EGTBB0080**を取り外し
RH0406*を接続する
CN-M2 CN-M1
RH0399*を取り外し
RH0406*を接続する
2EGTBB0080**
前工程側
(Previous side)
CN-M1
レーン2-F
LANE2-F
レーン1-F
LANE1-F
PANEL TRANSFER I/F BOARD
基板搬送I/F基板
PANEL TRANSFER I/F BOARD
基板搬送I/F基板
CIRCUIT BREAKER BOX1
CIRCUIT BREAKER BOX*
NXTⅢc BASE
NXTⅢc ベース
接続
CONNECTION
接続
CONNECTION
接続
CONNECTION
接続
CONNECTION
接続
CONNECTION
接続
CONNECTION
接続
CONNECTION
接続
CONNECTION
接続
CONNECTION
接続
CONNECTION
周辺装置付属ケーブル
PERIPHERAL EQUIPMENT ATTACHED HARNESS
取り外し
REMOVAL
接続
CONNECTION
接続
CONNECTION
取り外し
REMOVAL
接続
CONNECTION
取り外し
REMOVAL
接続
CONNECTION
取り外し
REMOVAL
周辺装置付属ケーブル
PERIPHERAL EQUIPMENT ATTACHED HARNESS
接続
CONNECTION
取り外し
REMOVAL
(NXTⅡc BASE)
(NXTⅡcベース)
(NXTⅡc BASE)
(NXTⅡcベース)
CONNECTION
取り外し
REMOVAL
接続
PERIPHERAL EQUIPMENT(SHUTTLE,DOUBLE CONVEYOR ETC.) PERIPHERAL EQUIPMENT(SHUTTLE,DOUBLE CONVEYOR ETC.)
基板搬送I/F基板
PANEL TRANSFER I/F BOARD
基板搬送I/F基板
PANEL TRANSFER I/F BOARD
RH0398* RH0406*
REMOVE RH0399*,
CONNECT RH0406*
REMOVE RH0399*,
CONNECT RH0406*
REMOVE 2EGTBB0080**,
CONNECT RH0406*
REMOVE 2EGTBB0080**,
CONNECT RH0398*
REMOVE 2EGTBB0080**,
CONNECT RH0406*
REMOVE 2EGTBB0080**,
CONNECT RH0398*
EEHH175*(5m)
EEHH174*(1.5m)
EEHH143*(3m)
( )
EEHH174*(1.5m)
EEHH143*(3m)
( )
EEHH175*(5m)
EEHH174*(1.5m)
EEHH143*(3m)
( )
EEHH175*(5m)
EEHH174*(1.5m)
EEHH143*(3m)
( )
EEHH175*(5m)
CONNECTION OF NXTIIIc, PERIPHERAL EQUIPMENT, AND NXTIIIc(NXTIIc)
NXTⅢc BASE
NXTⅢc ベース
NXTⅢc BASE
NXTⅢc ベース
RH3902*(1m)
RH3902*(1m)
RH3902*(1m)
RH3902*(1m)
2EGTLL0001**
2EGTLL0001**
RH4425*
RH4426*

NAME TYPE
機械間I/F
INTERFACE BETWEEN MACHINES
NXTⅢc
TITLE
NXTⅢcと周辺装置、既存機の接続
DRAWING No.
4
4
FUJI SECRET
2RGZBB009100
CONNECTION OF NXTIIIc, PERIPHERAL EQUIPMENT, AND THE EXISTING MACHINE
後工程からの送れ信号
FROM NEXT(BUSY)
後工程からの送れ信号
FROM NEXT(BUSY)
後工程側
(Next side)
既存機
EXISTING MACHINE
MLコネクタ
ML CONNECTOR
ヒルシュマンコネクタ
HIRSCHMANN CONNECTOR
[FUJI仕様]
[FUJI STANDARD]
[FUJI仕様]
[FUJI STANDARD]
[SMEMA規格]
[SMEMA STANDARD]
接続
CONNECTION
接続
CONNECTION
接続
CONNECTION
変換ハーネス
CONVERSION HARNESS
RH2136*
レーン2使用時、レーン1と同様に接続して下さい。
Please connect like a lane 1 at the time of lane 2 use.
RH2138*(1.5m)
RH2137*(3m)
RH2139*(5m)
RH0814*(3m)
接続
CONNECTION
いずれかを接続して下さい。
Please connect either.
前工程側
(Previous side)
基板搬送I/F基板
PANEL TRANSFER I/F BOARD
CN-M1
レーン2-F
LANE2-F
レーン1-F
LANE1-F
NXTⅢc ベース
NXTⅢc BASE
CN-M2
レーン2-R
LANE2-R
レーン1-R
LANE1-R
基板搬送I/F基板
PANEL TRANSFER I/F BOARD
後工程側
(Next side)
いずれかを接続して下さい。
Please connect either.
接続
CONNECTION
RH0816*(3m)
RH2138*(1.5m)
RH2137*(3m)
RH2139*(5m)
レーン2使用時、レーン1と同様に接続して下さい。
Please connect like a lane 1 at the time of lane 2 use.
変換ハーネス
CONVERSION HARNESS
RH2135*
接続
CONNECTION
接続
CONNECTION
接続
CONNECTION
[FUJI仕様]
[FUJI STANDARD]
[FUJI仕様]
[FUJI STANDARD]
[SMEMA規格]
[SMEMA STANDARD]
MLコネクタ
ML CONNECTOR
ヒルシュマンコネクタ
HIRSCHMANN CONNECTOR
既存機
EXISTING MACHINE
前工程側
(Previous side)
前工程への基板送れ信号
PANEL REQUEST
前工程への基板送れ信号
PANEL REQUEST
接続
CONNECTION
取り外し
REMOVAL
CN-M1CN-M2
2EGTBB0080**を取り外し
RH0398*を接続する
RH0398*
2EGTBB0080**
RH0397*
周辺装置付属ケーブル
PERIPHERAL EQUIPMENT ATTACHED HARNESS
CP
CN-SU
周辺装置(シャトル・ダブルコンベアなど)
PERIPHERAL EQUIPMENT(SHUTTLE,DOUBLE CONVEYER ETC.)
CN-SUM
PERIPHERAL EQUIPMENT ATTACHED HARNESS
接続
CONNECTION
サーキットブレーカBKT1
CIRCUIT BREAKER BOX1
CN6
CN7 or CN5
サーキットブレーカBKT*
CIRCUIT BREAKER BOX*
接続
CONNECTION
CN-SUM
周辺装置(シャトル・ダブルコンベアなど)
PERIPHERAL EQUIPMENT(SHUTTLE,DOUBLE CONVEYER ETC.)
CN-SU
CP
RH0397*
2EGTBB0080**を取り外し
RH0398*を接続する
CN-M1 CN-M1
周辺装置付属ケーブル
接続
CONNECTION
取り外し
REMOVAL
RH0398*
2EGTBB0080**
CN-SUM
RH0399*
CN-SUM
RH0399*
接続済
IT CONNECTS
接続済
IT CONNECTS
Connection should choose any one of the figures.
接続は図のいずれか一つを選択して下さい。
Connection should choose any one of the figures.
接続は図のいずれか一つを選択して下さい。
REMOVE 2EGTBB0080**,
CONNECT RH0398*
REMOVE 2EGTBB0080**,
CONNECT RH0398*
EEHH174*(1.5m)
EEHH143*(3m)
( )
EEHH175*(5m)
EEHH174*(1.5m)
EEHH143*(3m)
( )
EEHH175*(5m)
(EEHH118*) (EEHH117*)
RH3902*(1m) RH3902*(1m)
2EGTLL0001**
2EGTLL0001**
RH4425*
RH4426*

4Mc BASE HARNESS LIST
品名
NAME
品目
ITEM
用途
USE
品名
NAME
品目
ITEM
用途
USE
#001 X19~
ハーネス
HARNESS
2EGZBB0003**
メインスイッチ M1SW1 - メインブレーカ M1NFB1
MAIN SWITCH M1SW1 - MAIN BREAKER M1NFB1
#001 X19~
ASSY
2AGZBB0002*
モジュール中継~ベース間接続ハーネス
MODULE - BASE CONNECTION HARNESS
#001 X19~
ハーネス
HARNESS
2EGZBB0001**
ノイズフィルタ M1NF1 - サーキットブレーカBKT CP1CN1
NOISE FILTER M1NF1 - CIRCUIT BREAKER BKT CP1CN1
#001 X19~
ハーネス
HARNESS
2EGTBB0062**
モジュール中継 CN3 - HUB CH1
MODULE JUNCTION CN3 - HUB CH1
#001 X19~
ハーネス
HARNESS
2EGZBB0002**
メインブレーカ M1NFB1 - ノイズフィルター M1NF1
MAIN BREAKER M1NFB1 - NOISE FILTER M1NF1
#001 X19~
ハーネス
HARNESS
2EGTBB0063**
モジュール中継 CN3 - HUB CH2
MODULE JUNCTION CN3 - HUB CH2
#001 X19~
ハーネス
HARNESS
2EGZBB0015**
ノイズフィルタ M1NF1 - アースBKT
NOISE FILTRE M1NF1 - EARTH BKT
#001 X19~
ハーネス
HARNESS
2EGZBB0052**
モジュール中継 CN3 - HUB CH3
MODULE JUNCTION CN3 - HUB CH3
ハーネス
HARNESS
2EGZBB0049**
CPU基板 1394 P0 - HUB CH6
CPU BOARD - HUB CH6
#001 X19~
ハーネス
HARNESS
2EGZBB0053**
モジュール中継 CN3 - HUB CH4
MODULE JUNCTION CN3 - HUB CH4
ハーネス
HARNESS
2EGZBB0069**
CPU LAN - ETHER NET 中継
CPU LAN - ETHER NET JUNCTION
#001 X19~
ハーネス
HARNESS
2EGZBB0054**
モジュール1 中継コネクタ CN2
MODULE 1 JUNCTION CN2
#001 X19~
ハーネス
HARNESS
2EGZBB0083**
モジュール2 中継コネクタ CN2
MODULE 2 JUNCTION CN2
#001 X19~
ASSY
2AGZBB0001**
CU_NET ハーネス
CU_NET HARNESS
#001 X19~
ハーネス
HARNESS
2EGZBB0056**
モジュール3 中継コネクタ CN2
MODULE 3 JUNCTION CN2
#001 X19~
ハーネス
HARNESS
2EGZBB0047**
CPU基板 CU_NET - リモートI/O基板1 CN1-1
CPU BOARD CU_NET - REMOTE I/O BOARD 1 CN1-1
#001 X19~
ハーネス
HARNESS
2EGZBB0084**
モジュール4 中継コネクタ CN2
MODULE 4 JUNCTION CN2
#001 X19~
ハーネス
HARNESS
2EGZBB0048**
リモートI/O基板1 CN1-2 - リモートI/O基板2 CN1-1
REMOTE I/O BOARD 1 CN1-2 - REMOTE I/O BOARD 2 CN1-1
#001 X19~
ハーネス
HARNESS
2EGZBB0058**
モジュール1 中継コネクタ CN1 - ベース制御盤 BCBCN2
MODULE 1 JUNCTION CN1 - BASE CONTROL BOX BCBCN2
#001 X19~
ハーネス
HARNESS
2EGZBB0059**
モジュール2 中継コネクタ CN1 - ベース制御盤 BCBCN3
MODULE 2 JUNCTION CN1 - BASE CONTROL BOX BCBCN3
#001 X19~
ASSY
2AGZBB0003**
真空ポンプBKTハーネス
VACUUM PUMP BKT HARNESS
#001 X19~
ハーネス
HARNESS
2EGZBB0060**
モジュール3 中継コネクタ CN1 - ベース増設制御盤 EBCBCN2
MODULE 3 JUNCTION CN1 - BASE CONTROL BOX 2 EBCBCN2
#001 X19~
ハーネス
HARNESS
2EGZBB0016**
ベース制御盤 BCBCN18 - パーツ真空ポンプBKT MS1CN1
BASE CONTROL BOX BCBCN18 - VACUUM PUMP BKT MS1CN1
#001 X19~
ハーネス
HARNESS
2EGZBB0061**
モジュール4 中継コネクタ CN1 - ベース増設制御盤 EBCBCN3
MODULE 4 JUNCTION CN1 - BASE CONTROL BOX 2 EBCBCN3
#001 X19~
ハーネス
HARNESS
2EGZBB0017**
パーツ真空ポンプBKT MS1CN2 - 真空ポンプM1M1
VACUUM PUMP BKT MS1CN2 - VACUUM PUMP
#001 X19~
ASSY
2AGZBB0004**
ベース動力ハーネス
BASE POWER HARNESS
#001 X19~
ハーネス
HARNESS
2EGZBB0004**
サーキットブレーカBKT CP1CN2 - サーキットブレーカ増設BKT CP2CN1
CIRCUIT BREAKER BKT CP1CN2 - CIRCUIT BREAKER 2 CP2CN1
#001 X19~
ハーネス
HARNESS
2EGZBB0005**
サーキットブレーカBKT CP1CN5 - CPUBOX 電源
CIRCUIT BREAKER BKT CP1CN5 - CPU BOX
#001 X19~
ハーネス
HARNESS
2EGZBB0095**
サーキットブレーカBKT CP1CN3A - ベース制御盤 BCBCN1A
CIRCUIT BREAKER CP1CN3A - BASE CONTROL BOX BCBCN1A
#001 X19~
ハーネス
HARNESS
2EGZBB0096**
サーキットブレーカBKT CP1CN3B - ベース制御盤 BCBCN1B
CIRCUIT BREAKER CP1CN3B - BASE CONTROL BOX BCBCN1B
#001 X19~
ハーネス
HARNESS
2EGZBB0097**
サーキットブレーカBKT CP1CN4 - ベース制御盤 BCBCN4
CIRCUIT BREAKER CP1CN3A - BASE CONTROL BOX BCBCN1A
#001 X19~
ハーネス
HARNESS
2EGZBB0098**
サーキットブレーカ増設BKT CP2CN3A - ベース増設制御盤 BCBCN1A
CIRCUIT BREAKER 2 CP2CN3A - BASE CONTROL BOX 2 BCBCN1A
#001 X19~
ハーネス
HARNESS
2EGZBB0099**
サーキットブレーカ増設BKT CP2CN3B - ベース増設制御盤 BCBCN1B
CIRCUIT BREAKER 2 CP2CN3B - BASE CONTROL BOX 2 BCBCN1B
NXTIIIc
2RGZBB009202 1/3