2RGZBB007113 - 第21页
2 0 1 2 0 2 2 0 3 2 0 4 2 0 5 2 0 6 2 0 7 2 0 8 2 0 9 2 1 0 2 1 1 2 1 2 2 1 3 2 1 4 2 1 5 2 1 6 2 1 7 2 1 8 2 1 9 2 2 0 2 2 1 2 2 2 2 2 3 2 2 4 2 2 5 2 2 6 2 2 7 2 2 8 2 2 9 2 3 0 2 3 1 2 3 2 2 3 3 2 3 4 2 3 5 2 3 6 2 3 …

1 01
1 02
1 03
1 04
1 05
1 06
1 07
1 08
1 09
1 10
1 11
1 12
1 13
1 14
1 15
1 16
1 17
1 18
1 19
1 20
1 21
1 22
1 23
1 24
1 25
1 26
1 27
1 28
1 29
1 30
1 31
1 32
1 33
1 34
1 35
1 36
1 37
1 38
1 39
1 40
1 41
1 42
1 43
1 44
1 45
NAME PAGE
ベース回路図
BASE CIRCUIT DIAGRAM
19
1
TITLE TYPE
動力回路(AC)
POWER SOURCE CIRCUIT(AC)
NXTⅢc
DRAWING No.
1
4
FUJI SECRET
2RGZBB008000
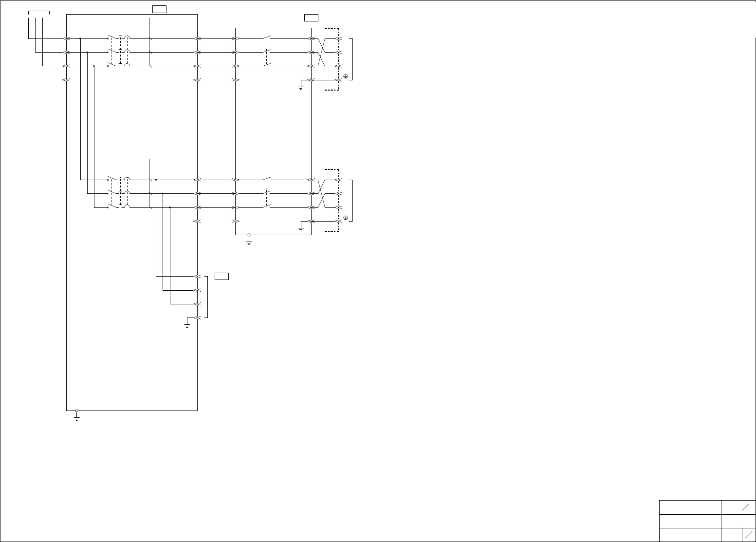
M1NFB1
(30A)
M1CP1
(15A)
M1MS11
635
モジュール1電源遮断
M1CP2
(15A)
M1MS12
637
モジュール2電源遮断
M1CP11
(10A)
SW1
M1NFB2
(30A)
1 2
3 4
5 6
1
2
3
4
M1NFB1
(20A)
5
6
PE
L1
L2
L3
AWG12
M1SK1
1
2
3
M1NF1
AWG12
AWG12
R010R100
①
④
S010S100
②
⑤
T010T100
③
⑥
AC200~230V 50/60Hz
AWG16
R111 R121 R
S111 S121 S
T111 T121 T
AWG16
R112 R122 R
S112 S122 S
T112 T122 T
モジュール1電源
MODULE1 POWER SOURCE
オプション装置電源(IN)
OPTIONAL DEVICE POWER(IN)
モジュール2電源
MODULE2 POWER SOURCE
オプション装置電源(OUT)
OPTIONAL DEVICE POWER(OUT)
2Mc
AWG16
R101
S101
T101
ブレーカボックス1
BREAKER BOX 1
CP1CN1
-A1
-A2
-B1
-B2
R001
S001
T001
CP1CN2
-A1
-A2
-B1
-B2
CP1CN3A
-1
-2
-3
-1
-2
-3
-4
-4
CP1CN3B
CP1CN6
-1
-2
-3
-4
CP1CN7
-1
-2
-3
-4
CP1CN4
-1
-2
-3
-4
CP1CN5
-1
-2
-3
BCBCN1A
-1
-2
-3
-1
-2
-3
-4
BCBCN1B BCBCN3
-1
-2
-3
-4
ベースCPUボックス
BASE CPU BOX
BASE CONTROL BOX 1
ベースコントロールボックス1
BCBCN2
-1
-2
-3
-4-4
CN1
-B1
-B2
-A2
-A1
CN1
-B1
-B2
-A2
-A1
NEXT PAGE
R122
S122
T122
2Mc
460-
480V
415-
440V
R020
380-
400V
200V
460-
480V
415-
440V
S020
380-
400V
200V
460-
480V
415-
440V
T020
380-
400V
200V
M1T1
10.4kVA
U1
U2
U3
AWG12
U4
V1 u
200V R030 R100
V2
v
200V S030 S100
V3
V4 w
200V T030 T100
W1
W2
W3
N
W4
SHIELD
アース端子台
FG
OPTION4Mc
AC400V
SYSTEM
4Mc OPTION
EARTH BLOCK
AC POWER
R
1
S
3
5
BCBCN4
-1
-2
-3
-4
R101
S101
T101
-4

2 01
2 02
2 03
2 04
2 05
2 06
2 07
2 08
2 09
2 10
2 11
2 12
2 13
2 14
2 15
2 16
2 17
2 18
2 19
2 20
2 21
2 22
2 23
2 24
2 25
2 26
2 27
2 28
2 29
2 30
2 31
2 32
2 33
2 34
2 35
2 36
2 37
2 38
2 39
2 40
2 41
2 42
2 43
2 44
2 45
NAME PAGE
ベース回路図
BASE CIRCUIT DIAGRAM
19
2
TITLE TYPE
動力回路(AC)
POWER SOURCE CIRCUIT(AC)
NXTⅢc
DRAWING No.
2
4
FUJI SECRET
2RGZBB008000
M1CP3
(15A)
M1MS13
835
モジュール3電源遮断
M1CP4
(15A)
M1MS14
837
モジュール4電源遮断
AWG16
R113
S113
T113
AWG16
R114
S114
T114
R123
S123
モジュール3電源
MODULE3 POWER SOURCE
T123
R124
S124
モジュール4電源
MODULE4 POWER SOURCE
T124
4Mc
オプション装置電源(OUT)
OPTIONAL DEVICE POWER(OUT)
R100
S100
T100
BREAKER BOX 2
ブレーカボックス2
BASE CONTROL BOX 2
ベースコントロールボックス2
CP2CN1
-A1
-A2
-B1
-B2
CP2CN3A
-1
-2
-3
-4
-1
CP2CN3B
-2
-3
CP2CN5
-1
-2
-3
-4
EBCBCN1A
-1
-2
-3
-4 -4
-3
-2
-1
EBCBCN2
EBCBCN1B
-1
-2
-3
-4
-3
-2
-1
EBCBCN3
4Mc
4Mc
CN1
R
-B1
S
-B2
T
-A2
-A1
CN1
R
-B1
S
-B2
T
-A2
-A1
PREVIOUS PAGE
-4 -4

3 01
3 02
3 03
3 04
3 05
3 06
3 07
3 08
3 09
3 10
3 11
3 12
3 13
3 14
3 15
3 16
3 17
3 18
3 19
3 20
3 21
3 22
3 23
3 24
3 25
3 26
3 27
3 28
3 29
3 30
3 31
3 32
3 33
3 34
3 35
3 36
3 37
3 38
3 39
3 40
3 41
3 42
3 43
3 44
3 45
NAME PAGE
ベース回路図
BASE CIRCUIT DIAGRAM
19
3
TITLE TYPE
動力回路(AC)
POWER SOURCE CIRCUIT(AC)
NXTⅢc
DRAWING No.
3
4
FUJI SECRET
2RGZBB008000
M
~
M1M1
M1IV1
P1 P2
M1U1
R/L1 U
パーツバキュームポンプモータ
M1V1
S/L2 V
PARTS VACUUM PUMP MOTOR
400W
M1W1
T/L3 W
GM X008
CM 30B
Y006
FWD
+24VM1
X1 30C
R101
S101
T101
PARTS VACUUM PUMP CONTROL BOX
パーツバキュームポンプコントロールボックス
BCBCN4
-2
-3
-4
-1
BASE CONTROL BOX 1
ベースコントロールボックス1
BCBCN18
-1
-2
-3
-4
MS1CN1
-1
-2
-3
-4
BREAKER BOX 1
ブレーカボックス1
MS1CN3
-6
-5
-7
-1
-2
MS1CN2
-1
-2
-3
-6
AWG16
インタフェース基板1
INTERFACE BOARD 1
CN6
+24VM1
-1
X008
-2
+24VM1
-3
M141
-4
Y006
-5
GM
-6
-7
-8
M143
-9
-10
-5
SHIELD
SHIELD
-10
NEXT PAGE
Y009
GM
CP1CN4
-1
-2
-3
-4
R101
S101
T101