2RGZBB007113 - 第5页
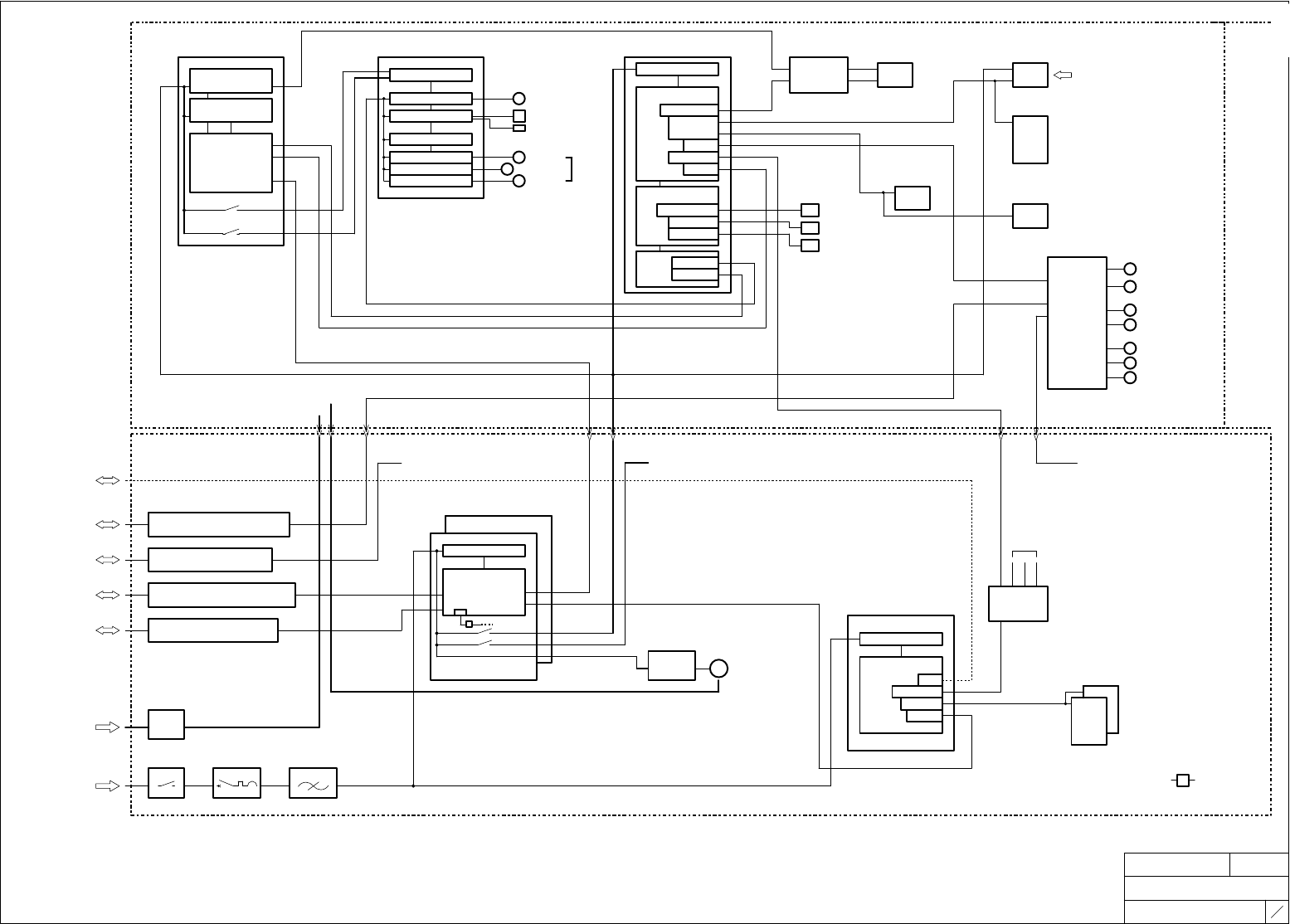
NAME TYPE ブロック図 BLOCK DIAGRAM NXTⅢc T I T L E NXTⅢcシステム構成 NXTIIIc SYSTEM CONFIGURATION DIAGAM DRAWING No. 2 2 FUJI SECRET 2R GZ BB 007 20 1 M 6 c M O D U L E モ ジュ ー ル コン ト ロー ル ボ ック ス モ ジュ ー ルサ ー ボ ボッ ク ス モ ジュ ー ル CP U ボ…

NAME TYPE
ブロック図
BLOCK DIAGRAM
NXTⅢc
TITLE
NXTⅢcシステム構成
NXTIIIc SYSTEM CONFIGURATION DIAGAM
DRAWING No.
1
2
FUJI SECRET
2RGZBB007201
M3c MODULE
AIR
VACUUM1
モジュールCPUボックス
MODULE CPU BOX
MAIN BOARD
IEEE1394a
CU NET 2
D I/O
SynqNet
CAMERA LINK
IEEE1394a
PANEL LIMK
UART5
I/O
VISON
SERVO
MODULE SERVO BOX
モジュールサーボボックス
POWER SUPPLY
X AXIS AMP.
Y AXIS AMP.
AXIS AMP.
R AXIS AMP.
Q AXIS AMP.
Z AXIS AMP.
M
X AXIS
M
M
R AXIS
M
Q AXIS
Z AXIS
DC POWER SUPPLY
INTERFACE BOARD
CONTROL CIRCUIT
SAFETY CIRCUIT
MODULE CONTOROL BOX
モジュールコントロールボックス
DC POWER SUPPLY
CONTROL
ACUTUATOR
OPERATION PANEL
操作パネル
HEAD
CONVEYOR CONTROLLER
コンベアコントローラ
M
PANEL C/V MOTOR 1
M
PANEL C/V MOTOR 2
M
WIDTH CHANGE MOTOR 1
M
WIDTH CHANGE MOTOR 2
M
WIDTH CHANGE MOTOR 3
RS232C
RS485
リモートI/O基板
REMOTE I/O BOARD
56/40
FEEDER PALETTE
デバイスパレット
HEAD UNIT
ヘッドユニット
FEEDER
DEVICE DISPLAY
デバイス情報表示器
MARK CAM
PARTS CAM
OPTION
REMOTE I/O
オプション
リモートI/O
4Mc BASE
LAST MODULE NEXT MODULE
ETHER NET
ベースコントロールボックス
基板搬送I/FBKT(前工程)
BASE CONTOROL BOX
2
RS485
PANEL TRANSFER
SIGNAL
(PREVIOUS)
PANEL TRANSFER I/F BKT(PREVIOUS)
1
OTHER MODULE
DC POWER SUPPLY
基板搬送I/FBKT(後工程)
RS485
PANEL TRANSFER
SIGNAL
(NEXT)
PANEL TRANSFER I/F BKT(NEXT)
INTERFACE BOARD
安全確認信号(前工程)
SAFETY CHECK
SIGNAL
(PREVIOUS)
CONTROL CIRCUIT
SAFETY CHECK SIGNAL(PREVIOUS)
ベースCPUボックス
SAFETY CIRCUIT
IEEE1394
HUB
BASE CPU BOX
安全確認信号(後工程)
SAFETY CHECK
SIGNAL
(NEXT)
パーツバキュームポンプコントロールBOX
SAFETY CHECK SIGNAL(NEXT)
DC POWER SUPPLY UNIT
PARTS VACUUM PUMP CONTROL BOX
MAIN BOARD
ポンプモータ
M
リモートI/O基板
PUMP MOTOR
LAN REMOTE I/O BOARD
IEEE1394a 2
エア3点セット
AIR REGULATORS CU NET 1
D I/O
16/16
AIR
メインスイッチ メインブレーカ ノイズフィルタ
MAIN SWITCH MAIN BREAKER NOISE FILTER
AC200~230V 3φ
50/60Hz
NEXT MODULE
HEAD CAM
IEEE1394a
M
Y AXIS (LINEAR MOTOR)
Y SCALE
M
CZ-AXIS MOTOR 1
M
CZ-AXIS MOTOR 2
DC POWER SUPPLY UNIT
CU NET 1
:フェライトコア
:FERRITE CORE
A:SFT-72SN* (TKK)
A
CN2

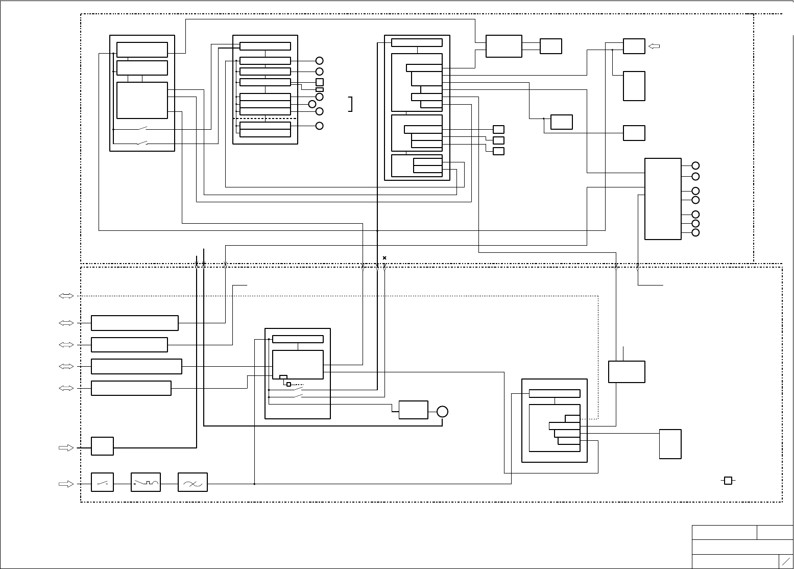
NAME TYPE
ブロック図
BLOCK DIAGRAM
NXTⅢc
TITLE
NXTⅢcシステム構成
NXTIIIc SYSTEM CONFIGURATION DIAGAM
DRAWING No.
2
2
FUJI SECRET
2RGZBB007201
M6c MODULE
モジュールコントロールボックス モジュールサーボボックス モジュールCPUボックス 操作パネル
MODULE CONTOROL BOX MODULE SERVO BOX MODULE CPU BOX OPERATION PANEL
DEVICE DISPLAY
DC POWER SUPPLY POWER SUPPLY
FEEDER
OR MTU(M6)
CONTROL
MAIN BOARD
X1 AXIS AMP. M
X1 AXIS
DC POWER SUPPLY
PANEL LIMK
ACUTUATOR
Y AXIS AMP. M
Y AXIS
CU NET 2
UART5
INTERFACE BOARD
M IEEE1394a
R AXIS AMP. M
R AXIS
D I/O
CONTROL CIRCUIT
HEAD
SAFETY CIRCUIT
Q AXIS AMP. M
Q AXIS
Z AXIS AMP.
Z AXIS
ヘッドユニット
VISON
HEAD UNIT
IEEE1394a
MARK CAM
CAMERA LINK PARTS CAM
コンベアコントローラ
SERVO
SynqNet
I/O
M
PANEL C/V MOTOR 1
RS232C
M
PANEL C/V MOTOR 2
RS485
M
WIDTH CHANGE MOTOR 1
M
WIDTH CHANGE MOTOR 2
M
WIDTH CHANGE MOTOR 3
VACUUM1
AIR
OPTION
REMOTE I/O
オプション
リモートI/O
(LINEAR MOTOR)
2Mc BASE
LAST MODULE NEXT MODULE
ETHER NET
ベースコントロールボックス
BASE CONTOROL BOX
RS485
PANEL TRANSFER
SIGNAL
(PREVIOUS)
PANEL TRANSFER I/F BKT(PREVIOUS)
1
NEXT MODULE
DC POWER SUPPLY
RS485
PANEL TRANSFER
SIGNAL
(NEXT)
PANEL TRANSFER I/F BKT(NEXT)
INTERFACE BOARD
安全確認信号(前工程)
SAFETY CHECK
SIGNAL
(PREVIOUS)
CONTROL CIRCUIT
SAFETY CHECK SIGNAL(PREVIOUS)
ベースCPUボックス
SAFETY CIRCUIT
IEEE1394
HUB
BASE CPU BOX
安全確認信号(後工程)
SAFETY CHECK
SIGNAL
(NEXT)
パーツバキュームポンプコントロールBOX
SAFETY CHECK SIGNAL(NEXT)
PARTS VACUUM PUMP CONTROL BOX
MAIN BOARD
ポンプモータ
M
リモートI/O基板
PUMP MOTOR
LAN REMOTE I/O BOARD
IEEE1394a
エア3点セット
AIR REGULATORS CU NET 1
D I/O
16/16
AIR
メインスイッチ メインブレーカ ノイズフィルタ
NOISE FILTER
AC200~230V 3φ
50/60Hz
IEEE1394a
HEAD CAM
Y SCALE
X2 AXIS AMP.
M
CZ-AXIS MOTOR 1
M
CZ-AXIS MOTOR 2
M
X2 AXIS
56/40
デバイスパレット
FEEDER PALETTE
デバイス情報表示器
リモートI/O基板
REMOTE I/O BOARD
CONVEYOR CONTROLLER
DC POWER SUPPLY UNIT
DC POWER SUPPLY UNIT
基板搬送I/FBKT(前工程)
基板搬送I/FBKT(後工程)
MAIN SWITCH MAIN BREAKER
MULTI AXIS AMP.
MULTI AXIS AMP.
CU NET 1
A
CN2
:フェライトコア
:FERRITE CORE
A:SFT-72SN* (TKK)
M
Z1 AXIS HEAD

1 01
1 02
1 03
1 04
1 05
1 06
1 07
1 08
1 09
1 10
1 11
1 12
1 13
1 14
1 15
1 16
1 17
1 18
1 19
1 20
1 21
1 22
1 23
1 24
1 25
1 26
1 27
1 28
1 29
1 30
1 31
1 32
1 33
1 34
1 35
1 36
1 37
1 38
1 39
1 40
1 41
1 42
1 43
1 44
1 45
NAME PAGE
安全回路図
SAFETY CIRCUIT DIAGRAM
4
1
TITLE TYPE
ベース安全回路
BASE SAFETY CIRCUIT
NXTⅢc
DRAWING No.
FUJI SECRET
2RGZBB007300
M2LS1E
M1CR31E
1 10
モジュール1安全扉
a
b
210
M2LS1E
M1CR32E
1 10
モジュール2安全扉
a
b
217
M1LS14
M1LS24
M1CR21X
1 16
モジュール1着座確認
a
b
210
M1CR22X
1 16
モジュール2着座確認
a
b
217
I
O
I
O
ADDRESS
207
ADDRESS
214
M1CR11
1 10
モジュール1電源遮断
a
b
203
M2LS4
M1CR12
1 10
モジュール2電源遮断
a
b
203
M2LS4
ADDRESS
207
I
O
ADDRESS
214
I
O
M1CR21E
9 10
227
ペアモジュール非常停止要因
M1CR21E1
9 10
229
ペアモジュール非常停止要因
M1CR21E
12 11
227
ペアモジュール非常停止要因
M1CR21E1
12 11
229
ペアモジュール非常停止要因
M2LS1E
M2LS1E
ADDRESS
207
ADDRESS
214
GM
モジュール1安全扉
MODULE1 SAFETY DOOR
+24VM4A M191
モジュール2安全扉
MODULE2 SAFETY DOOR
+24VM4B M192
INTERFACE BOARD 1
インタフェース基板1
-7
-16
-8
-9
-17
-18
GM
GM
MODULE 1 DOCKING CHECK
モジュール1着座確認
MODULE 2 DOCKING CHECK
モジュール2着座確認
茶 BRW
黒 BLK
青 BLU
青 BLU
茶 BRW
黒 BLK
D ON
D ON
+24VM1
RX003
+24VM1
RX00B
モジュール1着座確認
MODULE 1 DOCKING CHECK
GM
MODULE 1 DOCKING CHECK
モジュール1着座確認
モジュール2着座確認
MODULE 2 DOCKING CHECK
GM
MODULE 2 DOCKING CHECK
モジュール2着座確認
CN7
M1004
-8
PREVIOUS INTERLOCK
前工程インターロック
M1012
-6
NEXT INTERLOCK
後工程インターロック
2Mc
E9
-C1
E9
-C1
-7
M1003
-1C
B7
-1D
B8
-5
M1011 B5
-1C
B6
-1D
-21
-21
M2PB1E
M2PB1E
モジュール1より
CN2 CN10
E1 +24VM4C
-A1 -1
E2 M1001
-A2 -2
M256
-B1 -11
E7
-B2 -12
モジュール2より
CN2 CN11
E1
-A1 -1
E2
M1008
-A2 -2
M256
-B1 -11
E7
M1009
-B2 -12
FROM MODULE1
FROM MODULE2
GM
MODULE 1 POWER OFF
モジュール1電源遮断
M1101
-24
-23
+24VM1
-D2
M1101
-D1
+24VM1
GM
MODULE 2 POWER OFF
モジュール2電源遮断
M1102
-24
-23
+24VM1
-D2
M1101
-D1
+24VM1
B11
B12
-3A
-3B
-1
X010
-2
+24VM1
前工程安全扉閉じ確認
PREVIOUS SIDE SAFETY DOOR CLOSE CHECK
+24VM1 B9
-3 -3A
X011 B10
-4 -3B
NEXT SIDE SAFETY DOOR CLOSE CHECK
後工程安全扉閉じ確認
GM
A5
A6
A9
A10
A7
A8
A11
A12
CN8
-5
-6
-3
-4
CN9
-7
-8
-1
-2
CN-M1
-5A
-5B
-4A
-4B
CN-M2
-5A
-5B
-4A
-4B
A7
A8
A11
A12
A5
A6
A9
A10
I/OA
-7
I/OB
-7
P6
P16
CN2
-E3
CN2
-E3
モジュール1へ
TO MODULE1
M2CR13X
GMM272
XS軸インターロック
モジュール2へ
TO MODULE2
M2CR13X
GMM272
XS軸インターロック
XS AXIS INTERLOCK BOARD 1
XSインターロック基板1
M226 M1001
-C3 -27
M225
-C4 -28
M226 M1009
-D1 -27
M225
-D2 -28
M1002
M1010