2RGZBB007113 - 第52页
1 4 0 1 1 4 0 2 1 4 0 3 1 4 0 4 1 4 0 5 1 4 0 6 1 4 0 7 1 4 0 8 1 4 0 9 1 4 1 0 1 4 1 1 1 4 1 2 1 4 1 3 1 4 1 4 1 4 1 5 1 4 1 6 1 4 1 7 1 4 1 8 1 4 1 9 1 4 2 0 1 4 2 1 1 4 2 2 14 2 3 14 2 4 14 2 5 14 2 6 14 2 7 14 2 8 14…

13 01
13 02
13 03
13 04
13 05
13 06
13 07
13 08
13 09
13 10
13 11
13 12
13 13
13 14
13 15
13 16
13 17
13 18
13 19
13 20
13 21
13 22
13 23
13 24
13 25
13 26
13 27
13 28
13 29
13 30
13 31
13 32
13 33
13 34
13 35
13 36
13 37
13 38
13 39
13 40
13 41
13 42
13 43
13 44
13 45
NAME PAGE
モジュール回路図
MODULE CIRCUIT DIAGRAM
25
13
TITLE TYPE
モジュールCPUボックス
MODULE CPU BOX
NXTⅢc
DRAWING No.
1
4
FUJI SECRET
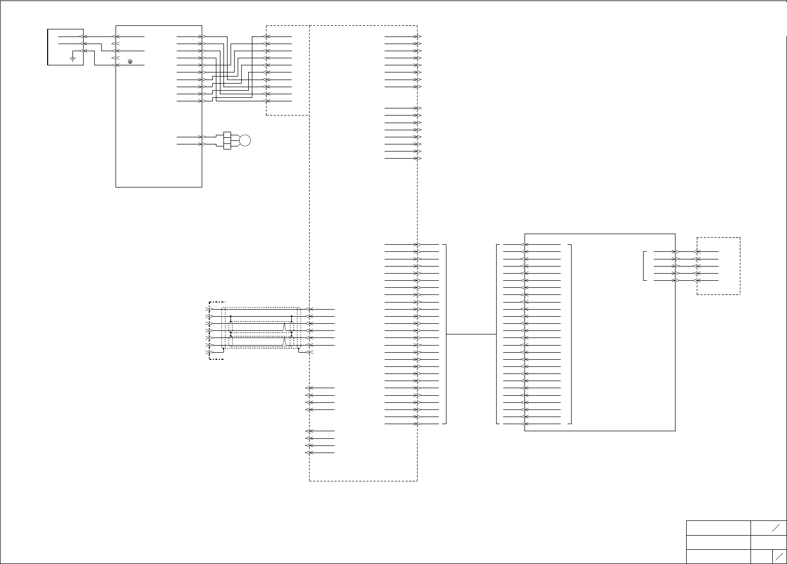
2RGZBC003900
FAN
FAN
DC POWER SUPPLY UNIT CPU BOARD
AC POWER
S
1
R
3
5
LAN2
TRD1+(0)
1
TRD1-(0)
2
TRD1+(1)
3
TRD1+(2)
4
TRD1-(2)
5
TRD1-(1)
6
TRD1+(3)
7
TRD1-(3)
8
1394a
VP0
1
VG0
2
TPB0-
3
TPB0+
4
TPA0-
5
TPA0+
6
USB1
Vcc
A1
D+
A2
D-
A3
未使用
A4
NOT USED
ベースCPUボックス
BASE CPU BOX
NC
Shiled G
NC
TX1+
TX1-
LVRSTXP
LVRSTXN
Shiled G
DDCCLK
Shiled G
NC
TX1C+
TX1C-
TX12+
TX12-
NC
Shiled G
DDCDATA
Shiled G
LVRSRXP
LVRSRXN
TX0+
TX0-
+5V
Shiled G
GND
1
PANEL LINK
2
3
4
5
6
7
8
9
10
11
12
13
14
15
16
17
18
19
20
21
22
23
24
25
26
操作パネル
デバイス情報表示器
OPERATION PANEL
DEVICE DISPLAY
DFP IN
BUSY_O
-1
DEVICE IN
J1
SHLD_C DC5V DCV
-2 -1 -1
NC GND GND
-3 -2 -2
RX_0- + +
デバイス情報表示器
I/F
-4 -3 -3
RX_0+ - -
-5 -4 -4
DEVICE DISPLAY INTERFACE
LV_Tx- SG SG
-6 -5 -5
LV_Tx+
-7
SHLD_LT
-8
-9
NC
-10
SHLD_1
-11
NC
-12
RX_2-
-13
RX_2+
通信I/F
-14
RX_C-
COMMUNICATION INTERFACE
-15
RX_C+
-16
NC
-17
SHLD_0
-18
NC
-19
SHLD_LR
-20
LV_Rx-
-21
LV_Rx+
-22
RX_1-
-23
RX_1+
-24
BUSY_I
-25
SHLD_2
-26
F/R
MCBCN16
S
-1
R
-2
-3
MODULE CONTROL BOX
モジュールコントロールボックス
CN3
-1
-2
-3
-4
-5
-6
-CASE CASE
2
4
OUTPUT POWER POWER
GND
-AC_Fail
1 1
GND
GND
2 2
GND
GND
3 3
+AC_Fail
GND
4 4
GND GND
5 5
-AC_Fail
+AC_Fail
6 6
+12V
+12V
7 7
+12V
+12V
8 8
+12V
+12V
9 9
+12V
+12V
10 10
FAN
1
+12V
1
3
CPUBOX冷却ファン
CPUBOX FAN
COM
2
2
GND
USB2
Vcc
B1
D+
未使用
B2
NOT USED
D-
B3
GND
B4
LAN1
TRD0+(0)
1
TRD0-(0)
2
TRD0+(1)
3
TRD0+(2)
4
TRD0-(2)
5
TRD0-(1)
6
TRD0+(3)
7
TRD0-(3)
8
BACK PLANE BOARD
BASE I/F
ベース I/F

14 01
14 02
14 03
14 04
14 05
14 06
14 07
14 08
14 09
14 10
14 11
14 12
14 13
14 14
14 15
14 16
14 17
14 18
14 19
14 20
14 21
14 22
14 23
14 24
14 25
14 26
14 27
14 28
14 29
14 30
14 31
14 32
14 33
14 34
14 35
14 36
14 37
14 38
14 39
14 40
14 41
14 42
14 43
14 44
14 45
NAME PAGE
モジュール回路図
MODULE CIRCUIT DIAGRAM
25
14
TITLE TYPE
モジュールCPUボックス
MODULE CPU BOX
NXTⅢc
DRAWING No.
2
4
FUJI SECRET
2RGZBC003900
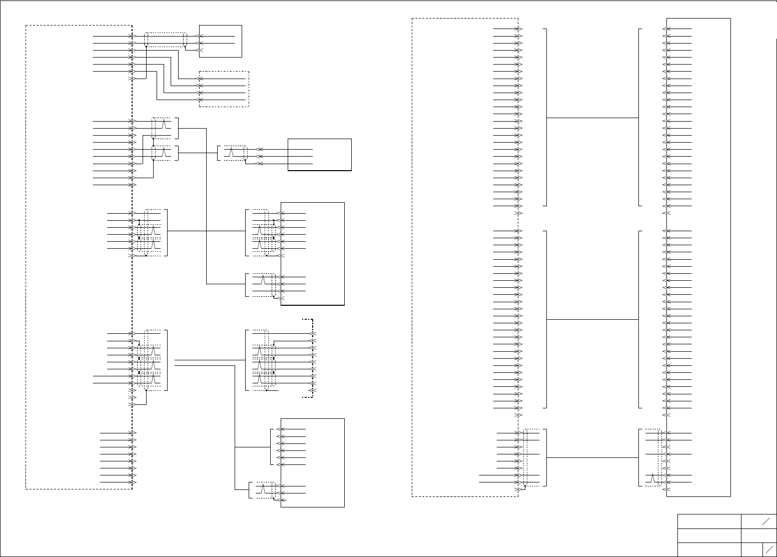
CPU BOARD CPU BOARD
UART1-4
COM0_RXD
1
COM0_TXD
3
COM0_RTS#
5
COM0_CTS#
7
GND
9
COM1_RXD
11
COM1_TXD
13
COM1_RTS#
15
COM1_CTS#
17
GND
19
未使用
COM2_RXD
NOT USED
2
COM2_TXD
4
COM2_RTS#
6
COM2_CTS#
8
GND
10
COM3_RXD
12
COM3_TXD
14
COM3_RTS#
16
COM3_CTS#
18
GND
20
デバイス I/F
DEVICE I/F
CPU BOARD
CUnet1
MKY0_CU_A
C1
MKY0_CU_B
オプションリモートI/O BKT
B1
GND_FG
OPTION REMOTE I/O BKT
A1
予約
RESERVE
M6c
CN1
(NC)
-1
RXD
-2
TXD
-3
-4
SG
RS232C
インターフェース
-5
RS232C INTERFACE
-6
RTS
-7
CTS
-8
-9
CASE
CONVEYOR CONTROLLER
コンベアコントローラ
CU_NET
-A3
-B3
-B2
インタフェース基板
INTERFACE BOARD
インタフェース基板
INTERFACE BOARD
-7
-6
-10
-5
CN1
CT+
-1
CT-
-2
SHIELD
-3
リモートI/O基板
REMOTE I/O BOARD
デバイス I/F
DEVICE I/F
CN2
-1
-2
-4
1
3
2
CUnet1
ロードセルコントローラ ロードセル
LOAD CELL CONTROLLER LOAD CELL
CN5 CN1
RD
赤 RED
-2 -1
SD
黒 BLK
-3 -3
SG
緑 GRN
-4
-4
白 WHT
-5
-6
オプションリモートI/O基板がない場合はCPUBOXへ接続
When there is no option remote I/O, it connects with CPUBOX.
CT+
CT-
SHIELD
UART5-8
COM4_RXD
1
COM4_TXD
3
COM4_RTS#
5
COM4_CTS#
7
GND
9
COM5_RXD
11
COM5_TXD
13
COM5_RTS#
15
COM5_CTS#
17
GND
19
COM6_RXD
2
COM6_TXD
4
COM6_RTS#
6
COM6_CTS#
8
GND
10
COM7_RXD
12
COM7_TXD
14
COM7_RTS#
16
COM7_CTS#
18
GND
20
UART1
-2
-3
-7
-8
-5
CASE
SHIELD
E
D
B
C
A
UART2
-2
-3
-7
-8
-5
CASE
UART3
-2
-3
-7
-8
-5
CASE
UART4
-2
-3
-7
-8
-5
CASE
デバイス I/F
DEVICE I/F
M6c
-9
-8
-1
-3
RFID
OPTION
TRAY UNIT
OPTION
OPTION
UART8
-2
-3
-7
-8
-5
CASE
UART6
-2
-3
-7
-8
-5
CASE
UART5
-2
-3
-7
-8
-5
CASE
COM4_RXD
1
COM4_TXD
3
COM4_RTS#
5
COM4_CTS#
7
GND
9
M3c
M6c
COM6_RXD
2
COM6_TXD
4
COM6_RTS#
6
COM6_CTS#
8
GND
10
UART7
-2
-3
-7
-8
-5
CASE
CN14
-9
TXD
INTERFACE BOARD
インターフェース基板
GND
-10
M3c
M6c
基板高さセンサ
PANEL HEIGHT DETECTION FANCTION
DI/DO 1
DI1COM_1
40
DI1 00
4
DI1 01
6
DI1 02
8
DI1 03
10
DI1 04
12
DI1 05
14
DI1 06
16
DI1 07
18
DI1 08
24
DI1 09
26
DI1 10
28
DI1 11
30
DI1 12
32
DI1 13
34
DI1 14
36
DI1 15
38
DI1COM_0
2
DOGND
19
20
DOGND
21
DO1 00
3
DO1 01
5
DO1 02
7
DO1 03
9
DO1 04
11
DO1 05
13
DO1 06
15
DO1 07
17
DO1 08
23
DO1 09
25
DO1 10
27
DO1 11
29
DO1 12
31
DO1 13
33
DO1 14
35
DO1 15
37
22
DO1COM_1
39
DO1COM_0
1
CN9
GA
-1
X000
-2
X001
-3
X002
-4
X003
-5
X004
-6
X005
-7
X006
-8
X007
-9
X008
-10
X009
-11
X00A
-12
X00B
-13
X00C
-14
X00D
-15
X00E
-16
X00F
-17
GA
-18
GA
-19
-20
GB
-21
Y000
-22
Y001
-23
Y002
-24
Y003
-25
Y004
-26
Y005
-27
Y006
-28
Y007
-29
Y008
-30
Y009
-31
Y00A
-32
Y00B
-33
Y00C
-34
Y00D
-35
Y00E
-36
Y00F
-37
-38
+24VB1
-39
+24VA1
-40
DI/DO 2
CN10
DI2COM_1 GA
40 -1
DI2 00 X010
4 -2
DI2 01 X011
6 -3
DI2 02 X012
8 -4
DI2 03 X013
10 -5
DI2 04 X014
12 -6
DI2 05 X015
14 -7
DI2 06 X016
16 -8
DI2 07 X017
18 -9
DI2 08 X018
24 -10
DI2 09 X019
26 -11
DI2 10 X01A
28 -12
DI2 11 X01B
30 -13
DI2 12 X01C
32 -14
DI2 13 X01D
34 -15
DI2 14 X01E
36 -16
DI2 15 X01F
38 -17
DI2COM_0 GA
2 -18
DOGND GB
19 -19
20 -20
DOGND GB
21 -21
DO2 00 Y010
3 -22
DO2 01 Y011
5 -23
DO2 02 Y012
7 -24
DO2 03 Y013
9 -25
DO2 04 Y014
11 -26
DO2 05 Y015
13 -27
DO2 06 Y016
15 -28
DO2 07 Y017
17 -29
DO2 08 Y018
23 -30
DO2 09 Y019
25 -31
DO2 10 Y01A
27 -32
DO2 11 Y01B
29 -33
DO2 12 Y01C
31 -34
DO2 13 Y01D
33 -35
DO2 14 Y01E
35 -36
DO2 15 Y01F
37 -37
22 -38
DO2COM_1 +24VB1
39 -39
DO2COM_0 +24VB1
1 -40
CUnet2
MKY1_CU_A
C2
MKY1_CU_B
B2
GND_FG
A2
CN4
CN4
HEAD UNIT
100Ω
CN-H3
R
-A1
-B1
-A2
M2CR6X
集塵ファン、イオナイザーON
M2CR3X
パレット電源入り
M2CR4X
運転準備OK
M2CR5X
マスターON

15 01
15 02
15 03
15 04
15 05
15 06
15 07
15 08
15 09
15 10
15 11
15 12
15 13
15 14
15 15
15 16
15 17
15 18
15 19
15 20
15 21
15 22
15 23
15 24
15 25
15 26
15 27
15 28
15 29
15 30
15 31
15 32
15 33
15 34
15 35
15 36
15 37
15 38
15 39
15 40
15 41
15 42
15 43
15 44
15 45
NAME PAGE
モジュール回路図
MODULE CIRCUIT DIAGRAM
25
15
TITLE TYPE
モジュールCPUボックス
MODULE CPU BOX
NXTⅢc
DRAWING No.
3
4
FUJI SECRET
2RGZBC003900
VISION BOARD
1
MARK
VP1
VG1
TPB1-
TPB1+
TPA1-
TPA1+
2
3
4
5
6
CL1
SHIELD
1
CC4+
2
CC3+
3
CC2+
4
CC1+
5
SerTFG+
6
SerTC+
7
X3+
8
TRIG IN0+
TRIG IN0-
TRIG IN1+
TRIG IN1-
TRIG IN2+
TRIG IN2-
TRIG OUT1+
TRIG OUT1-
TRIG OUT2+
TRIG OUT2-
TRIG OUT3+
TRIG OUT3-
SG1
SG2
SG3
SHIELD
1
TRIG IN
2
3
4
5
6
TRIG OUT
1
2
3
4
5
6
7
8
9
10
INTERFACE BOARD
インターフェース基板
VP1
IEEE1394
1
VG1
2
TPB1-
3
TPB1+
4
TPA1-
5
TPA1+
6
1
TRIGER+
TRIGER
2
TRIGER-
CASE
MARK CAMERA
PARTS CAMERA
B
1
1
2
3
4
5
6
-1
CN12
Y015
-2
GB
-3
OPTOA_OUT_R
-4
GB
HEAD/PART
VP1
1
VG1
2
TPB1-
3
TPB1+
4
TPA1-
5
TPA1+
6
TRIG OUT2+
7
TRIG OUT2-
8
IEEE1394
VP1
1
VG1
2
TPB1-
3
TPB1+
4
TPA1-
5
TPA1+
6
TRIGER+
7
TRIGER-
8
CASE9
10
CASE
MODULE SERVO BOX
モジュールサーボボックス
-2
-27
CASE
TRGI0_0+
TRGI0_0-
CND
VISION BOARD
4
SG
CASE
CASE CASE
PARTS CAMERA LAMP UNIT
PARTS LIGHT
-A7
TRIG3+
TRIG3-
-B7
SG3
-A8
9
Xclk+
10
X2+
11
X1+
12
X0+
13
SHIELD
14
SHIELD
15
CC4-
16
CC3-
17
CC2-
18
CC1-
19
SerTFG-
20
SerTC-
21
X3-
22
Xclk-
23
X2-
24
X1-
25
X0-
26
SHIELD
CL2
SHIELD
1
Z3+
2
ZXclk+
3
Z2+
4
Z1+
5
Z0+
6
TERMINATED
7
Y3+
8
Yclk+
9
Y2+
10
Y1+
11
Y0+
12
SHIELD
13
SHIELD
14
Z3-
15
ZXclk-
16
Z2-
17
Z1-
18
Z0-
19
100Ω
20
Y3-
21
Yclk-
22
Y2-
23
Y1-
24
Y0-
25
SHIELD
26
CL POWER
1
2
GND
3
12V
4
GND
5
6
7
TRIG OUT0+
8
TRIG OUT0-
CASE
Gbe1
TRD+(0)
1
TRD-(0)
2
TRD+(1)
3
TRD-(1)
4
TRD+(2)
5
TRD-(2)
6
TRD+(3)
7
TRD-(3)
8
7
8
9
10
11
12
13
14
15
16
17
18
19
20
21
22
23
24
25
26
M/F
1
1
2
3
4
5
6
7
8
9
10
11
12
13
14
15
16
17
18
19
20
21
22
23
24
25
26
1
2
3
4
5
6
7
8
CASE
I/OCL POWER
12V
GND
12V
GND
12V
GND
TRIG OUT0+
TRIG OUT0-
SHIELD
CC4+
CC3+
CC2+
CC1+
SerTFG+
SerTC+
X3+
Xclk+
X2+
X1+
X0+
SHIELD
SHIELD
CC4-
CC3-
CC2-
CC1-
SerTFG-
SerTC-
X3-
Xclk-
X2-
X1-
X0-
SHIELD
SHIELD
Z3+
ZXclk+
Z2+
Z1+
Z0+
TERMINATED
Y3+
Yclk+
Y2+
Y1+
Y0+
SHIELD
SHIELD
Z3-
ZXclk-
Z2-
Z1-
Z0-
100Ω
Y3-
Yclk-
Y2-
Y1-
Y0-
SHIELD
CASE CASE
CASE CASE
HEAD CAMERA I/F
ヘッドカメラ I/F
PARTS CAMERA
(WIDE、SIDE)
IEEE1394
VP1
11
VG1
2
TPB1-
3
TPB1+
4
TPA1-
5
TPA1+
6
TRIGER
TRIGER+
1
TRIGER-
2
CASE