2RGZBB007113 - 第8页
3 0 1 3 0 2 3 0 3 3 0 4 3 0 5 3 0 6 3 0 7 3 0 8 3 0 9 3 1 0 3 1 1 3 1 2 3 1 3 3 1 4 3 1 5 3 1 6 3 1 7 3 1 8 3 1 9 3 2 0 3 2 1 3 2 2 3 2 3 3 2 4 3 2 5 3 2 6 3 2 7 3 2 8 3 2 9 3 3 0 3 3 1 3 3 2 3 3 3 3 3 4 3 3 5 3 3 6 3 3 …

2 01
2 02
2 03
2 04
2 05
2 06
2 07
2 08
2 09
2 10
2 11
2 12
2 13
2 14
2 15
2 16
2 17
2 18
2 19
2 20
2 21
2 22
2 23
2 24
2 25
2 26
2 27
2 28
2 29
2 30
2 31
2 32
2 33
2 34
2 35
2 36
2 37
2 38
2 39
2 40
2 41
2 42
2 43
2 44
2 45
NAME PAGE
安全回路図
SAFETY CIRCUIT DIAGRAM
4
2
TITLE TYPE
ベース安全回路
BASE SAFETY CIRCUIT
NXTⅢc
DRAWING No.
FUJI SECRET
2RGZBB007300
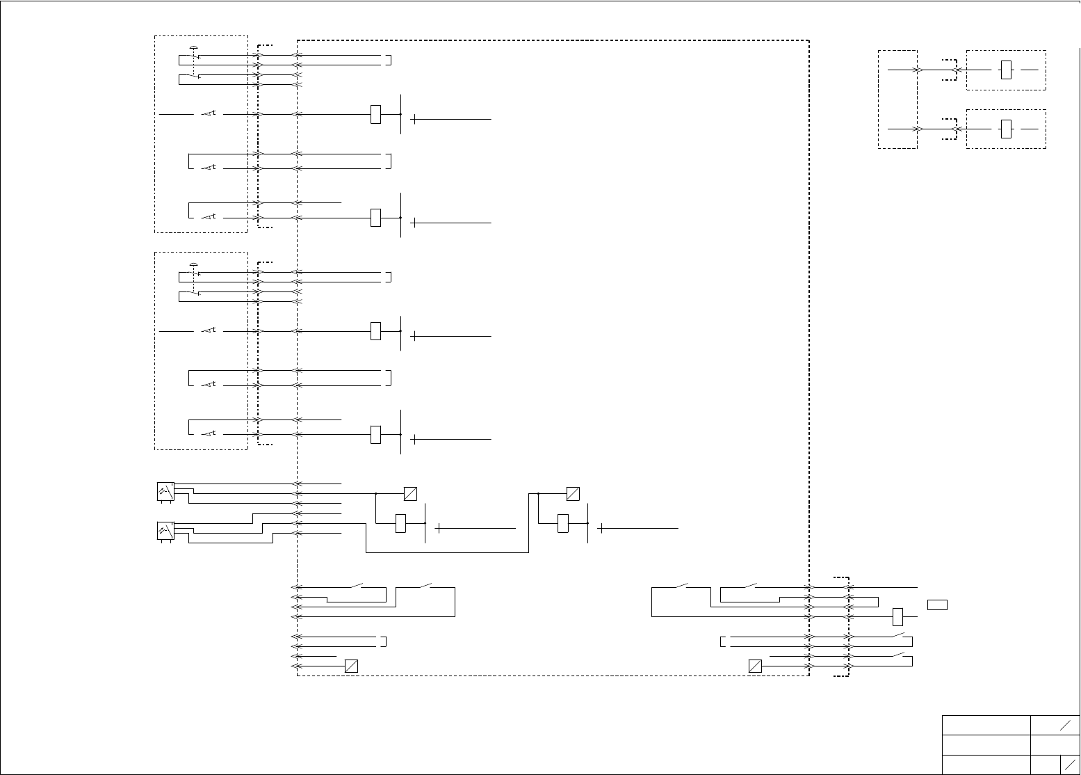
M1CR11
8 7
108
モジュール1電源遮断
M1CR12
8 7
115
モジュール2電源遮断
M1LS18
11 12
ADDRESS
102
ADDRESS
106
DP3 DP4
M1CR21X
8 7
118
モジュール1着座確認
M1CR31E
8 7
104
モジュール1安全扉
M1LS16
11 12
DP6 DP7 DP8
M1LS28
11 12
ADDRESS
110
ADDRESS
113
DP10 DP11
M1CR22X
8 7
140
モジュール2着座確認
M1CR32E
8 7
111
モジュール2安全扉
M1LS26
11 12
DP13 DP14 DP15
ADDRESS
122
DP5
DP9
ADDRESS
144
DP12
M1CR21E
3 4
227
ペアモジュール非常停止要因
M1CR21E1
3 4
229
ペアモジュール非常停止要因
M1CR21E
1 2
ペアモジュール非常停止要因
a
b
a
b
120 142 240
207
241
M1CR21E1
1 2
ペアモジュール非常停止要因
a
b
a
b
120 142 243
229
245
M1CR21E
5 6
227
ペアモジュール非常停止要因
M1CR21E
7 8
227
ペアモジュール非常停止要因
M1CR21E1
5 6
229
ペアモジュール非常停止要因
M1CR21E1
7 8
229
ペアモジュール非常停止要因
+24VM4
+24VM4CA +24VM4C
モジュール1非常停止ボタン モジュール1フロントカバー閉じ確認
モジュール1引き込み確認
M1001 M1002 M1003
モジュール1着座確認 モジュール1安全扉閉じ確認
サイドカバー閉じ確認(前工程)
M1005 M1006 M1007
モジュール2非常停止ボタン モジュール2フロントカバー閉じ確認
モジュール2引き込み確認
M1009 M1010 M1011
モジュール2着座確認 モジュール2安全扉閉じ確認
サイドカバー閉じ確認(後工程)
M1013 M1014
前工程扉閉じ確認
M1004
M1008
後工程扉閉じ確認
M1012
M172
インターフェース基板1
INTERFACE BOARD 1
+24VM4
セーフティーリレーユニット
SAFETY RELAY UNIT
A1(+)
M171
T31
M172
T12
T11
T22
T21
M173 M174
T33
T32
Y1
GM
GM
M1SR1
Control
Circuit
A2(-)
ペアモジュール非常停止要因
PAIR MODULE EMERGENCY STOP FACTOR
M176
S14
S44
M175
L1
L2
X1
X2
CN7
-1
CN7
-2
CN3
-1
CN3
-2
CN7
-5
CN7
-6
CN7
-12
CN7
-13
CN4
-1
CN4
-2
CN2
-8
-5
-3
-4
-9
-6
-7
CN2
-10
-11
+24VM4A F33 M271
M1015 M228
M1016 M221
+24VM4B F34 M271
M1017 M228
M1018 M221
CN10
-22
-29
-30
CN11
-22
-29
-30
CN2
-C2
-D8
-D9
CN2
-C2
-D8
-D9
TO MODULE1
モジュール1へ
安全回路
SAFETY CIRCUIT
TO MODULE2
モジュール2へ
安全回路
SAFETY CIRCUIT
M2CR12X
GM
ペアモジュール非常停止要因
M2CR12X
GM
ペアモジュール非常停止要因
MODULE 1
EMERGENCY STOP BUTTON
MODULE 1
FRONT COVER CHECK
PREVIOUS SIDE
DOOR CLOSE CHECK
NEXT SIDE
DOOR CLOSE OK
MODULE 1
DOCKING CHECK
SIDE
COVER CLOSE OK
SIDE
COVER CLOSE OK
MODULE 1
PULL FORWARD CHECK
MODULE 1
SAFETY DOOR CHECK
MODULE 2
EMERGENCY STOP BUTTON
MODULE 2
FRONT COVER CHECK
MODULE 2
PULL FORWARD CHECK
MODULE 2
DOCKING CHECK
MODULE 2
SAFETY DOOR CHECK
M175
-B3-13
M175
M175
-B3-13
M175
未接続

3 01
3 02
3 03
3 04
3 05
3 06
3 07
3 08
3 09
3 10
3 11
3 12
3 13
3 14
3 15
3 16
3 17
3 18
3 19
3 20
3 21
3 22
3 23
3 24
3 25
3 26
3 27
3 28
3 29
3 30
3 31
3 32
3 33
3 34
3 35
3 36
3 37
3 38
3 39
3 40
3 41
3 42
3 43
3 44
3 45
NAME PAGE
安全回路図
SAFETY CIRCUIT DIAGRAM
4
3
TITLE TYPE
ベース安全回路
BASE SAFETY CIRCUIT
NXTⅢc
DRAWING No.
FUJI SECRET
2RGZBB007300
M2LS1E
M1CR33E
1 10
モジュール3安全扉
a
b
410
M2LS1E
M1CR34E
1 10
モジュール4安全扉
a
b
417
M1LS34
M1LS44
M1CR23X
1 10
モジュール3着座確認
a
b
410
M1CR24X
1 10
モジュール4着座確認
a
b
417
I
O
I
O
ADDRESS
407
ADDRESS
414
M1CR31
1 10
モジュール3電源遮断
a
b
403
M2LS4
M1CR32
1 10
モジュール4電源遮断
a
b
403
M2LS4
M1CR22E
12 11
427
ペアモジュール非常停止要因
M1CR22E1
12 11
429
ペアモジュール非常停止要因
M1CR22E
9 10
427
ペアモジュール非常停止要因
M1CR22E1
9 10
429
ペアモジュール非常停止要因
ADDRESS
407
I
O
ADDRESS
414
I
O
M2LS1E
M2LS1E
ADDRESS
407
ADDRESS
414
インタフェース基板2
INTERFACE BOARD 2
GM
モジュール3安全扉
MODULE3 SAFETY DOOR
+24VM12A M193
GM
モジュール4安全扉
MODULE4 SAFETY DOOR
+24VM12B M194
GM
-7
GM
-16
-8
-9
-17
-18
+24VM11
RX013
+24VM11
RX01B
モジュール3着座確認
MODULE 3 DOCKING CHECK
D ON
青 BLU
茶 BRW
黒 BLK
モジュール4着座確認
MODULE 4 DOCKING CHECK
D ON
青 BLU
茶 BRW
黒 BLK
MODULE 3 DOCKING CHECK
モジュール3着座確認
GM
MODULE 3 DOCKING CHECK
モジュール3着座確認
モジュール4着座確認
MODULE 4 DOCKING CHECK
GM
MODULE 4 DOCKING CHECK
モジュール4着座確認
CN7
E9
-C1
E9
-C1
-21
-21
モジュール3より
M2PB1E
CN2 CN10
E1 +24VM12C
-A1 -1
E2 M1021
-A2 -2
M256
-B1 -11
E7
-B2 -12
モジュール4より
M2PB1E
CN2 CN11
E1
-A1 -1
E2
M1028
-A2 -2
M256
-B1 -11
E7
M1029
-B2 -12
FROM MODULE3
FROM MODULE4
I/OA
-7
I/OB
-7
P26
P36
CN2
-E3
CN2
-E3
モジュール3へ
TO MODULE3
M2CR13X
GMM272
XS軸インターロック
モジュール4へ
TO MODULE4
M2CR13X
GMM272
XS軸インターロック
XS AXIS INTERLOCK BOARD 2
XSインターロック基板2
GM
MODULE 3 POWER OFF
モジュール3電源遮断
M1103
-24
-23
+24VM11
-D2
M1101
-D1
+24VM1
GM
MODULE 4 POWER OFF
モジュール4電源遮断
M1104
-24
-23
+24VM11
-D2
M1101
-D1
+24VM1
A7
A8
A11
A12
A5
A6
A9
A10
CN9
-7
-8
-1
-2
CN-M2
-5A
-5B
-4A
-4B
CN8
-5
-6
-3
-4
A7
A8
A11
A12
後工程インターロック
NEXT INTERLOCK
4Mc
M1023
-7
M1024
-8
+24VM11
前工程安全扉閉じ確認
-1
PREVIOUS SIDE SAFETY DOOR CLOSE CHECK
X010
-2
M1031 B5
-5 -1C
M1032 B6
-6 -1D
+24VM11 B9
後工程安全扉閉じ確認
-3 -3A
NEXT SIDE SAFETY DOOR CLOSE CHECK
X011 B10
-4 -3B
M226 M1021
-C3 -27
M225
-C4 -28
M226 M1029
-D1 -27
M225
-D2 -28
M1022
M1030

4 01
4 02
4 03
4 04
4 05
4 06
4 07
4 08
4 09
4 10
4 11
4 12
4 13
4 14
4 15
4 16
4 17
4 18
4 19
4 20
4 21
4 22
4 23
4 24
4 25
4 26
4 27
4 28
4 29
4 30
4 31
4 32
4 33
4 34
4 35
4 36
4 37
4 38
4 39
4 40
4 41
4 42
4 43
4 44
4 45
NAME PAGE
安全回路図
SAFETY CIRCUIT DIAGRAM
4
4
TITLE TYPE
ベース安全回路
BASE SAFETY CIRCUIT
NXTⅢc
DRAWING No.
FUJI SECRET
2RGZBB007300
M1CR31
8 7
308
モジュール3電源遮断
M1CR32
8 7
315
モジュール4電源遮断
M1LS38
11 12
ADDRESS
302
ADDRESS
306
DP3 DP4
M1CR23X
8 7
318
モジュール3着座確認
M1CR33E
8 7
304
モジュール3安全扉
M1LS36
11 12
DP6 DP7 DP8
M1LS48
11 12
ADDRESS
310
ADDRESS
313
DP10 DP11
M1CR24X
8 7
340
モジュール4着座確認
M1CR34E
8 7
311
モジュール4安全扉
M1LS46
11 12
DP13 DP14 DP15
ADDRESS
322
DP5
DP9
ADDRESS
344
DP12
M1CR22E
3 4
427
ペアモジュール非常停止要因
M1CR22E1
3 4
429
ペアモジュール非常停止要因
M1CR22E
1 2
ペアモジュール非常停止要因
a
b
a
b
320 342 440
407
441
M1CR22E1
1 2
ペアモジュール非常停止要因
a
b
a
b
320 342 443
429
445
M1CR22E
5 6
427
ペアモジュール非常停止要因
M1CR22E
7 8
427
ペアモジュール非常停止要因
M1CR22E1
5 6
429
ペアモジュール非常停止要因
M1CR22E1
7 8
429
ペアモジュール非常停止要因
+24VM12
+24VM12CA +24VM12C
モジュール3非常停止ボタン モジュール3フロントカバー閉じ確認
モジュール3引き込み確認
M1021 M1022 M1023
モジュール3着座確認 モジュール3安全扉閉じ確認
サイドカバー閉じ確認(前工程)
M1025 M1026 M1027
モジュール4非常停止ボタン モジュール4フロントカバー閉じ確認
モジュール4引き込み確認
M1029 M1030 M1031
モジュール4着座確認 モジュール4安全扉閉じ確認
サイドカバー閉じ確認(後工程)
M1033 M1034
前工程扉閉じ確認
M1024
M1028
後工程扉閉じ確認
M1032
M182
インターフェース基板2
INTERFACE BOARD 2
+24VM12
セーフティーリレーユニット
SAFETY RELAY UNIT
A1(+)
M181
T31
M182
T12
T11
T22
T21
M183 M184
T33
T32
Y1
GM
GM
M1SR2
Control
Circuit
A2(-)
ペアモジュール非常停止要因
PAIR MODULE EMERGENCY STOP FACTOR
M186
S14
S44
M185
L1
L2
X1
X2
CN7
-1
CN7
-2
CN3
-1
CN3
-2
CN7
-5
CN7
-6
CN7
-12
CN7
-13
CN4
-1
CN4
-2
CN2
-8
-6
-7
-5
-9
-3
-4
CN2
-10
-11
M2CR12X
GM
ペアモジュール非常停止要因
M2CR12X
GM
ペアモジュール非常停止要因
+24VM12A F35 M271
M1035 M228
M1036 M221
+24VM12B F36 M271
M1037 M228
M1038 M221
CN10
-22
-29
-30
CN11
-22
-29
-30
CN2
-C2
-D8
-D9
CN2
-C2
-D8
-D9
TO MODULE3
モジュール3へ
安全回路
SAFETY CIRCUIT
TO MODULE4
モジュール4へ
安全回路
SAFETY CIRCUIT
MODULE 3
EMERGENCY STOP BUTTON
MODULE 3
FRONT COVER CHECK
MODULE 3
PULL FORWARD CHECK
PREVIOUS SIDE
DOOR CLOSE CHECK
MODULE 3
DOCKING CHECK
MODULE 3
SAFETY DOOR CHECK
SIDE
COVER CLOSE OK
MODULE 4
EMERGENCY STOP BUTTON
MODULE 4
FRONT COVER CHECK
MODULE 4
PULL FORWARD CHECK
NEXT SIDE
DOOR CLOSE OK
MODULE 4
DOCKING CHECK
MODULE 4
SAFETY DOOR CHECK
SIDE
COVER CLOSE OK
-13 -B3
-13 -B3
M175
M175
M185
M185
未接続