2RGZBB007113 - 第9页
4 0 1 4 0 2 4 0 3 4 0 4 4 0 5 4 0 6 4 0 7 4 0 8 4 0 9 4 1 0 4 1 1 4 1 2 4 1 3 4 1 4 4 1 5 4 1 6 4 1 7 4 1 8 4 1 9 4 2 0 4 2 1 4 2 2 4 2 3 4 2 4 4 2 5 4 2 6 4 2 7 4 2 8 4 2 9 4 3 0 4 3 1 4 3 2 4 3 3 4 3 4 4 3 5 4 3 6 4 3 …

3 01
3 02
3 03
3 04
3 05
3 06
3 07
3 08
3 09
3 10
3 11
3 12
3 13
3 14
3 15
3 16
3 17
3 18
3 19
3 20
3 21
3 22
3 23
3 24
3 25
3 26
3 27
3 28
3 29
3 30
3 31
3 32
3 33
3 34
3 35
3 36
3 37
3 38
3 39
3 40
3 41
3 42
3 43
3 44
3 45
NAME PAGE
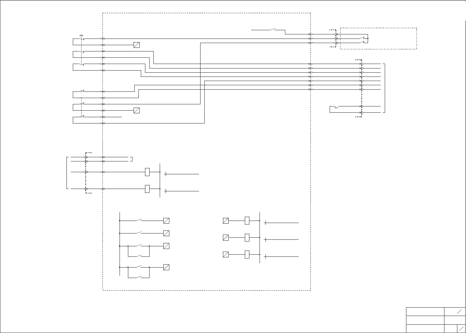
安全回路図
SAFETY CIRCUIT DIAGRAM
4
3
TITLE TYPE
ベース安全回路
BASE SAFETY CIRCUIT
NXTⅢc
DRAWING No.
FUJI SECRET
2RGZBB007300
M2LS1E
M1CR33E
1 10
モジュール3安全扉
a
b
410
M2LS1E
M1CR34E
1 10
モジュール4安全扉
a
b
417
M1LS34
M1LS44
M1CR23X
1 10
モジュール3着座確認
a
b
410
M1CR24X
1 10
モジュール4着座確認
a
b
417
I
O
I
O
ADDRESS
407
ADDRESS
414
M1CR31
1 10
モジュール3電源遮断
a
b
403
M2LS4
M1CR32
1 10
モジュール4電源遮断
a
b
403
M2LS4
M1CR22E
12 11
427
ペアモジュール非常停止要因
M1CR22E1
12 11
429
ペアモジュール非常停止要因
M1CR22E
9 10
427
ペアモジュール非常停止要因
M1CR22E1
9 10
429
ペアモジュール非常停止要因
ADDRESS
407
I
O
ADDRESS
414
I
O
M2LS1E
M2LS1E
ADDRESS
407
ADDRESS
414
インタフェース基板2
INTERFACE BOARD 2
GM
モジュール3安全扉
MODULE3 SAFETY DOOR
+24VM12A M193
GM
モジュール4安全扉
MODULE4 SAFETY DOOR
+24VM12B M194
GM
-7
GM
-16
-8
-9
-17
-18
+24VM11
RX013
+24VM11
RX01B
モジュール3着座確認
MODULE 3 DOCKING CHECK
D ON
青 BLU
茶 BRW
黒 BLK
モジュール4着座確認
MODULE 4 DOCKING CHECK
D ON
青 BLU
茶 BRW
黒 BLK
MODULE 3 DOCKING CHECK
モジュール3着座確認
GM
MODULE 3 DOCKING CHECK
モジュール3着座確認
モジュール4着座確認
MODULE 4 DOCKING CHECK
GM
MODULE 4 DOCKING CHECK
モジュール4着座確認
CN7
E9
-C1
E9
-C1
-21
-21
モジュール3より
M2PB1E
CN2 CN10
E1 +24VM12C
-A1 -1
E2 M1021
-A2 -2
M256
-B1 -11
E7
-B2 -12
モジュール4より
M2PB1E
CN2 CN11
E1
-A1 -1
E2
M1028
-A2 -2
M256
-B1 -11
E7
M1029
-B2 -12
FROM MODULE3
FROM MODULE4
I/OA
-7
I/OB
-7
P26
P36
CN2
-E3
CN2
-E3
モジュール3へ
TO MODULE3
M2CR13X
GMM272
XS軸インターロック
モジュール4へ
TO MODULE4
M2CR13X
GMM272
XS軸インターロック
XS AXIS INTERLOCK BOARD 2
XSインターロック基板2
GM
MODULE 3 POWER OFF
モジュール3電源遮断
M1103
-24
-23
+24VM11
-D2
M1101
-D1
+24VM1
GM
MODULE 4 POWER OFF
モジュール4電源遮断
M1104
-24
-23
+24VM11
-D2
M1101
-D1
+24VM1
A7
A8
A11
A12
A5
A6
A9
A10
CN9
-7
-8
-1
-2
CN-M2
-5A
-5B
-4A
-4B
CN8
-5
-6
-3
-4
A7
A8
A11
A12
後工程インターロック
NEXT INTERLOCK
4Mc
M1023
-7
M1024
-8
+24VM11
前工程安全扉閉じ確認
-1
PREVIOUS SIDE SAFETY DOOR CLOSE CHECK
X010
-2
M1031 B5
-5 -1C
M1032 B6
-6 -1D
+24VM11 B9
後工程安全扉閉じ確認
-3 -3A
NEXT SIDE SAFETY DOOR CLOSE CHECK
X011 B10
-4 -3B
M226 M1021
-C3 -27
M225
-C4 -28
M226 M1029
-D1 -27
M225
-D2 -28
M1022
M1030

4 01
4 02
4 03
4 04
4 05
4 06
4 07
4 08
4 09
4 10
4 11
4 12
4 13
4 14
4 15
4 16
4 17
4 18
4 19
4 20
4 21
4 22
4 23
4 24
4 25
4 26
4 27
4 28
4 29
4 30
4 31
4 32
4 33
4 34
4 35
4 36
4 37
4 38
4 39
4 40
4 41
4 42
4 43
4 44
4 45
NAME PAGE
安全回路図
SAFETY CIRCUIT DIAGRAM
4
4
TITLE TYPE
ベース安全回路
BASE SAFETY CIRCUIT
NXTⅢc
DRAWING No.
FUJI SECRET
2RGZBB007300
M1CR31
8 7
308
モジュール3電源遮断
M1CR32
8 7
315
モジュール4電源遮断
M1LS38
11 12
ADDRESS
302
ADDRESS
306
DP3 DP4
M1CR23X
8 7
318
モジュール3着座確認
M1CR33E
8 7
304
モジュール3安全扉
M1LS36
11 12
DP6 DP7 DP8
M1LS48
11 12
ADDRESS
310
ADDRESS
313
DP10 DP11
M1CR24X
8 7
340
モジュール4着座確認
M1CR34E
8 7
311
モジュール4安全扉
M1LS46
11 12
DP13 DP14 DP15
ADDRESS
322
DP5
DP9
ADDRESS
344
DP12
M1CR22E
3 4
427
ペアモジュール非常停止要因
M1CR22E1
3 4
429
ペアモジュール非常停止要因
M1CR22E
1 2
ペアモジュール非常停止要因
a
b
a
b
320 342 440
407
441
M1CR22E1
1 2
ペアモジュール非常停止要因
a
b
a
b
320 342 443
429
445
M1CR22E
5 6
427
ペアモジュール非常停止要因
M1CR22E
7 8
427
ペアモジュール非常停止要因
M1CR22E1
5 6
429
ペアモジュール非常停止要因
M1CR22E1
7 8
429
ペアモジュール非常停止要因
+24VM12
+24VM12CA +24VM12C
モジュール3非常停止ボタン モジュール3フロントカバー閉じ確認
モジュール3引き込み確認
M1021 M1022 M1023
モジュール3着座確認 モジュール3安全扉閉じ確認
サイドカバー閉じ確認(前工程)
M1025 M1026 M1027
モジュール4非常停止ボタン モジュール4フロントカバー閉じ確認
モジュール4引き込み確認
M1029 M1030 M1031
モジュール4着座確認 モジュール4安全扉閉じ確認
サイドカバー閉じ確認(後工程)
M1033 M1034
前工程扉閉じ確認
M1024
M1028
後工程扉閉じ確認
M1032
M182
インターフェース基板2
INTERFACE BOARD 2
+24VM12
セーフティーリレーユニット
SAFETY RELAY UNIT
A1(+)
M181
T31
M182
T12
T11
T22
T21
M183 M184
T33
T32
Y1
GM
GM
M1SR2
Control
Circuit
A2(-)
ペアモジュール非常停止要因
PAIR MODULE EMERGENCY STOP FACTOR
M186
S14
S44
M185
L1
L2
X1
X2
CN7
-1
CN7
-2
CN3
-1
CN3
-2
CN7
-5
CN7
-6
CN7
-12
CN7
-13
CN4
-1
CN4
-2
CN2
-8
-6
-7
-5
-9
-3
-4
CN2
-10
-11
M2CR12X
GM
ペアモジュール非常停止要因
M2CR12X
GM
ペアモジュール非常停止要因
+24VM12A F35 M271
M1035 M228
M1036 M221
+24VM12B F36 M271
M1037 M228
M1038 M221
CN10
-22
-29
-30
CN11
-22
-29
-30
CN2
-C2
-D8
-D9
CN2
-C2
-D8
-D9
TO MODULE3
モジュール3へ
安全回路
SAFETY CIRCUIT
TO MODULE4
モジュール4へ
安全回路
SAFETY CIRCUIT
MODULE 3
EMERGENCY STOP BUTTON
MODULE 3
FRONT COVER CHECK
MODULE 3
PULL FORWARD CHECK
PREVIOUS SIDE
DOOR CLOSE CHECK
MODULE 3
DOCKING CHECK
MODULE 3
SAFETY DOOR CHECK
SIDE
COVER CLOSE OK
MODULE 4
EMERGENCY STOP BUTTON
MODULE 4
FRONT COVER CHECK
MODULE 4
PULL FORWARD CHECK
NEXT SIDE
DOOR CLOSE OK
MODULE 4
DOCKING CHECK
MODULE 4
SAFETY DOOR CHECK
SIDE
COVER CLOSE OK
-13 -B3
-13 -B3
M175
M175
M185
M185
未接続

1 01
1 02
1 03
1 04
1 05
1 06
1 07
1 08
1 09
1 10
1 11
1 12
1 13
1 14
1 15
1 16
1 17
1 18
1 19
1 20
1 21
1 22
1 23
1 24
1 25
1 26
1 27
1 28
1 29
1 30
1 31
1 32
1 33
1 34
1 35
1 36
1 37
1 38
1 39
1 40
1 41
1 42
1 43
1 44
1 45
NAME PAGE
安全回路図
SAFETY CIRCUIT DIAGRAM
2
1
TITLE TYPE
モジュール安全回路
MODULE SAFETY CIRCUIT
NXTⅢc
DRAWING No.
FUJI SECRET
2RGZBB007400
I
O
M2LS1E
M2CR11E
5 6
226
セーフティーリレーOK
I
O
M2CR13X
7 8
115
XS軸インターロック
I
O
DP9
M2CR12X
7 8
114
ペアモジュール非常停止要因
I
O
DP10
M2CR12E
8 7
228
セーフティーリレーOK(ディレー)
I
O
I
O
M2CR4X
1 10
運転準備OK
a
b
204
I
O
M2CR5X
1 10
マスターON
a
b
202
M2CR3X
8 7
140
パレット電源入り
I
O
ADDRESS
214
M2CR3X
1 10
パレット電源入り
a
b
125
I
O
Y000
M2CR12X
1 10
ペアモジュール非常停止要因
a
b
121 211
M2CR13X
1 10
XS軸インターロック
a
b
120 207
M2LS4
非常停止ボタン
EMERGENCY STOP BUTTON
CN3
K3107
-9
X009
-10
E1
-13
E2
-14
M256
-11
E7
-12
CN6
-11
M256
-1
E1
-2
E2
-12
E7
CN2
+24VM4C
-A1
ベース I/F
M1001
-A2
BASE I/F
M181
-B1
M182
-B2
-14
CN17
K3107
-13
+24VA1A
M/C CN2
パレット非常停止要因
+24VA1A
-9
PALETTE EMERGENCY STOP FACTOR
-3
K3107
INTERFACE BOARD
インターフェース基板
フロントカバー開閉確認
FRONT COVER CHECK
CN3
M226
-1
M225
-2
+24VM4A
-7
E9
-8
E9 M191
-21 -C1
+24VA1
X000
X004
M3:OFF M6:ON
X008
X001
GA
運転準備OK
MASTER ON
Y001
EB2-24NU-L
マスターON
MASTER ON
Y002
EB2-24NU-L
+24VA1
K3108
-4
X003
-3
K3108
-5-15
K3108
非常停止SW正常
EMERGENCY SWITCH OK
フロントカバー開閉確認
FRONT COVER CLOSED CHECK
パレット電源入り
PALLET POWER ON
EB2-24NU-L
Y000
-23
-24
M225
M226
-C3
-C4
M1002
M1001
M2PB1E
セーフティーリレー正常
SAFETY RELAY OK
セーフティーリレー正常(ディレー)
SAFETY RELAY OK(DELAY)
XS軸インターロックOK
XS AXIS INTERLOCK OK
ペアモジュール非常停止要因
PAIR MODULE EMERGENCY STOP FACTOR
CN2
-D8
-D9
M1015
ベース I/F
BASE I/F
-37
CN6
M228
-38
M221M1016
M271
ペアモジュール非常停止要因
PAIR MODULE EMERGENCY STOP FACTOR
M272
XS軸インターロック
XS AXIS INTERLOCK
GM
-22
-33
-C2
F33
-E3
P6
-D1
-D2
+24VM1
M1101
+24VM1
M1101
モジュール電源接続扉
MODULE POWER CONNECTION DOOR
DEVICE BASE
デバイスベース
PALLET POWER ON
パレット電源入り
(未使用)
(UNUSED)
ON
OFF