M20_MultiConv_PartsList PDFA - 第4页
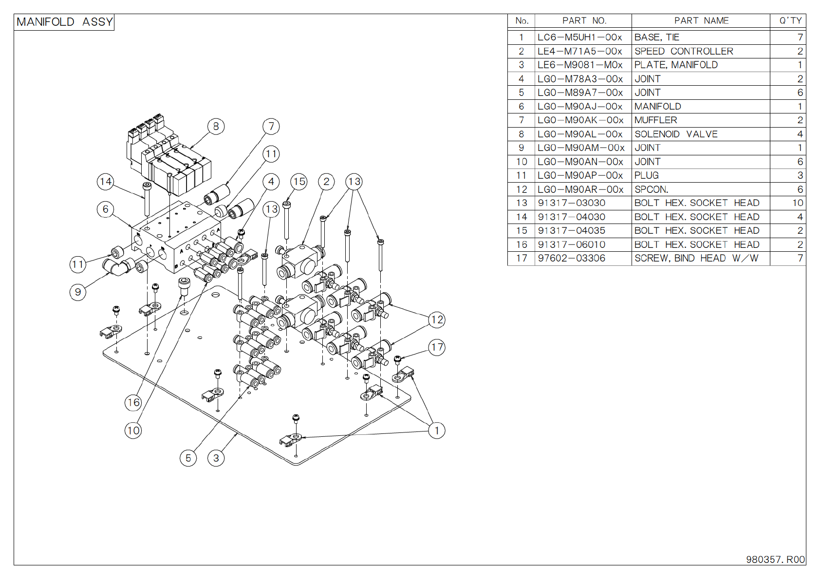
M A N I F O L D A S S Y 9 8 0 3 5 7 . R 0 0 P A R T N O . P A R T N A M E Q ’ T Y N o . 1 L C 6 - M 5 U H 1 - 0 0 x B A S E , T I E 7 2 L E 4 - M 7 1 A 5 - 0 0 x S P E E D C O N T R O L L E R 2 3 L E 6 - M 9 0 8 1 - M 0 …

S H T . 2 / 2
P A R T N O . P
A R T N A M E Q ’ T YN o .
M U L T I C O N V E Y O R A S S Y
9 8 0 3 5 6 . R 0 0
1 L E 6 - M 9 0 E 1 - M 0 x M A N I F O L D A S S Y . 1
2 L E 6 - M 9 4 1 0 - 0 0 x R A I L , F I X E D S E C 1
3 L E 6 - M 9 4 2 0 - 0 0 x R A I L , M O V I N G S E C 1
4 L E 6 - M 9 4 3 0 - 0 0 x W - A X I S S E C 1
5 L E 6 - M 9 4 4 0 - 0 0 x D R I V E S E C 1
6 L E 6 - M 9 8 0 0 - M 0 x P U S H U P S E C 1

M A N I F O L D A S S Y
9 8 0 3 5 7 . R 0 0
P A R T N O . P A R T N A M E Q ’ T YN o .
1 L C 6 - M 5 U H 1 - 0 0 x B A S E , T I E 7
2 L E 4 - M 7 1 A 5 - 0 0 x S P E E D C O N T R O L L E R 2
3 L E 6 - M 9 0 8 1 - M 0 x P L A T E , M A N I F O L D 1
4 L G 0 - M 7 8 A 3 - 0 0 x J O I N T 2
5 L G 0 - M 8 9 A 7 - 0 0 x J O I N T 6
6 L G 0 - M 9 0 A J - 0 0 x M A N I F O L D 1
7 L G 0 - M 9 0 A K - 0 0 x M U F F L E R 2
8 L G 0 - M 9 0 A L - 0 0 x S O L E N O I D V A L V E 4
9 L G 0 - M 9 0 A M - 0 0 x J O I N T 1
1 0 L G 0 - M 9 0 A N - 0 0 x J O I N T 6
1 1 L G 0 - M 9 0 A P - 0 0 x P L U G 3
1 2 L G 0 - M 9 0 A R - 0 0 x S P C O N . 6
1 3 9 1 3 1 7 - 0 3 0 3 0 B O L T H E X . S O C K E T H E A D 1 0
1 4 9 1 3 1 7 - 0 4 0 3 0 B O L T H E X . S O C K E T H E A D 4
1 5 9 1 3 1 7 - 0 4 0 3 5 B O L T H E X . S O C K E T H E A D 2
1 6 9 1 3 1 7 - 0 6 0 1 0 B O L T H E X . S O C K E T H E A D 2
1 7 9 7 6 0 2 - 0 3 3 0 6 S C R E W , B I N D H E A D W / W 7
1 2
1
9
6
1 4
5 3
1 6
1 7
8
1 1
1 3
7
2 1 31 54
1 0
1 1

S H T . 1 / 2
R A I L , F I X E D S E C
9 8 0 3 5 8 . R 0 1
2
1 5
1
1
1
1
1
2
3
3
3
1 6
2 1
1 4
1 3
1 5
5
2 2
1 9
6
7
8
9
2 0
2 2
1 2
5
1 1
1 0
1 1
2 7
2 8
2 4
2 9
2 3
2 6 2 5
2 92 4
2 5
2 32 6
1 6
4